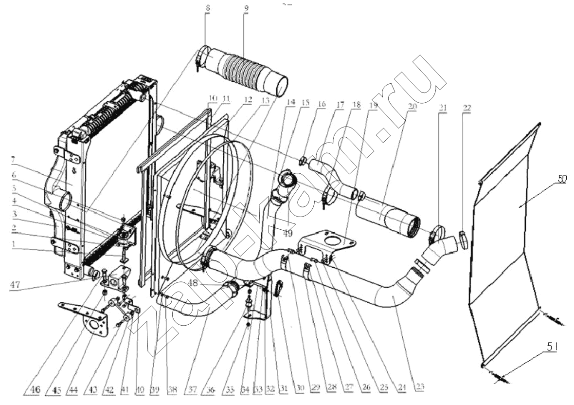
COOLING SYSTEM/WP10/NEW M3000/850 FRAME
/ Shaanxi Shacman SX5256GJBMR364

1
2
3
4
5
6
7
7
8
9
10
11
12
12
13
14
14
15
16
17
18
19
20
21
22
23
24
25
26
27
28
29
30
31
32
33
34
34
35
36
37
38
39
40
40
40
40
41
42
43
44
45
46
47
47
48
49
50
50
51
Поз. | Артикул | Название детали | Кол-во | |
---|---|---|---|---|
Q40214 | Q40214 | Large gasket | 4; | |
1 | DZ9112538040 | Опора в сборе | 2; | |
2 | Q150B0816 | Болт | 8; | |
3 | DZ96259531030 | CAC | 1; | |
4 | Q40308 | Шайба пружинная | 8; | |
5 | 81.06225.6008 | Держатель радиатора в сборе | 2; | |
6 | 06.11240.0411 | Гайка | 2; | |
7 | DZ96259532033 | Radiator | 1; | |
7 | DZ96259532030 | Radiator | 1; | |
8 | DZ9003533115 | Clip | 4; | |
9 | DZ93259535322 | Rubber hose | 1; | |
10 | DZ96259537015 | Hermetical pastern | 2; | |
11 | DZ96259537017 | Hermetical pastern | 2; | |
12 | DZ96259536048 | Air duct assembly | 1; | |
12 | DZ96259536043 | Air duct assembly | 1; | |
13 | DZ91259538602 | Хомут | 1; | |
14 | DZ96259534078 | Outlet rubber hose | 1; | |
14 | DZ96259534065 | Outlet rubber hose | 1; | |
15 | Q67683 | Хомут | 3; | |
16 | Q67664 | Clip | 3; | |
17 | DZ96259535065 | In rubber hose | 1; | |
18 | DZ9003532115 | Хомут | 2; | |
19 | DZ96259538029 | Bracket | 1; | |
20 | DZ96259535064 | Rubber hose | 1; | |
21 | DZ93259535332 | Rubber hose | 1; | |
22 | DZ9003533084 | Clip | 2; | |
23 | DZ96259534064 | Steel tube | 1; | |
24 | Q150B0820 | Болт | 4; | |
25 | Q33208 | Гайка | 4; | |
26 | DZ9100530053 | Dowel | 2; | |
27 | DZ9100530052 | Dowel | 2; | |
28 | DZ9100530051 | Clip | 2; | |
29 | Q218B0860 | Hex screw | 2; | |
30 | DZ93259538077 | Bracket buffer | 1; | |
31 | DZ96259538038 | Bracket | 1; | |
32 | Q40110 | Шайба | 2; | |
33 | Q40310 | Шайба | 2; | |
34 | Q150B1090 | Hex.screw | 1; | |
34 | Q150B1030 | Болт | 1; | |
35 | Q33210 | Гайка | 2; | |
36 | DZ93259537002 | Buffer | 1; | |
37 | DZ93259535325 | Rubber hose | 1; | |
38 | Q150B0816 | Болт | 6; | |
39 | Q40308 | Шайба пружинная | 6; | |
40 | DZ96259538076 | Right connect bracket | 1; | |
40 | DZ96259538075 | Left connect bracket | 1; | |
40 | DZ96259538034 | Right connect bracket | 1; | |
40 | DZ96259538033 | Left connect bracket | 1; | |
41 | Q33210 | Гайка | 4; | |
42 | 81.06245.0043 | Опора в сборе | 2; | |
43 | Q150B1050 | Hex.screw | 4; | |
44 | DZ95259538072 | Support | 2; | |
45 | Q32214 | Hex nut | 4; | |
46 | Q150B1445 | Болт | 4; | |
47 | DZ96259538019 | Left support | 1; | |
47 | DZ96259538020 | Rihgt support | 1; | |
48 | DZ93259538605 | Water pipe clip | 1; | |
49 | DZ95259535029 | Rubber hose | 1; | |
50 | DZ96259537005 | Dustproof net | 1; | |
50 | DZ96259537003 | Dustproof net | 1; | |
51 | DZ95259537001 | Spring | 2; |
Содержащиеся в справочниках-каталогах запасные части и детали не предлагаются к продаже, а носят исключительно информационный характер