Схема электрооборудования
/ УралАЗ УРАЛ-4320

1
2
3
4
5
6
7
8
9
9
10
11
12
13
14
14
15
16
17
18
19
20
21
22
23
24
25
26
27
28
29
30
31
32
32
33
34
35
36
37
38
39
40
41
42
43
44
45
46
46
47
48
49
50
51
52
53
54
55
56
57
57
58
59
60
61
62
63
64
65
66
67
68
69
70
71
72
73
74
Поз. | Артикул | Название детали | 4320 | 4420 | |
---|---|---|---|---|---|
ФП133-3716203 | ФП133-3716203 | Прокладка | 2 | 2 | |
375-3724170 | 375-3724170 | Пучок проводов к боковому повторителю указателя поворота в сборе | 2 | 2 | |
375Д-3724139 | 375Д-3724139 | Пучок проводов к включателям "сток" в сборе | 1 | 1 | |
4320-3724017 | 4320-3724017 | Пучок проводов к подфарнику в сборе | 2 | 2 | |
4320-3724021 | 4320-3724021 | Пучок проводов к световым приборам в сборе | 1 | 1 | |
4320-3724012 | 4320-3724012 | Пучок проводов основной в сборе | 1 | 1 | |
4320-3724010 | 4320-3724010 | Пучок проводов основной с колодками в сборе | 1 | 1 | |
4320-3724082 | 4320-3724082 | Пучок проводов подогревателя | |||
4320-3724023 | 4320-3724023 | Пучок проводов системы питания и пуска в сборе | 1 | 1 | |
4320-3710014 | 4320-3710014 | Рамка | 2 | 2 | |
4320-3710014 | 4320-3710014 | Рамка | 2 | 1 | |
4320-3724142 | 4320-3724142 | Рамка | 3 | 3 | |
4320-3724040 | 4320-3724040 | Пучок проводов задних сигнальных фонарей с колодками в сборе | 1 | 1 | |
4320-3724043 | 4320-3724043 | Пучок проводов задних сигнальных фонарей в сборе | 1 | ||
4420-3724040 | 4420-3724040 | Пучок проводов задних световых приборов с колодками в сборе | 1 | ||
ФП134-3717203 | ФП134-3717203 | Прокладка | 1 | 1 | |
ПФ133-3712203 | ПФ133-3712203 | Прокладка | 1 | 1 | |
4320-8102042 | 4320-8102042 | Прокладка диска | 1 | 1 | |
Г287-3701307 | Г287-3701307 | Прокладка уплотнительная | 1 | 1 | |
4320-8102052 | 4320-8102052 | Прокладка электродвигателя | 1 | 1 | |
4320-3724020 | 4320-3724020 | Пучок проводов добавочный в сборе | 1 | 1 | |
4320-3724039 | 4320-3724039 | Пучок проводов задний в сборе | 1 | 1 | |
4420-3724039 | 4420-3724039 | Пучок проводов задний в сборе | 1 | ||
4320-3724035 | 4320-3724035 | Пучок проводов задний с колодками в сборе | 1 | 1 | |
4420-3724035 | 4420-3724035 | Пучок проводов задний с колодками в сборе | 1 | ||
4420-3724043 | 4420-3724043 | Пучок проводов задних световых приборов в сборе | 1 | ||
352-3724015 | 352-3724015 | Рамка разрезной втулки | 2 | 2 | |
4320-3716009 | 4320-3716009 | Распорка кронштейна | 1 | ||
377-8103010 | 377-8103010 | Распределитель воздухообогрева в сборе | 1 | 1 | |
4320-3803027 | 4320-3803027 | Скоба | 4 | 4 | |
СП170-002 | СП170-002 | Скоба | 2 | 2 | |
377-8103029 | 377-8103029 | Скоба | 4 | 4 | |
СП 170-002 | СП 170-002 | Скоба крепления указателя | 2 | 2 | |
Г288-3701100-А | Г288-3701100-А | Статор | 1 | 1 | |
4320-3748075 | 4320-3748075 | Стяжка крепления аккумуляторных батарей в сборе | 2 | 2 | |
4320-3748144 | 4320-3748144 | Стяжка кронштейнов | 1 | 1 | |
740-3901552 | 740-3901552 | Сумка для инструмента в сборе | 1 | 1 | |
375-39010.10 | 375-39010.10 | Сумка инструментальная большая в сборе | 1 | 1 | |
375Ю-3918000 | 375Ю-3918000 | Съемник полуоси в сборе | 1 | 1 | |
375-3918005 | 375-3918005 | Съемник сальников накачки шин в сборе | 1 | 1 | |
339439-П29 | 339439-П29 | Скоба | 1 | 1 | |
339330-П29 | 339330-П29 | Скоба | 1 | 1 | |
Н2910-П29 | Н2910-П29 | Скоба | 2 | 2 | |
ФП133-3716204 | ФП133-3716204 | Рассеиватель | 2 | 2 | |
ФП134-3717204 | ФП134-3717204 | Рассеиватель | 1 | 1 | |
ПФ133-3712204 | ПФ133-3712204 | Рассеиватель | 1 | 1 | |
УП101-3726204 | УП101-3726204 | Рассеиватель | 5 | 5 | |
Г288-3701200 | Г288-3701200 | Ротор | 1 | 1 | |
353-3709012 | 353-3709012 | Ручка переключателя в сборе | 1 | 1 | |
43,20-3710012 | 43,20-3710012 | Ручка реостата | 1 | 1 | |
377-8103020 | 377-8103020 | Рычаг в сборе | 1 | 1 | |
4320-3748060 | 4320-3748060 | Салазки в сборе | 1 | 1 | |
С40-3721000-В-Э | С40-3721000-В-Э | Сигнал пневматический в сборе | 1 | 1 | |
Г250-3701053-А1 | Г250-3701053-А1 | Скоба | 1 | 1 | |
740-3901210 | 740-3901210 | Съемник форсунки в сборе | 1 | 1 | |
375Д-3726036 | 375Д-3726036 | Прокладка | 3 | 3 | |
864564 | 864564 | Отвертка комбинированная № 2 в сборе | 1 | 1 | |
6-180603КС9 | 6-180603КС9 | Подшипник шариковый | 1 | 1 | |
6-1180304К1С9 | 6-1180304К1С9 | Подшипник шариковый | 1 | 1 | |
4420-3919040 | 4420-3919040 | Полик в сборе | 1 | ||
4420-3717029 | 4420-3717029 | Поперечина номерного знака | 1 | ||
4320-3724175 | 4320-3724175 | Провод знака автопоезда | 1 | 1 | |
4320-3724188 | 4320-3724188 | Провод конденсатора отопителя в сборе | 1 | 1 | |
375-3724070 | 375-3724070 | Провод от стартера на МАССУ в сборе | 2 | 2 | |
4320-3724295 | 4320-3724295 | Провод на - "массу" в сборе | 1 | 1 | |
4320-3724291 | 4320-3724291 | Провод на "массу" в сборе | 1 | 1 | |
4320-3724293 | 4320-3724293 | Провод на "массу" в сборе | 2 | 2 | |
4320-3724295 | 4320-3724295 | Провод на - "массу" в сборе | 1 | 1 | |
377С-3919019 | 377С-3919019 | Подкладка инструментального ящика | 2 | ||
593471 | 593471 | Плоскогубцы комбинированные | 1 | 1 | |
375-3723015 | 375-3723015 | Пластина розетки | 2 | ||
ФП310-3731000-Е-Э | ФП310-3731000-Е-Э | Отражатель света | 2 | 2 | |
740-3701780 | 740-3701780 | Палец | 1 | 1 | |
260065-П52 | 260065-П52 | Палец 10х48 | 2 | 2 | |
260046-П52 | 260046-П52 | Палец 8Х60 | 2 | 2 | |
КП191-300 | КП191-300 | Патрон в сборе | 12 | 12 | |
ПП158-3713000 | ПП158-3713000 | Патрон лампы | 3 | 3 | |
ЛВ211-3714329 | ЛВ211-3714329 | Патрон лампы со штекером | 9 | 9 | |
П147-3709000-05.06 | П147-3709000-05.06 | Переключатель поворотных фар | 1 | 1 | |
4320-1109257 | 4320-1109257 | Переходник индикатора | 1 | 1 | |
740-3701790-10 | 740-3701790-10 | Планка | 1 | 1 | |
4320-3748104 | 4320-3748104 | Планка крепления аккумуляторных батарей в сборе | 1 | 1 | |
4320-3724297 | 4320-3724297 | Провод на "массу" в сборе | 4 | 4 | |
4320-3724050 | 4320-3724050 | Провод от аккумуляторной батареи к включателю стартера в сборе | 1 | 1 | |
4320-3724284 | 4320-3724284 | Провод от аккумуляторной батареи к розетке в сборе | 1 | 1 | |
4320-3724187 | 4320-3724187 | Провод соединения сопротивлений отопителя в сборе | 1 | 1 | |
4320-3724180 | 4320-3724180 | Провода ламп освещения приборов в сборе | 1 | 1 | |
4320.3724181 | 4320.3724181 | Провода ламп освещения приборов в сборе | 1 | 1 | |
4320-3724085 | 4320-3724085 | Провода переключателей подогревателя в сборе | 1 | 1 | |
4320-3724076 | 4320-3724076 | Провода питания приборов левые в сборе | 1 | 1 | |
4320-3717016 | 4320-3717016 | Прокладка | 1 | 1 | |
4420-3716072 | 4420-3716072 | Прокладка | 2 | ||
4420-3919043 | 4420-3919043 | Прокладка | 2 | ||
353-3723222 | 353-3723222 | Прокладка | 2 | 1 | |
375-3506023 | 375-3506023 | Прокладка хомута | 1 | 1 | |
375-5506023 | 375-5506023 | Прокладка | 1 | 1 | |
4320-3724285 | 4320-3724285 | Провод соединения приборов с массой в сборе | 1 | 1 | |
4320-3724290 | 4320-3724290 | Провод соединения приборов с "массой" в сборе | 1 | 1 | |
4320-3724080 | 4320-3724080 | Провод соединения аккумуляторных батарей с выключателем массы в сборе | 1 | 1 | |
375Д-3724036 | 375Д-3724036 | Провод на "массу" в сборе | 1 | 1 | |
4320-3724107 | 4320-3724107 | Провод от включателя к катушке зажигания в сборе | 1 | 1 | |
4320-3724005 | 4320-3724005 | Провод от включателя к плафону в сборе | 1 | 1 | |
4320 3724283 | 4320 3724283 | Провод от выключателя массы к розетке в сборе | 1 | 1 | |
4320-3724269 | 4320-3724269 | Провод от заднего фонаря на "массу" в сборе | 2 | ||
4320-3724086 | 4320-3724086 | Провод от переключателя к конденсатору в сборе | 1 | 1 | |
4320-3724061 | 4320-3724061 | Провод от регулятора напряжения к конденсаторному фильтру в сбире | 1 | 1 | |
4320-3724124 | 4320-3724124 | Провод от фонаря освещения под капотом к конденсаторному фильтру в сборе | 1 | 1 | |
4420-3724011 | 4420-3724011 | Провод переключатель - фара в сборе | 1 | ||
4320-3724140 | 4320-3724140 | Провод подогревателя в сборе | 1 | 1 | |
4320-3724070 | 4320-3724070 | Провод соединения аккумуляторных батарей в сборе | 1 | 1 | |
375-3716072 | 375-3716072 | Прокладка | 2 | ||
ГОСТ 1399-73 | ГОСТ 1399-73 | Топор А2 | 1 | 1 | |
252153-П9 | 252153-П9 | Шайба пружинная 5 | 2 | 2 | |
252269-П9 | 252269-П9 | Шайба 5 | 1 | 1 | |
Х-1482-01 | Х-1482-01 | Шайба 6Т.65Г | 3 | 3 | |
Х1482-01 | Х1482-01 | Шайба 6Т.65Г | 1 | 1 | |
252110 | 252110 | Шайба 6Т.65Г | 4 | 4 | |
252134-П9 | 252134-П9 | Шайба пружинная 6 | 4 | 4 | |
252134-П9 | 252134-П9 | Шайба пружинная 6 | 2 | 2 | |
252134-П9 | 252134-П9 | Шайба пружинная 6 | 2 | 2 | |
252134-П9 | 252134-П9 | Шайба пружинная 6 | 2 | 2 | |
1-26470-01 | 1-26470-01 | Шайба 8 | 1 | 1 | |
1-05166-73 | 1-05166-73 | Шайба 8 пружинная | 1 | 1 | |
1-05166-73 | 1-05166-73 | Шайба 8 пружинная | 1 | 1 | |
252269-П9 | 252269-П9 | Шайба 5 | 1 | 1 | |
252269-П9 | 252269-П9 | Шайба 5 | 1 | 1 | |
252269-П9 | 252269-П9 | Шайба 5 | 1 | 1 | |
252154-П9 | 252154-П9 | Шайба пружинная 6 | 2 | 2 | |
252154-П9 | 252154-П9 | Шайба пружинная 6 | 2 | 2 | |
252154-П9 | 252154-П9 | Шайба пружинная 6 | 2 | 2 | |
252154-П9 | 252154-П9 | Шайба пружинная 6 | 3 | 3 | |
252154-П9 | 252154-П9 | Шайба пружинная 6 | 2 | 2 | |
252154-П9 | 252154-П9 | Шайба пружинная 6 | 4 | 4 | |
252154-П9 | 252154-П9 | Шайба пружинная 6 | 2 | 2 | |
252154-П9 | 252154-П9 | Шайба пружинная 6 | 1 | 1 | |
252154-П9 | 252154-П9 | Шайба пружинная 6 | 1 | 1 | |
252154-П9 | 252154-П9 | Шайба пружинная 6 | 4 | 4 | |
252154-П9 | 252154-П9 | Шайба пружинная 6 | 2 | 2 | |
1-05166-73 | 1-05166-73 | Шайба 8 пружинная | 1 | 1 | |
252005-П29 | 252005-П29 | Шайба 8 | 2 | 2 | |
252005-П29 | 252005-П29 | Шайба 8 | 3 | 3 | |
258024-П29 | 258024-П29 | Шплинт 2,5х16 | 2 | 2 | |
258037-П29 | 258037-П29 | Шплинт 3,2х12 | 2 | 2 | |
Х-4148 | Х-4148 | Шпонка сегментная | 1 | 1 | |
Ш1-3911010-А | Ш1-3911010-А | Шприц для консистентной смазки рычажно-плунжерный в сборе | 1 | 1 | |
339263-П29 | 339263-П29 | Штуцер К1/8"-М14х1,5 | 1 | 1 | |
Г272-3701020-01 | Г272-3701020-01 | Шетка | 1 | 1 | |
Г272-3701030-01 | Г272-3701030-01 | Щетка с пружиной в сборе | 1 | 1 | |
Г272-3701010-01 | Г272-3701010-01 | Щеткодержатель | 1 | 1 | |
740-3901550 | 740-3901550 | Щуп в сборе ГОСТ 332-64 | 1 | 1 | |
МЭ226В-3730000 | МЭ226В-3730000 | Электродвигатель отопителя | 1 | 1 | |
4320-3748010 | 4320-3748010 | Ящик аккумуляторных батарей в сборе | 1 | 1 | |
1-35431-21 | 1-35431-21 | Шпилька М8х1,25х16х16 | 1 | 1 | |
375-3917100-01 | 375-3917100-01 | Шланг насоса в сборе | 1 | 1 | |
Г288-3701051 | Г288-3701051 | Шкив | 1 | 1 | |
252005-П29 | 252005-П29 | Шайба 8 | 2 | 2 | |
252038-П29 | 252038-П29 | Шайба 8,5 | 4 | ||
252155-П9 | 252155-П9 | Шайба пружинная 8 | 2 | ||
252155-П9 | 252155-П9 | Шайба пружинная 8 | 6 | ||
252135-П9 | 252135-П9 | Шайба пружинная 8 | 3 | 3 | |
252135-П9 | 252135-П9 | Шайба пружинная 8 | 2 | 2 | |
252135-П29 | 252135-П29 | Шайба 8Т | 2 | 2 | |
252130-П9 | 252130-П9 | Шайба пружинная 3 | 4 | 2 | |
Г287-3701074 | Г287-3701074 | Шайба коническая | 1 | 1 | |
Н-04001Л-П15 | Н-04001Л-П15 | Шайба пружинная | 2 | 2 | |
Г287-3701405 | Г287-3701405 | Шайба специальная | 1 | 1 | |
4420-3919010 | 4420-3919010 | Ящик инструментальный в сборе | 1 | ||
252269-П29 | 252269-П29 | Шайба 6 стопорная | 3 | 3 | |
375-3907010 | 375-3907010 | Трос буксирный | 1 | 1 | |
4320-3914030 | 4320-3914030 | Чехол утеплительный на радиатор и боковины в сборе | 1 | 1 | |
Н-01350-П29 | Н-01350-П29 | Шайба | 4 | 4 | |
8Х-1497А | 8Х-1497А | Шайба | 3 | 3 | |
1-26386 01 | 1-26386 01 | Шайба 10 | 1 | 1 | |
252006-П29 | 252006-П29 | Шайба 10 | 2 | 2 | |
1-05168-73 | 1-05168-73 | Шайба 10 пружинная | 1 | 1 | |
1-05169-73 | 1-05169-73 | Шайба 10 пружинная | 2 | 2 | |
252156-П9 | 252156-П9 | Шайба 10 пружинная | 8 | 8 | |
252007-П29 | 252007-П29 | Шайба 12 | 2 | 2 | |
252007-П29 | 252007-П29 | Шайба 12 | 2 | 2 | |
252137-П9 | 252137-П9 | Шайба пружинная 12 | 2 | 2 | |
Г21-3701005 | Г21-3701005 | Чашка опорная | 1 | 1 | |
339458-П29 | 339458-П29 | Хомут | 1 | 1 | |
339097-П29 | 339097-П29 | Хомут 14 | 1 | 1 | |
377-8109324 | 377-8109324 | Трос | 1 | 1 | |
377-8109144 | 377-8109144 | Трос гибкий | 1 | 1 | |
28-04125 | 28-04125 | Трубка для прокачки гидросистемы | 1 | 1 | |
375-3721016-Б | 375-3721016-Б | Трубка от включателя к сигналу в сборе | 1 | 1 | |
375-3721018-В | 375-3721018-В | Трубка от разобщительного крана к включателю в сборе | 1 | 1 | |
377-8103024 | 377-8103024 | Тяга в сборе | 1 | 1 | |
339040 | 339040 | Угольник М14х1,5 КГ1/4" | 1 | 1 | |
339147-П29 | 339147-П29 | Угольник К1/8"-М14х1,5 | 2 | 2 | |
Г288-3701130 | Г288-3701130 | Фаза статора | 1 | 1 | |
Г288-3701132 | Г288-3701132 | Фаза статора | 3 | 3 | |
411-00-00-00 | 411-00-00-00 | Футляр аптечки в сборе | 1 | 1 | |
252137-П9 | 252137-П9 | Шайба пружинная 12 | 2 | ||
252137-П9 | 252137-П9 | Шайба пружинная 12 | 2 | 2 | |
252016-П29 | 252016-П29 | Шайба 14 | 2 | 2 | |
252153-П9 | 252153-П9 | Шайба пружинная 5 | 2 | 2 | |
252153-П9 | 252153-П9 | Шайба пружинная 5 | 2 | 2 | |
252153-П9 | 252153-П9 | Шайба пружинная 5 | 4 | 4 | |
252153-П9 | 252153-П9 | Шайба пружинная 5 | 3 | 3 | |
Х-4001-01 | Х-4001-01 | Шайба 5Т.65Г | 4 | 4 | |
252133-П9 | 252133-П9 | Шайба пружинная 5 | 2 | 2 | |
252133-П9 | 252133-П9 | Шайба пружинная 5 | 2 | 2 | |
252037-П29 | 252037-П29 | Шайба 6 | 4 | 4 | |
252269-П29 | 252269-П29 | Шайба 6 стопорная | 2 | 2 | |
252004-П29 | 252004-П29 | Шайба 6 | 2 | 2 | |
252004-П29 | 252004-П29 | Шайба 6 | 3 | 3 | |
252153-П9 | 252153-П9 | Шайба пружинная 5 | 8 | 8 | |
252153-П9 | 252153-П9 | Шайба пружинная 5 | 12 | 12 | |
252153-П9 | 252153-П9 | Шайба пружинная 5 | 4 | 4 | |
252132-П9 | 252132-П9 | Шайба пружинная 4 | 2 | 2 | |
252132-П9 | 252132-П9 | Шайба пружинная 4 | 2 | 2 | |
252152-П9 | 252152-П9 | Шайба 4 пружинная | 8 | 8 | |
252132 П9 | 252132 П9 | Шайба 4Т.65Г.05 | 4 | 4 | |
252269-П9 | 252269-П9 | Шайба 5 | 6 | 6 | |
252003-П29 | 252003-П29 | Шайба 5 | 4 | 4 | |
252003-П29 | 252003-П29 | Шайба 5 | 4 | 4 | |
252133-П9 | 252133-П9 | Шайба пружинная 5 | 2 | 2 | |
252133-П9 | 252133-П9 | Шайба пружинная 5 | 3 | 3 | |
252153-П9 | 252153-П9 | Шайба пружинная 5 | 4 | 4 | |
252153-П9 | 252153-П9 | Шайба пружинная 5 | 4 | 4 | |
252004-П29 | 252004-П29 | Шайба 6 | 2 | ||
220104-П29 | 220104-П29 | Винт М6-6gх14 | 4 | 4 | |
4320-3724336 | 4320-3724336 | Втулка | 3 | 3 | |
4320-3724148 | 4320-3724148 | Втулка проходная | 3 | 3 | |
4320-3724014 | 4320-3724014 | Втулка разрезная | 2 | 2 | |
Г287-3701053 | Г287-3701053 | Втулка упорная | 1 | 1 | |
БПВ-7-100-02 | БПВ-7-100-02 | Блок выпрямительный | 1 | 1 | |
Н-05001-П29 | Н-05001-П29 | Гайка | 2 | 2 | |
ВК322-016 | ВК322-016 | Гайка | 1 | 1 | |
250512-П29 | 250512-П29 | Гайка М10 | 8 | 8 | |
250513-П29 | 250513-П29 | Гайка М10х1-6Н | 1 | 1 | |
1-21647-21 | 1-21647-21 | Гайка М10х1,25 | 1 | 1 | |
1-21647-21 | 1-21647-21 | Гайка М10х1,25 | 1 | 1 | |
339058 | 339058 | Втулка | 2 | ||
Н2017 | Н2017 | Втулка | 1 | 2 | |
Г287-3701054 | Г287-3701054 | Втулка | 1 | 1 | |
220104-П29 | 220104-П29 | Винт М6-6gх14 | 3 | 3 | |
220104-П29 | 220104-П29 | Винт М6-6gх14 | 4 | 4 | |
220105-П29 | 220105-П29 | Винт М6-6gх16 | 2 | 2 | |
220105-П29 | 220105-П29 | Винт М6-6gх16 | 2 | ||
220107-П29 | 220107-П29 | Винт М6х20 | 2 | 2 | |
220107-П29 | 220107-П29 | Винт М6х20 | 3 | 3 | |
220101-П29 | 220101-П29 | Винт М6-6gх8 | 2 | 2 | |
4320-3710016 | 4320-3710016 | Винт стопорный | 1 | 1 | |
ВК40-3721000-А-Э | ВК40-3721000-А-Э | Включатель пневматического сигнала | 1 | 1 | |
740-3901496 | 740-3901496 | Вороток | 1 | 1 | |
Н-202 | Н-202 | Втулка проходная уплотнительная | 1 | 1 | |
250514-П29 | 250514-П29 | Гайка М12-6Н | 2 | ||
250514-П29 | 250514-П29 | Гайка М12-6Н | 2 | 2 | |
250515-П29 | 250515-П29 | Гайка М12х1,25-6Н | 1 | 1 | |
250464-П29 | 250464-П29 | Гайка М5-6Н | 2 | 2 | |
250464-П29 | 250464-П29 | Гайка М5-6Н | 2 | 2 | |
8Х-1533М | 8Х-1533М | Гайка М6 | 3 | 3 | |
250508-П29 | 250508-П29 | Гайка М6-6Н | 1 | 1 | |
250508-П29 | 250508-П29 | Гайка М6-6Н | 1 | 1 | |
250508-П29 | 250508-П29 | Гайка М6-6Н | 2 | 2 | |
250508-П29 | 250508-П29 | Гайка М6-6Н | 4 | 4 | |
250508-П29 | 250508-П29 | Гайка М6-6Н | 3 | 3 | |
250508-П29 | 250508-П29 | Гайка М6-6Н | 2 | 2 | |
250508-П29 | 250508-П29 | Гайка М6-6Н | 2 | ||
250508-П29 | 250508-П29 | Гайка М6-6Н | 2 | 2 | |
250464-П29 | 250464-П29 | Гайка М5-6Н | 2 | 2 | |
250464-П29 | 250464-П29 | Гайка М5-6Н | 2 | 2 | |
250464-П29 | 250464-П29 | Гайка М5-6Н | 10 | 10 | |
250514-П29 | 250514-П29 | Гайка М12-6Н | 2 | 2 | |
250515-П29 | 250515-П29 | Гайка М12х1,25-6Н | 2 | 2 | |
250615-П29 | 250615-П29 | Гайка М12х1,25-6Н | 1 | 1 | |
250559-П29 | 250559-П29 | Гайка М14х1,5-6Н | 6 | 6 | |
МХ-0235-01 | МХ-0235-01 | Гайка М16 | 1 | 1 | |
250462-П29 | 250462-П29 | Гайка М4-6Н | 8 | 8 | |
Н1326-П29 | Н1326-П29 | Гайка М5 | 3 | 3 | |
250464-П29 | 250464-П29 | Гайка М5-6Н | 4 | 4 | |
250464-П29 | 250464-П29 | Гайка М5-6Н | 3 | 3 | |
250464-П29 | 250464-П29 | Гайка М5-6Н | 2 | 2 | |
250464-П29 | 250464-П29 | Гайка М5-6Н | 4 | 4 | |
250508-П29 | 250508-П29 | Гайка М6-6Н | 4 | 4 | |
220102-П29 | 220102-П29 | Винт М6х6gх10 | 1 | 1 | |
ГОСТ 5105-66 | ГОСТ 5105-66 | Бидон 10 л. | 1 | 1 | |
20.1455-П29 | 20.1455-П29 | Болт М8-6gХ18.68.016 | 6 | ||
201456-П29 | 201456-П29 | Болт М8-6gх20 | 1 | 1 | |
201457-П29 | 201457-П29 | Болт М8-6gх22 | 3 | 3 | |
200265-П29 | 200265-П29 | Болт М8-6gх40 | 2 | 2 | |
200271-П29 | 200271-П29 | Болт М8-6gх60 | 4 | ||
1-60436-21 | 1-60436-21 | Болт М8х25 | 1 | 1 | |
1-60438-21 | 1-60438-21 | Болт М8х30 | 1 | 1 | |
7851-0158Ц15ХР | 7851-0158Ц15ХР | Бородок ГОСТ 7214-72 | 1 | 1 | |
Г287-3701211 | Г287-3701211 | Вал ротора | 1 | 1 | |
375Э-3909235 | 375Э-3909235 | Ведро резиновое в сборе | 1 | 1 | |
Г287-3701055 | Г287-3701055 | Вентилятор в сборе | 1 | 1 | |
201455-П29 | 201455-П29 | Болт М8-6gх18 | 2 | ||
201417-П29 | 201417-П29 | Болт М6-6gх14 | 2 | 2 | |
201417-П29 | 201417-П29 | Болт М6-6gх14 | 4 | 4 | |
ГОСТ 5105-66 | ГОСТ 5105-66 | Бидон 10 л. | 1 | 1 | |
4320-3748110 | 4320-3748110 | Болт крепления салазок | 2 | 2 | |
201498-П29 | 201498-П29 | Болт М10-6gх28 | 6 | 6 | |
1-13070-21 | 1-13070-21 | Болт М10х 1,25х40 | 1 | 1 | |
1-13069-21 | 1-13069-21 | Болт М10х1,25х30 | 2 | 2 | |
201537-П29 | 201537-П29 | Болт М12х22 | 2 | ||
201538-П29 | 201538-П29 | Болт М12-6gх25 | 2 | 2 | |
200393-П29 | 200393-П29 | Болт М12х1,25-6gх45 | 1 | 1 | |
200840-П29 | 200840-П29 | Болт М14Х1,5-6gХ35.68.016 | 3 | 3 | |
201416-П29 | 201416-П29 | Болт М6-6gх12 | 3 | 3 | |
201416-П29 | 201416-П29 | Болт М6-6gх12 | 2 | 2 | |
НО-0603 | НО-0603 | Винт | 4 | 4 | |
МХ-0139 | МХ-0139 | Винт ленты стяжной | 3 | 3 | |
221513-П29 | 221513-П29 | Винт М3-6gХ30.48.016 | 4 | 2 | |
220081-П29 | 220081-П29 | Винт М5-6gх8 | 3 | 3 | |
220082-П29 | 220082-П29 | Винт М5-6gх20 | 2 | 2 | |
220082-П29 | 220082-П29 | Винт М5-6gх20 | 1 | 1 | |
221589-П29 | 221589-П29 | Винт М5х38 | 3 | 3 | |
НО-0102 | НО-0102 | Винт М6 | 3 | 3 | |
220105-П29 | 220105-П29 | Винт М6-6gх16 | 2 | 2 | |
220105-П29 | 220105-П29 | Винт М6-6gх16 | 2 | 2 | |
2201105-П29 | 2201105-П29 | Винт М6-6gX16.48.016 | 2 | 2 | |
220102-П29 | 220102-П29 | Винт М6х6gх10 | 1 | 1 | |
220102-П29 | 220102-П29 | Винт М6х6gх10 | 2 | 2 | |
220102-П29 | 220102-П29 | Винт М6х6gх10 | 1 | 1 | |
220081-П29 | 220081-П29 | Винт М5-6gх8 | 6 | 6 | |
220078-П29 | 220078-П29 | Винт М5-6gх12 | 12 | 12 | |
220078-П29 | 220078-П29 | Винт М5-6gх12 | 4 | 4 | |
220050-П29 | 220050-П29 | Винт | 2 | 2 | |
220051-П29 | 220051-П29 | Винт М4-6gх10 | 4 | 4 | |
220052-П29 | 220052-П29 | Винт М4-6gх12 | 3 | 3 | |
220053-П29 | 220053-П29 | Винт М4-6gх16 | 12 | 12 | |
220048-П29 | 220048-П29 | Винт М4х6 | 2 | 2 | |
220050-П9 | 220050-П9 | Винт М4-6gХ8.48.016 | 4 | 4 | |
220050-П29 | 220050-П29 | Винт | 4 | 4 | |
220050-П29 | 220050-П29 | Винт | 8 | 8 | |
Х-4237-01 | Х-4237-01 | Винт М5 | 4 | 4 | |
220081-П29 | 220081-П29 | Винт М5-6gх8 | 2 | 2 | |
220077-П29 | 220077-П29 | Винт М5-6gх10 | 2 | 2 | |
220102-П29 | 220102-П29 | Винт М6х6gх10 | 1 | 1 | |
250508-П29 | 250508-П29 | Гайка М6-6Н | 2 | 2 | |
4320-3748097 | 4320-3748097 | Кольцо замка | 2 | 2 | |
4320-3722027 | 4320-3722027 | Кронштейн предохранителя | 1 | 1 | |
377-8109050 | 377-8109050 | Кронштейн в сборе | 1 | 1 | |
ФП134-3717110 | ФП134-3717110 | Крышка в сборе | 1 | 1 | |
Г287-3701060 | Г287-3701060 | Крышка подшипника | 1 | 1 | |
Г2.87-3701300 | Г2.87-3701300 | Крышка со стороны контактных колец в сборе | 1 | 1 | |
Г287-3701400 | Г287-3701400 | Крышка со стороны привода | 1 | 1 | |
4320-3748056 | 4320-3748056 | Крышка ящика передняя в сборе | 1 | 1 | |
А24-21 | А24-21 | Лампа 24В-28 W | 1 | 1 | |
А24-21-2 | А24-21-2 | Лампа 24В-28 W | 4 | 4 | |
А24-21-2 | А24-21-2 | Лампа 24В-28 W | 1 | 1 | |
А24-21-2 | А24-21-2 | Лампа 24В-28 W | 2 | 2 | |
4320-3748126 | 4320-3748126 | Кронштейн передний в сборе | 1 | 1 | |
4320-3717012 | 4320-3717012 | Кронштейн номерного знака в сборе | 1 | ||
4320-3748128 | 4320-3748128 | Кронштейн задний | 1 | 1 | |
Г250-3701205 | Г250-3701205 | Кольцо контактное | 1 | 1 | |
740-3708740 | 740-3708740 | Кольцо уплотнительное | 1 | 1 | |
ФП133-3716100 | ФП133-3716100 | Корпус в сборе | 2 | 2 | |
ПФ133-3712100 | ПФ133-3712100 | Корпус в сборе | 1 | 1 | |
377-8103013 | 377-8103013 | Корпус распределителя | 1 | 1 | |
740-3701774-20 | 740-3701774-20 | Кронштейн | 1 | 1 | |
4320-3741060 | 4320-3741060 | Кронштейн в сборе | 1 | 1 | |
4320-3716019 | 4320-3716019 | Кронштейн заднего фонаря левый | 1 | ||
4420-3716015 | 4420-3716015 | Кронштейн заднего фонаря левый в сборе | 1 | ||
4320-3716018 | 4320-3716018 | Кронштейн заднего фонаря правый | 1 | ||
4420-3716014 | 4420-3716014 | Кронштейн заднего фонаря правый в сборе | 1 | ||
А24-2 | А24-2 | Лампа | 12 | 12 | |
А24-2-Э | А24-2-Э | Лампа 24В-3.0 W | 12 | 12 | |
А24-5 | А24-5 | Лампа автомобильная | 2 | 2 | |
АС130-3719010 | АС130-3719010 | Насадка подфарника | 2 | 2 | |
АС122-3719000 | АС122-3719000 | Насадка фары светомаскировочная с ободком в сборе | 2 | 2 | |
19-3719010 | 19-3719010 | Насадка фонаря заднего хода | 1 | 1 | |
АС131-3719010 | АС131-3719010 | Насадка фонаря освещения номерного знака | 1 | 1 | |
353-3916010 | 353-3916010 | Насос для переливания топлива | 1 | 1 | |
ФП133-3716301 | ФП133-3716301 | Ободок | 2 | 2 | |
ПФ133-3712221 | ПФ133-3712221 | Ободок | 1 | 1 | |
377-8109146 | 377-8109146 | Оболочка троса | 1 | 1 | |
4320-3748084 | 4320-3748084 | Опора салазок левая в сборе | 1 | 1 | |
4320-3748082 | 4320-3748082 | Опора салазок правая в сборе | 1 | 1 | |
ФП134-3717100 | ФП134-3717100 | Основание фонаря в сборе | 1 | 1 | |
ПК2-3714250 | ПК2-3714250 | Насадка плафона | 1 | 1 | |
АС132-3719000 | АС132-3719000 | Насадка заднего фонаря | 2 | 2 | |
АС133-371900 | АС133-371900 | Насадка бокового повторителя | 5 | 5 | |
А24-5 | А24-5 | Лампа автомобильная | 2 | 2 | |
А24-5 | А24-5 | Лампа автомобильная | 2 | 2 | |
А24-5-Э | А24-5-Э | Лампа 24В-7 W | 1 | 1 | |
А24-5 | А24-5 | Лампа автомобильная | 5 | 5 | |
5ДБ-516143-Э | 5ДБ-516143-Э | Лампа ПЛТ-67А | 1 | 1 | |
740-3901569 | 740-3901569 | Ломик для проворота коленчатого вала | 1 | 1 | |
361-9913012 | 361-9913012 | Лопата саперная | 1 | 1 | |
654Э-3901029 | 654Э-3901029 | Лопатка монтажная | 1 | 1 | |
654Э-3901028 | 654Э-3901028 | Лопатка монтажная с воротом в сборе | 1 | 1 | |
375Ю-3901025-01 | 375Ю-3901025-01 | Молоток слесарный с ручкой в сборе | 1 | 1 | |
МЭ-226В | МЭ-226В | МЭ-226В в сборе | |||
М16-3564-00Э | М16-3564-00Э | Отвертка А250Х1,4 | 1 | 1 | |
375-3726032 | 375-3726032 | Прокладка | 2 | 2 | |
1-61008-11 | 1-61008-11 | Гайка М8 | 1 | 1 | |
Г288-3701220 | Г288-3701220 | Катушка возбуждения в сборе | 2 | 2 | |
7811-0007С1Ц15ХР | 7811-0007С1Ц15ХР | Ключ 12Х13 ГОСТ 2839-71 | 1 | 1 | |
740-3901480 | 740-3901480 | Ключ 13Х17 | 1 | 1 | |
7811-0256С1Ц15ХР | 7811-0256С1Ц15ХР | Ключ 14 ГОСТ 16983-71 | 1 | 1 | |
7811-0023С1Ц15ХР | 7811-0023С1Ц15ХР | Ключ 17Х19 ГОСТ 2839-71 | 1 | 1 | |
7811-0289С1Ц15ХР | 7811-0289С1Ц15ХР | Ключ 17Х19 ГОСТ 2906-71 | 1 | 1 | |
740-3901482 | 740-3901482 | Ключ 19Х22 | 1 | 1 | |
7811-0025С1Ц15ХР | 7811-0025С1Ц15ХР | Ключ 22Х24 ГОСТ 2839-71 | 1 | 1 | |
7811-0041С1Ц15ХР | 7811-0041С1Ц15ХР | Ключ 27Х30 ГОСТ 2839-71 | 1 | 1 | |
7811-0003С1Ц15ХР | 7811-0003С1Ц15ХР | Ключ 8х10 ГОСТ 2839-71 | 1 | 1 | |
375Ю-3901118 | 375Ю-3901118 | Ключ гаечный торцовый для колес 27х38 | 1 | 1 | |
375С-3723105 | 375С-3723105 | Кабель соединительный в сборе | 1 | ||
2810-0199Ц15ХР | 2810-0199Ц15ХР | Зубило ГОСТ 7211-72 | 1 | 1 | |
377-8103018 | 377-8103018 | Заслонка | 2 | 2 | |
250510-П29 | 250510-П29 | Гайка М8-6Н | 2 | 2 | |
250510-П29 | 250510-П29 | Гайка М8-6Н | 6 | ||
250510-П29 | 250510-П29 | Гайка М8-6Н | 4 | ||
250510-П29 | 250510-П29 | Гайка М8-6Н | 2 | 2 | |
250458-П29 | 250458-П29 | Гайка М3 | 4 | 2 | |
375Ю-3901047 | 375Ю-3901047 | Головка ключа 46 | 1 | 1 | |
375-3521012 | 375-3521012 | Головка соединительная со штуцером | 1 | 1 | |
740-3901050 | 740-3901050 | Головка торцового ключа | 1 | 1 | |
4320-8102039 | 4320-8102039 | Диск электродвигателя | 1 | 1 | |
Д3-3913010 | Д3-3913010 | Домкрат гидравлический 5т в сборе | 1 | 1 | |
255025-П29 | 255025-П29 | Заклепка 3х7.01.016 | 8 | 8 | |
375Ю-3901052-01 | 375Ю-3901052-01 | Ключ гайки амортизатора в сборе | 1 | 1 | |
375Ю-3901035 | 375Ю-3901035 | Ключ для прокачки гидротормозов в сборе | 1 | 1 | |
740-3901192 | 740-3901192 | Ключ кольцевой 22Х24 | 1 | 1 | |
Колодка | Колодка | Колодка восьмиклеммовая для наружных штекеров | 1 | 1 | |
Колодка | Колодка | Колодка восьмиклеммовая для наружных штекеров | 1 | 1 | |
Колодка | Колодка | Колодка восьмиклеммовая для наружных штекеров | 2 | 2 | |
Колодка | Колодка | Колодка восьмиклеммовая для наружных штекеров | 4 | 4 | |
Колодка | Колодка | Колодка восьмиклеммовая для наружных штекеров | 1 | 1 | |
Колодка | Колодка | Колодка восьмиклеммовая для наружных штекеров | 3 | 3 | |
Колодка | Колодка | Колодка восьмиклеммовая для наружных штекеров | 2 | 2 | |
Колодка | Колодка | Колодка восьмиклеммовая для наружных штекеров | 1 | 1 | |
Колодка | Колодка | Колодка восьмиклеммовая для наружных штекеров | 1 | 1 | |
4320-3710070 | 4320-3710070 | Колпачок защитный | 1 | 1 | |
4320-3710070 | 4320-3710070 | Колпачок защитный | 2 | 2 | |
4320-3723051 | 4320-3723051 | Колпачок защитный | 2 | 2 | |
Колодка | Колодка | Колодка восьмиклеммовая для наружных штекеров | 1 | 1 | |
Колодка | Колодка | Колодка восьмиклеммовая для наружных штекеров | 1 | 1 | |
ГОСТ 7275-75 | ГОСТ 7275-75 | Ключ разводной 30 | 1 | 1 | |
740-3901510 | 740-3901510 | Ключ торцовый 10 | 1 | 1 | |
375-3901124-Б | 375-3901124-Б | Ключ торцовый 140 | 1 | 1 | |
4320-3901077 | 4320-3901077 | Ключ торцовый 36 | 1 | 1 | |
ИП-3901143-Э | ИП-3901143-Э | Ключ торцовый 55 | 1 | 1 | |
4320-3901074 | 4320-3901074 | Ключ торцовый 6х8 | 1 | 1 | |
375Ю-3901095 | 375Ю-3901095 | Ключ торцовый S=12 в сборе | 1 | 1 | |
375Ю-3801117 | 375Ю-3801117 | Ключ торцовый для гаек стремянок рессор 30Х32 | 1 | 1 | |
353-3709015 | 353-3709015 | Козырек защитный | 1 | 1 | |
Колодка | Колодка | Колодка восьмиклеммовая для наружных штекеров | 2 | 2 | |
Колодка | Колодка | Колодка восьмиклеммовая для наружных штекеров | 2 | 2 | |
Колодка | Колодка | Колодка восьмиклеммовая для наружных штекеров | 1 | 1 | |
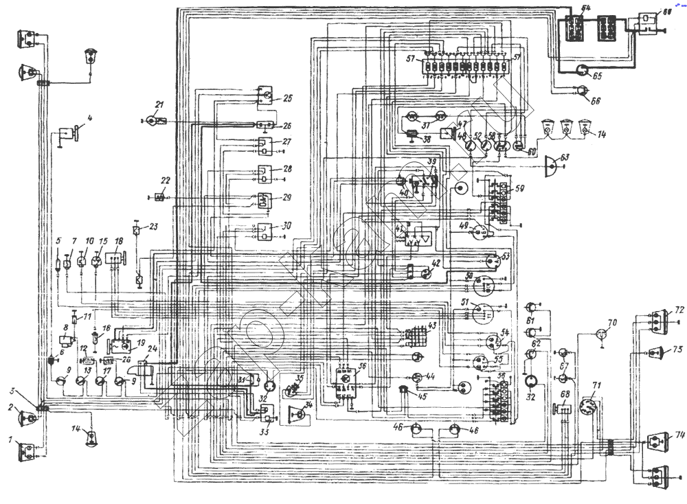
1 | ПФ133-3712010-БЭ | Фонарь передний в сборе | 2 | 2 | |
2 | ФГ122-3711000-НЭ | Фара ФГ122-НЭ в сборе | 2 | 2 | |
3 | ПС5-3723000-Э | Панель соединительная пятиклеммовая в сборе | 4 | 4 | |
4 | МЭ252-3730000 | Электродвигатель подогревателя | 1 | 1 | |
5 | ТМ100А-3808000-Э | Датчик указателя температуры воды | 1 | 1 | |
6 | 375Д-3733018 | Конденсатор электродвигателя отопителя типа КБПС | 1 | 1 | |
7 | 5320-3814010 | Индикатор засоренности воздушного фильтра | 1 | 1 | |
8 | ТК107-3734000 | Источник высокого напряжения | 1 | 1 | |
9 | ВК57-3710000-Э | Включатель ВК57 | 2 | 2 | |
10 | ММ111-3810600-Б-Э | Датчик аварийного давления масла | 1 | 1 | |
11 | СН423-3707000 | Свеча подогревателя | 1 | 1 | |
12 | ЭН22-3741010 | Электронагреватель | 1 | 1 | |
13 | ВН-45МЭ | Включатель | 2 | 2 | |
14 | УП101-3726000-Б-Э | Повторитель указателя поворота боковой | 5 | 5 | |
15 | ММ370-3829010 | Датчик давления масла | 1 | 1 | |
16 | ТМ111А-3808000 | Датчик сигнализатора температуры | 1 | 1 | |
17 | ВН-45МЭ | Включатель | 2 | 2 | |
18 | МЭ307-3730010 | Датчик спидометра электрический | 1 | 1 | |
19 | Г288-3701000 | Генератор типа Г288 в сборе | 1 | 1 | |
20 | ПЖД30-1015500-04 | Клапан электромагнитный с форсункой и электронагревателем в сборе | 1 | 1 | |
21 | ПД308А-3715300-Э | Фонарь освещения под капотом | 1 | 1 | |
22 | 11-3741000 | Клапан магнитный | 1 | 1 | |
23 | 11-3740000 | Свеча штифтовая запальная | 2 | 2 | |
24 | СТ142-3708000 | Стартер типа СТ-142 в сборе | 1 | 1 | |
25 | 11-3702000 | Регулятор напряжения в сборе | 1 | 1 | |
26 | ФР132-7904000 | Фильтр конденсаторный | 1 | 1 | |
27 | 11-3747010 | Реле отключения регулятора напряжения | 1 | 1 | |
28 | 11-3747010 | Реле отключения регулятора напряжения | 1 | 1 | |
29 | 12-3741000 | Сопротивление с биметаллическим контактом | 1 | 1 | |
30 | 11-3747010 | Реле отключения регулятора напряжения | 1 | 1 | |
31 | ПР3-3722000 | Предохранитель термобиметаллический на 30А | 1 | 1 | |
32 | 6ТБ.266.002-Э | Розетка 47К | 2 | 1 | |
33 | РС530-3721000-Э | Реле стартера | 1 | 1 | |
34 | ФГ16-3711000-ВЭ | Фара поворотная ФГ168В в сборе | 1 | 2 | |
35 | П53-3709000 | Переключатель ножной типа П53 в сборе | 1 | 1 | |
36 | РС951-3726010-У-ХЛ | Прерыватель указателей поворота | 1 | 1 | |
37 | СЭ300-8102100-Э | Сопротивление СЭ300 добавочное | 1 | 1 | |
38 | 375Д-3733018 | Конденсатор электродвигателя отопителя типа КБПС | 1 | 1 | |
39 | ВК422-3709000-01-Э | Включатель аварийной сигнализации | 1 | 1 | |
40 | 11-3704000 | Включатель кнопочный | 2 | 2 | |
41 | П305-3709000 | Переключатель света на три положения П305 | 1 | 1 | |
42 | П110-3709000-А-Э | Переключатель указателей поворота П110-А | 1 | 1 | |
43 | ВК353-3704000 | Включатель стартера и приборов | 1 | 1 | |
44 | ВК416-3709000-Б | Включатель света с реостатом в сборе | 1 | 1 | |
45 | РС531-3721000-Э | Сигнализатор звуковой (зуммер) | 1 | 1 | |
46 | ВК12-3720000-БЭ | Выключатель гидравлический сигнала "Стоп" в сборе | 2 | 2 | |
47 | 4320-8102080 | Электродвигатель с ротором в сборе | 1 | 1 | |
48 | ВК343-3709000-01.08 | Выключатель плафона | 1 | 1 | |
49 | УБ170-3806010-Э | Приемник указателя уровня топлива | 1 | 1 | |
50 | 12-3802010-50 | Указатель спидометра электрический | 1 | 1 | |
51 | 121-3813010-50 | Указатель электрического тахометра | 1 | 1 | |
52 | ВК343-3709000-01.06 | Выключатель поворотных фар | 1 | 1 | |
53 | АП171-3811010-Э | Амперметр | 1 | 1 | |
54 | УК170-3810010-Э | Приемник указателя давления масла | 1 | 1 | |
55 | УК171-3807010-Э | Приемник указателя температуры | 1 | 1 | |
56 | ПД511-3803010-Э | Блок контрольных ламп в сборе | 1 | 1 | |
57 | ПР120-3722000 | Блок предохранителей | 2 | 2 | |
58 | ВК343-3709000-02.06 | Выключатель знака автопоезда | 1 | 1 | |
59 | ПД512-3803010-Э | Блок контрольных ламп в сборе | 1 | 1 | |
60 | П147-3709000-03.11 | Переключатель отопителя кабины | 1 | 1 | |
61 | ВК503-3710110-Э | Включатель сигнализации в сборе | 2 | 2 | |
62 | ВК322-3710000-Э | Включатель ВК-322 | 1 | 1 | |
63 | ПК201-3714010-Д | Плафон ПК201-Д в сборе | 1 | 1 | |
64 | ФЯ3-552-075 | Аккумуляторная батарея 6СТ-190ТР в сборе | 2 | 2 | |
65 | ПС315-3723100 | Розетка внешнего запуска (позиция 33) | 1 | 1 | |
66 | ВК403-3716000-Э | Включатель света заднего хода | 1 | ||
67 | ММ124-3810600-Б-Э | Датчик давления воздуха | 2 | 2 | |
68 | МЭ307-3730010-Э | Датчик спидометра | 1 | 1 | |
69 | ВК860-3737000 | Выключатель "массы" с дистанционным управлением в сборе | 1 | 1 | |
70 | БМ151-3806600А-Э | Датчик указателя уровня топлива в сборе | 1 | 1 | |
71 | ПС300-3723100-А | Розетка штепсельная типа ПС300 в сборе | 1 | 1 | |
72 | ФП133-3716010-Б-Э | Фонарь задний в сборе | 2 | 2 | |
73 | ФП135-3716010-Б | Фонарь заднего хода | 1 | ||
74 | ФП134-3717010-Б-Э | Фонарь освещения номерного знака | 1 | 1 |
Содержащиеся в справочниках-каталогах запасные части и детали не предлагаются к продаже, а носят исключительно информационный характер