ЗапКам
zap-kam16@yandex.ru
(900) 323-41-41
Вход / Регистрация отключена
Вход
Избранное
0
по запросу
Каталог
Все товары и категории
Запчасти КАМАЗ
Двигатель
Двигатели в сборе
Евро-0
КамАЗ-4310
Урал-4320
КамАЗ-4350
Евро-1
КамАЗ-43114
Евро-2
КамАЗ-43118
КамАЗ-65115
КамАЗ-6520
Евро-3
Евро-4
Евро-5
Газовые
Блоки цилиндров
Блоки цилиндров Евро-0 КамАЗ
Блоки цилиндров Евро-1 КамАЗ
Блоки цилиндров Евро-2 КамАЗ
Блоки цилиндров Евро-3 КамАЗ
Блоки цилиндров Евро-4,5 КамАЗ Common Rail
Сборочные комплекты (лонг-, шорт-блоки)
Блоки управления
Валы коленчатые
Коленвалы Евро-0 КамАЗ
Коленвалы Евро-1 КамАЗ
Коленвалы Евро-2 КамАЗ
Коленвалы Евро-3 КамАЗ
Коленвалы Евро-4,5 КамАЗ Common Rail
Вкладыши коренные
Евро-3,4,5
Евро-0,1,2
Вкладыши шатунные
Евро-3,4,5
Евро-0,1,2
Валы распредительные
ЦПГ – поршневая
Поршневая Евро-4,-5 (740.602)
Поршневая Евро-2,-3 (740.60)
Поршневая Евро-1,-2 (740.30)
Поршневая Евро-0,1 (740)
Кольца поршневые
ТНВД
Евро-4-5 Common Rail
Евро-3
Евро-2
Евро-1
Евро-0
Система питания
Форсунки топливные
Распылители форсунок
Топливозаборники
ГБЦ
Евро-3,4,5 Common Rail
Евро-1,2,3
Евро-0
Газ
Турбокомпрессоры
ТРК Евро-4,5 (однотурбовые)
Евро-4
Евро-3
Евро-2
Евро-1
Насос водяной
Насос масляный
Маховики
Коробка передач
КПП в сборе
Валы
Валы вторичные
Валы первичные
Валы промежуточные
Шестерни
Синхронизаторы
Делители в сборе
Коробка раздаточная
РК в сборе
РК 6522
Дифференциалы
Валы
Валы первичные
Валы промежуточные
Вилки
Шестерни
Механизмы переключения
Трансмиссия
Мосты
Редукторы в сборе
Заднего моста
Переднего моста
Среднего моста
Зубьев
31, 35
50
49
48
47
46
КамАЗ
4310
43114
43118
4326
5320
53205
65115
43253
53229
6520
6522
4308
65111
65116
65117
55102
55111
53212
53215
54115
5410
5511
Мосты в сборе
Передние
Средние
Задние
6520, 6522 (20т)
65115 (15т)
65111 (15т)
43118 (10т)
43114 / 4310 (8т)
53205 Евро (10т)
5320 (8т)
5511 (10т)
МОД
Мадара
Подвеска в сборе
Ось передняя
Ось в сборе
Ходовая часть
Подвеска (тележка) в сборе
Колеса и шины
Рама
Рессоры
Лебедка
Механизмы управления
Отопление и вентиляция
Система выпуска
Сцепление
Тормоза
Кабина
Управление рулевое
Электрооборудование
Автомобили
КАМАЗ 5490
Двигатель 457
Двигатели в сборе
Сцепление
Кабина
Кузов
Мосты
Рама
Система выпуска
Тормоза
Управление рулевое
Ходовая часть
КАМАЗ К5
Двигатели WeiChai
Двигатели в сборе
Двигатели Р6
Двигатели 910 Р6 в сборе
Кабина
Сцепление
Тормоза
Управление рулевое
Электрооборудование
ZF
КПП ZF в сборе
16S EcoSplit
КПП 16s 1820 TO
КПП 16S 2220
9S Ecomid
12AS Astronic
12TX Traxon
Запчасти 12tx Traxon
Cummins
Двигатели в сборе
Блоки цилиндров
Коленвалы
Головки блока
Генератор
Китайские грузовики
Shaanxi HanDe
Fast Gear
Sitrak
Weichai
FAW
Laizhou Tongji
Европейские грузовики
Mercedes
Электрооборудование
Блоки управления
Блоки управления ADM
Блоки управления CPC4
Блоки управления двигателем
Блоки управления электрооборудованием
Датчики
Стартеры
Карданная передача
Карданы КамАЗ
Коробки отбора мощности
Прицепная техника
ССУ (Седла)
Ремонт
Ремонт двигателей
Ремонт КПП Камаз и ZF
Ремонт раздаток и редукторов
Ремонт кабин
Услуги
Комплектация заявок
Скупка запчастей и агрегатов
Контакты
Отправить заявку
Каталоги запчастей к технике
Грузовые
Foton
Foton-BJ1039
Устройство подъемное запасного колеса
Поиск
Устройство подъемное запасного колеса
/ Foton-BJ1039
zoom-in
zoom-out
enlarge
shrink
circle-right
circle-left
file-text2
info
cart
Тип техники
Не выбрано
Грузовые
Двигатели
Марка
Не выбрано
DAF
DongFeng
FAW
Foton
HOWO
IVECO
JAC Motors
MAN
Shaanxi
SITRAK
Volvo
Автокомпонент Плюс
ЗИЛ
КАЗ
КамАЗ
Мадара
НефАЗ
СЗАП
Тонар
УралАЗ
Модель
Не выбрано
3253DLPJE-0RZA01 (2015)
4189SLFKA-AEZA01 (2012)
BJ1039, BJ1049 (Aumark III) (2008)
BJ1041, BJ1069 (Ollin) (2008)
BJ1051, BJ1061 (Aumark) (2009)
Foton-BJ1039 (2007)
Foton-BJ1049 (2007)
Foton-BJ1049 (2007)
Foton-BJ1069 (2007)
Foton-BJ1099 (2007)
Foton-BJ3251DLPJB (2007)
Оllin Express I (2008)
Схема
>
Не выбрано
Механизм опрокидывания и фиксации кабины
Механизм опрокидывания и фиксации кабины
Ветровое окно, задняя панель и аксессуары крыши
Аксессуары передней панели, бампер
Стеклоочиститель и омыватель
Пол кабины
Пол кабины
Панели пола
Панель приборов
Панель передняя
Боковая панель
Аксессуары боковой панели
Панель задняя
Крыша
Дверь
Стеклоподъемник
Дверной замок
Аксессуары передней боковой двери
Сиденья
Система отопления
Система отопления
Зеркало заднего вида и солнцезащитный козырек
Ремень безопасности, огнетушитель
Таблички фирменные
Брызговик
Подножка
Платформа
Принадлежности платформы
Подвеска силового агрегата
Кожух двигателя
Подвеска двигателя
Прокладки двигателя
Поршень, гильза
Коленвал, поршень, шатун, маховик
Коленвал, поршень, шатун, маховик
Головка блока цилиндров
Блок цилиндров
Распределительный вал
Картер распределительных шестерен
Масляный картер, масляный насос
Масляный фильтр
Система впуска и выпуска
Система выпуска газов
Привод акселератора
Топливная система
Топливный насос и топливопроводы
Форсунки
Турбокомпрессор
Клапан EGR
Выхлопная система
Система охлаждения
Система охлаждения
Сцепление
Механизм управления сцеплением
Установка механизма управления переключением передач
Установка механизма управления переключением передач
Вал первичный коробки передач
Вал вторичный коробки передач
Крышка коробки и механизм переключения передачи
Картер коробки передач
Промежуточный вал и вал заднего хода
Вал карданный
Мост задний 1103924000043
Мост задний 1103924000043
Мост задний 1103924000022
Главная передача
Мост задний 1103924000048
Главная передача
Мост задний 1103924000047
Главная передача
Рама
Подвеска передняя
Подвеска задняя
Ось передняя
Ось передняя
Ось передняя
Колесо и шина
Устройство подъемное запасного колеса
Управление рулевое
Гидроусилитель рулевого управления 1S10393400104, 1S10393400105
Гидроусилитель рулевого управления 1S10393400115
Педали тормоза и сцепления
Вакуумный усилитель тормозов
Вакуумный усилитель тормозов
Трубопроводы тормозной системы
Трубопроводы тормозной системы
Трубопроводы тормозной системы
Трубопроводы тормозной системы
Тормоза передние
Тормоза задние
Тормоза задние
Тормоза задние
Тормоза задние
Стояночный тормоз
Установка аккумулятора
Установка аккумулятора
Генератор и стартер
Система освещения
Переключатели АоЛин
Выключатель. Электрические аксессуары. Реле
Жгут проводов кабины
Жгут проводов шасси
Комбинация приборов и датчик топлива
Акустическая система
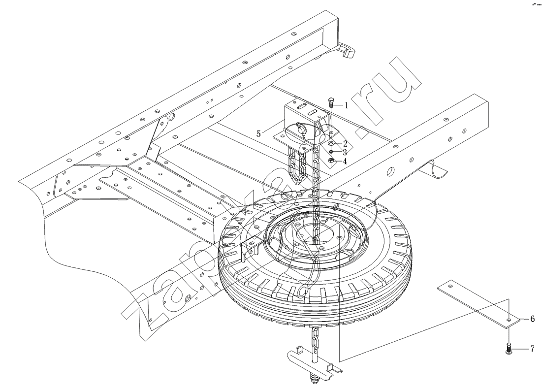
1
2
3
4
5
6
7
Поз.
Артикул
Название детали
Модель A
Модель B
1S10293150101
1S10293150101
Установка запасного колеса
1
1
1
Q150В0820
Болт с шестигранной головкой
4
4
2
Q40108
Плоская шайба
4
4
3
Q40308
Шайба пружинная
4
4
4
Q340В08
Гайка шестигранная тип 1
4
4
5
1102931500002
Механизм подъема запасного колеса
1
1
6
1102931500004
Резиновая пластина
2
2
7
1В15551200026
Пластмассовая кнопка
4
4
Содержащиеся в справочниках-каталогах запасные части и детали не предлагаются к продаже, а носят исключительно информационный характер
Дополнительная информация
×
Название:
Номер:
Примечание:
Войти
Имя пользователя
Пароль
Забыли пароль?
Запомнить меня
Войти
Поиск товаров
Поиск товаров
Корзина покупок