Гидроусилитель рулевого управления
/ Foton-BJ1049

1
2
2
2
2
2
2
2
2
3
3
3
3
3
3
3
3
4
5
6
7
8
8
9
9
9
10
11
12
13
14
15
16
17
18
19
19
20
20
21
22
22
22
23
24
25
26
27
28
28
29
30
31
32
33
33
34
35
36
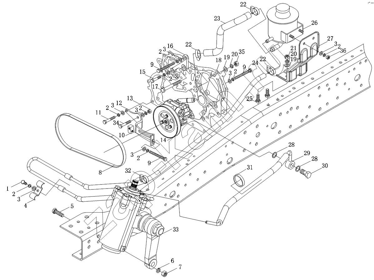
Поз. | Артикул | Название детали | Модель A | Модель B | Модель C | Модель D | Модель E | Модель F | |
---|---|---|---|---|---|---|---|---|---|
1S10493400116 | 1S10493400116 | Рулевой механизм | 1 | 1 | 1 | ||||
1S10493400106 | 1S10493400106 | Рулевой механизм | 1 | 1 | 1 | ||||
1S10493400105 | 1S10493400105 | Рулевой механизм | 1 | 1 | |||||
1 | Q150В0820 | Болт с шестигранной головкой | 3 | 3 | 3 | 3 | 3 | 3 | |
2 | Q40308 | Шайба пружинная | 11 | 11 | 11 | 11 | 11 | 11 | |
3 | Q40108 | Плоская шайба | 11 | 11 | 11 | 11 | 11 | 11 | |
4 | 1102734000009 | Скоба | 1 | 1 | 1 | 1 | 1 | 1 | |
5 | Q150В1240 | Болт, шайба пружинная, шайба плоская | 4 | 4 | 4 | 4 | 4 | 4 | |
6 | Q40312 | Шайба пружинная | 4 | 4 | 4 | 4 | 4 | 4 | |
7 | Q340В12 | Гайка шестигранная тип 1 | 4 | 4 | 4 | 4 | 4 | 4 | |
8 | 1104934000037 | Ремень | 1 | 1 | 1 | ||||
8 | NV1АV13*875Р | Ремень | 1 | 1 | 1 | ||||
9 | Q150В0880Q | Болт с шестигранной головкой | 5 | 5 | 5 | 5 | 5 | 5 | |
10 | 1104934000019 | Крепежная гайка | 1 | 1 | 1 | 1 | 1 | 1 | |
11 | Q150В0850 | Болт с шестигранной головкой | 1 | 1 | 1 | 1 | 1 | 1 | |
12 | 1104934000018 | Регулировочная рама | 1 | 1 | 1 | 1 | 1 | 1 | |
13 | Q340В08Т13F2 | Гайка шестигранная тип 1 | 1 | 1 | 1 | 1 | 1 | 1 | |
14 | 1104934000014 | Насос гидроусилителя рулевого управления в сборе | 1 | 1 | 1 | 1 | 1 | 1 | |
15 | Q150В0840 | Болт с шестигранной головкой | 1 | 1 | 1 | 1 | 1 | 1 | |
16 | 1104934000021 | Усиленный кронштейн | 1 | 1 | 1 | 1 | 1 | 1 | |
17 | Q150В1090ТF2 | Болт | 1 | 1 | 1 | 1 | 1 | 1 | |
18 | 1104934000020 | Кронштейн насоса гидроусилителя рулевого управления | 1 | 1 | 1 | 1 | 1 | 1 | |
19 | Q40110 | Плоская шайба | 3 | 3 | 3 | 3 | 3 | 3 | |
20 | Q40310 | Шайба пружинная | 3 | 3 | 3 | 3 | 3 | 3 | |
21 | Q340В10 | Гайка шестигранная тип 1 | 2 | 2 | 2 | 2 | 2 | 2 | |
22 | Q67627 | Хомут червячный | 3 | 2 | 3 | 2 | 3 | 2 | |
23 | 1104934000129 | Впускная труба масляного насоса | 1 | 1 | 1 | 1 | 1 | 1 | |
24 | 1104934000128 | Трубопровод низкого давления | 1 | 1 | 1 | 1 | 1 | 1 | |
25 | Q150В1025 | Болт с шестигранной головкой | 2 | 2 | 2 | 2 | 2 | 2 | |
26 | 1104934000124 | Бачок гидроусилителя рулевого управления в сборе | 1 | 1 | 1 | 1 | 1 | 1 | |
27 | 1104334000014 | Кронштейн бачка гидроусилителя рулевого управления в сборе | 1 | 1 | 1 | 1 | 1 | 1 | |
28 | 1105934000026 | Шайба | 2 | 2 | 2 | 2 | 2 | 2 | |
29 | 1104934000012 | Маслопровод высокого давления | 1 | 1 | 1 | 1 | 1 | 1 | |
30 | 1102734000019 | Пустотелый болт | 1 | 1 | 1 | 1 | 1 | 1 | |
31 | Q67407200 | Хомут стяжной | 2 | 2 | 2 | 2 | 2 | 2 | |
32 | Q67522 | Хомут стяжной | 1 | 1 | 1 | ||||
33 | 1104934000110 | Рулевой механизм с рычагом | 1 | 1 | |||||
33 | 1104934000220 | Механизм рулевой с рычагом | 1 | 1 | 1 | 1 | 1 | 1 | |
34 | Q150В0850ТF2 | Болт с шестигранной головкой | 1 | 1 | 1 | 1 | 1 | 1 | |
35 | Q340В10Т13F2 | Гайка шестигранная тип 1 | 1 | 1 | 1 | 1 | 1 | 1 | |
36 | Q340В08 | Гайка шестигранная тип 1 | 2 | 2 | 2 | 2 | 2 | 2 |
Содержащиеся в справочниках-каталогах запасные части и детали не предлагаются к продаже, а носят исключительно информационный характер