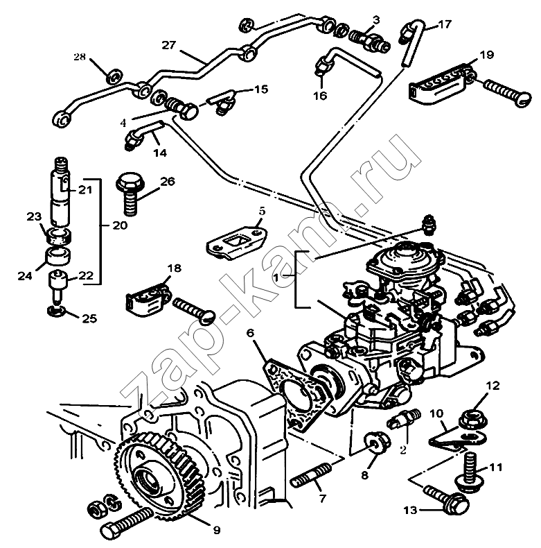
Насос топливный
/ Foton-BJ1099

1
2
3
4
5
6
7
8
9
10
11
12
13
14
15
16
17
18
19
20
21
22
23
24
25
26
27
28
Поз. | Артикул | Название детали | Foton-BJ1099 | |
---|---|---|---|---|
Т4184Е042 | Т4184Е042 | Труба | 1 | |
1 | Т2643Н076 | Топливный насос | 1 | |
2 | Т2848А121 | Датчик температуры | 1 | |
3 | Т3355V002 | Болт | 1 | |
4 | Т3218R005 | Болт | 3 | |
5 | Т3662К002 | Нажимная пластина | 4 | |
6 | Т3682А008 | Уплотнительная прокладка | 1 | |
7 | Т2313М059 | Шпилька | 3 | |
8 | Т2318А603 | Гайка | 3 | |
9 | Т3117L141 | Шестерня | 1 | |
10 | Т3645Е008 | Кронштейн | 1 | |
11 | Т2314Н003 | Болт | 1 | |
12 | Т2318А603 | Гайка | 1 | |
13 | Т2314J002 | Болт | 1 | |
14 | [Топливопровод высокого давления первого цилиндра] | Топливопровод высокого давления первого цилиндра | 1 | |
15 | [Топливопровод высокого давления второго цилиндра] | Топливопровод высокого давления второго цилиндра | 1 | |
16 | [Топливопровод высокого давления третьего цилиндра] | Топливопровод высокого давления третьего цилиндра | 1 | |
17 | [Топливопровод высокого давления четвертого цилиндра] | Топливопровод высокого давления четвертого цилиндра | 1 | |
18 | [Держатель трубопровода] | Держатель трубопровода | 1 | |
19 | [Держатель трубопровода] | Держатель трубопровода | 1 | |
20 | Т73301005 | Форсунка | 4 | |
21 | [Корпус форсунки] | Корпус форсунки | 1 | |
22 | [Распылитель] | Распылитель | 1 | |
23 | Т33813129 | Шайба | 4 | |
24 | Т33813131 | Прокладка | 4 | |
25 | Т0921173 | Прокладка | 4 | |
26 | Т2314Н006 | Болт | 8 | |
27 | Т3558Х043 | Трубка масляная | 1 | |
28 | Т2411101 | Шайба | 8 |
Содержащиеся в справочниках-каталогах запасные части и детали не предлагаются к продаже, а носят исключительно информационный характер