ЗапКам
zap-kam16@yandex.ru
(900) 323-41-41
Вход / Регистрация отключена
Вход
Избранное
0
по запросу
Каталог
Все товары и категории
Запчасти КАМАЗ
Двигатель
Двигатели в сборе
Евро-0
КамАЗ-4310
Урал-4320
КамАЗ-4350
Евро-1
КамАЗ-43114
Евро-2
КамАЗ-43118
КамАЗ-65115
КамАЗ-6520
Евро-3
Евро-4
Евро-5
Газовые
Блоки цилиндров
Блоки цилиндров Евро-0 КамАЗ
Блоки цилиндров Евро-1 КамАЗ
Блоки цилиндров Евро-2 КамАЗ
Блоки цилиндров Евро-3 КамАЗ
Блоки цилиндров Евро-4,5 КамАЗ Common Rail
Сборочные комплекты (лонг-, шорт-блоки)
Блоки управления
Валы коленчатые
Коленвалы Евро-0 КамАЗ
Коленвалы Евро-1 КамАЗ
Коленвалы Евро-2 КамАЗ
Коленвалы Евро-3 КамАЗ
Коленвалы Евро-4,5 КамАЗ Common Rail
Вкладыши коренные
Евро-3,4,5
Евро-0,1,2
Вкладыши шатунные
Евро-3,4,5
Евро-0,1,2
Валы распредительные
ЦПГ – поршневая
Поршневая Евро-4,-5 (740.602)
Поршневая Евро-2,-3 (740.60)
Поршневая Евро-1,-2 (740.30)
Поршневая Евро-0,1 (740)
Кольца поршневые
ТНВД
Евро-4-5 Common Rail
Евро-3
Евро-2
Евро-1
Евро-0
Система питания
Форсунки топливные
Распылители форсунок
Топливозаборники
ГБЦ
Евро-3,4,5 Common Rail
Евро-1,2,3
Евро-0
Газ
Турбокомпрессоры
ТРК Евро-4,5 (однотурбовые)
Евро-4
Евро-3
Евро-2
Евро-1
Насос водяной
Насос масляный
Маховики
Коробка передач
КПП в сборе
Валы
Валы вторичные
Валы первичные
Валы промежуточные
Шестерни
Синхронизаторы
Делители в сборе
Коробка раздаточная
РК в сборе
РК 6522
Дифференциалы
Валы
Валы первичные
Валы промежуточные
Вилки
Шестерни
Механизмы переключения
Трансмиссия
Мосты
Редукторы в сборе
Заднего моста
Переднего моста
Среднего моста
Зубьев
31, 35
50
49
48
47
46
КамАЗ
4310
43114
43118
4326
5320
53205
65115
43253
53229
6520
6522
4308
65111
65116
65117
55102
55111
53212
53215
54115
5410
5511
Мосты в сборе
Передние
Средние
Задние
6520, 6522 (20т)
65115 (15т)
65111 (15т)
43118 (10т)
43114 / 4310 (8т)
53205 Евро (10т)
5320 (8т)
5511 (10т)
МОД
Мадара
Подвеска в сборе
Ось передняя
Ось в сборе
Ходовая часть
Подвеска (тележка) в сборе
Колеса и шины
Рама
Рессоры
Лебедка
Механизмы управления
Отопление и вентиляция
Система выпуска
Сцепление
Тормоза
Кабина
Управление рулевое
Электрооборудование
Автомобили
КАМАЗ 5490
Двигатель 457
Двигатели в сборе
Сцепление
Кабина
Кузов
Мосты
Рама
Система выпуска
Тормоза
Управление рулевое
Ходовая часть
КАМАЗ К5
Двигатели WeiChai
Двигатели в сборе
Двигатели Р6
Двигатели 910 Р6 в сборе
Кабина
Сцепление
Тормоза
Управление рулевое
Электрооборудование
ZF
КПП ZF в сборе
16S EcoSplit
КПП 16s 1820 TO
КПП 16S 2220
9S Ecomid
12AS Astronic
12TX Traxon
Запчасти 12tx Traxon
Cummins
Двигатели в сборе
Блоки цилиндров
Коленвалы
Головки блока
Генератор
Китайские грузовики
Shaanxi HanDe
Fast Gear
Sitrak
Weichai
FAW
Laizhou Tongji
Европейские грузовики
Mercedes
Электрооборудование
Блоки управления
Блоки управления ADM
Блоки управления CPC4
Блоки управления двигателем
Блоки управления электрооборудованием
Датчики
Стартеры
Карданная передача
Карданы КамАЗ
Коробки отбора мощности
Прицепная техника
ССУ (Седла)
Ремонт
Ремонт двигателей
Ремонт КПП Камаз и ZF
Ремонт раздаток и редукторов
Ремонт кабин
Услуги
Комплектация заявок
Скупка запчастей и агрегатов
Контакты
Отправить заявку
Каталоги запчастей к технике
Грузовые
Foton
Оllin Express I
1S10591620106 Установка механизма управления сцеплением
Поиск
1S10591620106 Установка механизма управления сцеплением
/ Foton Оllin Express I
zoom-in
zoom-out
enlarge
shrink
circle-right
circle-left
file-text2
info
cart
Тип техники
Не выбрано
Грузовые
Двигатели
Марка
Не выбрано
DAF
DongFeng
FAW
Foton
HOWO
IVECO
JAC Motors
MAN
Shaanxi
SITRAK
Volvo
Автокомпонент Плюс
ЗИЛ
КАЗ
КамАЗ
Мадара
НефАЗ
СЗАП
Тонар
УралАЗ
Модель
Не выбрано
3253DLPJE-0RZA01 (2015)
4189SLFKA-AEZA01 (2012)
BJ1039, BJ1049 (Aumark III) (2008)
BJ1041, BJ1069 (Ollin) (2008)
BJ1051, BJ1061 (Aumark) (2009)
Foton-BJ1039 (2007)
Foton-BJ1049 (2007)
Foton-BJ1049 (2007)
Foton-BJ1069 (2007)
Foton-BJ1099 (2007)
Foton-BJ3251DLPJB (2007)
Оllin Express I (2008)
Схема
>
Не выбрано
1SB2005000101 Корпус кузова (сварочный комплект боковой панели, монтажный кронштейн в сборе для каркаса приборной доски)
1SB2005000101 Корпус кузова (сварочный комплект для задней панели)
1SB2005000101 Корпус кузова (сварочный комплект верхней траверсы для переднего ветрового окна и верхней крышки)
1SB2005000101 Корпус кузова (сварочный комплект пола)
1SB2005000101 Корпус кузова (шарнир передней двери, монтажный комплект досок передней двери)
1SB2005000101 Корпус кузова (боковая доска передней панели, монтажный комплект отделочной доски под головной лампой-фарой)
1SB2005000101 Корпус кузова (сварочный комплект передней панели)
1SB2005000101 Корпус кузова (поддержанный кожух и капот двигателя в сборе)
1SB2005000102 Корпус кузова(сварочный комплект боковой панели и монтажный держатель каркаса приборной доски)
1SB2005000102 Корпус кузова (сварочный комплект задней панели)
1SB2005000102 Корпус кузова (сварочный комплект из верхней траверсы переднего ветрового окна и верхней крышки, центральная траверса верхней крышки для модели с полутора рядов в сборе)
1SB2005000102 Корпус кузова (сварочный комплект пола для модели с полутора рядов)
1SB2005000102 Корпус кузова (монтажный комплект из шарнира передней двери и досок передней двери)
1SB2005000102 корпус кузова (боковая доска передней панели и нижняя отделочная доска под передней лампой-фарой в сборе)
1SB2005000102 Корпус кузова (сварочный комплект передней панели)
1SB2005000102 Корпус кузова (поддержанный кожух и капот двигателя в сборе)
1SB2005020104 Механизм поворачивания и запирания кузова
1SB2005020105 Механизм поворачивания и запирания кузова
1SB2005020106 Механизм поворачивания и запирания кузова
1SB2005020101 Механизм поворачивания и запирания кузова
1SB2005020102 Механизм поворачивания и запирания кузова
1SB2005050113 Наружная упаковка кузова
1SB2005050109 Внешняя упаковка кузова
1SB2005070101 Направляющее устройство
1SB2005120111 Отделочно-декоративный элемент на полу
1SB2005120113 Отделочно-декоративный элемент на полу
1SB2005210101 Деталь и узел ветрового окна
1SB2005250101 Стеклоочиститель и промыватель
1SB2005210101 Агрегат передней панели
1SB2005350101 Приборная доска
1SB2005410103 Агрегат боковой панели
1SB2005410104 Агрегат боковой панели
1SB2005610102 Агрегат задней панели
1SB2005720101 Агрегат верхней крышки
1SB2005720102, 1SB2005720106 Агрегат верхней крышки
1SB2006120101, 1SB2006120102 Агрегаты передних боковых дверей
1SB1806140105 Стеклоподъемник
1SB1806140109 Стеклоподъемник
1SB1806150107 Дверной замок
1SB1806150109 Дверной замок
1SB1806810105 Сиденье водителя, 1SB2006910102 сиденье первого ряда, 1SB2007040102 плацкартный комплект
1SB1807910106 Стандартное звуковое устройство
1SB2008110110 Отопительное устройство
1SB2008110224 Отопительное устройство
1SB2008110226 Отопительное устройство
1SB1808210304 Зеркало заднего вида, 1SB1808240101 солнцезащитное устройство
1SB1808220101 Ремень безопасности, 1SB1808250101 огнетушитель
1SB2008430101 Брызговик колеса
1SB2008430102 Брызговик колеса
1SB2008430107 Брызговик колеса
1SB2008430108 Брызговик колеса
1SB2008430106 Брызговик колеса
1SB2008450101 Подножка
1SB2008450102 Подножка
1SB2008570105 Внешняя упаковка кузова-платформы
1SB1808570121 Внешняя упаковка кузова-платформы
1SB2008570108 Внешняя упаковка кузова-платформы
1SB2008590103 Агрегат для монтажа кузова-фургона
1SB1808590109 Агрегат для монтажа кузова-фургона
1SB1808590110 Агрегат для монтажа кузова-фургона
1SB2008590104 Агрегат для монтажа кузова-фургона
1SB2008590105 Агрегат для монтажа кузова-фургона
1S10693940132, 1S10693940133 Таблички
1S10891000112 Система привода
1S10891000112 Блок датчика системы электрического управления
1S10891000112 Блок исполнительного механизма в системе электрического управления
1S10891000112 Динамический насос рулевого механизма
1S10891000112 Генератор и стартер
1S10891000112 Блок жгута двигателя
1S10891000112 Поршень и шток
1S10891000112 Масляный насос и масляные трубопроводы
1S10891000112 Масляный охладитель
1S10891000112 Масляный фильтр
1S10891000112 Термостат
1S10891000112 Впускные и выпускные трубы
1S10891000112 Воздушный компрессор
1S10891000112 Топливный насос
1S10891000112 Форсунка
1S10891000112 Головка цилиндра
1S10891000112 Блок цилиндров
1S10891000112 Клапанный блок
1S10891000112 Коленчатый вал и маховик
1S10891000112 Топливные трубы
1S10891000112 Водяной насос
1S10891000112 Кулачковый вал
1S10891000112 Подвеска
1S10891000112 Масляный картер
1S10891000112 Нагнетатель
1S10591000115 Дизельный фильтр
1S10591000115 Коробка шестерни
1S10591000115 Электрооборудование
1S10591000115 Картер маховика
1S10591000115 Вентилятор
1S10591000115 Соединительная часть между кожухом и крышкой циллиндра
1S10591000115 Шток поршня
1S10591000115 Блок-картер 1
1S10591000115 Блок-картер 2
1S10591000115 Соединительная часть блока-картера
1S10591000115 Масляный насос
1S10591000115 Масляный охладитель
1S10591000115 Масляный охладитель в сборе
1S10591000115 Масляный фильтр
1S10591000115 Термостат
1S10591000115 Впускные и выпускные трубы
1S10591000115 Установка подогрева при впуске воздуха
1S10591000115 Компрессор кондиционера
1S10591000115 Система управления
1S10591000115 Сцепление
1S10591000115 Топливный насос
1S10591000115 Форсунка
1S10591000115 Головка цилиндра
1S10591000115 Соединительная часть головки цилиндра
1S10591000115 Маховик коленчатого вала
1S10591000115 Топливный трубопровод
1S10591000115 Водяной насос
1S10591000115 Кулачковый вал
1S10591000115 Коромысло
1S10591000115 Масляный картер
1S10591000115 Нагнетатель
1S10591000115 Воздушный компрессор торможения
1S10691000143 Дизельный фильтр
1S10691000143 Коробка шестерни
1S10691000143 Электрооборудование
1S10691000143 Картер маховика
1S10691000143 Вентилятор
1S10691000143 Соединительная часть между кожухом и крышкой циллиндра
1S10691000143 Шток поршня
1S10691000143 Блок-картер 1
1S10691000143 Блок-картер 2
1110691000143 Соединительная часть блока-картера
1S10691000143 Масляный насос
1S10691000143 Масляный охладитель
1S10691000143 Масляный охладитель в сборе
1S10691000143 Масляный фильтр
1S10691000143 Термостат
1S10891000112 Впускные и выпускные трубы
1S10691000143 Установка подогрева при впуске воздуха
1S10691000143 Компрессор кондиционера
1S10691000143 Система управления
1S10691000143 Сцепление
1S10691000143 Топливный насос
1S10691000143 Форсунка
1S10691000143 Головка цилиндра
1S10691000143 Соединительная часть головки цилиндра
1S10691000143 Маховик коленчатого вала
1S10691000143 Топливный трубопровод
1S10691000143 Водяной насос
1S10691000143 Кулачковый вал
1S10691000143 Коромысло
1S10691000143 Масляный картер
1S10691000143 Нагнетатель
1S10691000143 Воздушный компрессор торможения
1S10891010106 Подвеска двигателя
1S10591010108 Подвеска для комплекта силовой установки
1S10691010104 Подвеска для комплекта силовой установки
1S10891100104 Топливная система
1S10591010108 Топливная система
1S10691100107 Топливная система
1S10591170101 Привод ускорения
1S10891190105 Впускное устройство
1S10591190119 Впускное устройство
1S10591190120 Впускное устройство
1S10691190123 Впускное устройство
1S10691190124 Впускное устройство
1S10891200106 Выпускное устройство
1S10591200111 Выпускное устройство
1S10691200105 Выпускное устройство
1S10691200110 Выпускное устройство
1S10691200110 Система охлаждения
1S10591300109 Система охлаждения
1S10891300104 Система охлаждения
1S10891610101 Установка сцепления
1S10691610105 Установка сцепления
1S10691620110 Механизм управления сцеплением
1S10591620106 Установка механизма управления сцеплением
1S10891620107 Механизм управления сцеплением
1S10431630114 Механизм управления сцеплением
1S10691710110 КПП
1S10691710130 КПП
1S10591710112 КПП
1S10891710109 КПП
1S10891720105 Механизм управления КПП
1S10691720106 Механизм управления КПП
1S10691730103, 1S10591730108 Механизм управления переключения передач
1S10891730104 Механизм управлением КПП
1S10892200103 Карданный вал
1S10592200108 Карданный вал
1S10692200203 Карданный вал
1S10692400118 Задний мост
1S10692400115 Задний мост
1S10592400109 Задний мост
1S10592400108 Задний мост
1S10892400113 Задний мост
1S10892400114 Задний мост
1S10892800108 Рама
1S10592800116, 1S10592800117 Рама
1S10692800102 Рама
1S10692920102 Передняя подвеска
1S10592920102 Передняя подвеска
1S10892920101 Передняя подвеска
1S10892950102 Задняя подвеска
1S10592950102 Задняя подвеска
1S10692950102 Задняя подвеска
1S10693000107 Передний мост в сборе
1S10693000104 Передний мост в сборе
1S10493000121 Передний мост в сборе
1S10593000104 Передний мост в сборе
1S10893000104 Передний мост
1S10893000105 Передний мост
1S10693110103, 1S10693110104 Колесо и шина
1S10493110108 Колесо и шина
1S10663150000, 1S10893150101 Держатель запасного колеса
1S10333150102 Шиномонтажный станок
1S10893400110 Коробка рулевого механизма и агрегат
1S10493400125 Коробка рулевого механизма и агрегат
1S10693400107 Коробка рулевого механизма и агрегат
1S10493420109, 1S10893420102 Рулевой привод
1S10893500102 Выпускное устройство торможения
1S10593500104 Вспомогательный тормоз
1S10693500105 Вспомогательный тормоз
1S10693500110 Устройство вспомогательного тормоза
1S10493530102 Механизм управления стояночным торможением
1S10593580104 Механизм управления стояночным торможением
1S10693580103 Механизм управления стояночным тормозом
1S10893530102 Механизм управления стояночным торможением
1S10433540103 Подвеска педали
1S10693560138 Устройство в тормозной магистрали (шасси)
1S10693560137 Устройство в тормозной магистрали (шасси)
1S10693560136 Устройство в тормозной магистрали (шасси)
1S10693560135 Устройство в тормозной магистрали (шасси)
1S10593560113 Трубопровод торможения (шасси)
1S10593560114 Трубопровод торможения (шасси)
1S10893560111 Тормозная магистраль (шасси)
1S10893560115 Тормозная магистраль (шасси)
1S10893560114 Тормозная магистраль (шасси)
1S10893560113 Тормозная магистраль (шасси)
1S10693590101 Тормозная магистраль (кузов)
1S10493613011 Аккумулятор
1S10433613010 Аккумулятор
1S10893623018, 1S10893623019 Жгут проводов шасси
1S10593623009 Жгут шасси
1S10593623003 Жгут шасси
1S10693623021, 1S10693623022 Жгут шасси
1S10893663010 Переключатель, 1S10693663017 переключатель шасси (для модели автомашины-люкса)
1SB2003730123,1SB2003730124 Переключатель кузова (для модели автомашины-люкса)
1SB2003730125, 1SB2003730126 Переключатель кузова (для стандартной модели автомашины)
1SB2003710101 Устройство освещения передней панели 24В, 1S10693673001 установка сигнализации, 1SB1803720102 устройство освещения задка 24В
1S10693681001, 1S10693681002 Электрическая установка
1S10433673002 Установка сигнализации, 1SB2003720102, 1SB2003720101 устройство освещения задней панели 24В
1SB2003740139, 1SB2003740148 Жгут проводов кузова
1SB2003740140 Жгут проводов кузова
1SB2003750105, 1SB2003750105 Устройство управления реле и шина кузова, 1SB1803780104 агрегат электрооборудования
1SB2003760123, 1SB2003760124 Приборные устройства
1SB2003760122, 1SB2003760133, 1SB2003760126 Приборные устройства
1S10691740101 Установка управления механизмом отбора мощности
1S10891740101 Установка управления механизмом отбора мощности
1S10893680001 Установка электрического управления антиблокировочной тормозной системой (АБС)
1SB2008260103 Остальные агрегаты
1SB2005050111 База на 3360 мм для экспортной автомашины Оллина
1S10663910101 Бортовые инструмент и агрегаты
1S10433910105 Бортовые инструменты и агрегат
1S10893910101 Бортовые инструменты и агрегат
1S10533920102 Ящик для инструмента
1S10463920103 Ящик для инструмента
1S10493930105 Табличка
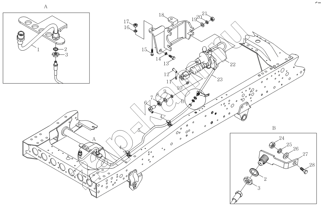
1
2
2
3
3
4
4
5
6
7
8
9
10
11
12
13
14
15
16
17
18
19
20
21
22
23
24
25
26
27
28
Поз.
Артикул
Название детали
Кол-во
1
1104316200129
Шланг соединительный
1;
2
Q41218
Стопорная шайба
2;
3
Q351B18
Шестигранная тонкая гайка-мелкая резьба
2;
4
1102935600026
Скоба
2;
5
1104316200110
Масляная труба разделительного насоса сцепления
1;
6
1104635900002
Штуцер
1;
7
Q80216
Гайка шестигранная тонкая
1;
8
1104635900011
О-образное кольцо 16
1;
9
1104635900010
Сальник
1;
10
Q40110
Плоская шайба
1;
11
Q5003214
Шплинт
1;
12
Q5101030
Палец
1;
13
Q151C1025
Болт с шестигранной головкой -тонкий клык
1;
14
Q40310
Шайба пружинная
1;
15
Q150B0825
Болт
2;
16
Q40308
Шайба пружинная
2;
17
Q340B08
Гайка
2;
18
1106916200034
Сварка кронштейна усилителя сцепления
1;
19
Q40108
Плоская шайба
3;
20
Q40308
Шайба пружинная
3;
21
Q340B08
Гайка
3;
22
1106616200021
Усилитель сцепления
1;
23
1105916200016
Гибкий шланг разделительного насоса сцепление
1;
24
Q340B06
Гайка
1;
25
Q40306
Шайба пружинная
1;
26
Q40106
Плоская шайба
1;
27
1102935600016
Кронштейн
1;
28
Q150B0620
Болт
1;
Содержащиеся в справочниках-каталогах запасные части и детали не предлагаются к продаже, а носят исключительно информационный характер
Дополнительная информация
×
Название:
Номер:
Примечание:
Войти
Имя пользователя
Пароль
Забыли пароль?
Запомнить меня
Войти
Поиск товаров
Поиск товаров
Корзина покупок