ЗапКам
zap-kam16@yandex.ru
(900) 323-41-41
Вход / Регистрация отключена
Вход
Избранное
0
по запросу
Каталог
Все товары и категории
Запчасти КАМАЗ
Двигатель
Двигатели в сборе
Евро-0
КамАЗ-4310
Урал-4320
КамАЗ-4350
Евро-1
КамАЗ-43114
Евро-2
КамАЗ-43118
КамАЗ-65115
КамАЗ-6520
Евро-3
Евро-4
Евро-5
Газовые
Блоки цилиндров
Блоки цилиндров Евро-0 КамАЗ
Блоки цилиндров Евро-1 КамАЗ
Блоки цилиндров Евро-2 КамАЗ
Блоки цилиндров Евро-3 КамАЗ
Блоки цилиндров Евро-4,5 КамАЗ Common Rail
Сборочные комплекты (лонг-, шорт-блоки)
Блоки управления
Валы коленчатые
Коленвалы Евро-0 КамАЗ
Коленвалы Евро-1 КамАЗ
Коленвалы Евро-2 КамАЗ
Коленвалы Евро-3 КамАЗ
Коленвалы Евро-4,5 КамАЗ Common Rail
Вкладыши коренные
Евро-3,4,5
Евро-0,1,2
Вкладыши шатунные
Евро-3,4,5
Евро-0,1,2
Валы распредительные
ЦПГ – поршневая
Поршневая Евро-4,-5 (740.602)
Поршневая Евро-2,-3 (740.60)
Поршневая Евро-1,-2 (740.30)
Поршневая Евро-0,1 (740)
Кольца поршневые
ТНВД
Евро-4-5 Common Rail
Евро-3
Евро-2
Евро-1
Евро-0
Система питания
Форсунки топливные
Распылители форсунок
Топливозаборники
ГБЦ
Евро-3,4,5 Common Rail
Евро-1,2,3
Евро-0
Газ
Турбокомпрессоры
ТРК Евро-4,5 (однотурбовые)
Евро-4
Евро-3
Евро-2
Евро-1
Насос водяной
Насос масляный
Маховики
Коробка передач
КПП в сборе
Валы
Валы вторичные
Валы первичные
Валы промежуточные
Шестерни
Синхронизаторы
Делители в сборе
Коробка раздаточная
РК в сборе
РК 6522
Дифференциалы
Валы
Валы первичные
Валы промежуточные
Вилки
Шестерни
Механизмы переключения
Трансмиссия
Мосты
Редукторы в сборе
Заднего моста
Переднего моста
Среднего моста
Зубьев
31, 35
50
49
48
47
46
КамАЗ
4310
43114
43118
4326
5320
53205
65115
43253
53229
6520
6522
4308
65111
65116
65117
55102
55111
53212
53215
54115
5410
5511
Мосты в сборе
Передние
Средние
Задние
6520, 6522 (20т)
65115 (15т)
65111 (15т)
43118 (10т)
43114 / 4310 (8т)
53205 Евро (10т)
5320 (8т)
5511 (10т)
МОД
Мадара
Подвеска в сборе
Ось передняя
Ось в сборе
Ходовая часть
Подвеска (тележка) в сборе
Колеса и шины
Рама
Рессоры
Лебедка
Механизмы управления
Отопление и вентиляция
Система выпуска
Сцепление
Тормоза
Кабина
Управление рулевое
Электрооборудование
Автомобили
КАМАЗ 5490
Двигатель 457
Двигатели в сборе
Сцепление
Кабина
Кузов
Мосты
Рама
Система выпуска
Тормоза
Управление рулевое
Ходовая часть
КАМАЗ К5
Двигатели WeiChai
Двигатели в сборе
Двигатели Р6
Двигатели 910 Р6 в сборе
Кабина
Сцепление
Тормоза
Управление рулевое
Электрооборудование
ZF
КПП ZF в сборе
16S EcoSplit
КПП 16s 1820 TO
КПП 16S 2220
9S Ecomid
12AS Astronic
12TX Traxon
Запчасти 12tx Traxon
Cummins
Двигатели в сборе
Блоки цилиндров
Коленвалы
Головки блока
Генератор
Китайские грузовики
Shaanxi HanDe
Fast Gear
Sitrak
Weichai
FAW
Laizhou Tongji
Европейские грузовики
Mercedes
Электрооборудование
Блоки управления
Блоки управления ADM
Блоки управления CPC4
Блоки управления двигателем
Блоки управления электрооборудованием
Датчики
Стартеры
Карданная передача
Карданы КамАЗ
Коробки отбора мощности
Прицепная техника
ССУ (Седла)
Ремонт
Ремонт двигателей
Ремонт КПП Камаз и ZF
Ремонт раздаток и редукторов
Ремонт кабин
Услуги
Комплектация заявок
Скупка запчастей и агрегатов
Контакты
Отправить заявку
Каталоги запчастей к технике
Грузовые
HOWO
Howo
Задняя подвеска кабины
Поиск
Задняя подвеска кабины
/ HOWO Howo
zoom-in
zoom-out
enlarge
shrink
circle-right
circle-left
file-text2
info
cart
Тип техники
Не выбрано
Грузовые
Двигатели
Марка
Не выбрано
DAF
DongFeng
FAW
Foton
HOWO
IVECO
JAC Motors
MAN
Shaanxi
SITRAK
Volvo
Автокомпонент Плюс
ЗИЛ
КАЗ
КамАЗ
Мадара
НефАЗ
СЗАП
Тонар
УралАЗ
Модель
Не выбрано
Howo
Howo A7 8x4
Howo cnhtc-huaxin (2010)
Sinotruck (полный)
Sinotruk 4x2 Tractor (371)
Sinotruk 6x4 Tipper (290)
Sinotruk 6x4 Tipper (336)
Sinotruk 6x4 Tipper (371)
Sinotruk 6x4 Tractor (371)
Sinotruk 6x6 Tipper (336)
Sinotruk 8x4 Tipper (336)
Sinotruk 8x4 Tipper (371)
ZZ3327N3647C-N2WA
ZZ3407S3867E-PA103709
ZZ4257N3247N1B_A7_D12_380
Схема
>
Не выбрано
Кабина
Корпус кабины
Передняя подвеска кабины
Задняя подвеска кабины
Механизм опрокидывания
Звукоизоляция длинной кабины и с высокой крышей
Звукоизоляция стандартной кабины
Внутренняя отделка стенок кабины
Кожух двигателя и коврики длинной кабины с высокой крышей
Кожух двигателя и коврики стандартной кабины
Звукоизоляция пола кабины
Стекла
Оборудование омывателя ветрового стекла
Стеклоочистители ветрового стекла
Приборная панель
Приборная панель
Приборная панель
Внутренняя отделка крыши
Люк
Дверь, стекло
Дверь, стекло
Дверной замок
Сиденья, ремень безопасности
Спойлер
Спойлер
Обогреватель кабины
Кондиционер
Зеркало заднего вида
Зеркало нижнего обзора, бордюрное зеркало
Противосолнечный козырек
Противосолнечный козырек полка для стандартной и длинной кабины
Спальная полка кабины с высокой крышей
Спальная полка для длинной кабины
Задний брызговик тягача
Передняя крышка
Боковая крышка, стойка декоративная
Брызговик и подножка
Брызговик
Декоративная решетка
Платформа
Подвеска двигателя
Картер
Картер шестерен, картер маховика
Коленчатый вал, маховик
Поршень и шатун
Крышка цилиндра
Клапанный механизм
Маслозаливная трубка
Маслоотделитель
Масляный насос
Масляный насос, масляный фильтр
Масляный поддон
Выпускной коллектор
Топливный насос, топливные трубопроводы
Топливные линии
Муфта топливного насоса
Система холодного запуска
Впускной воздушный коллектор
Топливный бак 350л
Топливный бак 200л
Воздушный фильтр
Выхлопная система
Водяной насос, вентилятор
Водяной насос
Система охлаждения
Картер
Крышка шестерен, картер маховика
Коленчатый вал, маховик
Шатун, поршень
Крышка цилиндра
Клапаны, механизм газораспределения
Масляный насос и масляный фильтр
Масляный поддон
Выпускной коллектор
Топливный насос, топливные трубопроводы
Топливные линии
Система холодного запуска
Впускной коллектор
Система охлаждения
Сцепление 420мм
Сцепление 430мм
Управление сцеплением
Управление сцеплением
Коробка передач
Картер сцепления картер коробки передач
Промежуточный вал, шестерни КПП
Главный вал и шестерни КПП
Шестерня заднего хода КПП
Вал сцепления КПП
Водило шестерен КПП
Управление переключением двойного Н (повышенные и пониженные передачи) КПП
Ведущая шестерня КПП
Выходной вал КПП
Синхронизатор КПП
Промежуточный вал КПП
Задняя крышка КПП
Цилиндр переключения в сборе КПП
Тормоз сцепления КПП
Пневмопереключатель КПП
Воздушный распределительный клапан КПП
Воздушные трубопроводы КПП
Управление тормозом сцепления КПП
Воздушные трубопроводы тормоза сцепления КПП
Двойной рычаг управления переключением двойного Н (повышенные/пониженные передачи) КПП (опция)
Картер КПП S6-120
Входной вал, промежуточный вал КПП S6-120
Главный вал, синхронизаторы КПП S6-120
Задняя крышка КПП S6-120
Вилки переключения КПП S6-120
Крышка вала и механизм переключения КПП S6-120
Картер коробки передач 5S-111GP, 5S-150GP, 4S-130GP
Картер сцепления КПП ZF
Входной вал, промежуточный вал и шестерни КПП 5S-111GP, 5S-150GP, 4S-130GP
Главный вал и шестерни КПП 5S-111GP, 5S-150GP, 4S-130GP
Вилки переключения КПП 5S-111GP, 5S-150GP, 4S-130GP
Крышка механизма переключения КПП 5S-111GP, 5S-150GP, 4S-130GP
Механизм переключения КПП 5S-111GP, 5S-150GP, 4S-130GP
Пневмосистема механизма переключения КПП 5s-111gr 5S-150GP, 4S-130GP
Картер механизма переключения КПП 5S-111GP, 5S-150GP, 4S-130GP
Шестерни КПП 5S-111GP 5S-150GP 4S-130GP
Механизм переключения КПП 5S-111GP, 5S-150GP, 4S-130GP
Задняя крышка КПП 5S-111GP, 5S-150GP 4S-130GP
Система переключения передач
Подвеска коробки передач
Картер коробки передач 9JS150T
Главный вал КПП 9JS150T
Промежуточный вал КПП 9JS150T
Вал сцепления КПП 9JS150T
Вал заднего хода КПП 9JS150T
Переключатель передач КПП 9JS150T
Блок переключения двойного Н (высшие/низшие передачи) КПП 9JS150T
Воздушный распределительный клапан
Ведущая шестерня 9JS150T
Выходной вал КПП 9JS150T
Промежуточный вал КПП 9JS150T
Задняя крышка КПП 9JS150T
Цилиндр управления КПП 9JS150T
Вспомогательное устройство для переключения К/П
Картер раздаточной коробки без блокировки дифференциала VG1200
Картер раздаточной коробки с блокировкой дифференциала VG1200
Крышка раздаточной коробки VG1200 без блокировки дифференциала
Крышка раздаточной коробки VG1200 с блокировкой дифференциала
Шестерни раздаточной коробки VG1200 без блокировки дифференциала
Шестерни раздаточной коробки VG1200 с блокировкой дифференциала
Подвеска раздаточной коробки VG1200
Управление раздаточной коробки VG1200
Клапан переключения раздаточной коробки VG1200
Карданные валы, автомобили 6x4
Карданные валы, автомобили 4x2, 6x2
Карданные валы, автомобили 6x4, 8x4
Карданные валы
Промежуточные валы
Передний мост
Передний мост 8x4
Передний ведущий мост
Передний ведущий мост
Планетарная передача переднего ведущего моста
Вилка переднего ведущего моста
Трубопроводы
Задний ведущий мост
Задний ведущий мост HOWO
Картер заднего моста STEYR
Картер заднего моста
Первый картер заднего моста
Картер первого заднего моста
Задний ведущий мост
Задний ведущий мост
Шестерни первого ведущего моста (тандемный задний мост)
Первый задний ведущий мост
Планетарный привод
Рама шасси, грузовик 6x4, 4x2
Рама шасси, тягач 4x2
Рама шасси, тягач 4x2
Рама шасси, самосвал 6x4
Рама шасси, тягач 6x4
Рама шасси, тягач 6x4
Рама шасси, тягач 6x4 с длинной базой
Рама шасси, самосвал 8x4
Рама шасси, тягач 8x4
Рама шасси, 8x2/8x4
Бампер
Кронштейн бампера, переднее буксировочное устройство
Кронштейн бампера, переднее буксировочное устройство
Задние фонари и кронштейн пластины номерного знака
Стабилизатор, амортизатор передний 4x2, 6x4
Стабилизатор и передний амортизатор
Амортизатор
Задний стабилизатор
Передняя рессора 6x4, 6x2 и 4x2
Передняя рессора
Задняя рессора 6x2
Задняя рессора 4x2
Стяжка рессоры и подвеска 6x4, 8x4
Задняя поддерживающая ось
Гидравлический механизм для поддерживающей оси 6x2
Поддерживающая подруливающая ось с пневматической подвеской и пневматической системой подъема
Пружина вращения и подвеска
Ступица колеса поддерживающей оси
Кронштейн запасного колеса
Управление рулевое
Рулевая тяга
Рулевые тяги, автомобиль 4x4, 6x6
Модуль управления
Модуль управления
Гидравлическая рулевая система 6x4, 4x2
Гидравлическая рулевая система 6x2
Гидравлическая рулевая система 8x4
Тяги рулевого механизма 6x4
Тяги рулевого механизма 8x4
Передний колесный тормоз
Передний колесный тормоз ведущего моста
Задний тормоз
Задний тормоз
Тормозной механизм в кабине
Тормозной механизм в кабине
Детали тормозной системы передней части шасси
Детали тормозной системы задней части шасси
Воздушный компрессор двигателя WD615
Воздушный компрессор двигателя WD618
Воздушный трубопровод блокировки дифференциала моста
Воздушный трубопровод блокировки дифференциала моста STEYR 6x4, 8x4
Воздушный трубопровод блокировки дифференциала моста STEYR 4x2
Воздушный трубопровод тормоза сцепления
Крепления ресивера тягача
Крепление ресивера грузовика
Крепление ресивера тягача
Крепление ресивера тягача 20л
Крепление ресивера тягача
Тормоз поддерживающей оси
Электрооборудование двигателя WD615
Электрооборудование двигателя WD618
Главный выключатель аккумулятора
Аккумуляторный ящик
Жгуты проводов
Электрическое оборудование в кабине
Электрооборудование на шасси
Освещение
Правый блок управления, реле, предохранители
Выключатели, прикуриватель
Двухтоновый пневматический звуковой сигнал
Пневматический звуковой сигнал низкого тона на крыше
Радиоприемник
Седельно-сцепное устройство, 4x2
Седельно-сцепное устройство 6x4, 6x6, 8x4
Защита сцепного устройства
Блок отбора мощности QH50
Управляющий воздушный трубопровод блока отбора мощности QH50
Ящик для инструментов в кабине с длинной и высокой крышей
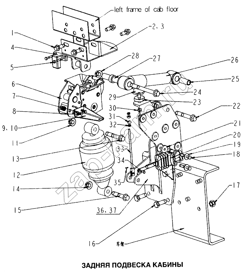
1
2
3
4
5
6
7
8
9
10
11
12
12
12
13
14
15
16
17
18
19
20
21
22
23
24
25
26
27
28
29
30
31
32
33
34
35
36
37
37
37
Поз.
Артикул
Название детали
Кол-во
1
Q1841230
Болт
8;
2
WG1642440С40
Верхний левый кронштейн
1;
3
WG1642440041
Верхний правый кронштейн
1;
4
WG1642440052
Датчик замка кабины
2;
5
Q150В0630
Болт
4;
6
WG1642440101
Гидравлический замок
2;
7
Q40306
Пружинная шайба
4;
8
Q150В0610
Болт
4;
9
WG1642440055
Левый кронштейн
1;
10
WG1642440056
Правый кронштейн
1;
11
Q33014
Гайка
2;
12
АZ1642440025
Амортизатор
2;
12
АZ1642440027
Амортизатор
2;
12
WG1642440028
Амортизатор
2;
13
Q1841480
Болт
2;
14
Q33014
Гайка
2;
15
Q1841470
Гайка
2;
16
Q151В1445
Болт
8;
17
190003888458
Гайка
8;
18
Q150В0850
Болт
4;
19
Q40208
Шайба
4;
20
WG1642440051
Клапан управления нагрузкой
2;
21
АZ1642440035
Пластина
2;
22
Q1841490
Болт
2;
23
АZ1642430082
Шайба
2;
24
Q18414140
Болт
2;
25
АZ1642440032
Втулка
2;
26
АZ1642440021
Стабилизатор
2;
27
АZ1642440031
Втулка
2;
28
Q33014
Гайка
2;
29
WG1642430081
Пружинный стопор
2;
30
Q340В10
Гайка
2;
31
АZ1642430036
Сферическая шайба
4;
32
Q340В06
Гайка
8;
33
WG1642440060
Тяга
2;
34
Q5100614
Болт
2;
35
Q5002012
Штифт
2;
36
АZ1642440011
Основание левого кронштейна
1;
37
А21642440012
Основание правого кронштейна
1;
37
АZ1642440014
Основание правого кронштейна
1;
37
АZ1642440016
Основание правого кронштейна
;
38
WG1642440070
Тройник
1;
39
WG1642440072
Шланг
1;
Содержащиеся в справочниках-каталогах запасные части и детали не предлагаются к продаже, а носят исключительно информационный характер
Дополнительная информация
×
Название:
Номер:
Примечание:
Войти
Имя пользователя
Пароль
Забыли пароль?
Запомнить меня
Войти
Поиск товаров
Поиск товаров
Корзина покупок