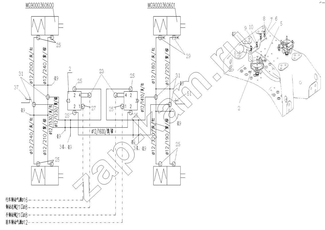
Steyr doubel axle brake device
/ HOWO Howo A7 8x4

2
2
5
6
7
8
9
10
23
25
25
25
25
25
25
25
25
27
29
31
31
34
34
37
47
49
49
49
49
49
49
49
49
51
Поз. | Артикул | Название детали | ||
---|---|---|---|---|
1 | AZ9725363005 | Tube circuit schematic | 1 | |
2 | WG9000360524 | Relay valve | 2 | |
3 | WG9000360524/1 | Relay valve | 1 | |
5 | Q150B1035 | Болт | 4 | |
6 | Q40110 | Шайба | 4 | |
7 | Q40310 | Пружинная шайба | 4 | |
8 | Q340B10 | гайка | 4 | |
9 | Q40308 | Пружинная шайба | 4 | |
10 | Q340B08 | гайка | 4 | |
11 | WG9000361004 | Elastic component | 2 | |
12 | WG9000361004/1 | Elastic component | 1 | |
13 | WG9000361005 | Clamp | 2 | |
14 | WG9000361005/1 | Clamp spring | 1 | |
15 | WG9000361006 | Nut base | 2 | |
16 | WG9000361006/1 | Nut base | 1 | |
17 | WG9000361007 | Elastic component | 14 | |
18 | WG9000361007/1 | Elastic | 1 | |
19 | WG9000361008 | Clamp spring | 14 | |
20 | WG9000361008/1 | Clamp spring | 1 | |
21 | WG9000361009 | Nut base | 14 | |
22 | WG9000361009/1 | Nut base | 1 | |
23 | WG9000361201 | Joint | 2 | |
24 | WG9000361201/1 | Right angle joint | 1 | |
25 | WG9000361204 | Right angle joint | 11 | |
26 | WG9000361204/1 | Right angle joint | 1 | |
27 | WG9000361203 | Right angle joint | 1 | |
28 | WG9000361203/1 | Right angle joint | 1 | |
29 | WG9000361406 | T-shape joint | 2 | |
30 | WG9000361406/1 | T shape three joint | 1 | |
31 | WG9000361310/1 | T shape three way joint | 4 | |
32 | 190003179785 | зажимное кольцо | 1 | |
33 | 190003179785 | зажимное кольцо | 9 | |
34 | WG9725360088 | Plastic tighten belt assemby | 4 | |
35 | WG9725360088/1 | Plastic tighten belt assemby | 1 | |
37 | WG9725363014 | Tighten bracket | 1 | |
38 | WG9725363014/1 | Tighten bracket | 1 | |
40 | WG9100360134 | Прокладка | 5 | |
41 | 199100360134 | Кольцо | 1 | |
47 | WG9725360044 | Relay valve bracket | 2 | |
48 | WG9725360044/1 | Relay valve bracket | 1 | |
49 | WG9003171390 | Plastic fasten belt | 16 | |
50 | WG9003171390/1 | Plastic fasten belt | 1 | |
51 | WG9725360034 | Tube fixed bracket | 1 | |
52 | WG9725360034/1 | Tube fixed bracket | 1 |
Содержащиеся в справочниках-каталогах запасные части и детали не предлагаются к продаже, а носят исключительно информационный характер