ЗапКам
zap-kam16@yandex.ru
(900) 323-41-41
Вход / Регистрация отключена
Вход
Избранное
0
по запросу
Каталог
Все товары и категории
Запчасти КАМАЗ
Двигатель
Двигатели в сборе
Евро-0
КамАЗ-4310
Урал-4320
КамАЗ-4350
Евро-1
КамАЗ-43114
Евро-2
КамАЗ-43118
КамАЗ-65115
КамАЗ-6520
Евро-3
Евро-4
Евро-5
Газовые
Блоки цилиндров
Блоки цилиндров Евро-0 КамАЗ
Блоки цилиндров Евро-1 КамАЗ
Блоки цилиндров Евро-2 КамАЗ
Блоки цилиндров Евро-3 КамАЗ
Блоки цилиндров Евро-4,5 КамАЗ Common Rail
Сборочные комплекты (лонг-, шорт-блоки)
Блоки управления
Валы коленчатые
Коленвалы Евро-0 КамАЗ
Коленвалы Евро-1 КамАЗ
Коленвалы Евро-2 КамАЗ
Коленвалы Евро-3 КамАЗ
Коленвалы Евро-4,5 КамАЗ Common Rail
Вкладыши коренные
Евро-3,4,5
Евро-0,1,2
Вкладыши шатунные
Евро-3,4,5
Евро-0,1,2
Валы распредительные
ЦПГ – поршневая
Поршневая Евро-4,-5 (740.602)
Поршневая Евро-2,-3 (740.60)
Поршневая Евро-1,-2 (740.30)
Поршневая Евро-0,1 (740)
Кольца поршневые
ТНВД
Евро-4-5 Common Rail
Евро-3
Евро-2
Евро-1
Евро-0
Система питания
Форсунки топливные
Распылители форсунок
Топливозаборники
ГБЦ
Евро-3,4,5 Common Rail
Евро-1,2,3
Евро-0
Газ
Турбокомпрессоры
ТРК Евро-4,5 (однотурбовые)
Евро-4
Евро-3
Евро-2
Евро-1
Насос водяной
Насос масляный
Маховики
Коробка передач
КПП в сборе
Валы
Валы вторичные
Валы первичные
Валы промежуточные
Шестерни
Синхронизаторы
Делители в сборе
Коробка раздаточная
РК в сборе
РК 6522
Дифференциалы
Валы
Валы первичные
Валы промежуточные
Вилки
Шестерни
Механизмы переключения
Трансмиссия
Мосты
Редукторы в сборе
Заднего моста
Переднего моста
Среднего моста
Зубьев
31, 35
50
49
48
47
46
КамАЗ
4310
43114
43118
4326
5320
53205
65115
43253
53229
6520
6522
4308
65111
65116
65117
55102
55111
53212
53215
54115
5410
5511
Мосты в сборе
Передние
Средние
Задние
6520, 6522 (20т)
65115 (15т)
65111 (15т)
43118 (10т)
43114 / 4310 (8т)
53205 Евро (10т)
5320 (8т)
5511 (10т)
МОД
Мадара
Подвеска в сборе
Ось передняя
Ось в сборе
Ходовая часть
Подвеска (тележка) в сборе
Колеса и шины
Рама
Рессоры
Лебедка
Механизмы управления
Отопление и вентиляция
Система выпуска
Сцепление
Тормоза
Кабина
Управление рулевое
Электрооборудование
Автомобили
КАМАЗ 5490
Двигатель 457
Двигатели в сборе
Сцепление
Кабина
Кузов
Мосты
Рама
Система выпуска
Тормоза
Управление рулевое
Ходовая часть
КАМАЗ К5
Двигатели WeiChai
Двигатели в сборе
Двигатели Р6
Двигатели 910 Р6 в сборе
Кабина
Сцепление
Тормоза
Управление рулевое
Электрооборудование
ZF
КПП ZF в сборе
16S EcoSplit
КПП 16s 1820 TO
КПП 16S 2220
9S Ecomid
12AS Astronic
12TX Traxon
Запчасти 12tx Traxon
Cummins
Двигатели в сборе
Блоки цилиндров
Коленвалы
Головки блока
Генератор
Китайские грузовики
Shaanxi HanDe
Fast Gear
Sitrak
Weichai
FAW
Laizhou Tongji
Европейские грузовики
Mercedes
Электрооборудование
Блоки управления
Блоки управления ADM
Блоки управления CPC4
Блоки управления двигателем
Блоки управления электрооборудованием
Датчики
Стартеры
Карданная передача
Карданы КамАЗ
Коробки отбора мощности
Прицепная техника
ССУ (Седла)
Ремонт
Ремонт двигателей
Ремонт КПП Камаз и ZF
Ремонт раздаток и редукторов
Ремонт кабин
Услуги
Комплектация заявок
Скупка запчастей и агрегатов
Контакты
Отправить заявку
Каталоги запчастей к технике
Грузовые
HOWO
Howo cnhtc-huaxin
Механизм отопления кабины
Поиск
Механизм отопления кабины
/ HOWO Howo cnhtc-huaxin
zoom-in
zoom-out
enlarge
shrink
circle-right
circle-left
file-text2
info
cart
Тип техники
Не выбрано
Грузовые
Двигатели
Марка
Не выбрано
DAF
DongFeng
FAW
Foton
HOWO
IVECO
JAC Motors
MAN
Shaanxi
SITRAK
Volvo
Автокомпонент Плюс
ЗИЛ
КАЗ
КамАЗ
Мадара
НефАЗ
СЗАП
Тонар
УралАЗ
Модель
Не выбрано
Howo
Howo A7 8x4
Howo cnhtc-huaxin (2010)
Sinotruck (полный)
Sinotruk 4x2 Tractor (371)
Sinotruk 6x4 Tipper (290)
Sinotruk 6x4 Tipper (336)
Sinotruk 6x4 Tipper (371)
Sinotruk 6x4 Tractor (371)
Sinotruk 6x6 Tipper (336)
Sinotruk 8x4 Tipper (336)
Sinotruk 8x4 Tipper (371)
ZZ3327N3647C-N2WA
ZZ3407S3867E-PA103709
ZZ4257N3247N1B_A7_D12_380
Схема
>
Не выбрано
Кабина
Корпус кабины
Приборная панель кабины
Шумоизоляционные материалы стандартной кабины
Шумоизоляционные материалы длиной и высокой кабины
Кожух двигателя и пол длинной и высокой кабины
Кожух двигателя и пол стандартной кабины
Шумоизоляционные материалы низа кабины
Внутренняя обивка крыши кабины
Внутренняя обивка кабины
Спальное место длинной кабины
Спальное место высокой кабины
Верний люк кабины
Сиденье и ремень безопасности
Козырёк противосолнечный стандартной и длинной кабины и вещевой ящик
Стекло окон кабины
Дверь, стекло и приспособления
Замок двери
Облицовка
Боковые обтекатели и декоративные стойки А
Крыло и подножка, крыло кабины
Бампер
Решетка бампера
Зеркало заднего вида
Зеркало нижнего вида и зеркало обзора дороги
Козырек противосолнечный
Передняя подвеска кабины
Механизм отопления кабины
Механизм отопления кабины
Кондиционер
Моечный механизм ветрового стекла
Стеклоочиститель
Механизм опрокидывания кабины
Спойлер и обтекатели
Автомагнитола
Ящик для инструмента длинной и высокой кабины
Грузовая платформа
Блок цилиндров WD615
Крышка промежуточных шестерен и картер маховика Евро (II)
Маслозаливная труба и масляный щуп
Блок цилиндров WD615
Вал коленчатый и маховик
Поршни и шатуны WD615
Головка цилиндров WD615
Газораспределительный механизм WD615
Водяной насос и вентилятор
Масляный насос и масляный фильтр (1) WD615
Масляный насос и масляный фильтр (2) WD615
Топливный насос и шланги высокого давления WD615
Топливные шланги WD615
Муфта топливного насоса
Генератор
Выпускной коллектор WD615(1)
Картер масляный WD615
Впускной коллектор WD615
Компрессор WD615
Цилиндр
Коленвал и маховик
Поршень и шатун
Крышка цилиндра и механизм распределения
Впускная и выпускная система
Масляный насос и фильтр
Компрессор
Маслопитание
Электрическая система
Топливный картер
Механизм управления педалью подачи топлива
Топливный бак из алюминиевого сплава 350L, 380L
Топливный бак из алюминиевого сплава 200L
Система охлаждения
Приемная труба и глушитель
Система воздушного фильма
Подвеска двигателя
Рама самосвала 4x2
Рама седельного тягача 4x2
Рама автомобиля-тягача 4x2
Рама самосвала 4x2
Рама седельного тягача 6x4
Рама автомабиля-тягача 6x4
Рама автомабиля-тягача с большим межосевым растоянием 6x4
Рама самосвала 8x4
Рама самосвала 8x4
Рама автомабиля-тягача В32/8х4
Кронштейн бампера и переднее буксирное устройство
Номер и кронштейн задних фанарей
Задний бампер и сцепное устройство
Брызговики
Седельное устройство 4x2
Седельное устройство 6x4, 6x6, 8x4
Передняя подвеска 4x2, 6x2, 6x4
Передняя подвеска 8x4
Задняя подвеска 4х2
Балансирная подвеска 6x4, 8x4
Передний стабилизатор поперечной устройвости и амортизатор 4x2, 6x4
Передний стабилизатор поперечной устройвости и амортизатор 8x4
Задний амортизатор 4x2
Задний стабилизатор 4x2
Сцепление с диском Ф420 (Ф420 сцепление к WD615.62/87 двигателю, Ф420В сцепление к WD615.69 двигателю)
Cцепление с диском Ф430
Cистема управления сцеплением
Коробка передач
Картер сцепления и корпус коробки передач Fuller
Промежуточный вал и шестерня Fuller
Вторичный вал, втулка и шестерня Fuller
Вал заднеого хода и шестерня Fuller
Первичный вал и шестерня Fuller
Механизм переключения передач Fuller
Механизм управления переключением передач двойной Н Fuller
Шестерня привода вспомогательной коробка передач Fuller
Выходной вал вспомогательной коробка передач Fuller
Сихронизатор Fuller
Промежуточный вал вспомогательной коробки передач Fuller
Задняя крышка в сборе Fuller
Пневмоцилиндр переключения передач в сборе Fuller
Коробка передач,сцепление и тормоз Fuller
Пневмопровод клапана управления коробки передач Fuller
Регулировочный клапан Fuller
Пнемопривод механизма переключения коробки передач Fuller
Механизм управления сцеплением и тормозом Fuller
Пневмопривод коробки передач,сцепления и тормоза Fuller
Корпус коробки передач S6—120
Первичный вал, промежуточный вал и шестерни S6-120
Вторичный вал S6-120
Задняя крышка S6-120
Вилка переключения передач S6-120
Боковая крышка и механизм переключения передач S6-120
Корпус коробки передач ZF
Картер сцепления ZF
Первичный вал, промежуточный вал и шестерня ZF
Вторичный вал,синхронизатор и шестерня ZF
Вилка переключения передач ZF
Крышка переключения передач ZF
Механизм переключения передач коробки передач ZF
Пневмоуправление вспомогательной коробки коробки передач ZF
Корпус вспомогательной коробки коробки передач ZF
Шестерня вспомогательной коробки передач ZF
Механизм переключения вспомогательной коробки передач ZF
Задняя крышка коробки передач ZF
Механизм управления переключением коробки передач
Кронштейн коробки передач
Вал привода заднего моста
Промежуточный приводный вал
Передняя ось в сборе
Передняя балка с поворотным механизмом 8x4
Тормоз жесткого переднего моста
Поперечная тяга рулевого механизма жесткого переднего моста
Балка переднего ведущего моста
Механизм привода переднего ведущего моста
Бортовой планетарный редуктор переднего ведущего моста
Поворотный кулак переднего ведущего моста
Тормоз переднего ведущего моста
Механизм централизованной подачи воздуха
4x4, 6x6 Поперечная тяга рулевого механизма
Корпус раздаточной коробки
Корпус раздаточной коробки с межосевым дифференциалом VG1200
Крышка раздаточной коробки
Крышка раздаточной коробки с блокировкой
Система шестерен раздаточной коробки
Система шестерен раздатки с блокировкой
Подвеска раздаточной коробки
Механизм переключения передач раздатки
Пневматическая система переключения передач раздатки
Коробка отбора мощности
Пневмопривод КОМ
Задний ведущий мост в сборе
Картер задного моста
Картер среднего моста
Механизм привода заднего моста
Механизм привода среднего моста
Задний тормоз
Задний тормоз
Задний ведущий мост в сборе HOWO
Картер заднего моста HOWO
Картер среднего моста HOWO
Механизм привода заднего моста HOWO
Механизм привода среднего моста HOWO
Тормоз заднего моста
Механизм привода рулевого управления
Гидроусилитель рулевого механизма 4x2, 6x4
Гидроусилитель рулевого механизма 6x2
Гидроусилитель рулевого механизма 8x4
Рулевая тяга 4x2, 6x2, 6x4
Рулевая тяга 8x4
Устройство привода тормозов из кабины
Тормозные агрегаты передней части шасси
Тормозные агрегаты задней части шасси
Соединительные элементы трубопровода
Соединительные элементы трубопровода
Соединительные элементы трубопровода
Схема привода межколесной блокировки диффренциала
Схема привода блокировки диффренциала 2 мостов STEYR
Схема привода блокировки диффренциала 1 мостов
Схема подключения пневматического сигнала
Схема подключения верхнего звукового сигнала низких частот
Смеха пневмопривода сцепления и тормоза
Крепление ресивера селельного тягача I
Крепление ресивера автомобиля-тягача I
Крепление ресивера седельного тягача II
Крепление ресивера 20Л
Крепление ресивера седельного тягача III
Комбинированная панель приборов главной элетрической цепи CAN
Бравый блок управления, реле и предохранитель
Панель переключателей и прикуриватель
Электрооборудование кабины
Электрооборудование кабины
Пучки проводов электропроводки
Осветительные приборы
Акуммулятор и выключатель массы
Отсек для акуммулятора
Кроштейн запасного колеса
Колесо и шина
Инструменты
Краткое описание балансирной подвески NS-07
Схема заднего навесного устройства балансирной подвески NS-07
Схема соединения балансирной подвески NS-07 и V-образного реактивного рычага
Схема балансирной подвески NS-07 и оси в сборе
Схема заднего стабилизатора балансирной подвески NS-07 в сборе
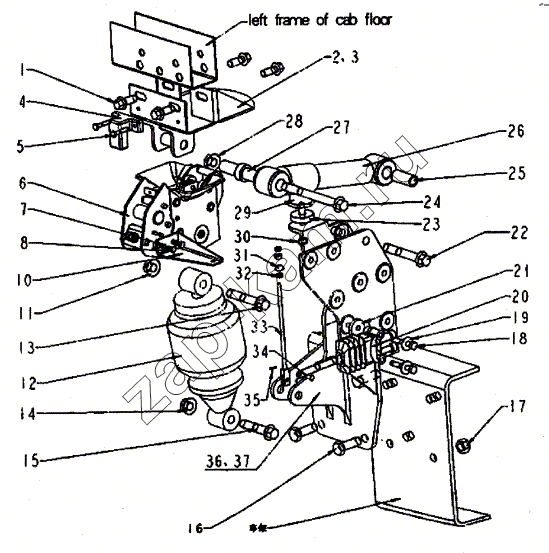
1
2
3
4
5
6
7
8
10
11
12
12
12
13
14
15
16
17
18
19
20
21
22
23
24
25
26
27
28
29
30
31
32
33
34
35
36
36
36
37
37
37
Поз.
Артикул
Название детали
Количество
1
Q1841230
Болт
8
2
WG1642440040
кронштейн левый верхний в сборе
1
3
WG1642440041
Верхний правый кронштейн
1
4
WG1642440052
Датчик замка кабины
2
5
Q150B0630
болт
4
6
WG1642440101
Гидравлический замок
2
7
Q40306
Пружинная шайба
4
8
Q150B0610
болт
4
9
WG1642440055
Левый кронштейн
1
10
WG1642440056
Правый кронштейн
1
11
Q33014
Гайка
2
12
AZ1642440027
амортизатор задней подвески в сборе (винтовая пружина)
2
12
WG1642440028
Амортизатор
2
12
AZ1642440025
амортизатор задней подвески в сборе
2
13
Q1841480
Болт
2
14
Q33014
Гайка
2
15
Q1841470
Гайка
2
16
Q151B1445
болт
8
17
190003888458
Гайка
8
18
Q150B0850
болт
4
19
Q40208
Шайба
4
20
WG1642440051
Клапан управления нагрузкой
2
21
AZ1642440035
подкладка
2
22
Q1841490
Болт
2
23
AZ1642430082
шайба буфера-ограничителя
2
24
Q18414140
Болт
2
25
AZ1642440032
втулка 2
2
26
AZ1642440021
стабилизатор поперечной устойчивости
2
27
AZ1642440031
втулка 1
2
28
Q33014
Гайка
2
29
WG1642430081
Пружинный стопор
2
30
Q340B10
гайка
2
31
AZ1642430036
полусферическая шайба
4
32
Q340B06
гайка
8
33
WG1642440060
Тяга
2
34
Q5100614
Болт
2
35
Q5002012
Штифт
2
36
AZ 1642440011
кронштейн левый нижний
1
36
AZ1642440013
кронштейн левый нижний'
1
36
AZ1642440015
кронштейн левый нижний
1
37
AZ1642440012
кронштейн правый нижний
1
37
AZ1642440014
кронштейн правый нижний
1
37
AZ1642440016
кронштейн правый нижний
1
38
WG1642440070
Тройник
1
39
WG1642440072
Шланг
1
Содержащиеся в справочниках-каталогах запасные части и детали не предлагаются к продаже, а носят исключительно информационный характер
Дополнительная информация
×
Название:
Номер:
Примечание:
Войти
Имя пользователя
Пароль
Забыли пароль?
Запомнить меня
Войти
Поиск товаров
Поиск товаров
Корзина покупок