ЗапКам
zap-kam16@yandex.ru
(900) 323-41-41
Вход / Регистрация отключена
Вход
Избранное
0
по запросу
Каталог
Все товары и категории
Запчасти КАМАЗ
Двигатель
Двигатели в сборе
Евро-0
КамАЗ-4310
Урал-4320
КамАЗ-4350
Евро-1
КамАЗ-43114
Евро-2
КамАЗ-43118
КамАЗ-65115
КамАЗ-6520
Евро-3
Евро-4
Евро-5
Газовые
Блоки цилиндров
Блоки цилиндров Евро-0 КамАЗ
Блоки цилиндров Евро-1 КамАЗ
Блоки цилиндров Евро-2 КамАЗ
Блоки цилиндров Евро-3 КамАЗ
Блоки цилиндров Евро-4,5 КамАЗ Common Rail
Сборочные комплекты (лонг-, шорт-блоки)
Блоки управления
Валы коленчатые
Коленвалы Евро-0 КамАЗ
Коленвалы Евро-1 КамАЗ
Коленвалы Евро-2 КамАЗ
Коленвалы Евро-3 КамАЗ
Коленвалы Евро-4,5 КамАЗ Common Rail
Вкладыши коренные
Евро-3,4,5
Евро-0,1,2
Вкладыши шатунные
Евро-3,4,5
Евро-0,1,2
Валы распредительные
ЦПГ – поршневая
Поршневая Евро-4,-5 (740.602)
Поршневая Евро-2,-3 (740.60)
Поршневая Евро-1,-2 (740.30)
Поршневая Евро-0,1 (740)
Кольца поршневые
ТНВД
Евро-4-5 Common Rail
Евро-3
Евро-2
Евро-1
Евро-0
Система питания
Форсунки топливные
Распылители форсунок
Топливозаборники
ГБЦ
Евро-3,4,5 Common Rail
Евро-1,2,3
Евро-0
Газ
Турбокомпрессоры
ТРК Евро-4,5 (однотурбовые)
Евро-4
Евро-3
Евро-2
Евро-1
Насос водяной
Насос масляный
Маховики
Коробка передач
КПП в сборе
Валы
Валы вторичные
Валы первичные
Валы промежуточные
Шестерни
Синхронизаторы
Делители в сборе
Коробка раздаточная
РК в сборе
РК 6522
Дифференциалы
Валы
Валы первичные
Валы промежуточные
Вилки
Шестерни
Механизмы переключения
Трансмиссия
Мосты
Редукторы в сборе
Заднего моста
Переднего моста
Среднего моста
Зубьев
31, 35
50
49
48
47
46
КамАЗ
4310
43114
43118
4326
5320
53205
65115
43253
53229
6520
6522
4308
65111
65116
65117
55102
55111
53212
53215
54115
5410
5511
Мосты в сборе
Передние
Средние
Задние
6520, 6522 (20т)
65115 (15т)
65111 (15т)
43118 (10т)
43114 / 4310 (8т)
53205 Евро (10т)
5320 (8т)
5511 (10т)
МОД
Мадара
Подвеска в сборе
Ось передняя
Ось в сборе
Ходовая часть
Подвеска (тележка) в сборе
Колеса и шины
Рама
Рессоры
Лебедка
Механизмы управления
Отопление и вентиляция
Система выпуска
Сцепление
Тормоза
Кабина
Управление рулевое
Электрооборудование
Автомобили
КАМАЗ 5490
Двигатель 457
Двигатели в сборе
Сцепление
Кабина
Кузов
Мосты
Рама
Система выпуска
Тормоза
Управление рулевое
Ходовая часть
КАМАЗ К5
Двигатели WeiChai
Двигатели в сборе
Двигатели Р6
Двигатели 910 Р6 в сборе
Кабина
Сцепление
Тормоза
Управление рулевое
Электрооборудование
ZF
КПП ZF в сборе
16S EcoSplit
КПП 16s 1820 TO
КПП 16S 2220
9S Ecomid
12AS Astronic
12TX Traxon
Запчасти 12tx Traxon
Cummins
Двигатели в сборе
Блоки цилиндров
Коленвалы
Головки блока
Генератор
Китайские грузовики
Shaanxi HanDe
Fast Gear
Sitrak
Weichai
FAW
Laizhou Tongji
Европейские грузовики
Mercedes
Электрооборудование
Блоки управления
Блоки управления ADM
Блоки управления CPC4
Блоки управления двигателем
Блоки управления электрооборудованием
Датчики
Стартеры
Карданная передача
Карданы КамАЗ
Коробки отбора мощности
Прицепная техника
ССУ (Седла)
Ремонт
Ремонт двигателей
Ремонт КПП Камаз и ZF
Ремонт раздаток и редукторов
Ремонт кабин
Услуги
Комплектация заявок
Скупка запчастей и агрегатов
Контакты
Отправить заявку
Каталоги запчастей к технике
Грузовые
IVECO
EuroTech CURSOR
Электрооборудование на раме
Поиск
Электрооборудование на раме
/ IVECO EuroTech CURSOR
zoom-in
zoom-out
enlarge
shrink
circle-right
circle-left
file-text2
info
cart
Тип техники
Не выбрано
Грузовые
Двигатели
Марка
Не выбрано
DAF
DongFeng
FAW
Foton
HOWO
IVECO
JAC Motors
MAN
Shaanxi
SITRAK
Volvo
Автокомпонент Плюс
ЗИЛ
КАЗ
КамАЗ
Мадара
НефАЗ
СЗАП
Тонар
УралАЗ
Модель
Не выбрано
EuroTech CURSOR (2005)
Stralis (2005)
Схема
>
Не выбрано
Пневмоподвеска кабины
Подвеска кабины
Подвеска кабины
Элементы системы наклона кабины
Трубопроводы системы наклона кабины
Трубопроводы системы наклона кабины
Трубопроводы системы наклона кабины
Задние соединения кабины
Крепление кабины
Крепление кабины
Бачок стеклоочистителя
Бачок стеклоочистителя
Стеклоочиститель
Стеклоочиститель
Покрытие пола
Покрытие пола
Внутренние элементы отделки
Защита рулевого управления
Защита двигателя
Пневматические трубопроводы сиденья
Пневматические трубопроводы
Рукоятки
Замок зажигания
Приборная панель
Отделка приборной панели
Отделка приборной панели
ABS/EBS оборудование в кабине
Воздухозаборник
Центральная консоль
Внешнее зеркало водителя
Каркас кабины
Пол кабины
Внешняя отделка крыши
Панели крыши кабины
Рама ветрового стекла
Элементы передней панели
Боковая стенка
Двери кабины
Двери кабины
Двери кабины
Двери кабины
Двери кабины
Правая дверь кабины
Левая дверь кабины
Боковые стекла
Боковые стекла
Правая внутренняя дверная панель
Левая внутренняя дверная панель
Правая облицовка двери
Левая облицовка двери
Элементы крепления
Правый дверной замок
Дверная ручка
Ветровое стекло
Ветровое стекло
Боковая панель
Передняя панель
Передняя панель
Защитная решетка
Передние угловые панели
Передняя внутренняя облицовка
Боковые панели
Заглушки кабины
Центральная верхняя полка
Задние рукоятки
Дополнительные детали
Передний брызговик
Задний брызговик
Солнцезащитный козырек
Шторка
Шторка
Идентификационные таблички
Расположение табличек
Водяные трубопроводы системы обогрева
Трубопроводы системы кондиционирования
Обогреватель
Обогреватель
Компрессор кондиционера
Компрессор кондиционера
Элементы крепления двигателя
Подвеска двигателя
Подвеска двигателя
Подвеска двигателя
Блок цилиндров
Блок цилиндров
Передняя крышка картера
Задняя крышка картера
Задняя крышка картера
Прокладки двигателя
Прокладки двигателя
Головка блока цилиндров
Головка блока цилиндров
Головка блока цилиндров
Крышка головки блока цилиндров
Крышка головки блока цилиндров
Вал рокеров
Вал рокеров
Коленчатый вал
Маховик двигателя
Маховик двигателя
Гаситель вибраций (демпфер)
Гаситель вибраций (демпфер)
Шатуны и поршни
Шатуны и поршни
Шестерни распределительного вала
Шестерни распределительного вала
Шестерни распределительного вала
Шестерни распределительного вала
Распределительный вал
Механизм газораспределения
Механизм газораспределения
Механизм газораспределения
Электронный блок управления
Датчики
Датчики
Детали двигателя
Детали двигателя
Детали головки блока цилиндров
Детали коленчатого вала
Детали коленчатого вала
Система пуска
Система пуска с ручным управлением
Электромагнитный клапан
Электромагнитный клапан
Насос-форсунка
Насос-форсунка
Насос-форсунка
Электрооборудование системы впрыска
Система впрыска топлива
Трубопроводы турбокомпрессора
Трубопроводы турбокомпрессора
Трубопроводы турбокомпрессора
Трубопроводы турбокомпрессора
Блок управления впрыском
Топливопроводы двигателя
Топливный насос
Топливный насос
Топливные трубопроводы
Топливный бак
Топливный бак
Топливный фильтр
Топливный фильтр
Топливный фильтр
Топливный фильтр
Система подачи топлива
Топливная линия
Топливопровод к обогревателю
Трубопроводы турбонагнетателя
Трубопровод двигателя
Система трубопроводов
Топливопровод обогревателя
Трубопроводы дополнительного отопителя
Воздушный фильтр
Осушитель воздуха
Трубопроводы воздушного фильтра
Трубопроводы воздушного фильтра
Выпускной коллектор
Выпускной коллектор
Выпускной коллектор
Глушитель
Глушитель
Глушитель
Система выпуска
Теплозащита
Маслораспылитель
Масляный поддон
Масляный поддон
Линия подачи масла
Система смазки
Датчик уровня масла
Датчик уровня масла
Масломерный щуп
Масляный насос
Регулятор давления масла
Масляный фильтр
Масляные трубопроводы
Трубопровод подачи масла
Возвратный маслопровод
Теплообменник
Теплообменник
Радиатор
Радиатор
Трубопроводы охлаждающей жидкости
Трубопровод охлаждающей жидкости
Трубопровод охлаждающей жидкости
Трубопровод охлаждающей жидкости
Трубопровод охлаждающей жидкости
Трубопровод охлаждающей жидкости
Клиновой ремень
Клиновой ремень
Натяжитель клинового ремня
Натяжитель клинового ремня
Натяжитель клинового ремня
Водяной насос
Водяной насос
Водяной насос
Расширительный бачок
Система охлаждения коробки передач
Система охлаждения коробки передач
Система охлаждения
Турбина охлаждающей системы
Турбина охлаждающей системы
Регулятор температуры
Управление вентилятором
Вентилятор
Вентилятор
Привод вентилятора
Сцепление
Картер сцепления
Крепежные детали сцепления
Трубопроводы сцепления
Трубопроводы сцепления
Трубопроводы сцепления
Сервопривод сцепления
Управление сцеплением
Управление переключением передач
Управление переключением передач
Управление переключением передач
Механизм переключения передач
Механизм переключения передач
Коробка передач
Коробка передач
Задний мост
Задний мост
Задний мост
Задний стабилизатор
Задний амортизатор
Задний амортизатор
Блокировка дифференциала
Система управления блокировкой дифференциала
Система управления блокировкой дифференциала
Трубопроводы сапуна
Штанги заднего моста
Рама
Рама
Рама
Седельно-сцепное устройство
Уголки седельно-сцепного устройства
Передний бампер
Боковая площадка
Передняя поперечина
Задняя поперечина
Передний бампер
Задний бампер
Переднее прицепное устройство
Передняя рессора
Передний мост
Передний мост
Передний мост
Передний стабилизатор
Передний стабилизатор
Стабилизатор
Стабилизатор
Передний амортизатор
Передний амортизатор
Пневмоподвеска
Пневмоподвеска
Пневмоподвеска
Пневмоподвеска
Пневмоподвеска
Детали пневмоподвески
Рулевой привод
Рулевой привод
Рулевое управление
Рулевое колесо
Насос усилителя рулевого управления
Насос усилителя рулевого управления
Трубопроводы усилителя рулевого управления
Трубопроводы усилителя рулевого управления
Трубопроводы рулевого управления
Педаль акселератора
Узел педалей
Узел педалей
Элементы тормозной системы
Клапаны системы ABS
Тормозная система, задние элементы
Пневматические тормозные цилиндры
Тормозная система, передние элементы
Пневматическая тормозная система
Пневматическая тормозная система
Пневматическая система ретардера
Трубопроводы
Трубопроводы стояночного тормоза
Трубопроводы тормозных цилиндров
Система трубопроводов кабина/шасси
Пневматические трубопроводы
Соединения тормозной системы
Соединительная пластина
Передняя система трубопроводов
Элементы пневматической системы на раме
Педаль моторного тормоза
Воздушный компрессор
Воздушный компрессор
Электрооборудование двигателя
Генератор
Генератор
Проводка двигателя
Электропроводка на раме
Электропроводка EBS на раме
Элементы системы ABS/EBS
Электрооборудование на раме
Электрооборудование на раме
Предохранители и реле
Электрооборудование кабины
Электрооборудование интардера
Электрооборудование кабины
Электрооборудование кабины
Предохранители и реле
Электрооборудование кабины
Электрооборудование кабины
Детали тахографа
Управление системой отбора мощности
Управление механизмом отбора мощности
Управление механизмом отбора мощности
Коробка отбора мощности задняя
Механизм отбора мощности задний
2
4
5
9
13
14
16
18
20
23
23
24
24
24
26
26
27
33
41
45
48
50
54
55
57
59
62
64
65
66
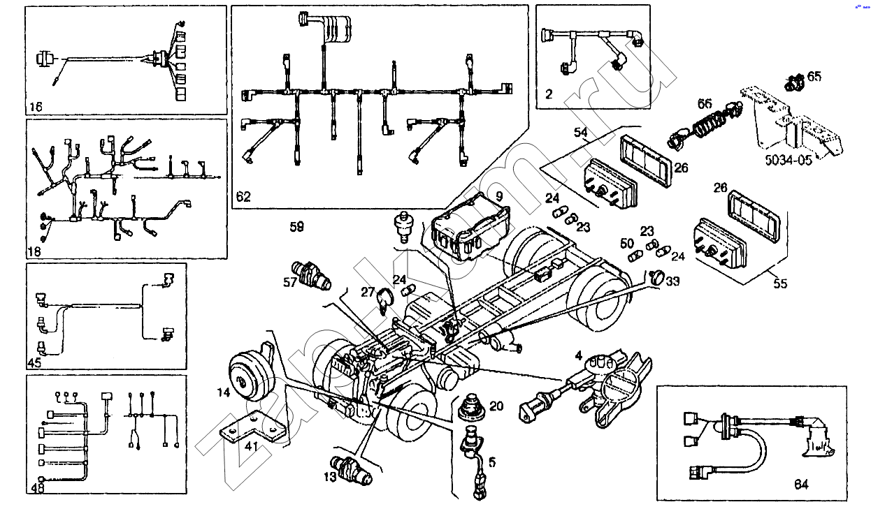
Поз.
Артикул
Название детали
440E39
2
41023419
Провод
1
4
99449300
Реле
1
5
99444891
Ножной переключатель моторного тормоза
1
9
99462174
Распределительная коробка
1
13
4859490
Включение стартера
1
14
41040162
Гудок
1
16
41209009
Провод
1
18
41209000
Провод шасси
1
20
99459739
Гофр
1
23
10860790
Лампа освещения 24В, 5Вт
1
24
14148290
Лампа 24Вт 21В
1
26
93161844
Стекло заднего фонаря левое и правое
2
27
98412303
Прожектор
1
33
42073885
Пистон
4
41
41040020
Опора
1
45
8189193
Жгут электропроводки
1
48
41207382
Провод
1
50
14149490
Лампа 24Вт 10В
1
54
99463242
Задний фонарь
1
55
99463244
Задний фонарь
1
57
99447001
Выключатель останова двигателя
1
59
4854770
Электронный датчик для коробки передач "ZF"
1
62
41209244
Провод
1
64
41200440
Провод
1
65
98491404
Гнездо разъема
1
66
500302662
Провод на тягач-прицеп, 15-жильныи
1
Содержащиеся в справочниках-каталогах запасные части и детали не предлагаются к продаже, а носят исключительно информационный характер
Дополнительная информация
×
Название:
Номер:
Примечание:
Войти
Имя пользователя
Пароль
Забыли пароль?
Запомнить меня
Войти
Поиск товаров
Поиск товаров
Корзина покупок