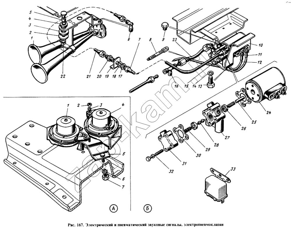
Электрический и пневматический звуковые сигналы, электропневмоклапан
/ КамАЗ 4310

1
1
2
2
3
3
4
4
5
5
6
6
7
7
8
9
10
11
12
13
14
15
16
17
18
19
20
21
22
23
24
25
26
27
28
29
30
31
32
33
Поз. | Артикул | Название детали | Кол-во | |
---|---|---|---|---|
4310-3721473 | 4310-3721473 | Трубка от штуцера к пневмосигналу | 1 | |
1/38358/71 | 1/38358/71 | Болт М6-6gх10 | 1 | |
864822 | 864822 | Угольник ввертной | 2 | |
5320-3721567 | 5320-3721567 | Трубка от тройника крана к клапану пневмосигнала | 1 | |
4310-3721469 | 4310-3721469 | Трубка от клапана пневмосигнала к штуцеру (Б) | 1 | |
5320-3730570 | 5320-3730570 | Реле электродвигателей отопителя в сборе | 1 | |
864815 | 864815 | Муфта 8 конусная | 2 | |
864815 | 864815 | Муфта 8 конусная | 2 | |
5320-3721511 | 5320-3721511 | Клапан (Б) | 2 | |
1/38358/71 | 1/38358/71 | Болт М6-6gх10 | 2 | |
1/40969/00 | 1/40969/00 | Гайка М6 | 1 | |
1/40969/00 | 1/40969/00 | Гайка М6 | 2 | |
864811 | 864811 | Гайка накидная М14х1,5-6Н | 2 | |
864815 | 864815 | Муфта 8 конусная | 2 | |
864811 | 864811 | Гайка накидная М14х1,5-6Н | 2 | |
864897 | 864897 | Гайка накидная | 2 | |
1 | 5320-3721252 | Сигнал звуковой высокого тона в сборе | 1 | |
1 | 5320-3721410 | Сигнал пневматический в сборе | 1 | |
2 | 1/58962/11 | Гайка ЕМ6-6Н | 4 | |
2 | 1/26462/01 | Шайба плоская 8,45х35х3 | 2 | |
3 | 5320-3721466 | Шайба буферная (Б) | 2 | |
3 | 1/05164/77 | Шайба 6 пружинная | 4 | |
4 | 5320-3721467 | Втулка буферная | 2 | |
4 | 5320-3721250 | Сигнал звуковой среднего тона в сборе | 1 | |
5 | 5320-3721465 | Втулка распорная кронштейна сигнала | 2 | |
5 | 5320-3721254 | Кронштейн звуковых сигналов в сборе | 1 | |
6 | 864822 | Угольник ввертной | 1 | |
6 | 1/05166/77 | Шайба 8 пружинная | 2 | |
7 | 1/61008/11 | Гайка М8х1,25-6Н | 2 | |
7 | 4310-3721468 | Трубка от клапана пневмосигнала к штуцеру в сборе | 1 | |
8 | 5320-3724677 | Хомут крепления провода | ||
9 | 864341 | Пробка КГ 1/8" | 1 | |
10 | 5320-3721563 | Кронштейн клапана пневмосигнала | 1 | |
11 | 5320-3724208 | Провод массы электромагнитного клапана | ||
12 | 5320-3724093 | Провод электропневмоклапана пневмосигнала | ||
13 | 1/59705/21 | Болт М10х1,25-6gх20 | 2 | |
14 | 1/05168/77 | Шайба 10 пружинная | 2 | |
15 | 5320-3721500 | Клапан пневмосигнала с электромагнитом в сборе | 1 | |
16 | 864892 | Тройник ввертной симметричный | 1 | |
17 | 1/07913/11 | Гайка низкая М14х1,5-6Н | 1 | |
18 | 1/05171/77 | Шайба 14 пружинная | 1 | |
19 | 5320-3721475 | Кронштейн проходного штуцера | 1 | |
20 | 864898 | Штуцер фланцевый проходной | 1 | |
21 | 4310-3721472 | Трубка от штуцера к пневмосигналу в сборе | 1 | |
22 | 251645 | Гайка М8-6Н ОСТ 37.001.197-75 | 2 | |
23 | 5320-3721566 | Трубка от тройника крана моторного тормоза к клапану пневмосигнала в сборе | 1 | |
24 | 5320-3721560 | Электромагнит типа РС230 | 1 | |
25 | 5320-3721533 | Шток электромагнита | 1 | |
26 | 5320-3721510 | Клапан в сборе | 2 | |
27 | 5320-3721531 | Корпус клапана | 1 | |
28 | 5320-3721537 | Шток клапана | 1 | |
29 | 5320-3721534 | Пружина | 2 | |
30 | 5320-3721507 | Прокладка уплотнительная | 2 | |
31 | 5320-3721505 | Крышка корпуса клапана | 1 | |
32 | 1/38521/11 | Болт с пружинной шайбой в сборе | 4 | |
33 | 5320-3721300 | Сигнализатор звуковой в сборе | 1 |
Содержащиеся в справочниках-каталогах запасные части и детали не предлагаются к продаже, а носят исключительно информационный характер