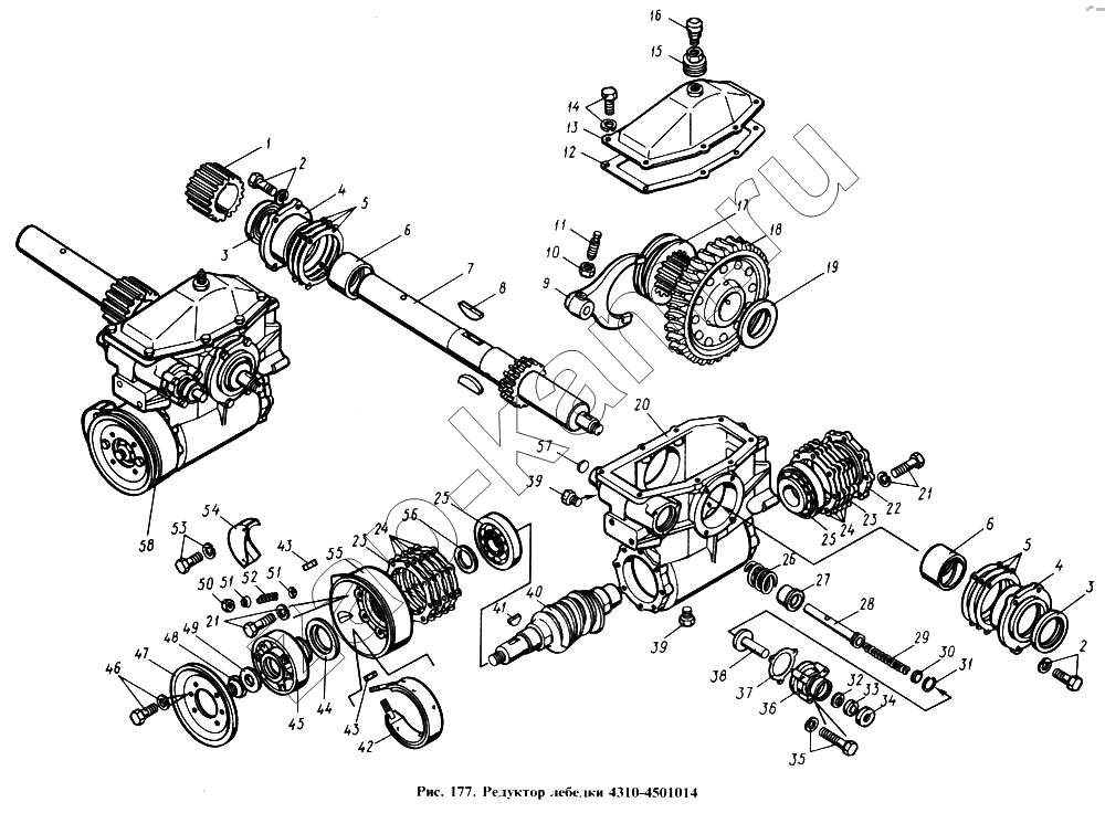
Редуктор лебедки
/ КамАЗ 4310

1
2
2
3
3
3
3
4
4
4
4
5
5
5
5
5
5
5
5
5
5
6
6
6
6
7
8
9
10
11
12
13
14
15
16
17
18
19
20
21
21
21
22
23
23
23
23
24
24
24
24
24
24
24
24
24
24
24
24
24
24
24
24
25
25
25
25
26
27
28
29
30
31
32
33
34
35
36
37
38
39
39
40
41
42
43
43
44
45
46
47
48
49
50
51
51
52
53
54
55
56
57
58
Поз. | Артикул | Название детали | Кол-во | |
---|---|---|---|---|
853558 | 853558 | Бонка | 1 | |
4310-4501030 | 4310-4501030 | Вал барабана в сборе | 1 | |
4310-4501036 | 4310-4501036 | Венец | 1 | |
1/37775/00 | 1/37775/00 | Заклепка | 6 | |
1/29965/00 | 1/29965/00 | Заклепка | 12 | |
864002 | 864002 | Клапан | 1 | |
864003 | 864003 | Колпачок клапана (453576512) | 1 | |
864756 | 864756 | Кольцо внутреннее с сепаратором и роликами в сборе | 1 | |
864756 | 864756 | Кольцо внутреннее с сепаратором и роликами в сборе | 1 | |
864755 | 864755 | Кольцо подшипника наружное | 1 | |
864755 | 864755 | Кольцо подшипника наружное | 1 | |
4310-4501080 | 4310-4501080 | Крышка подшипника в сборе | 1 | |
4310-4501160 | 4310-4501160 | Лента в сборе | 1 | |
864159 | 864159 | Манжета в сборе | 1 | |
864159 | 864159 | Манжета в сборе | 1 | |
864159 | 864159 | Манжета в сборе | 1 | |
4310-4501170 | 4310-4501170 | Накладка | 1 | |
864161 | 864161 | Пружина сальника | 1 | |
864161 | 864161 | Пружина сальника | 1 | |
864161 | 864161 | Пружина сальника | 1 | |
864004 | 864004 | Пружина | 1 | |
4310-4501026 | 4310-4501026 | Стакан в сборе | 1 | |
4310-4501024 | 4310-4501024 | Стакан с втулкой | 1 | |
4310-4501024 | 4310-4501024 | Стакан с втулкой | 1 | |
4310-4501037 | 4310-4501037 | Ступица | 1 | |
853643 | 853643 | Шайба плоская специальная 2,5х6,2 | 1 | |
864001 | 864001 | Штуцер клапана | 1 | |
1 | 4310-4501127 | Втулка | 1 | |
2 | 1/59709/21 | Болт М10х1,25-6gх35 | 4 | |
3 | 864158 | Сальник в сборе | 1 | |
3 | 864158 | Сальник в сборе | 1 | |
4 | 4310-4501028 | Стакан | 1 | |
4 | 4310-4501028 | Стакан | 1 | |
5 | 4310-4501122 | Прокладка | ||
5 | 4310-4501123 | Прокладка | ||
5 | 4310-4501124 | Прокладка | ||
5 | 4310-4501122 | Прокладка | ||
5 | 4310-4501123 | Прокладка | ||
5 | 4310-4501124 | Прокладка | ||
6 | 4310-4501022 | Втулка | 1 | |
6 | 4310-4501022 | Втулка | 1 | |
7 | 4310-4501034 | Вал барабана | 1 | |
8 | 870823 | Шпонка сегментная 10х17х55 | 2 | |
9 | 4310-4503034 | Вилка лебедки | 1 | |
10 | 1/21647/01 | Гайка М10х1,25 | 1 | |
11 | 853350 | Винт установочный М10х1,25-6gх25 | 1 | |
12 | 4310-4501046 | Прокладка | 1 | |
13 | 4310-4501042 | Крышка в сборе | 1 | |
14 | 1/59707/21 | Болт М10х1,25-6gх25 | 8 | |
15 | 864889 | Переходник | 1 | |
16 | 864000 | Клапан предохранительный на давление 0,12-0,24 кг/см2 | 1 | |
17 | 4310-4503020 | Муфта включения | 1 | |
18 | 4310-4501035 | Червячное колесо в сборе | 1 | |
19 | 4310-4501049 | Шайба | 1 | |
20 | 4310-4501020 | Картер | 1 | |
21 | 1/59709/21 | Болт в сборе | 8 | |
21 | 1/59709/21 | Болт М10х1,25-6gх35 | 8 | |
22 | 4310-4501084 | Крышка | 1 | |
23 | 4310-4501098 | Прокладка | 1 | |
23 | 4310-4501098 | Прокладка | 1 | |
24 | 4310-4501067 | Прокладка | ||
24 | 4310-4501068 | Прокладка | ||
24 | 4310-4501069 | Прокладка | ||
24 | 4310-4501070 | Прокладка | ||
24 | 4310-4501067 | Прокладка | ||
24 | 4310-4501068 | Прокладка | ||
24 | 4310-4501069 | Прокладка | ||
24 | 4310-4501070 | Прокладка | ||
25 | 864754 | Подшипник роликовый конический в сборе | 1 | |
25 | 864754 | Подшипник роликовый конический в сборе | 1 | |
26 | 5320-2509023 | Пружина возвратная | 1 | |
27 | 4310-4503057 | Стакан | 1 | |
28 | 4310-4503049 | Шток | 1 | |
29 | 5320-2509065 | Пружина нажимная | 1 | |
30 | 5320-2509025 | Крышка стакана механизма блокировки | 1 | |
31 | 862810 | Кольцо упорное | 1 | |
32 | 4310-4503275 | Манжета | 1 | |
33 | 4310-4503273 | Кольцо | 1 | |
34 | 4310-4503277 | Обойма | 1 | |
35 | 1/38264/21 | Болт в сборе | 3 | |
36 | 4310-4503071 | Крышка штока | 1 | |
37 | 4310-4503073 | Прокладка | 1 | |
38 | 4310-4503069 | Палец | 1 | |
39 | 262542 | Пробка КГ1/4" | 2 | |
40 | 4310-4501060 | Червяк | 1 | |
41 | 870817 | Шпонка сегментная 8х11х28 | 1 | |
42 | 4310-4501158 | Лента в сборе | 1 | |
43 | 1/21647/21 | Гайка М10х1,25-6Н | 2 | |
44 | 864158 | Сальник в сборе | 1 | |
45 | 4310-4501150 | Барабан | 1 | |
46 | 1/09021/21 | Болт М6х14 | 2 | |
47 | 4310-4501153 | Отражатель | 1 | |
48 | 853507 | Гайка | 1 | |
49 | 4310-4501131 | Шайба | 1 | |
50 | 1/58962/21 | Гайка | 1 | |
51 | 4310-4501173 | Шайба | 2 | |
52 | 4310-4501172 | Пружина | 1 | |
53 | 1/38242/21 | Болт в сборе | 2 | |
54 | 4310-4501185 | Крышка | 1 | |
55 | 4310-4501085 | Крышка | 1 | |
56 | 4310-4501179 | Прокладка | 1 | |
57 | 1/01589/00 | Заглушка 22 расширяющаяся | 1 | |
58 | 4310-4501014 | Редуктор лебедки в сборе | 1 |
Содержащиеся в справочниках-каталогах запасные части и детали не предлагаются к продаже, а носят исключительно информационный характер