Система охлаждения двигателя
/ КамАЗ 4310

1
2
3
4
5
6
7
8
9
10
10
10
11
12
13
14
15
15
16
16
16
16
17
17
18
19
20
21
21
21
21
21
21
21
22
22
23
24
24
24
24
25
26
26
27
28
29
30
31
31
31
32
33
34
35
36
37
38
39
40
41
41
42
42
43
44
45
46
47
48
49
50
51
52
53
53
53
54
54
55
56
57
58
59
60
61
62
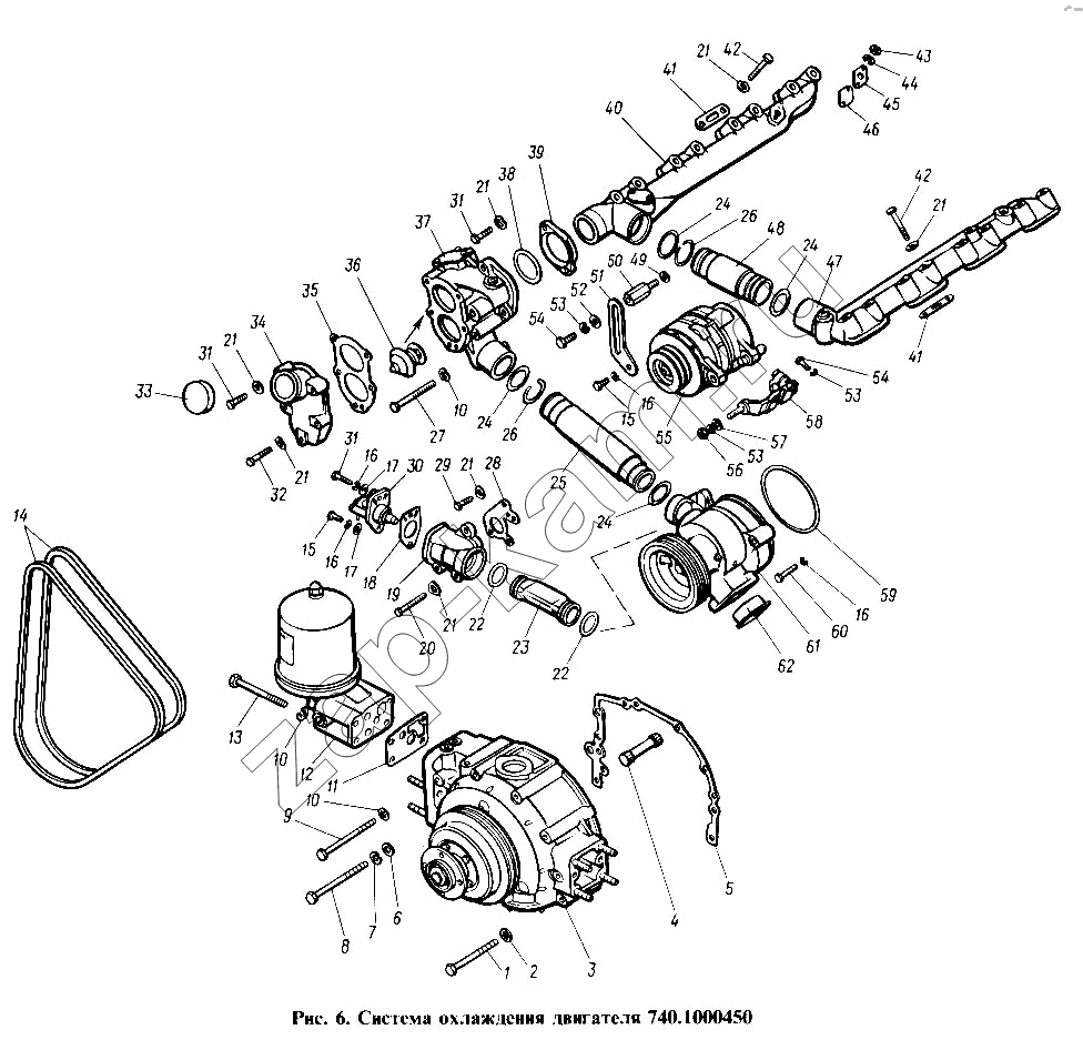
Поз. | Артикул | Название детали | Кол-во | |
---|---|---|---|---|
1 | 1/55418/31 | Болт М12х1,25-6gх120 | 2 | |
2 | 1/26015/73 | Шайба волнистая 12 | 2 | |
3 | 740.1318010 | Гидромуфта привода вентилятора в сборе | 1 | |
4 | 740.1318082 | Вал привода гидромуфты | 1 | |
5 | 740.1002265-10 | Прокладка передней крышки блока | 1 | |
6 | 870628 | Шайба плоская 12х26 | 2 | |
7 | 1/05170/73 | Шайба 12 пружинная | 2 | |
8 | 1/55420/31 | Болт М12х1,25-6gх140 | 2 | |
9 | 1/59726/31 | Болт М10х1,25-6gх140 | 4 | |
10 | 1/26014/73 | Шайба 10 волнистая | 11 | |
11 | 740.1017024-10 | Прокладка корпуса центробежного фильтра | 1 | |
12 | 740.1017010-30 | Фильтр центробежный очистки масла | 1 | |
13 | 1/59722/21 | Болт М10х1,25-6gх120 | 4 | |
14 | 740.1307170-20 | Ремень «стат» 1-8,5х8х1320 | 2 | |
15 | 1/60436/21 | Болт М8-6gх25 | 2 | |
16 | 1/05166/73 | Шайба 8 пружинная | 5 | |
17 | 1/26467/01 | Шайба плоская 8х20х2 | 2 | |
18 | 740.1318218-11 | Прокладка включателя гидромуфты | 1 | |
19 | 740.1303168 | Патрубок подводящей трубы | 1 | |
20 | 1/60445/21 | Болт М8-6gх65 | 2 | |
21 | 1/26013/73 | Шайба 8 волнистая | 26 | |
22 | 740.1303172 | Кольцо уплотнительное | 2 | |
23 | 740.1303152 | Труба подводящая правого блока | 1 | |
24 | 740.1303099 | Кольцо уплотнительное | 4 | |
25 | 740.1303090 | Труба перепускная водяных термостатов | 1 | |
26 | 740.1303272 | Кольцо 48 запорное | 2 | |
27 | 1/59718/21 | Болт М10х1,25-6gх100 | 3 | |
28 | 740.1303024 | Прокладка патрубка подводящей трубы | 1 | |
29 | 1/60438/21 | Болт М8-6gх30 | 1 | |
30 | 740.1318210-01 | Включатель гидромуфты в сборе | 1 | |
31 | 1/60439/21 | Болт М8-6gх35 | 5 | |
32 | 1/60442/21 | Болт М8-6gх50 | 3 | |
33 | 870835 | Заглушка | 1 | |
34 | 740.1303130 | Патрубок водяной коробки | 1 | |
35 | 740.1303214 | Прокладка патрубка водяной коробки | 1 | |
36 | ТС 107-1306100-01 | Термостат в сборе | 2 | |
37 | 740.1303176 | Коробка водяная в сборе | 1 | |
38 | 740.1303018 | Кольцо уплотнительное | 1 | |
39 | 740.1303016 | Фланец соединительный | 1 | |
40 | 740.1303100 | Труба водяная правая в сборе | 1 | |
41 | 740.1303268 | Прокладка | 8 | |
42 | 1/60433/21 | Болт М8х55 | 16 | |
43 | 1/58962/21 | Гайка М6-6Н | 2 | |
44 | 1/05164/73 | Шайба 6 пружинная | 2 | |
45 | 740.3509294 | Фланец трубки | 1 | |
46 | 740.1303128 | Прокладка | 1 | |
47 | 740.1303101 | Труба водяная левая в сборе | 1 | |
48 | 740.1303256 | Труба водяная соединительная | 1 | |
49 | 1/05201/01 | Шайба плоская 14,8х26х3 | 1 | |
50 | 740.3701792 | Проставка планки | 1 | |
51 | 740.3701790 | Планка крепления генератора | 1 | |
52 | 1/26468/01 | Шайба плоская 10,2х25х2 | 1 | |
53 | 1/05168/73 | Шайба 10 пружинная | 4 | |
54 | 1/59707/21 | Болт М10х1,25-6gх25 | 3 | |
55 | 740.3701008-40 | Генератор с пальцем в сборе | 1 | |
56 | 1/21647/21 | Гайка М10х1,25-6Н | 1 | |
57 | 1/26386/01 | Шайба плоская 10,6х18х2 | 1 | |
58 | 740.3701770 | Кронштейн генератора в сборе | 1 | |
59 | 740.1307075 | Кольцо уплотнительное | 1 | |
60 | 1/60444/21 | Болт М8-6gх60 | 3 | |
61 | 740.1307010-02 | Насос водяной в сборе | 1 | |
62 | 740.1307266 | Заглушка водяного насоса | 1 |
Содержащиеся в справочниках-каталогах запасные части и детали не предлагаются к продаже, а носят исключительно информационный характер