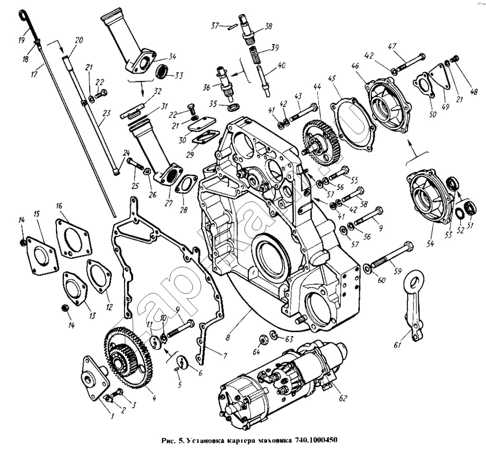
Установка картера маховика
/ КамАЗ 4310

1
2
3
4
5
6
7
8
9
9
10
11
12
13
14
14
15
16
17
18
19
20
21
21
21
22
22
23
24
25
26
27
28
29
30
31
32
33
34
35
36
37
38
39
40
41
41
42
42
42
43
44
45
46
47
48
49
50
51
52
53
54
55
56
56
57
57
58
59
60
61
62
63
64
Поз. | Артикул | Название детали | Кол-во | |
---|---|---|---|---|
1 | 740.1029128 | Ось ведущей шестерни распределительного вала | 1 | |
2 | 870851 | Шайба замковая 10 | 3 | |
3 | 1/59707/31 | Болт М10х1,25-6gх25 | 3 | |
4 | 740.1029114 | Шестерня ведущая в сборе | 1 | |
5 | 870768 | Штифт цилиндрический 5х13 | 1 | |
6 | 740.1029142 | Шайба упорная | 1 | |
7 | 740.1002314-10 | Прокладка картера маховика | 1 | |
8 | 740.1002310 | Картер маховика в сборе | 1 | |
9 | 1/55415/31 | Болт М12х1,25-6gх90 | 7 | |
10 | 870852 | Шайба замковая 12 | 1 | |
11 | 740.1029140 | Шайба упорная в сборе | 1 | |
12 | 740.3407032 | Прокладка насоса гидроусилителя руля | 1 | |
13 | 740.1002522 | Заглушка | 1 | |
14 | 1/21647/21 | Гайка М10х1,25-6Н | 7 | |
15 | 740.1002518 | Заглушка | 1 | |
16 | 740.3509403-10 | Прокладка картера компрессора | 1 | |
17 | 740.1009050 | Указатель уровня масла с уплотнителем в сборе | 1 | |
18 | 740.1009055 | Уплотнитель указателя уровня масла | 1 | |
19 | 740.1009051 | Указатель уровня масла в сборе | 1 | |
20 | 740.1009048-20 | Трубка указателя уровня в сборе | 1 | |
21 | 1/05166/73 | Шайба 8 пружинная | 6 | |
22 | 1/60434/21 | Болт М8-6gх20 | 3 | |
23 | 740.1009049-20 | Трубка указателя уровня | 1 | |
24 | 15.1772052 | Кольцо уплотнительное | 1 | |
25 | 1/60439/21 | Болт М8-6gх35 | 2 | |
26 | 1/26013/73 | Шайба 8 волнистая | 2 | |
27 | 740.1009135 | Патрубок маслоналивной в сборе | 1 | |
28 | 740.1009145-10 | Прокладка маслоналивного патрубка | 1 | |
29 | 740.1014128 | Прокладка сапуна | 1 | |
30 | 740.1014126-20 | Фланец | 1 | |
31 | 5320-1311105 | Прокладка крышки | 1 | |
32 | 5320-1311103-01 | Пробка наливной горловины | 1 | |
33 | 740.1009144 | Сетка | 1 | |
34 | 740.1009138 | Патрубок | 1 | |
35 | 1/02634/60 | Прокладка 22х28х1,5 | 1 | |
36 | 740.1005440-10 | Фиксатор маховика в сборе | 1 | |
37 | 870758 | Штифт 6х36 | 1 | |
38 | 740.1005444 | Корпус фиксатора | 1 | |
39 | 740.1005446 | Пружина фиксатора | 1 | |
40 | 740.1005442-10 | Фиксатор | 1 | |
41 | 1/26386/01 | Шайба плоская 10,6х18х2 | 8 | |
42 | 1/05168/73 | Шайба 10 пружинная | 13 | |
43 | 1/59716/21 | Болт М10х1,25-6gх90 | 7 | |
44 | 740.1029120 | Шестерня ведомая в сборе | 1 | |
45 | 740.1029178 | Прокладка корпуса подшипника | 1 | |
46 | 740.1029175 | Корпус заднего подшипника в сборе | 1 | |
47 | 1/59718/21 | Болт М10х1,25-6gх100 | 5 | |
48 | 1/60432/21 | Болт М8-6gх16 | 3 | |
49 | 14.3802072 | Заглушка | 1 | |
50 | 740.3813856 | Прокладка датчика | 1 | |
51 | 740.1029244 | Манжета | 1 | |
52 | 740.1029242 | Пружина | 1 | |
53 | 740.1029240 | Манжета в сборе | 1 | |
54 | 740.1029176 | Корпус заднего подшипника | 1 | |
55 | 1/55409/21 | Болт М12х1,25-6gх55 | 3 | |
56 | 1/05170/73 | Шайба 12 пружинная | 9 | |
57 | 1/05200/01 | Шайба плоская 12х22х3 | 9 | |
58 | 1/13437/21 | Болт М10х1,25-6gх65 | 1 | |
59 | 1/59821/21 | Болт М16х1,5-6gх140 | 1 | |
60 | 1/05202/01 | Шайба плоская 16,8х28х3 | 1 | |
61 | 740.1002358 | Рым-болт задний | 1 | |
62 | 740.3708000 | Стартер СТ142Б в сборе | 1 | |
63 | 1/05172/77 | Шайба 16 пружинная | 1 | |
64 | 1/21641/11 | Гайка М16х1,5-6Н | 1 |
Содержащиеся в справочниках-каталогах запасные части и детали не предлагаются к продаже, а носят исключительно информационный характер