ЗапКам
zap-kam16@yandex.ru
(900) 323-41-41
Вход / Регистрация отключена
Вход
Избранное
0
по запросу
Каталог
Все товары и категории
Запчасти КАМАЗ
Двигатель
Двигатели в сборе
Евро-0
КамАЗ-4310
Урал-4320
КамАЗ-4350
Евро-1
КамАЗ-43114
Евро-2
КамАЗ-43118
КамАЗ-65115
КамАЗ-6520
Евро-3
Евро-4
Евро-5
Газовые
Блоки цилиндров
Блоки цилиндров Евро-0 КамАЗ
Блоки цилиндров Евро-1 КамАЗ
Блоки цилиндров Евро-2 КамАЗ
Блоки цилиндров Евро-3 КамАЗ
Блоки цилиндров Евро-4,5 КамАЗ Common Rail
Сборочные комплекты (лонг-, шорт-блоки)
Блоки управления
Валы коленчатые
Коленвалы Евро-0 КамАЗ
Коленвалы Евро-1 КамАЗ
Коленвалы Евро-2 КамАЗ
Коленвалы Евро-3 КамАЗ
Коленвалы Евро-4,5 КамАЗ Common Rail
Вкладыши коренные
Евро-3,4,5
Евро-0,1,2
Вкладыши шатунные
Евро-3,4,5
Евро-0,1,2
Валы распредительные
ЦПГ – поршневая
Поршневая Евро-4,-5 (740.602)
Поршневая Евро-2,-3 (740.60)
Поршневая Евро-1,-2 (740.30)
Поршневая Евро-0,1 (740)
Кольца поршневые
ТНВД
Евро-4-5 Common Rail
Евро-3
Евро-2
Евро-1
Евро-0
Система питания
Форсунки топливные
Распылители форсунок
Топливозаборники
ГБЦ
Евро-3,4,5 Common Rail
Евро-1,2,3
Евро-0
Газ
Турбокомпрессоры
ТРК Евро-4,5 (однотурбовые)
Евро-4
Евро-3
Евро-2
Евро-1
Насос водяной
Насос масляный
Маховики
Коробка передач
КПП в сборе
Валы
Валы вторичные
Валы первичные
Валы промежуточные
Шестерни
Синхронизаторы
Делители в сборе
Коробка раздаточная
РК в сборе
РК 6522
Дифференциалы
Валы
Валы первичные
Валы промежуточные
Вилки
Шестерни
Механизмы переключения
Трансмиссия
Мосты
Редукторы в сборе
Заднего моста
Переднего моста
Среднего моста
Зубьев
31, 35
50
49
48
47
46
КамАЗ
4310
43114
43118
4326
5320
53205
65115
43253
53229
6520
6522
4308
65111
65116
65117
55102
55111
53212
53215
54115
5410
5511
Мосты в сборе
Передние
Средние
Задние
6520, 6522 (20т)
65115 (15т)
65111 (15т)
43118 (10т)
43114 / 4310 (8т)
53205 Евро (10т)
5320 (8т)
5511 (10т)
МОД
Мадара
Подвеска в сборе
Ось передняя
Ось в сборе
Ходовая часть
Подвеска (тележка) в сборе
Колеса и шины
Рама
Рессоры
Лебедка
Механизмы управления
Отопление и вентиляция
Система выпуска
Сцепление
Тормоза
Кабина
Управление рулевое
Электрооборудование
Автомобили
КАМАЗ 5490
Двигатель 457
Двигатели в сборе
Сцепление
Кабина
Кузов
Мосты
Рама
Система выпуска
Тормоза
Управление рулевое
Ходовая часть
КАМАЗ К5
Двигатели WeiChai
Двигатели в сборе
Двигатели Р6
Двигатели 910 Р6 в сборе
Кабина
Сцепление
Тормоза
Управление рулевое
Электрооборудование
ZF
КПП ZF в сборе
16S EcoSplit
КПП 16s 1820 TO
КПП 16S 2220
9S Ecomid
12AS Astronic
12TX Traxon
Запчасти 12tx Traxon
Cummins
Двигатели в сборе
Блоки цилиндров
Коленвалы
Головки блока
Генератор
Китайские грузовики
Shaanxi HanDe
Fast Gear
Sitrak
Weichai
FAW
Laizhou Tongji
Европейские грузовики
Mercedes
Электрооборудование
Блоки управления
Блоки управления ADM
Блоки управления CPC4
Блоки управления двигателем
Блоки управления электрооборудованием
Датчики
Стартеры
Карданная передача
Карданы КамАЗ
Коробки отбора мощности
Прицепная техника
ССУ (Седла)
Ремонт
Ремонт двигателей
Ремонт КПП Камаз и ZF
Ремонт раздаток и редукторов
Ремонт кабин
Услуги
Комплектация заявок
Скупка запчастей и агрегатов
Контакты
Отправить заявку
Каталоги запчастей к технике
Грузовые
КамАЗ
4310
Устройство предпусковое подогревательное(2)
Поиск
Устройство предпусковое подогревательное(2)
/ КамАЗ 4310
zoom-in
zoom-out
enlarge
shrink
circle-right
circle-left
file-text2
info
cart
Тип техники
Не выбрано
Грузовые
Двигатели
Марка
Не выбрано
DAF
DongFeng
FAW
Foton
HOWO
IVECO
JAC Motors
MAN
Shaanxi
SITRAK
Volvo
Автокомпонент Плюс
ЗИЛ
КАЗ
КамАЗ
Мадара
НефАЗ
СЗАП
Тонар
УралАЗ
Модель
Не выбрано
4308 (2004)
4308 (2008)
4308 (Евро 3) (2013)
4308 (Евро 4) (2012)
4308-C4 (2019)
4308-C4 (2019)
4308-H3 (2019)
4308-R4 (2019)
4310
4310
43101
43114
43118 (2002)
43118 (Евро 4) (2012)
43253 (Часть-1) (2011)
43253 (Часть-2) (2011)
43253, 43255 (Евро-4) (2012)
43255 (Евро-2) (2012)
43255 (Евро-3) (2012)
4326 (2001)
4326 (2003г)
43261 (Евро-1, 2) (2007)
4350 (4х4) (2004)
43501 (4х4) (2007)
43502 (Евро 4) (2013)
45141 (2009)
45142 (2009)
45143 (2009)
5308 (Евро 3) (2012)
5308 (Евро 4) (2013)
5315
5320
53212
53228, 65111 (2004)
53229 (Евро 2) (2010)
5350 (6х6) (2004)
53501 (6х6) (2007)
53504 (6х6) (2007)
5360
53605 (Евро-4) (2013)
5410
54112
5460
5460 (2005)
5490 (2016)
55102
5511 (2003)
6350 (8х8) (2004)
63501 (8х8) (2007)
6450 (8х8) (2007)
6460
6460 (Евро 3, 4) (2013)
6460 (Евро 4) (2013)
65111 (2008)
65111 (Евро 4) (2012)
65115 (2001)
65115 (2009)
65115 (Евро-3) (2013)
65115, 65116 (Евро-4) (2010)
65116 (2006)
6520
6520 (Euro-2, 3) (2009)
6520 (Euro-4) (2012)
6520 (Euro-4) (2016)
65201 (2007)
65201 Евро 2-3 (2016)
6522 (2005)
6522 (Euro-2, 3) (2009)
6522 (Евро-4) (2016)
65226 (2009)
65226 (2013)
6540
KNORR-BREMSE для КамАЗ
Общий (5320, 53212, 5410, 54112, 5511, 55102)
Самосв. установка 6520 (2011)
Схема
>
Не выбрано
Кабина (сварка)
Установка кронштейнов и механизма уравновешивания кабины
Подвеска задняя кабины
Установка цилиндра и трубопроводов опрокидывающего механизма кабины
Рессора кабины
Установка ограничителя подъема кабины
Цилиндр опрокидывающего механизма кабины
Клапан запорный
Насос опрокидывающего механизма кабины и запасного колеса
Насос опрокидывающего механизма кабины и запасного колеса
Запор кабины правый
Запор кабины левый
Основание кабины (пол)
Стеклоочиститель и его привод
Насос водяной очистки стекла
Передок кабины
Панель приборов в сборе
Монтаж и крепление панели приборов
Ящик вещевой
Дверка вещевого ящика
Боковина кабины левая и правая
Задок кабины
Окно задка
Крыша кабины
Люки крыши
Дверь правая (сварка)
Дверь левая (сварка)
Дверь боковая в сборе: правая и левая
Ручка, замок, привод замка, фиксатор двери
Сиденье водителя
Установка сиденья водителя, подвеска и механизмы регулирования
Установка элементов отопления и вентиляции кабины
Кран сливной
Зеркало наружное заднего вида
Ручка входная левая и правая
Пепельница
Козырек противосолнечный правый и левый
Панель облицовочная
Крыло и брызговик
Замок панели
Платформа в сборе
Основание платформы в сборе
Каркас основания платформы в сборе
Борта платформы
Сиденья платформы
Скамейка платформы средняя в сборе
Установка каркаса тента
Каркас тента платформы
Двигатель с оборудованием (основная комплектация)
Установка масляных радиаторов и маслопроводов
Блок цилиндров, картер масляный и фильтр очистки масла
Установка картера маховика
Газораспределительный механизм
Установка вала коленчатого с маховиком
Установка выпускных коллекторов
Установка насоса масляного
Установка и привод ТНВД
Подвеска силового агрегата
Блок цилиндров
Блок цилиндров
Картер маховика
Головка цилиндра
Поршень с шатуном и кольцами в сборе
Вал коленчатый
Маховик
Насос масляный
Фильтр грубой очистки масла
Радиатор масляный двигателя
Кран масляной системы
Вентиляция картера двигателя
Устройство предпусковое подогревательное(1)
Устройство предпусковое подогревательное(2)
Устройство предпусковое подогревательное(3)
Устройство предпусковое подогревательное(4)
Устройство предпусковое подогревательное(5)
Устройство предпусковое подогревательное(6)
Устройство предпусковое подогревательное(7)
Фильтр центробежный очистки масла
Установка электромагнитного клапана
Шестерня ведущая привода распределительного вала и шестерня ведомая привода топливного насоса
Система питания двигателя
Установка впускных коллекторов
Бак топливный, пробка топливного бака
Трубопроводы топливные
Фильтр грубой очистки топлива
Насос топливный низкою давления (ТННД)
Акселератор
Установка воздухоочистителя
Фильтр воздушный
Крышка регулятора верхняя
Державка грузов регулятора, муфта грузов регулятора и рычаги с корректорами регулятора
Насос топливный высокого давления (ТНВД)
Насос топливный высокого давления
Регулятор частоты вращения
Корпус ТНВД в сборе
Корпус ТНВД
Секция ТНВД
Форсунка
Фильтр тонкой очистки топлива
Муфта опережения впрыскивания топлива
Глушитель выхлопа
Система охлаждения двигателя
Радиатор и трубопроводы
Подвеска радиатора
Бачок расширительный и трубопроводы
Кран сливной
Установка уплотнителей радиатора
Хомут
Труба водяная правая и левая
Коробка водяная
Пробка радиатора
Насос водяной
Крыльчатка вентилятора
Управление жалюзи радиатора
Жалюзи радиатора
Бачок расширительный
Гидромуфта привода вентилятора с передней крышкой
Включатель гидромуфты привода вентилятора
Сцепление
Привод управления сцеплением
Усилитель пневмогидравлический привода сцепления (ПГУ)
Коробка передач в сборе
Коробка передач
Валы и шестерни коробки передач
Механизм переключения передач
Привод управления механизмом переключения передач
Привод управления механизмом переключения передач
Опора с рычагом переключения передач
Опора рычага переключения передач
Подвеска раздаточной коробки
Коробка раздаточная с коробкой отбора мощности в сборе
Вал первичный раздаточной коробки
Вал промежуточный раздаточной коробки
Дифференциал раздаточной коробки
Картер привода переднего моста
Механизм включения низшей передачи раздаточной коробки
Механизм включения высшей передачи раздаточной коробки
Вал карданный заднего моста с карданами в сборе
Вал карданный основной с карданами в сборе
Вал карданный переднего моста карданами в сборе
Вал карданный среднего моста с карданами в сборе
Мост передний в сборе
Главная передача переднего моста
Дифференциал и полуоси переднего моста
Кулак поворотный переднего моста правый
Кулак поворотный переднего моста левый
Мост задний в сборе
Картер заднего моста
Передача главная заднего моста
Дифференциал и полуоси заднего моста
Мост промежуточный в сборе
Картер промежуточного моста
Главная передача промежуточного моста
Рама в сборе
Буфер передний и буфер задний
Установка передней подвески
Амортизатор передней подвески с пальцами в сборе
Установка задней подвески (в сборе)
Установка задней подвески
Рессора задняя
Кронштейн балансира с осью
Башмак рессоры с втулками и сальником
Штанга реактивная с пальцами
Колеса, ступицы колес
Установка держателя запасного колеса
Держатель запасного колеса
Шины в сборе
Кран управления давлением системы накачивания шин
Подвод воздуха к шинам
Трубопроводы системы накачивания шин
Управление рулевое в сборе
Редуктор угловой в сборе
Колесо рулевое, крепление рулевого управления
Насос гидроусилителя руля
Радиатор масляный рулевого управления и трубопроводы
Тяги рулевые
Клапан управления гидроусилителем руля
Тормоза рабочие передние
Тормоза рабочие задние
Педаль тормозная и привод
Компрессор пневмотормозов
Патрубок со шлангом
Водоотделитель пневмопривода тормозной системы
Регулятор давления пневмотормозов
Ресиверы пневмотормозов
Кран тормозной двухсекционный
Клапан защитный тройной
Клапан защитный одинарный
Клапан контрольного вывода
Клапан ускорительный
Камера тормозная (тип 24)
Камера тормозная с пружинным энергоаккумулятором (тип 20/20)
Кран разобщительный в сборе
Головка соединительная типа "Палм"
Клапан и управление тормозами прицепа с двухпроводным приводом
Клапаны управления тормозами прицепа с однопроводным приводом в сборе
Кран тормозной с ручным управлением в сборе
Краны аварийного растормаживания стояночного тормоз
Клапан двухмагистральный перепускной
Установка и привод тормоза вспомогательного
Цилиндр вспомогательного тормоза пневматический
Цилиндр выключения подачи топлива пневматический
Генератор
Кронштейн крепления генератора
Установка аккумуляторных батарей и выключателя массы
Стартер
Переключатель комбинированный в сборе
Панель выключателей
Электрооборудование
Фары, фонари передние
Установка приборов освещения на кабине
Установка задних фонарей
Электрический и пневматический звуковые сигналы, электропневмоклапан
Прожектор, прерыватель указателей поворота
Электрооборудование подогревателя
Щиток приборов
Устройство тягово-сцепное. Подгруппа 2707
Установка коробки отбора мощности
Коробка отбора мощности
Камера включения коробки отбора мощности в сборе
Установка лебедки
Редуктор лебедки
Тросоукладчик лебедки, барабан троса и поперечина
Ролик опорный малый в сборе
Ролики, направляющие, трос лебедки в сборе
Ролик опорный троса лебедки
Ролики троса лебедки передние в сборе
Валы карданные лебедки
Тросоукладчик лебедки в сборе
Инструмент водителя и принадлежности
Бачки, банки, канистры
Как пользоваться каталогом
Техническая характеристика
Автомобиль в сборе
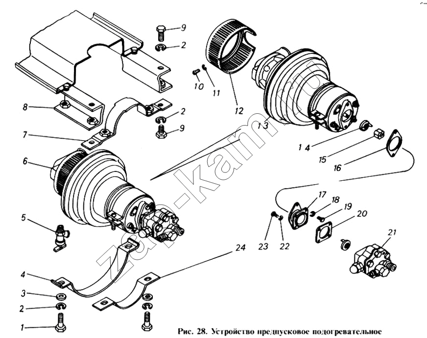
1
2
2
2
3
4
5
6
6
7
8
9
9
10
11
12
13
14
15
16
17
18
19
20
21
22
23
24
Поз.
Артикул
Название детали
Кол-во
ПДЖ-600-1015247
ПДЖ-600-1015247
Болт
4
222470
222470
Винт М4х0,7-6gх8
3
6.65Г.05
6.65Г.05
Шайба пружинная
2
252132
252132
Шайба пружинная
3
252133
252133
Шайба пружинная
4
201418
201418
Болт М6-6gх16
2
1
1/59709/21
Болт М10х1,25-6gх35
4
2
1/05168/77
Шайба 10 пружинная
10
3
1/26386/71
Шайба плоская
4
4
5320-1015179
Хомут левый
1
5
5320-8105010
Кран сливной в сборе
1
6
5320-1015154
Агрегат насосный в сборе
1
6
ПЖД-30-1015200-02
Агрегат насосный в сборе
1
7
5320-1015188
Опора в сборе
1
8
5320-1015166
Кронштейн в сборе
2
9
1/59707/21
Болт М10х1,25-6gх25
6
10
1/03747/01
Винт М4-6gх8
3
11
1/11953/77
Шайба 4 пружинная
2
12
ПЖД-600-1015212-А
Сетка в сборе
1
13
ПЖД-30-1015210-12
Нагнетатель в сборе
1
14
ПЖД-30-1015265-20
Полумуфта
2
15
ПЖД-30-1015269
Муфта конусная
1
16
ПЖД-30-1015270
Прокладка электродвигателя
1
17
ПЖД-30-1015264
Переходник
1
18
1/11954/77
Шайба 5 пружинная
4
19
1/09776/21
Болт М5-6gх12
4
20
ПЖД-600-1015268
Прокладка
1
21
ПЖД-30-1015251-01
Насос топливный в сборе
1
22
1/05164/77
Шайба 6 пружинная
2
23
1/09022/21
Болт ТЕМ6-6gх16
2
24
5320-1015178
Хомут
1
Содержащиеся в справочниках-каталогах запасные части и детали не предлагаются к продаже, а носят исключительно информационный характер
Дополнительная информация
×
Название:
Номер:
Примечание:
Войти
Имя пользователя
Пароль
Забыли пароль?
Запомнить меня
Войти
Поиск товаров
Поиск товаров
Корзина покупок