ЗапКам
zap-kam16@yandex.ru
(900) 323-41-41
Вход / Регистрация отключена
Вход
Избранное
0
по запросу
Каталог
Все товары и категории
Запчасти КАМАЗ
Двигатель
Двигатели в сборе
Евро-0
КамАЗ-4310
Урал-4320
КамАЗ-4350
Евро-1
КамАЗ-43114
Евро-2
КамАЗ-43118
КамАЗ-65115
КамАЗ-6520
Евро-3
Евро-4
Евро-5
Газовые
Блоки цилиндров
Блоки цилиндров Евро-0 КамАЗ
Блоки цилиндров Евро-1 КамАЗ
Блоки цилиндров Евро-2 КамАЗ
Блоки цилиндров Евро-3 КамАЗ
Блоки цилиндров Евро-4,5 КамАЗ Common Rail
Сборочные комплекты (лонг-, шорт-блоки)
Блоки управления
Валы коленчатые
Коленвалы Евро-0 КамАЗ
Коленвалы Евро-1 КамАЗ
Коленвалы Евро-2 КамАЗ
Коленвалы Евро-3 КамАЗ
Коленвалы Евро-4,5 КамАЗ Common Rail
Вкладыши коренные
Евро-3,4,5
Евро-0,1,2
Вкладыши шатунные
Евро-3,4,5
Евро-0,1,2
Валы распредительные
ЦПГ – поршневая
Поршневая Евро-4,-5 (740.602)
Поршневая Евро-2,-3 (740.60)
Поршневая Евро-1,-2 (740.30)
Поршневая Евро-0,1 (740)
Кольца поршневые
ТНВД
Евро-4-5 Common Rail
Евро-3
Евро-2
Евро-1
Евро-0
Система питания
Форсунки топливные
Распылители форсунок
Топливозаборники
ГБЦ
Евро-3,4,5 Common Rail
Евро-1,2,3
Евро-0
Газ
Турбокомпрессоры
ТРК Евро-4,5 (однотурбовые)
Евро-4
Евро-3
Евро-2
Евро-1
Насос водяной
Насос масляный
Маховики
Коробка передач
КПП в сборе
Валы
Валы вторичные
Валы первичные
Валы промежуточные
Шестерни
Синхронизаторы
Делители в сборе
Коробка раздаточная
РК в сборе
РК 6522
Дифференциалы
Валы
Валы первичные
Валы промежуточные
Вилки
Шестерни
Механизмы переключения
Трансмиссия
Мосты
Редукторы в сборе
Заднего моста
Переднего моста
Среднего моста
Зубьев
31, 35
50
49
48
47
46
КамАЗ
4310
43114
43118
4326
5320
53205
65115
43253
53229
6520
6522
4308
65111
65116
65117
55102
55111
53212
53215
54115
5410
5511
Мосты в сборе
Передние
Средние
Задние
6520, 6522 (20т)
65115 (15т)
65111 (15т)
43118 (10т)
43114 / 4310 (8т)
53205 Евро (10т)
5320 (8т)
5511 (10т)
МОД
Мадара
Подвеска в сборе
Ось передняя
Ось в сборе
Ходовая часть
Подвеска (тележка) в сборе
Колеса и шины
Рама
Рессоры
Лебедка
Механизмы управления
Отопление и вентиляция
Система выпуска
Сцепление
Тормоза
Кабина
Управление рулевое
Электрооборудование
Автомобили
КАМАЗ 5490
Двигатель 457
Двигатели в сборе
Сцепление
Кабина
Кузов
Мосты
Рама
Система выпуска
Тормоза
Управление рулевое
Ходовая часть
КАМАЗ К5
Двигатели WeiChai
Двигатели в сборе
Двигатели Р6
Двигатели 910 Р6 в сборе
Кабина
Сцепление
Тормоза
Управление рулевое
Электрооборудование
ZF
КПП ZF в сборе
16S EcoSplit
КПП 16s 1820 TO
КПП 16S 2220
9S Ecomid
12AS Astronic
12TX Traxon
Запчасти 12tx Traxon
Cummins
Двигатели в сборе
Блоки цилиндров
Коленвалы
Головки блока
Генератор
Китайские грузовики
Shaanxi HanDe
Fast Gear
Sitrak
Weichai
FAW
Laizhou Tongji
Европейские грузовики
Mercedes
Электрооборудование
Блоки управления
Блоки управления ADM
Блоки управления CPC4
Блоки управления двигателем
Блоки управления электрооборудованием
Датчики
Стартеры
Карданная передача
Карданы КамАЗ
Коробки отбора мощности
Прицепная техника
ССУ (Седла)
Ремонт
Ремонт двигателей
Ремонт КПП Камаз и ZF
Ремонт раздаток и редукторов
Ремонт кабин
Услуги
Комплектация заявок
Скупка запчастей и агрегатов
Контакты
Отправить заявку
Каталоги запчастей к технике
Грузовые
КамАЗ
43118 (Евро 4)
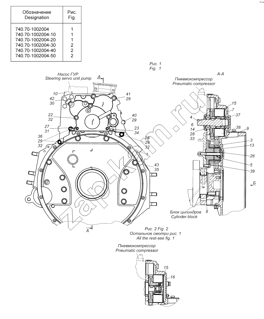
740.70-1002004 Установка картера маховика
Поиск
740.70-1002004 Установка картера маховика
/ КамАЗ 43118 (Евро 4)
zoom-in
zoom-out
enlarge
shrink
circle-right
circle-left
file-text2
info
cart
Тип техники
Не выбрано
Грузовые
Двигатели
Марка
Не выбрано
DAF
DongFeng
FAW
Foton
HOWO
IVECO
JAC Motors
MAN
Shaanxi
SITRAK
Volvo
Автокомпонент Плюс
ЗИЛ
КАЗ
КамАЗ
Мадара
НефАЗ
СЗАП
Тонар
УралАЗ
Модель
Не выбрано
4308 (2004)
4308 (2008)
4308 (Евро 3) (2013)
4308 (Евро 4) (2012)
4308-C4 (2019)
4308-C4 (2019)
4308-H3 (2019)
4308-R4 (2019)
4310
4310
43101
43114
43118 (2002)
43118 (Евро 4) (2012)
43253 (Часть-1) (2011)
43253 (Часть-2) (2011)
43253, 43255 (Евро-4) (2012)
43255 (Евро-2) (2012)
43255 (Евро-3) (2012)
4326 (2001)
4326 (2003г)
43261 (Евро-1, 2) (2007)
4350 (4х4) (2004)
43501 (4х4) (2007)
43502 (Евро 4) (2013)
45141 (2009)
45142 (2009)
45143 (2009)
5308 (Евро 3) (2012)
5308 (Евро 4) (2013)
5315
5320
53212
53228, 65111 (2004)
53229 (Евро 2) (2010)
5350 (6х6) (2004)
53501 (6х6) (2007)
53504 (6х6) (2007)
5360
53605 (Евро-4) (2013)
5410
54112
5460
5460 (2005)
5490 (2016)
55102
5511 (2003)
6350 (8х8) (2004)
63501 (8х8) (2007)
6450 (8х8) (2007)
6460
6460 (Евро 3, 4) (2013)
6460 (Евро 4) (2013)
65111 (2008)
65111 (Евро 4) (2012)
65115 (2001)
65115 (2009)
65115 (Евро-3) (2013)
65115, 65116 (Евро-4) (2010)
65116 (2006)
6520
6520 (Euro-2, 3) (2009)
6520 (Euro-4) (2012)
6520 (Euro-4) (2016)
65201 (2007)
65201 Евро 2-3 (2016)
6522 (2005)
6522 (Euro-2, 3) (2009)
6522 (Евро-4) (2016)
65226 (2009)
65226 (2013)
6540
KNORR-BREMSE для КамАЗ
Общий (5320, 53212, 5410, 54112, 5511, 55102)
Самосв. установка 6520 (2011)
Схема
>
Не выбрано
43118-1000250-20 Агрегат силовой 740.662-300 укомплектованный для установки на автомобиль
53501-1000250 Агрегат силовой 740.622-280 укомплектованный для установки на автомобиль
740.662-1000302 Агрегат силовой 740.662-300
740.622-1000302-10 Агрегат силовой 740.622-280
740.662-1000402 Двигатель с оборудованием 740.662-300
740.622-1000402-10 Двигатель с оборудованием 740.662-280
65116-1001000 Установка кронштейнов силового агрегата
43118-1001005 Установка силового агрегата
53229-1001015 Кронштейн передней опоры
5320-1001062-10 Башмак задней опоры силового агрегата
740.70-1002004 Установка картера маховика
740.70-1002010 Блок цилиндров
740.21-1002011 Блок цилиндров
740.1002080 Заглушка водяной полости
740.63-1002260 Крышка блока цилиндров передняя
740.70-1002310 Картер маховика
740.90-1003000 Установка головок цилиндра и механизма газораспределения
740.90-1003010 Головка цилиндра с клапанами
740.1003035 Втулка с кольцами
740.60-1004000-96 Установка цилиндропоршневой группы и форсунок охлаждения поршня
740.60-1004010-42 Поршень с шатуном и кольцами
740.1004045 Шатун
740.60-1004065 Установка форсунки охлаждения поршня
740.62-1005007 Установка коленчатого вала
740.62-1005008 Вал коленчатый
7406.1005031 Шестерня коленчатого вала
740.21-1005059-10 Установка гасителя крутильных колебаний и полумуфты отбора мощности
740.60-1005100-20 Установка маховика
740.50-1005115-10 Маховик
740.70-1005200 Установка привода отбора мощности переднего
740.70-1005500-10 Привод агрегатов
7406.1005250 Корпус подшипника
740.30-1005535 Вал отбора мощности
740.21-1006010 Распределительный вал
740.60-1008000-10 Установка газопровода
7406.1009001 Установка картера масляного
740.50-1009048 Трубка указателя уровня с кольцом
740.60-1011001 Установка маслянного насоса
740.60-1011005 Насос масляный с маслозаборником
740.60-1011010 Масляный насос с шестерней
740.11-1011014-02 Насос масляный
740.11-1011016-01 Крышка с клапаном
740.1011018-51 Корпус насоса
740.11-1011019-01 Крышка масляного насоса
740.1011030-50 Шестерня ведомая масляного насоса
740.90-1012001 Установка фильтра и теплообменника
740.90-1012006 Фильтр масляный с теплообменником
7406.1012010 Фильтр очистки масла
7406.1012015 Корпус масляного фильтра
740.20-1012068 Колпак масляного фильтра
740.90-1013200 Теплообменник маслянный
740.63-1014100 Установка системы вентиляции
65115-1015265 Бачок топливный
740.70-1022800 Установка магнитного клапана и штифтовых факельных свечей
740.70-1029115 Шестерня ведущая
740.65-1029120 Вал привода ТНВД
740.30-1029125 Ось ведущей шестерни
740.37-1029170 Корпус манжеты
740.51-1029175 Корпус заднего подшипника
53501-1100015-42 Установка топливных баков и топливопроводов
53215-1101010-07 Бак топливный
65115-1104004-70 Установка топливопроводов
5350-1105005 Установка фильтра грубой очистки топлива
740.70-1104000 Установка топливопроводов
5350-1109001-10 Установка воздушного фильтра
5350-1109003-20 Установка воздухоочистителя мультициклонного
5350-1109005-20 Воздухоочиститель с кронштейнами
65116-1109048 Установка тройника
5350-1109400-20 Воздухопровод
740.90-1111000 Установка ТНВД
740.90-1111005-10 Редуктор привода ТНВД
740.90-1111010 Корпус редуктора привода ТНВД с подшипником и втулками
740.90-1111020 Крышка редуктора привода ТНВД с подшипником
740.90-1111030-10 Вал редуктора привода ТНВД с подшипниками
740.90-1111040-10 Колесо редуктора привода ТНВД в сборе
740.90-1112000 Установка форсунки
740.90-1115000-10 Установка системы впуска
740.90-1115012-10 Коллектор впускной правый
740.90-1115014-10 Коллектор впускной левый
7406.1115030-20 Патрубок соединительный
7406.1115045-40 Патрубок объединительный
7406.1115110-20 Тройник
7406.1115122-10 Труба подводящая
740.602-1118000-20 Установка турбокомпрессора
740.60-1118010 Турбокомпрессор
7405.1118018 Корпус подшипников с ротором
7405.1118020 Корпус подшипников с подшипниками
7405.1118080 Ротор с колесом компрессора
4326-1200004 Установка системы выпуска
65115-1300023-50 Установка блока охлаждения
5350-1300023-50 Установка блока охлаждения
65115-1301005-50 Блок охлаждения
5350-1301500-50 Установка кожуха защитного радиатора
43118-1301500 Установка кожуха защитного радиатора
7406.1303002 Установка водяных трубж
7406.1303100-10 Труба водяная правая
740.63-1303005-30 Установка корпуса водяных каналов
740.63-1303010-30 Корпус водяных каналов с термостатами
740.63-1307005 Установка водяного насоса
740.63-1307010 Насос водяной
740.65-1307500 Установка привода агрегатов переднего
740.37-1308010 Установка вентилятора
740.62-1308010-20 Установка вентилятора
65222-1311005 Установка расширительного бачка
740.30-1317005 Установка электромагнитной муфты
20.1600010 Сцепление
5350-1600006-30 Установка педали и привода выключения сцепления
6520-1602008 Педаль сцепления с кронштейном и главным цилиндром
6460-1602010 Педаль сцепления
5320-1602510-10 Главный цилиндр управления сцеплением
5320-1602560 Бачок главного цилиндра привода сцепления
5320-1602568 Толкатель поршня главного цилиндра
65115-1700005-30 Установка коробки передач на двигатель
65115-1703005-30 Установка привода управления механизмом переключения передач
142.1703204 Опора рычага переключения передач с рычагом и краном управления
6460-1703520 Тяга реактивная
65111-1800020-21 Коробка раздаточная с коробкой отбора мощности
65111-1802024 Вал первичный раздаточной коробки
65111-1802027-10 Крышка переднего подшипника первичного вала
65111-1802084-10 Вал промежуточный раздаточной коробки
65111-1802104-10 Крышка заднего подшипника промежуточного вала
65111-1802150-10 Дифференциал раздаточной коробки
65111-1802155-10 Обойма дифференциала раздаточной коробки с сателлитами
65111-1802160-10 Обойма дифференциала раздаточной коробки
65111-1802168 Ступица шестерни низшей передачи с втулкой
65111-1802212-10 Крышка заднего подшипника привода заднего моста
65111-1802230-21 Картер привода переднего моста
65111-1802117-10 Крышка переднего подшипника привода переднего моста
65111-1803010 Механизм включения низшей передачи
65111-1803022 Шток включения низшей передачи раздаточной коробки
43118-1800008-20 Установка крепления раздаточной коробки
65111-1800009-34 Установка управления раздаточной коробки
4310-1804010 Кран управления раздаточной коробкой
5320-2511060 Кран включения блокировки
43118-2200001-37 Установка карданных валов
43118-2200001-33 Установка карданных валов
53205-2201011-10 Вал карданный заднего моста
53205-2201017-10 Вал карданный с шарниром
53205-2201020 Шарнир приварной
53205-2201026-10 Крестовина карданного вала
53205-2201050 Вилка скользящая с шарниром
54105-2205011-10 Вал карданный среднего моста
43118-2300022-10 Мост передний
43118-2302010-10 Передача главная переднего моста
43114-2302015 Картер редуктора переднего моста
43114-2302076 Крышка подшипника
43118-2302021 Вал ведущий переднего моста
54115-2402050 Крышка стакана подшипников
53228-2303010-10 Дифференциал переднего моста
4310-2304012 Опора шаровая поворотного кулака
4310-2304029 Корпус поворотного кулака правый
43114-2304081 Цапфа поворотного кулака
4310-2304128 Кольцо упорное кулака шарнира полуоси
43114-2400065-10 Мост задний
43114-2401006 Картер моста с механизмом блокировки
43114-2401081 Цапфа заднего моста
5320-2401114 Клапан со штуцером
43081-2401114 Сапун
53205-2402011-10 Передача главная заднего моста
53205-2402015 Картер редуктора заднего моста
53205-2402021 Вал ведущий заднего моста
5320-2402048 Стакан подшипников
54115-2402050 Крышка стакана подшипников
53205-2402076 Крышка подшипника
5320-2402064-10 Шестерня ведомая коническая
53229-2403011-10 Дифференциал заднего моста
5320-2402108 Стакан подшипников
53212-2403054 Сателлит дифференциала заднего моста с втулкой
55102-2409016 Вилка блокировки
43118-2500065-10 Мост средний
65115-2502011-10 Передача главная среднего моста
5320-2502012 Шестерня ведущая коническая
54115-2502208 Крышка подшипника
65115-2506026 Крышка подшипника
65115-2506010 Дифференциал межосевой
53205-2506054 Сателлит межосевого дифференциала с втулкой
5320-2509010 Механизм блокировки
4310-2707210 Прибор буксирный
4310-2707235 Корпус буксирного прибора с крышкой (комплект)
5320-2707212 Крюк буксирного прибора
43118-2800010 Рама
5320-2800016 Установка кронштейнов
65115-2801003-55 Установка поперечины нижней
43114-2900001 Установка передней подвески
55111-2902012-01 Рессора передняя
43114-2902020 Ушко с втулкой
53228-2900002-10 Установка задней подвески
5322-2912012-98 Рессора задняя
65115-2918050 Кронштейн балансира с осью и со стяжкой
65115-2918052 Кронштейн балансира с осью
55111-2918068 Башмак рессоры с втулками и чашкой
55111-2918070 Башмак рессоры с втулками
4310-2919080 Штанги реактивные с кронштейном и рычагами
5320-2919088-30 Кронштейн верхних реактивных штанг
4310-3101002-20 Установка колес
43118-3101002 Установка колёс
43118-3101011 Колесо с шиной левое
43118-3101012 Колесо 310-533
43118-3102002 Установка защитных дисков
43114-3103010-10 Ступица колеса с барабаном тормоза
43118-3105010 Держатель запасного колеса
5350-3125005-64 Установка трубопроводов к шинному манометру
65224-3122005-64 Установка аппаратов управления давлением воздуха в шинах
5350-3125018-64 Установка трубопроводов к шинному манометру
4310-3400012 Установка рулевого механизма
65115-3407001-10 Установка насоса рулевого усилителя
4310-3407005 Установка насоса рулевого усилителя
4310-3407200-01 Насос рулевого усилителя
6540-3407200 Насос рулевого усилителя
4310-3407212-02 Крышка насоса рулевого усилителя
4310-3414010-10 Тяга сошки с наконечниками
6520-3400004-19 Установка колонки рулевого управления
6520-3406014-19 Установка крана регулировки рулевой колонки
65115-3422010-19 Вал карданный
53205-3422012 Шарнир карданный
65115-3422014-19 Шарнир с втулкой
6520-3444075-19 Колонка рулевого управления с кронштейном
6520-3444008-19 Колонка рулевого управления
6520-3444010-19 Колонка рулевого управления
6520-3400006-19 Установка круиз-контроля
6520-3400002-19 Установка рулевого колеса
5460-3400002-19 Установка рулевого колеса
53205-3400018-30 Установка трубопроводов
53501-3500006-01 Установка пневмопривода тормозов
5460-3500080-05 Установка пневмопривода в кабине
6520-3500014-34 Установка двухсекционного тормозного крана
5320-3514108 Кран тормозной двухсекционный с педалью
100-3514108-10 Кран тормозной двухсекционный
16-3515310 Клапан контрольного вывода
53501-3500013-04 Установка воздушных ресиверов
53229-3501090-40 Колодка тормоза с накладками
43114-3502010-22 Тормоз задний правый
43114-3502012 Суппорт заднего тормоза
5350-3506001 Установка блока управления тормозами передней оси
53501-3506002 Установка управления тармозами задней тележки
53205-3513015 Ресивер
53501-3518010 Блок управления тормозами задней тележки
5350-3518012 Блок управления тормозами второго контура
2233-3518010-20 Ускорительный клапан с глушителем
2233-3522010-10 Клапан управления тормозами прицепа с двухпроводным приводом и глушителем
5350-3506170 Установка охладителя
43255-3511001 Блок подготовки воздуха
65115-3500011-80 Установка осушителя
65115-3531010-80 Установка клапана накачки шин
65115-3509001-03 Установка компрессора
7406.3509003-03 Установка компрессора
7406.3509003-13 Установка компрессора
740.30-3509004-03 Установка компрессора
53205-3509015-20 Компрессор
53205-3509018 Картер компрессора
53205-3509039-20 Головка цилиндра с крышкой
53205-3509088 Крышка задняя в сборе
53205-3509154 Поршень в сборе
43118-3700012-30 Электрооборудование. Расположение на автомобиле
43118-3700012-30 Светотехника
740.60-3701001-10 Установка генератора
740.60-3701001-50 Установка генератора
53228-3703001-85 Установка аккумуляторных батарей
740.60-3708005 Установка стартера и фиксатора
65228-3710002 Установка выключателя коробки отбора мощности
5308-3710004 Установка выключателя аккумуляторной батареи
65118-3710001-30 Установка выключателей
65115-3710007 Установка выключателя ЭФУ
6520-3718001 Установка блока управления корректором фар
5320-3721001-10 Установка звуковых электрических сигналов
65115-3722002 Установка блока предохранителей
43114-3723003-70 Установка розеток прицепа
53205-3723005 Установка розетки переносной лампы
43118-3724002-30 Установка проводов на панели приборов
5320-3737001-01 Установка малогабаритного выключателя массы
740.70-3724050 Установка блока управления
6520-3740001 Установка блока управления ЭФУ
5308-3741001 Установка электрооборудования подогревателя
65111-3741016-70 Установка электрооборудования системы подогрева топлива на панели приборов
65115-3741017 Установка оборудования обогрева зеркал
65115-3741018 Установка электрооборудования обогрева зеркал на кабине
4308-3747001-50 Установка реле
53215-3759001 Установка преобразователя напряжения
740.62-3800001-55 Установка заглушек
5308-3802001 Пломбировка спидометра
5350-3816002 Установка указателя давления воздуха в шинах
5308-3805001 Установка щитка приборов
5308-3805010 Щиток приборов
4308-3830005 Установка датчиков указателя давления воздуха
43114-3830002 Установка датчиков аварийного давления воздуха
65115-3840001 Установка тахографа
53501-4000012-10 АБС. Расположение на автомобиле
43253-4000120-10 АБС. Расположение на панели приборов
43253-4000220-10 АБС. Расположение на кабине
53501-4000320-10 АБС. Расположение на шасси
6520-4000010-74 Система управления двигателем. Расположение на автомобиле
4310-4204010 Коробка отбора мощности
4310-4204360 Камера включения коробки отбора мощности
4310-4500002-03 Установка управления коробкой отбора мощности
43114-4500010 Установка лебедки
4310-4501010 Тросоукладчиклебедки,барабан троса и поперечина
4310-4501014 Редуктор лебедки в сборе
4310-4501230 Траверса вала барабана лебедки
4310-4501280 Ролики направляющие троса лебедки в сборе
4310-4501410 Ролик нажимной троса лебедки с рамкой
43114-4502010-30 Вал карданный лебедки передний
4310-4502110-01 Вал карданный лебедки задний
4310-4502210 Вал карданный промежуточный
4310-4505003 Установка блока лебедки
4310-4505010 Блок лебедки
4310-4511010 Тросоукладчик лебедки в сборе
43253-5000012-16 Кабина в сборе с оперением-Cab with bunk
43114-5000014-44 Кабина с дверями окрашенная
4350-5000079 Установка механизма опрокидывания кабины и запасного колеса
65111-5000079-10 Установка механизма опрокидывания кабины
65222-5000090 Установка пробок и заглушек на кабине
5460-5000121 Установка сиденья водителя
5460-5000122 Установка сиденья пассажира
5460-5000123 Установка среднего сиденья
4310-5004005 Насос механизма опрокидывания кабины
65115-5000007 Установка подвески кабины и ограничителя подъема кабины
65115-5001005 Установка элементов задней подвески кабины
65115-5001006 Установка задней подвески кабины
43114-5002051-10 Установка ограничителя подъема кабины
65115-5000003 Переднее крепление и механизм уравновешивания кабины
53205-5114250 Установка усилителя противоударного
6520-5205001 Установка стеклоочистителя
65115-5206005 Установка ветровых стекол
65115-5208004 Установка омывателя
6560-5300023-10 Установка панели приборов
53205-5310001 Установка ручки передка
6522-5325160 Установка поручней панели приборов
5350-5614200 Установка шумоизоляционного экрана двигателя
4326-5614200 Установка шумоизоляционного экрана двигателя
65115-5603005 Установка стекол окна задка
53205-5713008 Установка вентиляционного люка крыши
65115-6100005 Установка стекол и арматуры двери
53205-6100014 Дверь правая
53205-6100015 Дверь левая
65115-6102005 Установка обивок двери
65115-6104005 Установка стеклоподъемников двери
65115-6104011 Стеклоподъемник двери
65115-6104030 Механизм стеклоподъемника двери
5320-6105011 Установка замков и ручек двери левая
65115-6105011 Установка замков и ручек двери левая
65115-6108005 Установка косынок передка и ограничителя открывания двери
65115-6110005 Установка опускных стекол
65115-6114005 Установка подлокотников двери
54115-6800900-02 Схема подключения пневмосистемы сидений
6460-6800900-02 Схема подключения пневмосистемы сидений
4308-7900010 Радиооборудование. Расположение на панели приборов
4308-7900020 Радиооборудование. Расположение на кабине
4308-8100005-70 Установка системы отопления
65111-8100005-51 Установка системы отопления
4308-8100006 Установка системы отопления в кабине
6520-8100007 Установка шлангов системы отопления
5308-8100007-50 Установка шлангов системы отопления
4308-8101060 Радиатор отопителя
5320-8105160-01 Кран отопления
5350-8106002 Установка топливного бачка и топливопроводов подогревателя
54115-8106001 Установка подогревателя 14TC-01
5320-8118027 Улитка вентилятора с распределителем левая
5320-8118069 Колесо рабочее с электродвигателем
5460-8201002 Установка зеркал заднего вида
6522-8202005 Установка поручней входа
43118-8212008-01 Установка боковых заводских знаков
65115-8212180 Установка маркировки светоотражающей на кабине
53205-8212300 Установка окантовок и уплотнителей
65115-8213005 Установка надоконных полок
43255-8400006 Установка оперения кабины
63501-8401009 Установка облицовочной панели
43118-8403008-30 Установка задней части переднего крыла правая
65115-8405009-50 Установка подножек левая
65115-8405020 Установка подножки дополнительной
43118-8405200 Установка подножки дополнительной
65115-8416007 Нижний пояс «Рестайлинг». Условная сборочная единица.
65115-8416010-50 Установка облицовки буфера
53215-8500005-70 Установка световозвращающей маркировки на платформе
43118-8500008-70 Установка платформы
43118-8500010-70 Платформа
43118-8501010-10 Основание платформы
53215-8502010-73 Борт боковой
53215-8502041-73 Стойка передняя левая
53215-8502060-73 Стойка средняя
53215-8502071-73 Стойка задняя левая
53215-8505029-73 Запор бортов левый
43118-8508008-70 Установка каркаса тента
43118-8508012-70 Установка тента
43118-8508312-70 Установка тента
43118-8511008-70 Установка брызговиков
1
1
1
1
1
1
3
4
5
6
7
8
9
10
13
14
15
15
16
22
23
26
27
28
29
29
29
29
30
31
32
32
32
33
34
35
36
36
37
38
39
40
41
42
43
Поз.
Артикул
Название детали
Кол-во
740.70-1002004-10
740.70-1002004-10
Установка картера маховика
1;
740.70-1002004
740.70-1002004
Установка картера маховика
1;
740.70-1002004-50
740.70-1002004-50
Установка картера маховика
1;
740.70-1002004-40
740.70-1002004-40
Установка картера маховика
1;
740.70-1002004-20
740.70-1002004-20
Установка картера маховика
1;
740.70-1002004-30
740.70-1002004-30
Установка картера маховика
1;
1
740.70-1002310
Картер маховика
1;
1
740.70-1002310-10
Картер маховика
1;
1
740.70-1002310-20
Картер маховика
1;
1
740.70-1002310-30
Картер маховика
1;
1
740.70-1002310-40
Картер маховика
1;
1
740.70-1002310-50
Картер маховика
1;
3
740.70-1029115
Шестерня ведущая
1;
4
740.65-1029120
Вал привода ТНВД
1;
5
740.30-1029125
Ось шестерни ведущей
1;
6
740.37-1029170
Корпус манжеты
1;
7
740.51-1029175
Корпус заднего подшипника
1;
8
740.1002314-10
Прокладка картера маховика
1;
9
740.51-1002324
Крышка люка картера маховика
1;
10
740.1002358
Рым-болт задний
1;
13
7406.1029142
Шайба упорная
1;
14
740.37-1029174
Прокладка корпуса манжеты
1;
15
740.51-1029174
Прокладка корпуса заднего подшипника
1;
16
740.51-1029176-10
Крышка
1;
22
1/59724/31
Болт М10х1,25-6gх130
3;
23
1/55403/21
Болт М12х1,25-6gх25
2;
26
1/55416/31
Болт М12х1,25-6gх100
1;
27
1/61008/11
Гайка М8х1,25-6Н
2;
28
1/21647/21
Гайка М10х1,25-6Н
2;
29
1/26386/01
Шайба плоская 10,6х18х2
8;
30
1/05200/01
Шайба плоская 12х22х3
3;
31
1/05166/73
Шайба 8 пружинная
2;
32
1/05168/73
Шайба 10 пружинная
6;
33
1/05168/73
Шайба 10 пружинная
2;
34
1/05170/73
Шайба 12 пружинная
2;
35
870628
Шайба плоская 12х26
1;
36
853043
Болт М10х1,25-6gх90
3;
37
870353-30
Винт М8-6gx30
6;
38
45104100504390
Гаситель крутильных колебаний
1;
39
45104991006901
Болт М10х1,25-6gx25
3;
40
45104991007400
Болт М10x1,25-6gx50
1;
41
45104991007900
Болт М10x1,25-6gx90
4;
42
45104991006200
Болт М12x1,25-6gx55
3;
43
45104991006500
Болт М 12x1,25-6gx90
10;
Содержащиеся в справочниках-каталогах запасные части и детали не предлагаются к продаже, а носят исключительно информационный характер
Дополнительная информация
×
Название:
Номер:
Примечание:
Войти
Имя пользователя
Пароль
Забыли пароль?
Запомнить меня
Войти
Поиск товаров
Поиск товаров
Корзина покупок