ЗапКам
zap-kam16@yandex.ru
(900) 323-41-41
Вход / Регистрация отключена
Вход
Избранное
0
по запросу
Каталог
Все товары и категории
Запчасти КАМАЗ
Двигатель
Двигатели в сборе
Евро-0
КамАЗ-4310
Урал-4320
КамАЗ-4350
Евро-1
КамАЗ-43114
Евро-2
КамАЗ-43118
КамАЗ-65115
КамАЗ-6520
Евро-3
Евро-4
Евро-5
Газовые
Блоки цилиндров
Блоки цилиндров Евро-0 КамАЗ
Блоки цилиндров Евро-1 КамАЗ
Блоки цилиндров Евро-2 КамАЗ
Блоки цилиндров Евро-3 КамАЗ
Блоки цилиндров Евро-4,5 КамАЗ Common Rail
Сборочные комплекты (лонг-, шорт-блоки)
Блоки управления
Валы коленчатые
Коленвалы Евро-0 КамАЗ
Коленвалы Евро-1 КамАЗ
Коленвалы Евро-2 КамАЗ
Коленвалы Евро-3 КамАЗ
Коленвалы Евро-4,5 КамАЗ Common Rail
Вкладыши коренные
Евро-3,4,5
Евро-0,1,2
Вкладыши шатунные
Евро-3,4,5
Евро-0,1,2
Валы распредительные
ЦПГ – поршневая
Поршневая Евро-4,-5 (740.602)
Поршневая Евро-2,-3 (740.60)
Поршневая Евро-1,-2 (740.30)
Поршневая Евро-0,1 (740)
Кольца поршневые
ТНВД
Евро-4-5 Common Rail
Евро-3
Евро-2
Евро-1
Евро-0
Система питания
Форсунки топливные
Распылители форсунок
Топливозаборники
ГБЦ
Евро-3,4,5 Common Rail
Евро-1,2,3
Евро-0
Газ
Турбокомпрессоры
ТРК Евро-4,5 (однотурбовые)
Евро-4
Евро-3
Евро-2
Евро-1
Насос водяной
Насос масляный
Маховики
Коробка передач
КПП в сборе
Валы
Валы вторичные
Валы первичные
Валы промежуточные
Шестерни
Синхронизаторы
Делители в сборе
Коробка раздаточная
РК в сборе
РК 6522
Дифференциалы
Валы
Валы первичные
Валы промежуточные
Вилки
Шестерни
Механизмы переключения
Трансмиссия
Мосты
Редукторы в сборе
Заднего моста
Переднего моста
Среднего моста
Зубьев
31, 35
50
49
48
47
46
КамАЗ
4310
43114
43118
4326
5320
53205
65115
43253
53229
6520
6522
4308
65111
65116
65117
55102
55111
53212
53215
54115
5410
5511
Мосты в сборе
Передние
Средние
Задние
6520, 6522 (20т)
65115 (15т)
65111 (15т)
43118 (10т)
43114 / 4310 (8т)
53205 Евро (10т)
5320 (8т)
5511 (10т)
МОД
Мадара
Подвеска в сборе
Ось передняя
Ось в сборе
Ходовая часть
Подвеска (тележка) в сборе
Колеса и шины
Рама
Рессоры
Лебедка
Механизмы управления
Отопление и вентиляция
Система выпуска
Сцепление
Тормоза
Кабина
Управление рулевое
Электрооборудование
Автомобили
КАМАЗ 5490
Двигатель 457
Двигатели в сборе
Сцепление
Кабина
Кузов
Мосты
Рама
Система выпуска
Тормоза
Управление рулевое
Ходовая часть
КАМАЗ К5
Двигатели WeiChai
Двигатели в сборе
Двигатели Р6
Двигатели 910 Р6 в сборе
Кабина
Сцепление
Тормоза
Управление рулевое
Электрооборудование
ZF
КПП ZF в сборе
16S EcoSplit
КПП 16s 1820 TO
КПП 16S 2220
9S Ecomid
12AS Astronic
12TX Traxon
Запчасти 12tx Traxon
Cummins
Двигатели в сборе
Блоки цилиндров
Коленвалы
Головки блока
Генератор
Китайские грузовики
Shaanxi HanDe
Fast Gear
Sitrak
Weichai
FAW
Laizhou Tongji
Европейские грузовики
Mercedes
Электрооборудование
Блоки управления
Блоки управления ADM
Блоки управления CPC4
Блоки управления двигателем
Блоки управления электрооборудованием
Датчики
Стартеры
Карданная передача
Карданы КамАЗ
Коробки отбора мощности
Прицепная техника
ССУ (Седла)
Ремонт
Ремонт двигателей
Ремонт КПП Камаз и ZF
Ремонт раздаток и редукторов
Ремонт кабин
Услуги
Комплектация заявок
Скупка запчастей и агрегатов
Контакты
Отправить заявку
Каталоги запчастей к технике
Грузовые
КамАЗ
43253 (Часть-1)
7406.1115000-30 Установка системы впуска
Поиск
7406.1115000-30 Установка системы впуска
/ КамАЗ 43253 (Часть-1)
zoom-in
zoom-out
enlarge
shrink
circle-right
circle-left
file-text2
info
cart
Тип техники
Не выбрано
Грузовые
Двигатели
Марка
Не выбрано
DAF
DongFeng
FAW
Foton
HOWO
IVECO
JAC Motors
MAN
Shaanxi
SITRAK
Volvo
Автокомпонент Плюс
ЗИЛ
КАЗ
КамАЗ
Мадара
НефАЗ
СЗАП
Тонар
УралАЗ
Модель
Не выбрано
4308 (2004)
4308 (2008)
4308 (Евро 3) (2013)
4308 (Евро 4) (2012)
4308-C4 (2019)
4308-C4 (2019)
4308-H3 (2019)
4308-R4 (2019)
4310
4310
43101
43114
43118 (2002)
43118 (Евро 4) (2012)
43253 (Часть-1) (2011)
43253 (Часть-2) (2011)
43253, 43255 (Евро-4) (2012)
43255 (Евро-2) (2012)
43255 (Евро-3) (2012)
4326 (2001)
4326 (2003г)
43261 (Евро-1, 2) (2007)
4350 (4х4) (2004)
43501 (4х4) (2007)
43502 (Евро 4) (2013)
45141 (2009)
45142 (2009)
45143 (2009)
5308 (Евро 3) (2012)
5308 (Евро 4) (2013)
5315
5320
53212
53228, 65111 (2004)
53229 (Евро 2) (2010)
5350 (6х6) (2004)
53501 (6х6) (2007)
53504 (6х6) (2007)
5360
53605 (Евро-4) (2013)
5410
54112
5460
5460 (2005)
5490 (2016)
55102
5511 (2003)
6350 (8х8) (2004)
63501 (8х8) (2007)
6450 (8х8) (2007)
6460
6460 (Евро 3, 4) (2013)
6460 (Евро 4) (2013)
65111 (2008)
65111 (Евро 4) (2012)
65115 (2001)
65115 (2009)
65115 (Евро-3) (2013)
65115, 65116 (Евро-4) (2010)
65116 (2006)
6520
6520 (Euro-2, 3) (2009)
6520 (Euro-4) (2012)
6520 (Euro-4) (2016)
65201 (2007)
65201 Евро 2-3 (2016)
6522 (2005)
6522 (Euro-2, 3) (2009)
6522 (Евро-4) (2016)
65226 (2009)
65226 (2013)
6540
KNORR-BREMSE для КамАЗ
Общий (5320, 53212, 5410, 54112, 5511, 55102)
Самосв. установка 6520 (2011)
Схема
>
Не выбрано
Агрегат силовой, укомплектованный для установки на автомобиль КАМАЗ-43253 (Евро-2)
Агрегат силовой уровня EBPO-3, укомплектованный для установки на автомобиль
Агрегат силовой (КАМАЗ-43253)
65115-1001000-10 Установка кронштейнов силового агрегата
43255-1001000 Установка опор силового агрегата
53229-1001005-10 Установка силового агрегата
43255-1001005-20 Установка силового агрегата
Двигатель с оборудованием 740.31-240 (KAMAZ-43253)
740.21-1002004 Установка-картера маховика
740.1029114 Шестерня, ведущая привода распределительного вала
7405.1029120 Шестерня, ведомая привода топливного насоса
7405.1002310 Картер маховика
740.13-1002010 Блок цилиндров
740.21-1002011 Блок цилиндров
740.1002080 Заглушка водяной полости
740.1003035 Втулка с кольцами
740.21-1003000 Установка головок цилиндра и механизма газораспределения
740.30-1003010 Головка цилиндра с клапанами
740.30-1003014 Головка цилиндра
740.1003434 Заглушка с кольцом
7406.1007091 Стойка коромысел
7406.1007140 Коромысло клапана
740.21-1006010 Распределительный вал
7482.1006036 Корпус подшипника распределительного вала с втулкой
740.31-1004010-42 Поршень с шатуном и кольцами
740.1004045 Шатун
7405.1004120 Установка форсунки охлаждения поршня
7405.1004066 Клапан форсунки охлаждения поршня
740.13-1005007-10 Установка вала коленчатого
740.13-1005008-10 Вал коленчатый
740.21-1005059-10 Установка гасителя крутильных колебаний и полумуфты отбора мощности
7406.1005060-20 Установка шкива коленчатого вала
7406.1005050 Шкив
740.21-1005100-20 Установка маховика и фиксатора
7405.1005115-20 Маховик
7405.1005116 Маховик
740.1005440-10 Фиксатор маховика
7406-1005200 Установка привода отбора мощности переднего
7406.1005500 Привод агрегатов
7406.1002260 Крышка блока цилиндров передняя
7406.1005250 Корпус подшипника
7406.1005535 Вал отбора мощности
7406.1008000 Установка газопровода
740.21-1009001-01 Установка картера масляного
740.1009048-40 Трубка указателя уровня
740.11-1009050-01 Указатель уровня в сборе
740.11-1011001 Установка масляного насоса
740.11-1011005 Масляный насос с маслозаборником
740.11-1011010 Насос масляный с шестерней
740.11-1011014-02 Насос масляный
740.11-1011016-01 Крышка с клапаном
740.11-1011019-01 Крышка масляного насоса
740.1011018-50 Корпус насоса
740.1011030-50 Шестерня ведомая масляного насоса
7406.1011398 Маслозаборник
7406.1012001-30 Установка фильтра и теплообменника
740.20-1012006 Фильтр масляный с теплообменником
740.20-1013200-10 Теплообменник масляный
740.60-1013200 Теплообменник масляный
740.20-1013210, 740.60-1013210 Сердцевина
7406.1012010 Фильтр очистки масла
7406.1012015 Корпус масляного фильтра
740.20-1012068 Колпак масляного фильтра
740.1014100-14 Установка системы вентиляции
740.1014498 Трубка сапуна с втулкой
7406.1014504 Угольник сапуна
7406.1022800 Установка электромагнитного клапана
7482.1022800-10 Установка магнитного клапана;Magnet valve installation
7406.1022860 Клапан с кронштейном и трубкой
43225-1080010 Установка шумоизоляционного экрана силового агрегата нижнего
4308-1009001 Установка деталей крепления указателя уровня масла
65115-1100035-05 Установка топливного бака, ФГОТ и топливопроводов
65116-1100030 Установка топливного бака
53215-1101010-04 Бак топливный
53215-1101010-05 Бак топливный
53215-1103001 Установка крышки топливного бака
65115-1104012-02 Трубка приемная с фильтром
740.51-1104000 Установка топливопроводов
740.51-1104000-90 Установка топливопроводов
43255-1105030 Установка фильтра грубой очистки топлива и топливопроводов
5297-1108002 Установка педали электронного управления подачей топлива
54115-1108003 Управление подачей топлива
54115-1108003-10 Управление подачей топлива
54115-1108040 Толкатель
5320-1108120-99 Тяга ручного управления подачей топлива двигателя
5425-1108130 Тяга ручного останова двигателя
740.51-1117010 Фильтр тонкой очистки топлива
740.1117029 Пружина
7406.1108000 Привод управления регулятором
7482.1108000 Привод управления регулятором
7406.1108030 Кронштейн с валом привода
7482.1108030 Кронштейн с валом привода
7406.1108038 Кронштейн вала привода
7406.1108050 Тяга привода управления регулятором
7482.1108050 Тяга привода управления регулятором
740.1108054 Наконечник тяги рычага управления регулятором
65115-1109001-10 Установка воздушного фильтра
43255-1109001 Установка воздушного фильтра
65115-1109003-40 Установка воздухозаборника
4308-1109003 Установка воздухозаборника
65115-1109005-75 Воздухозаборник с кронштейном
4308-1109400 Воздухозаборник
6520-1109048 Установка тройника
7405.1109510 Фильтр воздушный
740.1109510-03 Фильтр воздушный
740.31-1111000-40 Установка и привод ТНВД
740.31-1111000-90 Установка и привод ТНВД
740.31-1111005-90 ТНВД сфланцем и полумуфтой ведомой
7406.1111050 Вал привода ТНВД
7482.1111050 Вал привода ТНВД
740.50-1112000 Установка форсунки
740.30-1112000-90 Установка форсунки
7406.1115000-30 Установка системы впуска
740.30-1118000 Установка турбокомпрессора
53205-1170000 Установка системы охлаждения наддувочного воздуха
5308-1170000 Установка системы охлаждения наддувочного воздуха
65116-1200002 Установка системы выпуска
43255-1200003 Установка системы выпуска
54115-1300023-20 Установка радиатора
54115-1300023-29 Установка радиатора
7406.1303002 Установка водяных труб
7406.1303005 Установка корпуса водяных каналов
7406.1303010-10 Корпус водяных каналов
7406.1307005 Установка водяного насоса
740.50-1307010 Водяной насос
65115-1308005-09 Установка вентилятора с вязкостной муфтой
7406.1308010-01 Установка вентилятора с муфтой привода
740.30-1308010 Установка вентилятора
54115-1311005-10 Установка расширительного бачка
43255-1311005-11 Установка бачка расширительного
4308-1311010 Бачок расширительный
740.30-1317005-10 Установка электромагнитной муфты
740.30-1317500-01 Муфта электромагнитная привода вентилятора
740.30-1317510-01 Шкив со ступицей вентилятора
740.30-1317520-10 Ступица вентилятора с фрикционным диском
43255-1580004 Установка шумоизоляционного экрана нижнего КПП
53205-1600006-30 Установка педали и привода выключения сцепления
43255-1600006-10 Установка педали и привода выключения сцепления
6520-1602008 Педаль сцепления с кронштейном и главным цилиндром
4308-1602008-30 Педаль сцепления с кронштейном и главным цилиндром
5320-1602510-10 Главный цилиндр управления сцеплением
5320-1602560 Бачок главного цилиндра привода сцепления
5320-1602568 Толкатель поршня главного цилиндра
4308-1601008 Картер сцепления
4308-1601010 Вилка выключения сцепления
17.1601008-10 Картер сцепления
17.1601010-10 Картер сцепления
142.1600010-01 Сцепление
142.1601090 Диск нажимной сцепления с кожухом
14.1601086 Рычаг оттяжной с вилкой и пружиной
43255-1600005-10 Установка сцепления и коробки передач
4308-1600010-31 Установка сцепления и коробки передач 6S700
4308-1600010-60 Установка сцепления и коробки передач 6S1000
55111-1609509 Установка кронштейна и ПГУ на силовой агрегат
152.1700250 Коробка передан с делителем, управлением и деталями сцепления
152.1700151 Коробка передач
142.1700108 Коробка передач с картером сцепления
144.1700114 Коробка передач с коробкой отбора мощности
144.1700104 Коробка передач с картером сцепления
144.1700108 Коробка передач с картером сцепления
14.1701010 Картер коробки передач
154.1701010 Картер коробки передач
142.1701025-10 Вал первичный коробки передач
152.1701025 Вал первичный коробки передач
144.1701025 Вал первичный коробки передач
142.1701027-10 Вал первичный коробки передач со втулкой
152.1701027 Вал первичный с втулкой
14.1701047 Вал промежуточный
154.1701047 Вал промежуточный
142.1701100 Вал вторичный
154.1701100 Вал вторичный
14.1701200 Крышка заднего подшипника вторичного вала
14.1701201 Крышка заднего подшипника вторичного вала
14.1701039 Крышка подшипника первичного вала
14.1701039-70 Крышка подшипника первичного вала
144.1701039-10 Крышка подшипника первичного вала
144.1701039-20 Крышка подшипника первичного вала
154.1701070 Крышка заднего подшипника промежуточного вала
154.1701201 Крышка заднего подшипника вторичного вала
14.1702010 Механизм переключения передач
14.1702026 Вилка переключения 2-ой и 3-ей передач
14.1702031 Вилка переключения 4-ой и 5-ой передач
152.1703005-22 Привод управления механизмом переключения передач
54115-1703005 Установка привода управления механизмом переключения передач
14.1702200-10 Опора рычага переключения передач
154.1703204-20 Опора рычага переключения передач
4308-1703204 Опора рычага переключения передач
4308.1703494 Вилка со втулками
4308.1703520 Тяга реактивная
152.1770011 Делитель передач с управлением
15.1770030 Картер делителя передач с втулками
152.1770040 Вал первичный делителя передач
15.1770210-01 Вал промежуточный делителя передач
15.1771010 Механизм переключения делителя передач
15.1771110 Валик вилки мезанизма переключения с рычагом
15.1772100 Редукционный клапан управления механизмом переключения
154.1772005 Установка пневмопривода управлением переключения передач
43253-2200001 Установка карданных валов
43255-2200001-40 Установка карданных валов
43253-2201006 Валы карданные
43255-2201006-40 Вал карданный трехшарнирный
43253-2202011 Вал карданный промежуточный с опорой
43255-2202011-40 Вал карданный промежуточный с опорой
43253-2201011 Вал карданный заднего моста
43255-2202017-40 Вал карданный с шарниром
53205-2205011-10 Вал карданный среднего моста
53205-2205017-10 Вал карданный с шарниром
53205-2205050 Вилка скользящая с шарниром
43253-2400022-10 Мост задний
43253-2400025-50 Мост задний
43253-2401007 Картер заднего моста с механизмом блокировки
55102-2409016 Вилка блокировки
43253-2402010-10 Передача главная заднего моста
43253-2402011-50 Передача главная заднего моста
53205-2402015 Картер редуктора заднего моста
5320-2402048 Стакан подшипников
54115-2402050 Крышка стакана подшипников
53205-2402064-40 Шестерня ведомая коническая
65115-2402064-60 Шестерня ведомая коническая
5320-2402108 Стакан подшипников
53212-2403054 Сателлит дифференциала заднего моста с втулкой
53215-2403010-10 Дифференциал заднего моста
65115-2403011-50 Дифференциал заднего моста
43255-2411020 Привод блокировки межколесного дифференциала
43255-2800010-30 Рама
53215-2801301 Поперечина рамы задняя
5320-2800016 Установка кронштейнов
65115-2803003 Установка переднего буфера
5325-2803003 Установка переднего буфера
53205-2806114 Вилка буксирная с пружиной
53212-2804003 Установка заднего буфера
5410-2806040 Установка буксирной проушины
43255-2900001 Установка передней подвески
65115-2902012-20 Рессора передняя
65115-2905535 Кронштейн амортизатора левый
4925-2900002-01 Подвеска задняя
5425-2912012-01 Рессора задняя
5360-2912020-20 Ушко с втулкой
65115-3000012-13 Ось передняя с тормозами
65115-3000015 Ось передняя
53205-3001012-10 Кулак поворотный
65115-3101002-50 Установка передних дисковых колес
65116-3101002 Установка передних стальных колес
65115-3101003-50 Установка сдвоенных дисковых колес
65116-3101003 Установка сдвоенных стальных колёс
65115-3101011-50 Колесо 7,5-20 с шиной
65115-3101012-50 Колесо дисковое 7,5-20
65116-3101011 Колесо 8,25x22,5 стальное с шиной
65115-3103010 Ступица переднего колеса с барабаном тормоза
65115-3104010-20 Ступица заднего колеса с барабаном тормоза
53229-3105010 Держатель запасного колеса
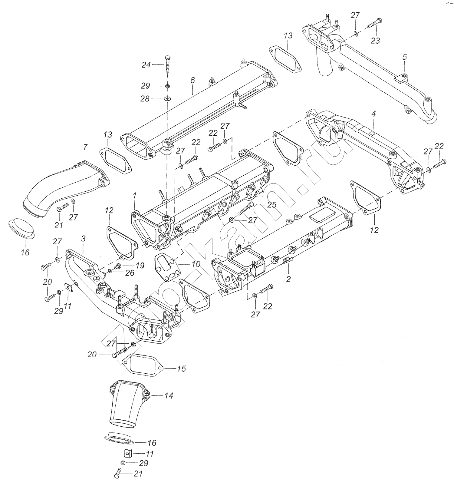
1
2
3
4
5
6
7
10
11
11
12
12
13
13
14
15
16
16
19
20
20
21
21
22
22
22
22
23
24
25
26
27
27
27
27
27
27
27
27
27
28
29
29
29
Поз.
Артикул
Название детали
Кол-во
1
7406.1115012-40
Коллектор впускной правый
1;
2
7406.1115014-40
Коллектор впускной левый
1;
3
7406.1115030-20
Патрубок соединительный
1;
4
7406.1115045-40
Патрубок объединительный
1;
5
7406.1115110-20
Тройник
1;
6
7406.1115122-10
Труба подводящая
1;
7
53205-1170125
Патрубок отводящий
1;
10
740.1115026-01
Прокладка впускного коллектора
8;
11
740.1115038
Шайба опорная
3;
12
7406.1115050-10
Прокладка патрубка объединительного
4;
13
7406.1115115
Прокладка трубы подводящей
2;
14
53205-1170132
Патрубок подводящий
1;
15
53205-1170254
Прокладка патрубка подводящего
1;
16
53205-1170336
Заглушка теплообменника
2;
19
1/59703/21
Болт М10х1,25-6gх16
1;
20
1/59709/21
Болт М10х1,25-6gх35
2;
21
1/12347/21
Болт М10х1,25-6gх45
4;
22
1/13438/31
Болт М10х1,25-6gх50
9;
23
1/12880/21
Болт М10х1,25-6gх60
5;
24
1/13437/21
Болт М10х1,25-6gх65
1;
25
1/59718/21
Болт М10х1,25-6gх100
16;
26
1/02844/60
Прокладка уплотнительная 10х16х1,5
1;
27
1/26014/73
Шайба 10 волнистая
33;
28
1/26468/01
Шайба плоская 10,2х25х2
1;
29
1/05168/73
Шайба 10 пружинная
4;
Содержащиеся в справочниках-каталогах запасные части и детали не предлагаются к продаже, а носят исключительно информационный характер
Дополнительная информация
×
Название:
Номер:
Примечание:
Войти
Имя пользователя
Пароль
Забыли пароль?
Запомнить меня
Войти
Поиск товаров
Поиск товаров
Корзина покупок