ЗапКам
zap-kam16@yandex.ru
(900) 323-41-41
Вход / Регистрация отключена
Вход
Избранное
0
по запросу
Каталог
Все товары и категории
Запчасти КАМАЗ
Двигатель
Двигатели в сборе
Евро-0
КамАЗ-4310
Урал-4320
КамАЗ-4350
Евро-1
КамАЗ-43114
Евро-2
КамАЗ-43118
КамАЗ-65115
КамАЗ-6520
Евро-3
Евро-4
Евро-5
Газовые
Блоки цилиндров
Блоки цилиндров Евро-0 КамАЗ
Блоки цилиндров Евро-1 КамАЗ
Блоки цилиндров Евро-2 КамАЗ
Блоки цилиндров Евро-3 КамАЗ
Блоки цилиндров Евро-4,5 КамАЗ Common Rail
Сборочные комплекты (лонг-, шорт-блоки)
Блоки управления
Валы коленчатые
Коленвалы Евро-0 КамАЗ
Коленвалы Евро-1 КамАЗ
Коленвалы Евро-2 КамАЗ
Коленвалы Евро-3 КамАЗ
Коленвалы Евро-4,5 КамАЗ Common Rail
Вкладыши коренные
Евро-3,4,5
Евро-0,1,2
Вкладыши шатунные
Евро-3,4,5
Евро-0,1,2
Валы распредительные
ЦПГ – поршневая
Поршневая Евро-4,-5 (740.602)
Поршневая Евро-2,-3 (740.60)
Поршневая Евро-1,-2 (740.30)
Поршневая Евро-0,1 (740)
Кольца поршневые
ТНВД
Евро-4-5 Common Rail
Евро-3
Евро-2
Евро-1
Евро-0
Система питания
Форсунки топливные
Распылители форсунок
Топливозаборники
ГБЦ
Евро-3,4,5 Common Rail
Евро-1,2,3
Евро-0
Газ
Турбокомпрессоры
ТРК Евро-4,5 (однотурбовые)
Евро-4
Евро-3
Евро-2
Евро-1
Насос водяной
Насос масляный
Маховики
Коробка передач
КПП в сборе
Валы
Валы вторичные
Валы первичные
Валы промежуточные
Шестерни
Синхронизаторы
Делители в сборе
Коробка раздаточная
РК в сборе
РК 6522
Дифференциалы
Валы
Валы первичные
Валы промежуточные
Вилки
Шестерни
Механизмы переключения
Трансмиссия
Мосты
Редукторы в сборе
Заднего моста
Переднего моста
Среднего моста
Зубьев
31, 35
50
49
48
47
46
КамАЗ
4310
43114
43118
4326
5320
53205
65115
43253
53229
6520
6522
4308
65111
65116
65117
55102
55111
53212
53215
54115
5410
5511
Мосты в сборе
Передние
Средние
Задние
6520, 6522 (20т)
65115 (15т)
65111 (15т)
43118 (10т)
43114 / 4310 (8т)
53205 Евро (10т)
5320 (8т)
5511 (10т)
МОД
Мадара
Подвеска в сборе
Ось передняя
Ось в сборе
Ходовая часть
Подвеска (тележка) в сборе
Колеса и шины
Рама
Рессоры
Лебедка
Механизмы управления
Отопление и вентиляция
Система выпуска
Сцепление
Тормоза
Кабина
Управление рулевое
Электрооборудование
Автомобили
КАМАЗ 5490
Двигатель 457
Двигатели в сборе
Сцепление
Кабина
Кузов
Мосты
Рама
Система выпуска
Тормоза
Управление рулевое
Ходовая часть
КАМАЗ К5
Двигатели WeiChai
Двигатели в сборе
Двигатели Р6
Двигатели 910 Р6 в сборе
Кабина
Сцепление
Тормоза
Управление рулевое
Электрооборудование
ZF
КПП ZF в сборе
16S EcoSplit
КПП 16s 1820 TO
КПП 16S 2220
9S Ecomid
12AS Astronic
12TX Traxon
Запчасти 12tx Traxon
Cummins
Двигатели в сборе
Блоки цилиндров
Коленвалы
Головки блока
Генератор
Китайские грузовики
Shaanxi HanDe
Fast Gear
Sitrak
Weichai
FAW
Laizhou Tongji
Европейские грузовики
Mercedes
Электрооборудование
Блоки управления
Блоки управления ADM
Блоки управления CPC4
Блоки управления двигателем
Блоки управления электрооборудованием
Датчики
Стартеры
Карданная передача
Карданы КамАЗ
Коробки отбора мощности
Прицепная техника
ССУ (Седла)
Ремонт
Ремонт двигателей
Ремонт КПП Камаз и ZF
Ремонт раздаток и редукторов
Ремонт кабин
Услуги
Комплектация заявок
Скупка запчастей и агрегатов
Контакты
Отправить заявку
Каталоги запчастей к технике
Грузовые
КамАЗ
43253 (Часть-2)
53205 3802001 Пломбировка спидометра
Поиск
53205 3802001 Пломбировка спидометра
/ КамАЗ 43253 (Часть-2)
zoom-in
zoom-out
enlarge
shrink
circle-right
circle-left
file-text2
info
cart
Тип техники
Не выбрано
Грузовые
Двигатели
Марка
Не выбрано
DAF
DongFeng
FAW
Foton
HOWO
IVECO
JAC Motors
MAN
Shaanxi
SITRAK
Volvo
Автокомпонент Плюс
ЗИЛ
КАЗ
КамАЗ
Мадара
НефАЗ
СЗАП
Тонар
УралАЗ
Модель
Не выбрано
4308 (2004)
4308 (2008)
4308 (Евро 3) (2013)
4308 (Евро 4) (2012)
4308-C4 (2019)
4308-C4 (2019)
4308-H3 (2019)
4308-R4 (2019)
4310
4310
43101
43114
43118 (2002)
43118 (Евро 4) (2012)
43253 (Часть-1) (2011)
43253 (Часть-2) (2011)
43253, 43255 (Евро-4) (2012)
43255 (Евро-2) (2012)
43255 (Евро-3) (2012)
4326 (2001)
4326 (2003г)
43261 (Евро-1, 2) (2007)
4350 (4х4) (2004)
43501 (4х4) (2007)
43502 (Евро 4) (2013)
45141 (2009)
45142 (2009)
45143 (2009)
5308 (Евро 3) (2012)
5308 (Евро 4) (2013)
5315
5320
53212
53228, 65111 (2004)
53229 (Евро 2) (2010)
5350 (6х6) (2004)
53501 (6х6) (2007)
53504 (6х6) (2007)
5360
53605 (Евро-4) (2013)
5410
54112
5460
5460 (2005)
5490 (2016)
55102
5511 (2003)
6350 (8х8) (2004)
63501 (8х8) (2007)
6450 (8х8) (2007)
6460
6460 (Евро 3, 4) (2013)
6460 (Евро 4) (2013)
65111 (2008)
65111 (Евро 4) (2012)
65115 (2001)
65115 (2009)
65115 (Евро-3) (2013)
65115, 65116 (Евро-4) (2010)
65116 (2006)
6520
6520 (Euro-2, 3) (2009)
6520 (Euro-4) (2012)
6520 (Euro-4) (2016)
65201 (2007)
65201 Евро 2-3 (2016)
6522 (2005)
6522 (Euro-2, 3) (2009)
6522 (Евро-4) (2016)
65226 (2009)
65226 (2013)
6540
KNORR-BREMSE для КамАЗ
Общий (5320, 53212, 5410, 54112, 5511, 55102)
Самосв. установка 6520 (2011)
Схема
>
Не выбрано
4310-3400012 Установка рулевого механизма
4310-3400020 Механизм рулевой
4310-3401010-20 Картер механизма рулевого управления
4310-3401063 Вал сошки с крышкой
4310-3401710 Редуктор угловой механизма рулевого управления
4310-3401716 Корпус углового редуктора механизма рулевого управления
4310-3401720 Крышка корпуса с манжетами
4310-3401736 Шестерня ведущая углового редуктора с корпусом
4310-3401750 Шестерня ведомая углового редуктора
4310-3430012 Клапан управления гидроусилителем руля
4310-3430014 Корпус клапана управления гидроусилителем руля
5320-3430220-01 Клапан обратный
53205-3414010 Тяга сошки
5425-3400014 Установка колонки рулевого управления
43255-3400014-19 Установка колонки рулевого управления
6520-3406014-19 Установка крана регулировки рулевой колонки
43255-3422010-19 Вал карданный
53205-3422010-75 Вал карданный
53205-3422012 Шарнир карданный
43255-342201.4-19 Шарнир с втулкой
5425-3444009 Колонка рулевого управления с замком противоугонного устройства
5425-3444010 Колонка рулевого управления
6520-3444075-19 Колонка рулевого управления с кронштейном
6520-3444008-19 Колонка рулевого управления
6520-3444010-19 Колонка рулевого управления
740.30-3407005 Установка насоса рулевого усилителя
4310-3407200-20 Насос гидроусилителя руля
4310-3407200-21 Насос рулевого усилителя
4310-3407201-02 Насос гидроусилителя руля
4310-3407212-02 Крышка насоса рулевого усилителя
53212-3407270 Клапан перепускной насоса гидроусилителя рулевого управления
4310-3407338-10 Фильтр насоса гидроусилителя руля
53205-3400018-10 Установка трубопроводов
43255-3400018-19 Установка трубопроводов и бачка насоса ГУР
5297-3414052 Тяга рулевой трапеции
6520-3414055 Наконечник тяги
43255-3407001 Установка насоса ГУР
43114-3500011-04 Установка осушителя
43114-3500011-17 Установка осушителя
43253-3500013 Установка воздушных ресиверов
16-3513110 Кран слива конденсата
6520-3500014 Установка двухсекционного тормозного крана
6520-3500014-34 Установка двухсекционного тормозного крана
5320-3514108 Кран тормозной двухсекционный с педалью
100-3514108-10 Кран тормозной двухсекционный
16-3515310 Клапан контрольного вывода
5320-3500015-04 Установка четырехконтурного защитного клапана
5320-3500015-10 Установка четырехконтурного защитного клапана
53205-3515400-10 Клапан защитный четырехконтурный
4925-3500018 Установка ускорительных клапанов
43253-3500018-04 Установка ускорительных клапанов
4925-3500033 Установка регулятора тормозных сил
43253-3500033-04 Установка регулятора тормозных сил
100-3533010 Регулятор тормозных сил в сборе
53205-3500037-22 Установка кабелей АБС
43253-3500037-41 Установка кабелей АБС
53205-3500042-41 Установка модуляторов АБС
43253-3500042-41 Модуляторы с соединительной арматурой
53205-3506042-41 Установка пневмоуправления системой АБС
43253-3506042-41 Установка пневмоуправления системой АБС
43253-3500062 Установка клапана двухмагистрального
43118-3506180 Установка охладителя
65115-3506180-82 Установка охладителя
65115-3500070-82 Тормоз вспомогательный и его привод
65115-3570014 Корпус вспомогательного тормоза с заслонкой
53205-3570205 Пневмоцилиндр вспомогательного тормоза
53205-3570210 Цилиндр пневматический ф35х65
65115-3501011-22 Тормоз передний
53229-3501090-40 Колодка тормоза с накладками
5511-3502121-10 Кронштейн тормозной камеры и разжимного кулака
53229-3501011-22 Тормоз передний левый
661-3519310 Камера тормозная тип 30
661-3519210 Камера тормозная тип 24
43253-3502011-32 Тормоз задний левый
5320-3502012-10 Суппорт заднего тормоза
53229-3501090-50 Колодка тормоза с накладками
53229-3501090-51 Колодка тормоза с накладками
53229-3502237 Рычаг регулировочный заднего тормоза
7405.3509003-10 Установка компрессора
53205-3509015 Компрессор
53205-3509018 Картер компрессора
53205-3509039 Головка цилиндра с крышкой
53205-3509088 Крышка задняя в сборе
53205-3509154 Поршень в сборе
16-3515310 Клапан контрольного вывода
16-3515510 Кран экстренного растормаживания
6029-3537310-20 Установка крана тормозного обратного действия с ручным управлением
5320-3570010 Установка цилиндра выключения подачи топлива
53205-3570010-54 Установка пневмоцилиндра вспомогательного тормоза
5320-3570074-10 Цилиндр пневматический с тягой
53215-3570105-54 Пневмоцилиндр вспомогательного тормоза
100-3570110 Цилиндр выключения подачи топлива пневматический
53205-3541110 Датчик скорости с кронштейном
45104351551000 Установка крана экстренного растормаживания
5308-3509000-01 Установка подвода воздуха к компрессору тормозов
43253-3700001-24 Электрооборудование. Расположение на автомобиле
43255-3700001-18 Электрооборудование. Расположение на автомобиле
53215-3703001-88 Установка аккумуляторных батарей
43253-3703001-35 Установка аккумуляторных батарей
4308-3710004-30 Установка выключателя аккумуляторной батареи
53215-3709002 Установка подрулевого переключателя
53605-3710001-20 Установка выключателей
65115-3710001-80 Установка выключателей
53215-3710428-85 Панель выключателей
54115-3710428-50 Панель выключателей
53205-3711001 Установка фар и передних указателей поворота
53215-3711001 Установка фар и передних указателей поворота
53205-3714001-10 Установка плафонов
53205-3714003 Установка плафона освещения вещевого ящика
5320-3715001 Установка подкапотной лампы
53215-3716002 Установка задних фонарей
53215-3718001 -85 Установка электромеханического корректора
5320-3721001-10 Установка звуковых электрических сигналов
4308-3722001-30 Установка предохранителей
53602-3722002 Установка блока предохранителей
53205-3722501-10 Установка предохранителей
53205-3723005 Установка розетки переносной лампы
53215-3726001 Установка бокового повторителя указателя поворота
53215-3726002 Установка прерывателя указателей поворота
54115-3731001 Установка боковых габаритных фонарей на переднем крыле
4326-3731001 Установка боковых габаритных фонарей
53215-3731002 Установка задних контурных фонарей
43118-3731002-85 Установка боковых габаритных фонарей
5320-3737001-01 Установка малогабаритного выключателя массы
5425-3738002 Установка габаритных фонарей
65115-3741008 Установка оборудования обогрева зеркал
4308-3747001-50 Установка реле
6460-3747001 Установка реле
6460-3747001-50 Установка реле
6460-3747195 Установка электронного реле стартера
7406.3701002-30 Установка генератора
740.13-3708005 Установка стартера
53205-3741001 Установка электрооборудования подогревателя
53205-3741001-20 Установка электрооборудования подогревателя ПЖД-12
53205-3741001-50 Установка электрооборудования подогревателя
65228-3741001 Установка электрооборудования подогревателя
65115-3741001 Установка электрооборудования подогревателя
65115-3741004-40 Установка электрооборудования системы подогрева топлива
65115-3741300 Установка контактора подогревателя воздуха
53215-3759001 Установка преобразователя напряжения
65115-3741300-01 Установка контактора подогревателя воздуха
6460-3731001-30 Установка боковых габаритных фонарей на переднем крыле
5480-3726001 Установка бокового повторителя указателя поворота
740.62-3800001 Установка датчиков
740.62-3800001-10 Установка датчиков на двигателе
53215-3800002 Установка датчиков на коробке передач
740.62-3800002 Установка датчиков на коробку передач
53205 3802001 Пломбировка спидометра
53215-3805010-84 Щиток приборов
53215-3805010-94 Щиток приборов
4308-3805001-42 Установка щитка приборов
4308-3805010-42 Щиток приборов
4308-3830005 Установка датчиков указателя давления воздуха
53205-3830002 Установка датчиков аварийного давления воздуха
53215-3859001-10 Установка электрооборудования АБС
65201-3859001-40 Установка электрооборудования АБС
5308-3805010 Щиток приборов «Рестайлинг»
4308-4000001-13 Электроника. Расположение на автомобиле
4308-4011037 Установка датчика педали сцепления
65115-4012001 Установка предохранителей
6520-4011033 Установка переключателей на панели приборной
6520-4011040 Установка выключателя моторного тормоза
6520-4012002 Установка реле
54115-5000003 Переднее крепление и механизм уравновешивания кабины
5320-5000003 Переднее крепление и механизм уравновешивания кабины
65115-5000003 Переднее крепление и механизм уравновешивания кабины
53205-5000012-93 Кабина
43255-5000012-20 Кабина
43255-5000012-40 Кабина в рестайлинговом исполнении (высокая крыша)
5320-5000012-61 Кабина в рестайлинговом исполнении (низкая крыша)
54105-5000014 Кабина с дверями окрашенная
43255-5000014-20 Кабина с дверями окрашенная
5320-5000014 Кабина с дверями окрашенная (рестайлинг)
53205-5000075 Установка ремней безопасности
54115-5000075 Установка ремней безопасности
5460-5000120 Установка сидений
54115-5000120 Установка сидений
5320-5001010 Кронштейн переднего крепления кабины верхний
53205-5018010 Запор кабины правый
53205-5018011 Запор кабины левый
43114-5001006-20 Установка задней подвески кабины
4308-5001006-01 Установка задней подвески кабины
65115-5001006 Установка задней подвески кабины (рестайлинг)
5320-5001080 Рессора кабины
5320-5018060 Кронштейн запора кабины правый
43114-5002051-10 Установка ограничителя подъема кабины
4310-5002051 Установка ограничителя подъема кабины
54115-5000079 Установка механизма опрокидывания кабины
43255-5000079-10 Установка механизма опрокидывания кабины
43114-5003014 Гидроцилиндр МОК в сборе
4310-5003014 Цилиндр опрокидывающего механизма кабины
6520-5003079 Установка гидроцилиндра кабины
6520-5205001 Установка стеклоочистителя
6520-5208004 Установка омывателя
65115-5206005 Установка ветровых стекол
53205-5300023-10 Монтаж и крепление панели приборов
6560-5300023-10 Установка панели приборов
5320-5301047 Панель передка боковая съемная левая
53229-5614200 Установка шумоизоляционного экрана
43255-5614200-10 Установка шумоизоляционного экрана
53205-5713008 Установка вентиляционного люка крыши
53205-6100005 Установка стекол и арматуры двери левой
53205-6100015 Дверь левая
53205-6100014 Дверь правая
5320-6103051-01 Стекло форточки двери
53205-6103210 Стекло двери опускное
53205-6104011 Стеклоподъемник двери
53205-6104030 Механизм стеклоподъемника двери
5320-6104060 Ручка стеклоподъемника
5320-6105020-10 Замок двери правый
5320-6105080 Привод замка двери правый в сборе
5320-6105150 Ручка двери наружная
5320-6105035-10 Фиксатор замка левый
5320-6106083 Ограничитель двери
54115-6800900-02 Схема подключения пневмосистемы сидений
53205-8100005 Установка системы отопления
4308-8100005 Установка системы отопления кабины
5320-8102030 Сопло обдува ветрового стекла
5320-8105160 Кран отопления
5320-8109020-10 Привод управления отоплением
4308-8109020 Привод управления отоплением
5320-8118027 Улитка вентилятора с распределителем левая
5320-8118069 Колесо рабочее с электродвигателем
53205-8106001 Установка подогревателя 15.8106
43255-8106001-10 Установка подогревателя 14TC
5320-8105010 Кран сливной
53205-8106002-60 Установка топливного бачка и топливопроводов подогревателя 15.8106
43255-8106002-10 Установка топливного бачка и топливопроводов подогревателя 14ТС
53205-8201002 Установка зеркал заднего вида
5460-8201002 Установка зеркал заднего вида
53205-8202011 Поручень входа
6522-8202005 Установка поручней входа
5320-8204011 Козырек противосолнечный с обивкой левыйЛправый
53205-8204011-01 Козьюек поотивосолнечный левый
54115-8213005 Установка надоконных полок и противосолнечных козырьков
53205-8213005 Установка надоконной полки и противосолнечных козырьков
5320-8400012 Установка оперения кабины
4310-8400012 Установка оперения кабины
6520-8400006-20 Установка оперения кабины
63501-8401009 Установка облицовочной панели
33205-8401010 Панель облицовочная
5320-8406010 Замок панели
5320-8406100 Личинка замка панели
5320-8407011 Петля облицовочной панели левая
65115-8415011 Обтекатель
43255-8403008 Установка задней части переднего крыла правая
43253-8410003 Установка боковой защиты
43253-8410003-33 Установка боковой защиты
65115-8403010-42 Установка задней части переднего крыла правая
65115-8416010-50 Установка облицовки буфера (рестайлинг)
65115-8405009-50 Установка подножек левая (рестайлинг)
43253-8500008-30 Установка платформы
43253-8500010-30 Платформа
43253-8501010-70 Основание платформы
43253-8501016-70 Каркас основания платформы
53215-8502041-30 Стойка передняя левая
53215-8503010-30 Борт задний
4350-8511008-70 Установка брызговиков
43253-8511008-70 Установка брызговиков
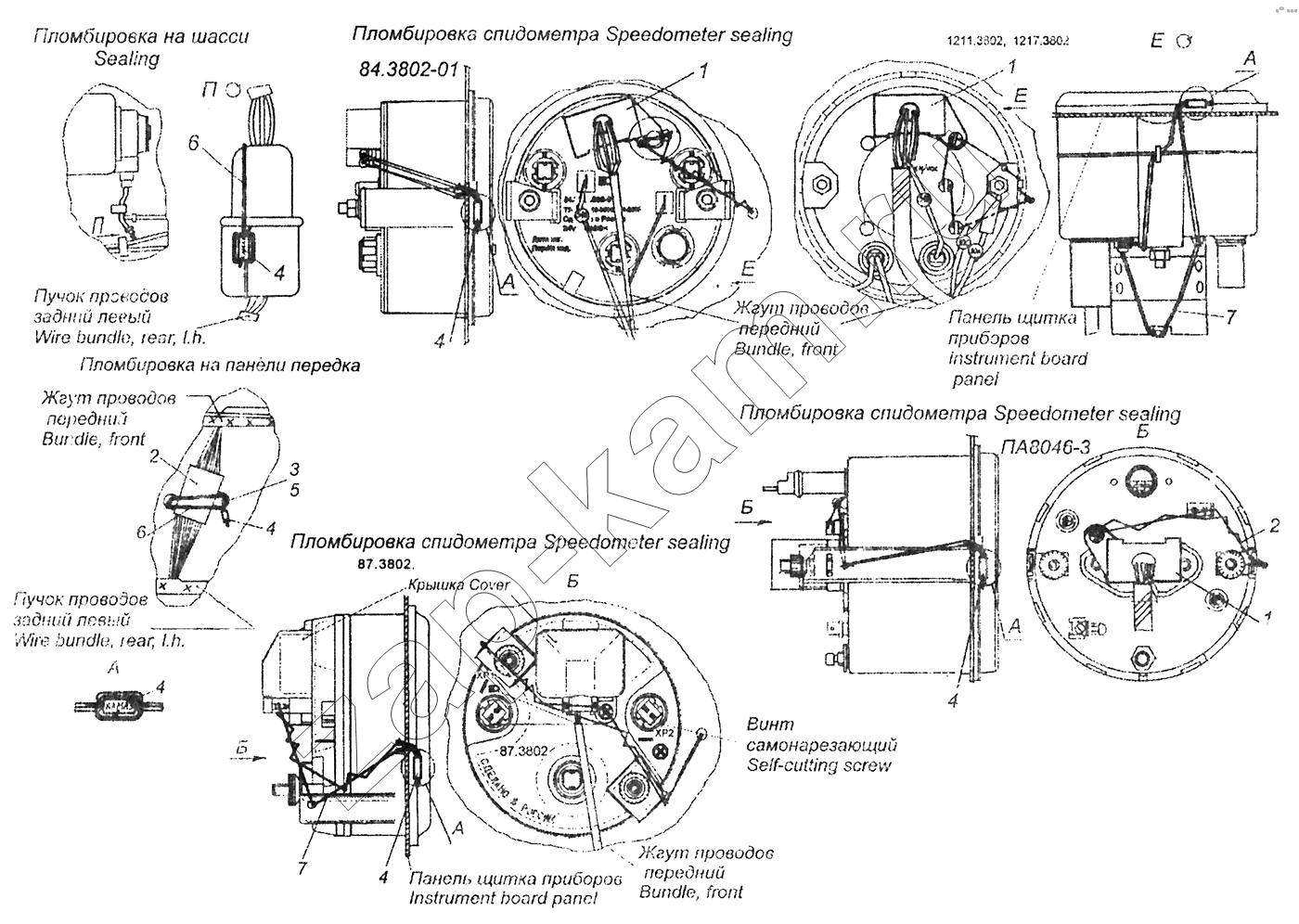
1
1
1
2
2
3
4
4
4
4
4
4
5
6
6
7
7
Поз.
Артикул
Название детали
Кол-во
53205-3802001
53205-3802001
Пломбировка спидометра
1;
53205-3802002
53205-3802002
Пломбировка спидометра
1;
1
5320-3802020
Крышка штекерного разъема
1;
2
532G-3802021
Крышка штекерных разъемов
1;
3
870003-01
Болт М6-6gx20
2;
4
1364510
Пломба
3;
5
353544
Гайкодержатель
2;
6
Проволока0,5-0-С
Проволока 0,5-0-С
2;
7
Проволока0,5-0-С
Проволока 0,5-0-С
1;
Содержащиеся в справочниках-каталогах запасные части и детали не предлагаются к продаже, а носят исключительно информационный характер
Дополнительная информация
×
Название:
Номер:
Примечание:
Войти
Имя пользователя
Пароль
Забыли пароль?
Запомнить меня
Войти
Поиск товаров
Поиск товаров
Корзина покупок