ЗапКам
zap-kam16@yandex.ru
(900) 323-41-41
Вход / Регистрация отключена
Вход
Избранное
0
по запросу
Каталог
Все товары и категории
Запчасти КАМАЗ
Двигатель
Двигатели в сборе
Евро-0
КамАЗ-4310
Урал-4320
КамАЗ-4350
Евро-1
КамАЗ-43114
Евро-2
КамАЗ-43118
КамАЗ-65115
КамАЗ-6520
Евро-3
Евро-4
Евро-5
Газовые
Блоки цилиндров
Блоки цилиндров Евро-0 КамАЗ
Блоки цилиндров Евро-1 КамАЗ
Блоки цилиндров Евро-2 КамАЗ
Блоки цилиндров Евро-3 КамАЗ
Блоки цилиндров Евро-4,5 КамАЗ Common Rail
Сборочные комплекты (лонг-, шорт-блоки)
Блоки управления
Валы коленчатые
Коленвалы Евро-0 КамАЗ
Коленвалы Евро-1 КамАЗ
Коленвалы Евро-2 КамАЗ
Коленвалы Евро-3 КамАЗ
Коленвалы Евро-4,5 КамАЗ Common Rail
Вкладыши коренные
Евро-3,4,5
Евро-0,1,2
Вкладыши шатунные
Евро-3,4,5
Евро-0,1,2
Валы распредительные
ЦПГ – поршневая
Поршневая Евро-4,-5 (740.602)
Поршневая Евро-2,-3 (740.60)
Поршневая Евро-1,-2 (740.30)
Поршневая Евро-0,1 (740)
Кольца поршневые
ТНВД
Евро-4-5 Common Rail
Евро-3
Евро-2
Евро-1
Евро-0
Система питания
Форсунки топливные
Распылители форсунок
Топливозаборники
ГБЦ
Евро-3,4,5 Common Rail
Евро-1,2,3
Евро-0
Газ
Турбокомпрессоры
ТРК Евро-4,5 (однотурбовые)
Евро-4
Евро-3
Евро-2
Евро-1
Насос водяной
Насос масляный
Маховики
Коробка передач
КПП в сборе
Валы
Валы вторичные
Валы первичные
Валы промежуточные
Шестерни
Синхронизаторы
Делители в сборе
Коробка раздаточная
РК в сборе
РК 6522
Дифференциалы
Валы
Валы первичные
Валы промежуточные
Вилки
Шестерни
Механизмы переключения
Трансмиссия
Мосты
Редукторы в сборе
Заднего моста
Переднего моста
Среднего моста
Зубьев
31, 35
50
49
48
47
46
КамАЗ
4310
43114
43118
4326
5320
53205
65115
43253
53229
6520
6522
4308
65111
65116
65117
55102
55111
53212
53215
54115
5410
5511
Мосты в сборе
Передние
Средние
Задние
6520, 6522 (20т)
65115 (15т)
65111 (15т)
43118 (10т)
43114 / 4310 (8т)
53205 Евро (10т)
5320 (8т)
5511 (10т)
МОД
Мадара
Подвеска в сборе
Ось передняя
Ось в сборе
Ходовая часть
Подвеска (тележка) в сборе
Колеса и шины
Рама
Рессоры
Лебедка
Механизмы управления
Отопление и вентиляция
Система выпуска
Сцепление
Тормоза
Кабина
Управление рулевое
Электрооборудование
Автомобили
КАМАЗ 5490
Двигатель 457
Двигатели в сборе
Сцепление
Кабина
Кузов
Мосты
Рама
Система выпуска
Тормоза
Управление рулевое
Ходовая часть
КАМАЗ К5
Двигатели WeiChai
Двигатели в сборе
Двигатели Р6
Двигатели 910 Р6 в сборе
Кабина
Сцепление
Тормоза
Управление рулевое
Электрооборудование
ZF
КПП ZF в сборе
16S EcoSplit
КПП 16s 1820 TO
КПП 16S 2220
9S Ecomid
12AS Astronic
12TX Traxon
Запчасти 12tx Traxon
Cummins
Двигатели в сборе
Блоки цилиндров
Коленвалы
Головки блока
Генератор
Китайские грузовики
Shaanxi HanDe
Fast Gear
Sitrak
Weichai
FAW
Laizhou Tongji
Европейские грузовики
Mercedes
Электрооборудование
Блоки управления
Блоки управления ADM
Блоки управления CPC4
Блоки управления двигателем
Блоки управления электрооборудованием
Датчики
Стартеры
Карданная передача
Карданы КамАЗ
Коробки отбора мощности
Прицепная техника
ССУ (Седла)
Ремонт
Ремонт двигателей
Ремонт КПП Камаз и ZF
Ремонт раздаток и редукторов
Ремонт кабин
Услуги
Комплектация заявок
Скупка запчастей и агрегатов
Контакты
Отправить заявку
Каталоги запчастей к технике
Грузовые
КамАЗ
4326
Регулятор частоты вращения
Поиск
Регулятор частоты вращения
/ КамАЗ 4326
zoom-in
zoom-out
enlarge
shrink
circle-right
circle-left
file-text2
info
cart
Тип техники
Не выбрано
Грузовые
Двигатели
Марка
Не выбрано
DAF
DongFeng
FAW
Foton
HOWO
IVECO
JAC Motors
MAN
Shaanxi
SITRAK
Volvo
Автокомпонент Плюс
ЗИЛ
КАЗ
КамАЗ
Мадара
НефАЗ
СЗАП
Тонар
УралАЗ
Модель
Не выбрано
4308 (2004)
4308 (2008)
4308 (Евро 3) (2013)
4308 (Евро 4) (2012)
4308-C4 (2019)
4308-C4 (2019)
4308-H3 (2019)
4308-R4 (2019)
4310
4310
43101
43114
43118 (2002)
43118 (Евро 4) (2012)
43253 (Часть-1) (2011)
43253 (Часть-2) (2011)
43253, 43255 (Евро-4) (2012)
43255 (Евро-2) (2012)
43255 (Евро-3) (2012)
4326 (2001)
4326 (2003г)
43261 (Евро-1, 2) (2007)
4350 (4х4) (2004)
43501 (4х4) (2007)
43502 (Евро 4) (2013)
45141 (2009)
45142 (2009)
45143 (2009)
5308 (Евро 3) (2012)
5308 (Евро 4) (2013)
5315
5320
53212
53228, 65111 (2004)
53229 (Евро 2) (2010)
5350 (6х6) (2004)
53501 (6х6) (2007)
53504 (6х6) (2007)
5360
53605 (Евро-4) (2013)
5410
54112
5460
5460 (2005)
5490 (2016)
55102
5511 (2003)
6350 (8х8) (2004)
63501 (8х8) (2007)
6450 (8х8) (2007)
6460
6460 (Евро 3, 4) (2013)
6460 (Евро 4) (2013)
65111 (2008)
65111 (Евро 4) (2012)
65115 (2001)
65115 (2009)
65115 (Евро-3) (2013)
65115, 65116 (Евро-4) (2010)
65116 (2006)
6520
6520 (Euro-2, 3) (2009)
6520 (Euro-4) (2012)
6520 (Euro-4) (2016)
65201 (2007)
65201 Евро 2-3 (2016)
6522 (2005)
6522 (Euro-2, 3) (2009)
6522 (Евро-4) (2016)
65226 (2009)
65226 (2013)
6540
KNORR-BREMSE для КамАЗ
Общий (5320, 53212, 5410, 54112, 5511, 55102)
Самосв. установка 6520 (2011)
Схема
>
Не выбрано
Установка кабины с оперением
Кабина с дверями окрашенная
Переднее крепление и механизм уравновешивания кабины
Установка вставных гаек на кабину
Установка цилиндра и трубопроводов опрокидывающего механизма кабины и ДЗК
Установка цилиндра и трубопроводов опрокидывающего механизма кабины
Установка задней подвески кабины
Кронштейн верхний
Рессора кабины
Установка ограничителя подъема кабины
Цилиндр механизма подъёма запасного колеса
Цилиндр МОК
Цилиндр
Насос опрокидывающего механизма кабины
Запор кабины правый
Запор кабины левый
Кронштейн запора кабины правый
Установка стеклоочистителя
Стеклоочиститель
Установка омывателя электрического
Установка панели приборов
Панель передка боковая съемная правая
Панель передка боковая съемная левая
Ящик вещевой в сборе
Дверка в сборе
Ограничитель правый
Ограничитель левый
Установка вентиляционного люка крыши
Установка стекол и арматуры двери правая
Установка стекол и арматуры двери правая
Установка стекол и арматуры двери левая
Установка стекол и арматуры двери левая
Стеклоподъемник двери правый
Стеклоподъемник двери левый
Фиксатор замка правый
Фиксатор замка левый
Установка сидений
Сиденье водителя
Механизм подрессоривания
Сиденье пассажирское
Сиденье пассажирское с ящиком
Установка системы отопления
Установка вентилятора кабины
Кран отопления
Привод управления отоплением
Установка зеркал заднего вида
Ручка правая
Ручка левая
Пепельница в сборе
Козырек противосолнечный с обивкой правый
Козырек противосолнечный с обивкой левый
Установка штор светозащитных ветрового окна
Установка штор светозащитных окон боковины
Установка штор светозащитных окон задка
Установка световозвращателей на кабине
Установка задних световозвращателей
Установка бокового знака
Установка ремней безопасности
Установка оперения кабины
Панель облицовочная
Установка задней части переднего крыла правая
Установка задней части переднего крыла левая
Замок облицовочной панели
Установка обтекателей
Платформа
Основание платформы
Каркас основания платформы
Борт №1 боковой правый
Запор бортов
Установка среднего сидения
Скамейка №1 боковая
Скамейка №2 боковая
Спинка сиденья средняя
Установка каркаса тента
Агрегат силовой КАМАЗ-7403.10
Агрегат силовой КамАЗ-7403.10
Двигатель с оборудованием
Установка силового агрегата
Установка масляных радиаторов
Кронштейн передней опоры силового агрегата
Башмак задней опоры силового агрегата
Блок цилиндров
Блок цилиндров
Крышка блока передняя
Установка картера маховика
Картер маховика
Газораспределительный механизм
Головка цилиндра
Головка цилиндра
Поршень с шатуном и кольцами
Шатун
Установка полумуфты отбора мощности
Установка вала коленчатого
Вал коленчатый
Шестерня
Установка маховика и фиксатора
Маховик
Фиксатор маховика
Вал распределительный
Корпус подшипника
Стойка коромысел
Коромысло клапана
Установка газопровода
Установка картера масляного
Трубка направляющая указателя уровня масла с кольцом
Указатель уровня масла с уплотнителем
Установка насоса масляного
Насос масляный с шестерней
Трубка всасывающая масляного насоса
Фильтр очистки масла
Кран
Игла запорная крана
Пробка крана
Установка трубки вентиляции картера
Установка системы вентиляции
Труба сапуна с втулкой
Угольник сапуна
Фильтр центробежный масляный
Установка электромагнитного клапана и штифтовых запальных свечей на двигатель
Корпус переднего подшипника
Полумуфта ведущая привода топливного насоса
Фланец ведущей полумуфты
Установка предпускового подогревателя ПЖД-30
Установка агрегата насосного
Насос топливный предпускового подогревателя
Нагнетатель насосного агрегата
Котел подогревателя
Крепление котла подогревателя
Крепление топливного бачка подогревателя
Установка топливных баков, ФГОТ и топливопроводов
Бак топливный
Труба наливная топливного бака с выдвижной трубой
Пробка топливного бака в сборе
Установка топливопроводов
Установка топливопроводов
Трубка приемная с фильтром
Фильтр грубой очистки топлива
Привод управления регулятором
Установка управления подачи топлива
Кронштейн вала привода управления регулятором
Толкатель
Тяга привода управления регулятором
Наконечник тяги
Наконечник
Установка воздушного фильтра
Фильтр воздушный
Установка насоса топливного высокого давления
Система питания двигателя
Топливный насос низкого давления
Регулятор частоты вращения
Крышка регулятора верхняя
Державка грузов регулятора
Рычаги с корректорами
Насос топливный высокого давления
Корпус в сборе топливного насоса
Корпус в сборе топливного насоса
Секция топливного насоса
Муфта опережения впрыскивания
Установка форсунок
Форсунка
Установка системы впуска (применяется с установкой ТКР 7403.1118000-10)
Фильтр топливный
Крышка
Пружина
Установка турбокомпрессоров на двигателе
Трубка слива в бак с краном
Установка системы выпуска
Установка радиатора
Установка уплотнителей радиатора
Установка кожуха радиатора
Установка водяного насоса, водяных труб и включателя гидромуфты
Коробка водяная
Насос водяной
Установка жалюзи радиатора
Жалюзи радиатора
Тяга управления жалюзи радиатора
Установка расширительного бачка
Установка гидромуфты
Гидромуфта привода вентилятора с передней крышкой
Колесо ведущее с ведущим валом
Вал ведущий
Колесо ведомое с ведомым валом
Корпус подшипника
Шкив привода генератора с манжетой
Включатель гидромуфты
Клапан термосиловой
Установка педали и привода выключения сцепления
Сцепление
Установка вентиляционных трубок
Картер сцепления
Картер сцепления
Рычаг оттяжной с вилкой и пружиной
Диск нажимной сцепления с кожухом
Диск ведущий средний
Педаль сцепления с кронштейном и главным цилиндром
Педаль сцепления
Главный цилиндр управления
Усилитель пневмогидравлический
Корпус пневмогидравлического усилителя задний
Поршень следящий с корпусом
Поршень выключения сцепления
Уплотнение поршня выключения сцепления
Клапан пневмогидравлического усилителя
Поршень пневматический
Коробка передач с картером сцепления
Картер коробки передач
Зал первичный коробки передач
Вал первичный коробки передач с втулкой
Крышка подшипника первичного вала
Крышка подшипника первичного вала
Вал промежуточный
Вал вторичный коробки передач
Крышка заднего подшипника вторичного вала
Механизм переключения передач
Механизм переключения передач
Крышка коробки передач верхняя
Вилка переключения второй и третьей передач
Вилка переключения четвертой и пятой передач
Опора рычага переключения передач
Привод управления механизмом переключения передач
Опора рычага переключения передач
Опора рычага переключения передач
Диск нажимной тормоза рычага
Кронштейн рычага переключения передач
Кронштейн опоры промежуточной тяги
Установка коробки раздаточной
Коробка раздаточная
Установка управления раздаточной коробкой
Установка управления раздаточной коробкой
Установка сменных шестерен привода спидометра
Вал первичный раздаточной коробки
Крышка переднего подшипника первичного вала
Вал промежуточный раздаточной коробки
Дифференциал раздаточной коробки
Обойма дифференциала раздаточной коробки с сателлитами
Обойма дифференциала раздаточной коробки
Ступица шестерни низшей передачи с втулкой
Шестерня низшей передачи
Крышка заднего подшипника привода заднего моста
Картер привода переднего моста
Картер привода переднего моста
Картер привода переднего моста
Механизм включения низшей передачи
Механизм включения высшей передачи
Шток включения низшей передачи
Шток включения высшей передачи
Кран управления раздаточной коробки
Установка карданных валов
Вал карданный заднего моста
Крестовина карданного вала
Вал карданный основной
Вал карданный переднего моста с карданами
Вал карданный среднего моста
Крестовина карданного вала
Мост передний
Мост передний
Мост передний
Мост передний
Передача главная переднего моста
Вал ведущий переднего моста
Крышка стакана подшипников
Дифференциал переднего моста
Опора шаровая поворотного кулака
Корпус поворотного кулака правый
Корпус поворотного кулака левый
Цапфа с втулкой правая
Цапфа с втулкой левая
Цапфа поворотного кулака правая
Цапфа поворотного кулака левая
Кольцо упорное
Мост задний
Мост задний
Картер заднего моста с механизмом блокировки
Цапфа правая
Цапфа левая
Передача главная заднего моста
Стакан подшипников
Крышка стакана подшипников
Шестерни ведомая коническая и ведущая цилиндрическая
Стакан подшипников
Дифференциал заднего моста
Сателлит с втулкой
Вилка блокировки в сборе
Установка переднего буфера
Буфер передний
Установка заднего буфера
Вилка буксирная
Установка буксирного прибора
Крюк буксирного прибора
Корпус буксирного прибора с крышкой
Установка передней подвески
Установка задней подвески
Рессора передняя
Ушко с втулкой и манжетами
Ушко с втулкой
Амортизатор передней подвески
Рессора задняя
Ушко с втулкой и манжетами
Ушко с втулкой
Установка колес
Колесо с шиной правое
Ступица колеса с барабаном тормоза
Держатель запасного колеса
Установка крана управления
Кран управления
Золотник
Головка подвода воздуха
Штуцер головки подвода воздуха
Кран запора воздуха
Установка системы накачки шин
Установка системы накачки шин
Установка рулевого механизма
Установка колонки рулевого управления
Установка трубопроводов рулевого управления
Механизм рулевой
Вал сошки с крышкой
Редуктор угловой
Насос рулевого усилителя (Вариант замены 4310-3407200-01)
Насос гидроусилителя руля
Фильтр насоса гидроусилителя руля
Тяга сошки
Тяга рулевой трапеции
Наконечник тяги рулевой трапеции правый
Наконечник тяги рулевой трапеции левый
Вал карданный рулевого управления
Клапан управления гидроусилителем руля
Корпус клапана управления гидроусилителем руля
Клапан обратный
Установка пневмотормозов
Установка пневмотормозов
Установка блока подготовки воздуха
Установка воздушных ресиверов
Установка тормозного крана
Установка четырехконтурного защитного клапана
Установка ускорительных клапанов
Установка клапанов управления тормозами прицепа
Установка регулятора тормозных сил
Установка вспомогательного тормоза
Суппорт переднего тормоза
Колодка тормоза с накладками
Колодка тормоза с накладками
Колодка тормоза с накладками
Колодка тормоза
Рычаг регулировочный переднего тормоза
Тормоз задний правый
Суппорт заднего тормоза
Рычаг регулировочный правый
Рычаг регулировочный левый
Установка охладителя
Установка компрессора
Компрессор
Картер в сборе
Головка цилиндра с крышкой
Крышка задняя в сборе
Поршень в сборе
Кран слива конденсата
Кран тормозной двухсекционный с педалью
Кран тормозной двухсекционный
Клапан контрольного вывода
Клапан контрольного вывода
Клапан защитный четырехконтурный
Кран экстренного растормаживания
Кран экстренного растормаживания (Вариант замены 53205-3515510)
Камера тормозная с пружинным энергоаккумулятором тип 24/24
Камера тормозная тип 24
Кран разобщительный
Головка соединительная типа "А"
Клапан управления тормозами прицепа с однопроводным приводом
Кран пневматический
Корпус вспомогательного тормоза с заслонкой
Цилиндр
Электрооборудование. Расположение на автомобиле
Установка выключателя сигнала к водителю
Установка плафона освещения платформы
Генератор с пальцем
Установка аккумуляторных батарей
Установка фары
Установка фонарей передних
Установка плафонов
Установка плафона спального места
Установка плафона освещения вещевого ящика
Установка подкапотной лампы
Установка задних фонарей
Установка фонаря заднего противотуманного
Установка фонаря подкузовной подсветки
Установка звуковых электрических сигналов
Установка предохранителей
Установка розетки внешнего запуска
Установка розетки переносной лампы
Установка розеток прицепа
Установка розетки переносной лампы
Установка розетки командира
Установка проводов на шасси
Установка проводов на кабине
Установка проводов на кабине
Установка проводов на кабине
Установка проводов на кабине
Установка бокового повторителя указателей поворота
Установка прерывателя указателей поворота
Установка прожектора
Установка малогабаритного выключателя массы
Установка фонарей автопоезда
Установка реле блокировки стартера
Установка противотуманных фар
Установка реле
Установка выключателя приборов и стартера
Установка подрулевого переключателя
Панель выключателей
Щиток приборов
Установка трубопроводов к шинному манометру
Установка трубопроводов к манометру
Установка датчиков аварийного давления воздуха
Установка фильтров радиопомех
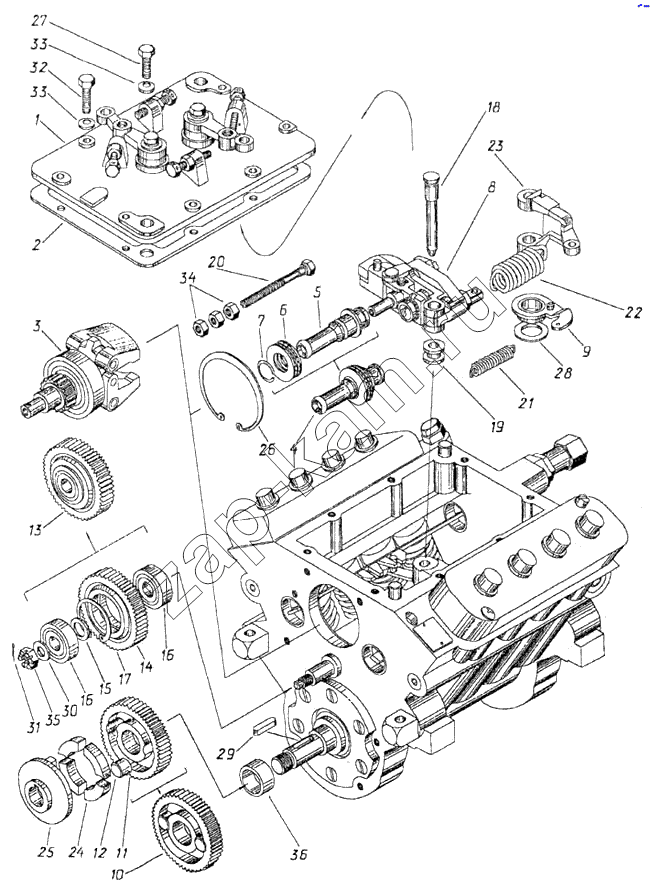
1
2
3
4
5
6
7
8
9
10
11
12
13
14
15
16
16
17
18
19
20
21
22
23
24
25
26
27
28
29
30
31
32
33
33
34
35
36
Поз.
Артикул
Название детали
Кол-во
33.1110-01
33.1110-01
Регулятор
1
33.1110024
Крышка регулятора верхняя в сборе
1
2
33.1110026
Прокладка верхней крышки регулятора
1
3
33.1110040-12
Державка грузов регулятора
1
4
33.1110060
Муфта регулятора
1
5
33.1110062
Муфта регулятора
1
6
33.1110618
Подшипник 8103
1
7
1/34008/73
Кольцо 16 стопорное
1
8
334.1110160
Рычаги с корректорами
1
9
33.1110505
Рычаг стартовой пружины
1
10
33.1110515-10
Шестерня регулятора ведущая
1
11
33.1110516
Шестерня
1
12
33.1110519-10
Вставка
2
13
33.1110670
Шестерня промежуточная в сборе
1
14
33.1110672
Шестерня
1
15
870627
Шайба 12
1
16
33.1110624
Подшипник 201
2
17
33.1110682
Кольцо пружинное упорное
1
18
33.1110088
Ось рычага регулятора
1
19
33.1110089
Втулка дистанционная
1
20
33.1110429
Болт регулировочный
1
21
332.1110448
Пружина рычага реек
1
22
33.1110462-10
Пружина регулятора
1
23
33.1110466
Рычаг пружины
1
24
33.1110517-10
Сухарь ведущей шестерни
4
25
33.1110521
Фланец ведущей шестерни
1
26
33.1110684
Кольцо пружинное упорное
1
27
870003
Болт М6-6gх20
2
28
870456
Шайба 16
1
29
870800
Шпонка 5х5х22
1
30
1/05196/01
Шайба плоская 8х17
1
31
1/07344/01
Шплинт разводной 2х25
1
32
1/09026/21
Болт М6-6gх25
6
33
1/11977/71
Шайба коническая пружинная 6х12
6
34
1/58962/11
Гайка ЕМ6-6Н
3
35
1/61056/11
Гайка М8-6Н
1
36
33.1110545
Втулка упорная ведущей шестерни
1
Содержащиеся в справочниках-каталогах запасные части и детали не предлагаются к продаже, а носят исключительно информационный характер
Дополнительная информация
×
Название:
Номер:
Примечание:
Войти
Имя пользователя
Пароль
Забыли пароль?
Запомнить меня
Войти
Поиск товаров
Поиск товаров
Корзина покупок