ЗапКам
zap-kam16@yandex.ru
(900) 323-41-41
Вход / Регистрация отключена
Вход
Избранное
0
по запросу
Каталог
Все товары и категории
Запчасти КАМАЗ
Двигатель
Двигатели в сборе
Евро-0
КамАЗ-4310
Урал-4320
КамАЗ-4350
Евро-1
КамАЗ-43114
Евро-2
КамАЗ-43118
КамАЗ-65115
КамАЗ-6520
Евро-3
Евро-4
Евро-5
Газовые
Блоки цилиндров
Блоки цилиндров Евро-0 КамАЗ
Блоки цилиндров Евро-1 КамАЗ
Блоки цилиндров Евро-2 КамАЗ
Блоки цилиндров Евро-3 КамАЗ
Блоки цилиндров Евро-4,5 КамАЗ Common Rail
Сборочные комплекты (лонг-, шорт-блоки)
Блоки управления
Валы коленчатые
Коленвалы Евро-0 КамАЗ
Коленвалы Евро-1 КамАЗ
Коленвалы Евро-2 КамАЗ
Коленвалы Евро-3 КамАЗ
Коленвалы Евро-4,5 КамАЗ Common Rail
Вкладыши коренные
Евро-3,4,5
Евро-0,1,2
Вкладыши шатунные
Евро-3,4,5
Евро-0,1,2
Валы распредительные
ЦПГ – поршневая
Поршневая Евро-4,-5 (740.602)
Поршневая Евро-2,-3 (740.60)
Поршневая Евро-1,-2 (740.30)
Поршневая Евро-0,1 (740)
Кольца поршневые
ТНВД
Евро-4-5 Common Rail
Евро-3
Евро-2
Евро-1
Евро-0
Система питания
Форсунки топливные
Распылители форсунок
Топливозаборники
ГБЦ
Евро-3,4,5 Common Rail
Евро-1,2,3
Евро-0
Газ
Турбокомпрессоры
ТРК Евро-4,5 (однотурбовые)
Евро-4
Евро-3
Евро-2
Евро-1
Насос водяной
Насос масляный
Маховики
Коробка передач
КПП в сборе
Валы
Валы вторичные
Валы первичные
Валы промежуточные
Шестерни
Синхронизаторы
Делители в сборе
Коробка раздаточная
РК в сборе
РК 6522
Дифференциалы
Валы
Валы первичные
Валы промежуточные
Вилки
Шестерни
Механизмы переключения
Трансмиссия
Мосты
Редукторы в сборе
Заднего моста
Переднего моста
Среднего моста
Зубьев
31, 35
50
49
48
47
46
КамАЗ
4310
43114
43118
4326
5320
53205
65115
43253
53229
6520
6522
4308
65111
65116
65117
55102
55111
53212
53215
54115
5410
5511
Мосты в сборе
Передние
Средние
Задние
6520, 6522 (20т)
65115 (15т)
65111 (15т)
43118 (10т)
43114 / 4310 (8т)
53205 Евро (10т)
5320 (8т)
5511 (10т)
МОД
Мадара
Подвеска в сборе
Ось передняя
Ось в сборе
Ходовая часть
Подвеска (тележка) в сборе
Колеса и шины
Рама
Рессоры
Лебедка
Механизмы управления
Отопление и вентиляция
Система выпуска
Сцепление
Тормоза
Кабина
Управление рулевое
Электрооборудование
Автомобили
КАМАЗ 5490
Двигатель 457
Двигатели в сборе
Сцепление
Кабина
Кузов
Мосты
Рама
Система выпуска
Тормоза
Управление рулевое
Ходовая часть
КАМАЗ К5
Двигатели WeiChai
Двигатели в сборе
Двигатели Р6
Двигатели 910 Р6 в сборе
Кабина
Сцепление
Тормоза
Управление рулевое
Электрооборудование
ZF
КПП ZF в сборе
16S EcoSplit
КПП 16s 1820 TO
КПП 16S 2220
9S Ecomid
12AS Astronic
12TX Traxon
Запчасти 12tx Traxon
Cummins
Двигатели в сборе
Блоки цилиндров
Коленвалы
Головки блока
Генератор
Китайские грузовики
Shaanxi HanDe
Fast Gear
Sitrak
Weichai
FAW
Laizhou Tongji
Европейские грузовики
Mercedes
Электрооборудование
Блоки управления
Блоки управления ADM
Блоки управления CPC4
Блоки управления двигателем
Блоки управления электрооборудованием
Датчики
Стартеры
Карданная передача
Карданы КамАЗ
Коробки отбора мощности
Прицепная техника
ССУ (Седла)
Ремонт
Ремонт двигателей
Ремонт КПП Камаз и ZF
Ремонт раздаток и редукторов
Ремонт кабин
Услуги
Комплектация заявок
Скупка запчастей и агрегатов
Контакты
Отправить заявку
Каталоги запчастей к технике
Грузовые
КамАЗ
53229 (Евро 2)
65115-3501011 Тормоз передний
Поиск
65115-3501011 Тормоз передний
/ КамАЗ 53229 (Евро 2)
zoom-in
zoom-out
enlarge
shrink
circle-right
circle-left
file-text2
info
cart
Тип техники
Не выбрано
Грузовые
Двигатели
Марка
Не выбрано
DAF
DongFeng
FAW
Foton
HOWO
IVECO
JAC Motors
MAN
Shaanxi
SITRAK
Volvo
Автокомпонент Плюс
ЗИЛ
КАЗ
КамАЗ
Мадара
НефАЗ
СЗАП
Тонар
УралАЗ
Модель
Не выбрано
4308 (2004)
4308 (2008)
4308 (Евро 3) (2013)
4308 (Евро 4) (2012)
4308-C4 (2019)
4308-C4 (2019)
4308-H3 (2019)
4308-R4 (2019)
4310
4310
43101
43114
43118 (2002)
43118 (Евро 4) (2012)
43253 (Часть-1) (2011)
43253 (Часть-2) (2011)
43253, 43255 (Евро-4) (2012)
43255 (Евро-2) (2012)
43255 (Евро-3) (2012)
4326 (2001)
4326 (2003г)
43261 (Евро-1, 2) (2007)
4350 (4х4) (2004)
43501 (4х4) (2007)
43502 (Евро 4) (2013)
45141 (2009)
45142 (2009)
45143 (2009)
5308 (Евро 3) (2012)
5308 (Евро 4) (2013)
5315
5320
53212
53228, 65111 (2004)
53229 (Евро 2) (2010)
5350 (6х6) (2004)
53501 (6х6) (2007)
53504 (6х6) (2007)
5360
53605 (Евро-4) (2013)
5410
54112
5460
5460 (2005)
5490 (2016)
55102
5511 (2003)
6350 (8х8) (2004)
63501 (8х8) (2007)
6450 (8х8) (2007)
6460
6460 (Евро 3, 4) (2013)
6460 (Евро 4) (2013)
65111 (2008)
65111 (Евро 4) (2012)
65115 (2001)
65115 (2009)
65115 (Евро-3) (2013)
65115, 65116 (Евро-4) (2010)
65116 (2006)
6520
6520 (Euro-2, 3) (2009)
6520 (Euro-4) (2012)
6520 (Euro-4) (2016)
65201 (2007)
65201 Евро 2-3 (2016)
6522 (2005)
6522 (Euro-2, 3) (2009)
6522 (Евро-4) (2016)
65226 (2009)
65226 (2013)
6540
KNORR-BREMSE для КамАЗ
Общий (5320, 53212, 5410, 54112, 5511, 55102)
Самосв. установка 6520 (2011)
Схема
>
Не выбрано
53205-5000006-93 Установка кабины с оперением
54115-5000003 Переднее крепление и механизм уравновешивания кабины
43114-5000014-83 Кабина с дверями окрашенная
53205-5000075 Установка ремней безопасности
54115-5000079-50 Установка механизма опрокидывания кабины
53205-5000120 Установка сиденей
53205-5001006-10 Установка задней подвески кабины
5320-5001010 Кронштейн переднего крепления кабины верхний
5320-5001080 Рессора кабины
43114-5002051-10 Установка ограничителя кабины
4310-5002074 Шпилька стопорная
43114-5003014 Гидроцилиндр МОК
4310-5003014 Цилиндр опрокидывающего механизма кабины
4310-5003010 Гидроцилиндр
4310-5003038 Поршень
53205-5018010 Запор кабины правый
53205-5018011 Запор кабины левый
5320-5018014 Корпус запора кабины правый
53205-5018060-10 Кронштейн запора кабины правый
5320-5300023 Установка панели приборов
5320-5301047/046 Панель передка боковая съемная
5320-5303012 Ящик вещевой
5320-5303020-01 Дверка вещевого ящика
5320-5303039/038 Ограничитель
53229-5614200 Установка шумоизоляционного экрана
53205-5713008 Установка вентиляционного люка крыши
53205-6100005 Установка стекол и арматуры двери
53205-6100014 Дверь правая
53205-6100015 Дверь левая
53205-6104011/010 Стеклоподъемник двери
53205-6104030 Механизм стеклоподъемника двери
5320-6105020-10/021-10 Замок двери правый/левый
5320-6105034-10/ 035-10 Фиксатор замка правый/левый в сборе
5320-6105080/81 Привод замка двери правый/левый в сборе
5320-6105150 Ручка двери наружная
5320-6106083 Ограничитель двери
53205-6800010 Сидение водителя
5320-6804010 Механизм подрессоривания сиденья водителя
53205-6830010 Сиденье пассажирское с ящиком
53205-8100005 Элементы отопления и вентиляции кабины
5320-8105160 Кран отопления
5320-8109020-10 Привод управления отоплением
5220-8118069 Колесо рабочее с электродвигателем
53205-8106001 Установка подогревателя 15.8106
54115-8106001 Установка подогревателя 14TC-01
54115-8106002 Установка топливного бачка и топливопроводов подогревателя 14ТС-01
53215-8106001 Установка подогревателя ПЖД-12
53215-8106002 Установка топливного бачка и топливопроводов подогревателя ПЖД-12
5320-8105010 Кран сливной
53205-8201002 Установка зеркал заднего вида
5320-8202200\201 Ручка правая\левая
5320-8203010-01 Пепельница
5320-8204011\10 Козырек противосолнечный с обивкой левый\правый
53205-8213005 Установка надоконной полки и противосолнечных козырьков
5320-8400012 Установка оперения кабины
43114-8401010-04 Панель облицовочная
5320-8406010-01 Замок панели
53205-8410003 Установка боковой защиты
65117-8410003-10 Установка боковой защиты
65115-8415011 Обтекатель
53229-1000260-01 Агрегат силовой, укомплектованный для установки на автомобиль
53215-1000260-12 Агрегат силовой, укомплектованный для установки на автомобиль
43253-1000266-16 Агрегат силовой, укомплектованный для установки на автомобиль
740.31-1000300 Агрегат силовой КАМАЗ 740.31-240
740.31-1000300-04 Агрегат силовой КАМАЗ 740.31-240
740.31-1000301-23 Агрегат силовой КАМАЗ 740.31-240
740.31-1000400-02 Двигатель с оборудованием 740.31-240
740.31-1000400-04 Двигатель с оборудованием 740.31-240
740.31-1000400-40 Двигатель с оборудованием 740.31-240
740.31-1000401-23 Двигатель с оборудованием 740.31-240
53229-1001005 Установка силового агрегата
53229-1001015 Кронштейн передней опоры
5320-1001062-10 Башмак задней опоры силового агрегата
740.21-1002004 Установка-картера маховика
740.1029114 Шестерня, ведущая привода распределительного вала
7405.1029120 Шестерня, ведомая привода топливного насоса
740.1029175 Корпус заднего подшипника
7405.1002310 Картер маховика
740.1029170 Корпус переднего подшипника
740.13-1002010 Блок цилиндров
740.21-1002011 Блок цилиндров
740.1002080 Заглушка водяной полости
740.1003035 Втулка с кольцами
740.21-1003000 Установка головок цилиндра и механизма газораспределения
740.30-1003010 Головка цилиндра с клапанами
740.30-1003014 Головка цилиндра
7406.1007091 Стойка коромысел в сборе
7406.1007140 Коромысло клапана в сборе
740.1003434 Заглушка с кольцом
740.30-1004010-40 Поршень с шатуном и кольцами
740.31-1004010-42 Поршень с шатуном и кольцами
740.1004045 Шатун
7405.1004120 Установка форсунки охлаждения поршня
7405.1004066 Клапан форсунки охлаждения поршня
740.13-1005007 Установка вала коленчатого
740.13-1005007-20 Установка вала коленчатого
740.13-1005008 Вал коленчатый
740.13-1005008-50 Вал коленчатый
740.21-1005059-10 Установка гасителя крутильных колебаний и полумуфты отбора мощности
740.21-1005100 Установка маховика и фиксатора
740.21-1005100-20 Установка маховика и фиксатора
7405.1005115-50 Маховик
7405.1005115-20 Маховик
7405.1005116-20 Маховик
7405.1005116 Маховик
740.1005440-10 Фиксатор маховика
7406.1005060-20 Установка шкива коленчатого вала
7406.1005050 Шкив
7406-1005200 Установка привода отбора мощности переднего
7406.1005500 Привод агрегатов
7406.1002260 Крышка блока цилиндров передняя
7406.1005250 Корпус подшипника
7406.1005535 Вал отбора мощности
7406.1008000 Установка газопровода
740.21-1009001-01 Установка картера масляного
740.1009050 Указатель уровня масла с уплотнителем
740.1009048-40 Трубка указателя уровня
740.11-1011001 Установка масляного насоса
740.11-1011005 Масляный насосе маслозаборником в сборе
740.11-1011010 Масляный насос с шестерней
740.11-1011014 Насос масляный
740.11-1011016 Крышка масляного насоса с клапаном
740.1011018-50 Корпус насоса
740.11 -1011019 Крышка масляного насоса в сборе
740.1011030-50 Шестерня, ведомая масляного насоса
7406.1011398 Маслозаборник
7406.1012001-30 Установка фильтра и теплообменника
740.20-1012006 Фильтр масляный с теплообменником
7406.1012010 Фильтр очистки масла
7406.1012015 Корпус масляного фильтра в сборе
740.20-1012068 Колпак масляного фильтра
740.20-1013200-10 Теплообменник масляный
740.20-1013210 Сердцевина
740.1014100-14 Установка системы вентиляции
7406-1014504 Угольник сапуна
740.1014498 Трубка сапуна со втулкой
7406.1022800 Установка электромагнитного клапана
7482.1022800-10 Установка магнитного клапана (ТНВД «BOSCH»)
7406.1022860 Клапан с кронштейном и трубкой
53229-1100001 -50 Установка топливного бака, ФГОТ и топливопроводов
65115-1100030 Установка топливного бака, ФГОТ и топливопроводов
5320-1101010-10 Бак топливный
53215-1101010-01 Бак топливный
5320-1101070-10 Труба наливная топливного бака с выдвижной трубой
541121-1101070 Труба наливная топливного бака с выдвижной трубой
5320-1104012 Трубка приемная с фильтром
43253-1104000 Установка топливопроводов
55111-1104000-90 Установка топливопроводов (ТНВД «BOSCH»)
54115-1108003 Управление подачей топлива
54115-1108003-10 Управление подачей топлива
54115-1108040 Толкатель
5320-1108120-99 Тяга ручного управления подачей топлива двигателя
5425-1108130 Тяга ручного останова двигателя
6520-1108130 Тяга ручного останова двигателя
43253-1109001-10 Установка воздушного фильтра
53205-1109003 Установка воздухозаборника
6520-1109048 Установка тройника
6520-1109049 Тройник
740.21-1104000 Установка топливопроводов
740.50-1104000-90 Установка топливопроводов (ТНВД «BOSCH»)
740.21-1117010 Фильтр тонкой очистки топлива
740.1117029 Пружина
7406.1108000 Привод управления регулятором
7482.1108000 Привод управления регулятором
7406.1108030 Кронштейн с валом привода
7482.1108030 Кронштейн с валом привода
7406.1108038 Кронштейн вала привода
7406.1108050 Тяга привода управления регулятором
7482.1108050 Тяга привода управления регулятором
740.1108054 Наконечник тяги рычага управления регулятором
7482.1108054 Наконечник с косынкой
740.31-1111000-40 Установка ТНВД
740.31-1111000-90 Установка и привод ТНВД
740.50-1111005-90 ТНВД с фланцем и полумуфтой ведомой
7406.1111050 Вал привода ТНВД
7482.1111050 Вал привода ТНВД
740.50-1112000 Установка форсунки
740.30-1112000-90 Установка форсунки
7406.1115000-30 Установка системы впуска
7406.1115012-40 Коллектор впускной правый
7406.1115014-40 Коллектор впускной левый
7406.1115030-20 Патрубок соединительный
7406.1115045-40 Патрубок объединительный
7406.1115110-20 Тройник
7406.1115122-10 Труба подводящая
740.30-1118000 Установка турбокомпрессора
7406.1118010 Турбокомпрессор
7405.1118018 Корпус подшипников с ротором
7405.1118020 Корпус подшипников с подшипниками
7405.1118080 Ротор с колесом компрессора
53205-1170000 Установка системы OHB
3371.1111005-20.05 Насос топливный высокого давления
332.1106010 Топливный насос низкого давления
Крышка регулятора верхняя в сборе
333.1110040-20 Державка грузов регулятора
333.1110160-32 Рычаг регулятора
333.1110700-30 Корректор подачи топлива по наддуву
323.1111039-01 Секция топливного насоса
273.1112010-20, 273.1112010-50 Форсунка
37.1141010 Насос предпусковой прокачки топлива
Система питания двигателя
332.1106010-01 Топливный насос низкого давления
33.1110024 Крышка регулятора верхняя
333.1110040 Державка грузов регулятора
332.1110160-50 Рычаги с корректорами
332.1110-40 Регулятор частоты вращения
337.1111005-42 Топливный насос высокого давления
Корпус топливного насоса в сборе
337.1111039-10 Секция топливного насоса
37.1141010 Насос предпусковой прокачки топлива
54115-1200002-31 Установка системы выпуска
54115-1300023-10 Установка радиатора
7406.1303002 Установка водяных труб
7406.1303100-10 Труба водяная правая
7406.1303101-10 Труба водяная левая
7406.1303005 Установка корпуса водяных каналов
7406.1303010-10 Корпус водяных каналов
740.20-1303013 Крышка с пробкой
740.30-1317570 Фланец крепления датчика включения вентилятора с пробкой
740.13-1305010 Установка кранов сливных системы охлаждения привода управления
5320-1305010 Кран сливной системы охлаждения
5320-1305015 Пробка крана
5320-1305030 Пробка с шариком и держателем
7406.1307005 Установка водяного насоса
7406.1307010-01 Водяной насос
740.51-1308010 Установка вентилятора
7406.1308010-01 Установка вентилятора с муфтой привода
7406.1309007-10 Установка обечайки вентилятора
54115-1311005-10 Установка расширительного бачка
5320-1311010-30 Бачок расширительный
5320-1311060 Пробка расширительного бачка
5320-1311086-30 Скоба верхняя
740.30-1317005 Установка электромагнитной муфты
740.30-1317500 Муфта электромагнитная привода вентилятора
740.30-1317510 Шкив со ступицей вентилятора
740.30-1317520 Ступица вентилятора с фрикционным диском
43118-1600006-10 Установка педали и привода выключения сцепления
142.1600010 Сцепление
17.1600010 Сцепление
142.1601090 Диск нажимной сцепления с кожухом
17.1601090 Диск нажимной с кожухом
14.1601086 Рычаг оттяжной с вилкой и пружиной
6520-1602008 Педаль сцепления с кронштейном и главным цилиндром
6460-1602010 Педаль сцепления
5320-1602510-10 Главный цилиндр управления сцеплением
5320-1602512 Главный цилиндр
5320-1602568 Толкатель
5320-1602560 Бачок главного цилиндра привода сцепления
5320-1609510-40 Пневмогидравлический усилитель
5320-1609516 Корпус пневмогидравлического усилителя задний
5320-1609534 Поршень следящий с корпусом
5320-1609552 Поршень выключения сцепления
5320-1609556 Уплотнение поршня выключения сцепления
5320-1609570 Диафрагма ПГУ
5320.1609578 Клапан пневмогидравлического усилителя
5320-1609592 Поршень пневматический
152.1700070 Коробка передач с делителем, управлением и деталями сцепления
152.1700070-41 Коробка передач с делителем, управлением и деталями сцепления
152.1700151 Коробка передач
14.1701010 Картер коробки передач
152.1701025 Вал первичный коробки передач
152.1701027 Вал первичный с втулкой
14.1701039-40 Крышка подшипника первичного вала
14.1701047 Вал промежуточный
142.1701100 Вал вторичный
14.1701200 Крышка заднего подшипника вторичного вала
14.1702010 Механизм переключения передач
14.1702013 Крышка коробки передач верхняя
14.1702026 Вилка переключения 2-ой и 3-ей передач
14.1702031 Вилка переключения 4-ой и 5-ой передач
14.1702200-10 Опора рычага переключения передач
142.1702200 Опора рычага переключения передач
152.1770011-40 Делитель передач с управлением
15.1770030-01 Картер делителя передач с втулками
152.1770040 Вал первичный делителя передач
15.1770210-01 Вал промежуточный делителя передач
15.1771010 Механизм переключения делителя передач
15.1771020 Корпус механизма переключения делителя передач
15.1771050 Поршень с манжетами
15.1771110 Валик вилки мезанизма переключения с рычагом
15.1772010 Воздухораспределитель механизма переключения
15.1772020-01 Корпус воздухораспределителя с гнездами золотника
15.1772100 Редукционный клапан управления механизмом переключения
152.1703005-20 Привод управления механизмом переключения передач
154.1703204 Опора рычага переключения передач с рычагом и краном управления
152.1703284-20 Кронштейн опоры промежуточной тяги управления
142.1703362 Серьга со втулкой
152.1703520-20 Тяга поперечная
152.1703620-20 Рычаг
152.1703622-20 Рычаг
152.1703637-20 Рычаг
15.1772132 Кран управления делителем передач с тросом
154.1772005 Установка пневмопривода управлением переключения передач
53205-2200001-10 Установка карданных валов
53205-2201011-10 Вал карданный заднего моста
53205-2201017-10 Вал карданный с шарниром
53205-2201020 Шарнир приварной
53205-2201050 Вилка скользящая с шарниром
53205-2205011-10 Вал карданный среднего моста
53205-2205017-10 Вал карданный с шарниром
53205-2205020 Шарнир приварной
53205-2205050 Вилка скользящая с шарниром
53205-2205026-10 Крестовина карданного вала
65115-2400022-10 Мост задний
65115-2400025-10 Мост задний
53229-2401007 Картер заднего моста
55102-2409016 Вилка блокировки
53205-2402010-10 Передача главная заднего моста
53205-2402011-10 Передача главная заднего моста
53205-2402021 Вал ведущий заднего моста
5320-2402048 Стакан подшипников
5320-2402050 Крышка стакана подшипников
5320-2402064-10 Шестерня ведомая коническая
5320-2402108 Стакан подшипников
53215-2403010-10 Дифференциал заднего моста
53229-2403011-10 Дифференциал заднего моста
53212-2403054 Сателлит дифференциала заднего моста с втулкой
65115-2411020 Привод блокировки межколесных дифференциалов
65115-2500022-10 Мост средний
65115-2500025-10 Мост средний
53205-2502010-10 Передача главная среднего моста
53205-2502011-10 Передача главная среднего моста
5320-2502012 Шестерня ведущая коническая
5320-2502208 Крышка подшипника
53205-2506010 Дифференциал межосевой
5320-2506026 Крышка подшипника
53212-2506054 Сателлит межосевого дифференциала с втулкой
5320-2509010 Механизм блокировки
65115-2511021 Привод блокировки межосевого дифференциала
5320-2511060 Кран включения блокировки
5320-2511066 Шток
53229-2800010-16 Рама
5320-2800016 Установка кронштейнов
5325-2803003 Установка переднего буфера
5325-2803005 Буфер передний с клыками
5410-2806040 Установка буксирной проушины
53229-2900001-10 Установка передней подвески
4925-2902012-10 Рессора передняя
43114-2902018 Ушко с втулкой и манжетами
43114-2902020 Ушко с втулкой
5320-2905534 Кронштейн амортизатора
65115-2906070 Кронштейн стабилизатора
5511-2900002 Установка задней подвески
5322-2912012 Рессора задняя
5322-2912012-02 Рессора задняя
5511-2918050 Ось балансирной подвески с кронштейнами
55111-2918068 Башмак рессоры с втулками и сальником
55111-2918070 Башмак рессоры с втулками
630-2190012-20 Штанга реактивная
65115-3000012-03 Ось передняя с тормозами
53205-3000015-01 Ось передняя
53205-3001012-10 Кулак поворотный
53215-3101002 Установка передних дисковых колёс
65115-3101002-50 Установка передних дисковых колес
53215-3101003 Установка сдвоенных колес
65115-3101003-50 Установка сдвоенных дисковых колес
53215-3101011 Колесо 7,5-20 с шиной
65115-3101011-50 Колесо 7,5-20 с шиной
65115-3104010 Ступица заднего колеса с барабаном тормоза
53229-3105010 Держатель запасного колеса
4310-3400012 Установка рулевого механизма
5425-3400014 Установка колонки рулевого управления
53205-3400018-10 Установка трубопроводов
4310-3400020 Механизм рулевой
4310-3401010 Картер механизма рулевого управления
4310-3401063 Вал сошки с крышкой
4310-3401710 Редуктор угловой механизма рулевого управления
4310-3401716 Корпус углового редуктора механизма рулевого управления
4310-3401720 Крышка корпуса с манжетами
4310-3401736 Шестерня ведущая углового редуктора с корпусом
4310-3401750 Шестерня ведомая углового редуктора
740.30-3407005 Установка насоса рулевого усилителя
4310-3407200-20 Насос гидроусилителя руля
4310-3407201 -02 Насос гидроусилителя руля
4310-3407338-10 Фильтр насоса гидроусилителя руля
53205-3422010-75 Вал карданный
4310-3430012 Клапан управления гидроусилителем руля
4310-3430014 Корпус клапана управления гидроусилителем руля
5320-3430220-01 Клапан обратный
5425-3444009 Колонка рулевого управления с замком противоугонного устройства
5425-3444010 Колонка рулевого управления
53205-3500006-71 Установка пневмотормозов
53215-3500006-71 Установка пневмотормозов
65115-3500011 Установка блока подготовки воздуха
5320-3500013-10 Установка воздушных ресиверов
6520-3500014 Установка двухсекционного тормозного крана
5320-3500015-10 Установка четырехконтурного защитного клапана
5320-3500018-10 Установка ускорительного клапана
54112-3500033 Установка регулятора тормозных сил
53205-3500037-22 Установка кабелей АБС
53205-3500037-41 Установка кабелей АБС
53205-3500037-45 Установка кабелей АБС
53205-3500042-41 Установка модуляторов АБС
5320-3500062-10 Установка двухмагистрального клапана
53205-3500070 Тормоз вспомогательный и его привод
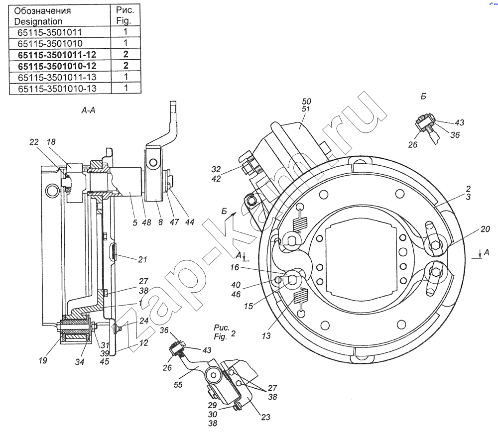
65115-3501011 Тормоз передний
5320-3501013-10 Суппорт переднего тормоза
6540-3502011 Тормоз задний левый
5320-3502012-10 Суппорт заднего тормоза
53212-3501090-10 Колодка тормоза с накладками
53205-3506042-41 Установка пневмоуправления системой АБС
43118-3506180 Установка охладителя
7405.3509003 Установка компрессора
53205-3509015 Компрессор
53205-3509018 Картер компрессора
53205-3509039 Головка цилиндра с крышкой
53205-3509088 Крышка задняя в сборе
53205-3509154 Поршень в сборе
5320-3514108 Кран тормозной двухсекционный с педалью
100-3514108-10 Кран тормозной двухсекционный
16-3515310 Клапан контрольного вывода
53205-3515400-10 Клапан защитный четырехконтурный
53205-3515510 Кран экстренного растормаживания
100-3518010-10 Клапан ускорительный
100-3537110 Кран аварийного растормаживания в сборе
53229-3700011-50 Электрооборудование. Расположение на автомобиле
53229-3700011-40 Электрооборудование. Расположение на автомобиле
53229-3700011-80 Электрооборудование: Расположение на автомобиле
7406.3701002-20 Установка генератора
53215-3703001-88 Установка аккумуляторных батарей
740.13-3708005 Установка стартера
53215-3709002 Установка подрулевого переключателя
53229-3710428-50 Панель выключателей
54115-3710428-50 Панель выключателей
53205-3711001 Установка фар и передних указателей поворота
53205-3714001-10 Установка плафонов
53205-3714003 Установка плафона освещения вещевого ящика
5320-3715001 Установка подкапотной лампы
5410-3716002 Установка задних фонарей
6426-3716002-16 Установка задних фонарей
54112-3716006 Установка фонаря заднего хода
54112-3716007 Установка фонаря заднего противотуманного
53215-3718001-85 Установка электромеханического корректора
5320-3721001-10 Установка звуковых электрических сигналов
53205-3722501 Установка предохранителей
53205-3723005 Установка розетки переносной лампы
53215-3726001 Установка бокового повторителя указателей поворота
53215-3726002 Установка прерывателя указателей поворота
54115-3731001 Установка боковых габаритных фонарей на переднем крыле
5320-3737001-01 Установка малогабаритного выключателя массы
5425-3738002 Установка габаритных фонарей
43118-3747001 Установка реле
6520-3747195 Установка реле блокировки стартера
3122.3771 Генератор с проводом
53215-3805010-94 Щиток приборов
43114-3830001 Установка трубопроводов к манометру
53205-3830002 Установка датчиков аварийного давления воздуха
65115-3501010
65115-3501011
65115-3501010-13
65115-3501011-13
65115-3501011-12
65115-3501010-12
1
1
1
2
2
2
3
5
5
5
8
8
8
12
13
15
16
18
18
18
19
20
21
22
23
23
23
26
26
27
27
29
30
31
32
34
36
36
38
38
38
39
40
42
43
43
44
45
46
47
48
50
51
55
55
55
Поз.
Артикул
Название детали
Кол-во
65115-3501010
65115-3501010
Тормоз передний правый
1;
65115-3501011
65115-3501011
Тормоз передний левый
1;
65115-3501010-13
65115-3501010-13
Тормоз передний правый
1;
65115-3501011-13
65115-3501011-13
Тормоз передний левый
1;
65115-3501011-12
65115-3501011-12
Тормоз левый
1;
65115-3501010-12
65115-3501010-12
Тормоз правый
1;
1
5320-3501012-10
Суппорт переднего тормоза правый в сборе
1;
1
5320-3501013-10
Суппорт переднего тормоза левый в сборе
1;
2
53212-3501090-10
Колодка переднего тормоза с накладками
2;
2
53205-3501090-40
Колодка переднего тормоза с накладками
2;
3
53205-3501090-41
Колодка тормоза с накладками в сборе
2;
5
5511-3502120-10
Кронштейн тормозной камеры и разжимного кулака тормоза правый в сборе
1;
5
5511-3502121-10
Кронштейн тормозной камеры и разжимного кулака тормоза левый в сборе
1;
8
53229-3502237
Рычаг регулировочный тормоза левый в сборе
1;
8
53229-3502136
Рычаг регулировочный тормоза правый в сборе
1;
12
53212-3501030-12
Щиток переднего тормоза
1;
13
5320-3501035-10
Пружина оттяжная колодок
1;
15
5320-3501107-10
Ось ролика колодки тормоза
2;
16
5320-3501109-10
Ролик колодки тормоза
2;
18
5320-3502110-10
Кулак разжимной тормоза правый
1;
18
5320-3502111-10
Кулак разжимной тормоза левый
1;
19
53212-3501132-10
Ось колодки тормоза
2;
20
5320-3501133-10
Фиксатор оси колодки
2;
21
53212-3501031-10
Заглушка
2;
22
740.1003439
Кольцо уплотнительное
4;
23
6520-3501157
Кронштейн левый
1;
23
6520-3501156
Кронштейн правый
1;
26
260088
Палец 12х38 ОСТ 37.001.163-97
1;
27
1/60431/21
Болт М8-6gх14
4;
29
1/60434/21
Болт М8-6gх20
1;
30
1/61008/11
Гайка М8х1,25-6Н
1;
31
1/21647/21
Гайка М10х1,25-6Н
2;
32
1/21641/21
Гайка М16х1,5-6Н
2;
34
1/26443/01
Шайба плоская 10х35х3
2;
36
1/05200/01
Шайба плоская 12х22х3
1;
38
1/05166/77
Шайба 8 пружинная
4;
39
1/05168/77
Шайба 10 пружинная
2;
40
1/05171/77
Шайба 14 пружинная
4;
42
1/05172/77
Шайба 16 пружинная
2;
43
1/07969/01
Шплинт 3,7х25
1;
44
1/07983/01
Шплинт 5,7х40
1;
45
853066
Болт М10х1,25-6gх75
2;
46
853063
Болт фланцевый М14х1,5-6gх40
4;
47
853641
Шайба плоская 27х45х3
1;
48
853642
Шайба регулировочная 38,5х56х1
2;
50
661-3519310
Камера тормозная тип 30
1;
51
25.3519311
Камера тормозная тип 30
1;
55
45104350236490
Рычаг регулировочный 79364
1;
55
45104350236590
Рычаг регулировочный 79365
1;
Содержащиеся в справочниках-каталогах запасные части и детали не предлагаются к продаже, а носят исключительно информационный характер
Дополнительная информация
×
Название:
Номер:
Примечание:
Войти
Имя пользователя
Пароль
Забыли пароль?
Запомнить меня
Войти
Поиск товаров
Поиск товаров
Корзина покупок