ЗапКам
zap-kam16@yandex.ru
(900) 323-41-41
Вход / Регистрация отключена
Вход
Избранное
0
по запросу
Каталог
Все товары и категории
Запчасти КАМАЗ
Двигатель
Двигатели в сборе
Евро-0
КамАЗ-4310
Урал-4320
КамАЗ-4350
Евро-1
КамАЗ-43114
Евро-2
КамАЗ-43118
КамАЗ-65115
КамАЗ-6520
Евро-3
Евро-4
Евро-5
Газовые
Блоки цилиндров
Блоки цилиндров Евро-0 КамАЗ
Блоки цилиндров Евро-1 КамАЗ
Блоки цилиндров Евро-2 КамАЗ
Блоки цилиндров Евро-3 КамАЗ
Блоки цилиндров Евро-4,5 КамАЗ Common Rail
Сборочные комплекты (лонг-, шорт-блоки)
Блоки управления
Валы коленчатые
Коленвалы Евро-0 КамАЗ
Коленвалы Евро-1 КамАЗ
Коленвалы Евро-2 КамАЗ
Коленвалы Евро-3 КамАЗ
Коленвалы Евро-4,5 КамАЗ Common Rail
Вкладыши коренные
Евро-3,4,5
Евро-0,1,2
Вкладыши шатунные
Евро-3,4,5
Евро-0,1,2
Валы распредительные
ЦПГ – поршневая
Поршневая Евро-4,-5 (740.602)
Поршневая Евро-2,-3 (740.60)
Поршневая Евро-1,-2 (740.30)
Поршневая Евро-0,1 (740)
Кольца поршневые
ТНВД
Евро-4-5 Common Rail
Евро-3
Евро-2
Евро-1
Евро-0
Система питания
Форсунки топливные
Распылители форсунок
Топливозаборники
ГБЦ
Евро-3,4,5 Common Rail
Евро-1,2,3
Евро-0
Газ
Турбокомпрессоры
ТРК Евро-4,5 (однотурбовые)
Евро-4
Евро-3
Евро-2
Евро-1
Насос водяной
Насос масляный
Маховики
Коробка передач
КПП в сборе
Валы
Валы вторичные
Валы первичные
Валы промежуточные
Шестерни
Синхронизаторы
Делители в сборе
Коробка раздаточная
РК в сборе
РК 6522
Дифференциалы
Валы
Валы первичные
Валы промежуточные
Вилки
Шестерни
Механизмы переключения
Трансмиссия
Мосты
Редукторы в сборе
Заднего моста
Переднего моста
Среднего моста
Зубьев
31, 35
50
49
48
47
46
КамАЗ
4310
43114
43118
4326
5320
53205
65115
43253
53229
6520
6522
4308
65111
65116
65117
55102
55111
53212
53215
54115
5410
5511
Мосты в сборе
Передние
Средние
Задние
6520, 6522 (20т)
65115 (15т)
65111 (15т)
43118 (10т)
43114 / 4310 (8т)
53205 Евро (10т)
5320 (8т)
5511 (10т)
МОД
Мадара
Подвеска в сборе
Ось передняя
Ось в сборе
Ходовая часть
Подвеска (тележка) в сборе
Колеса и шины
Рама
Рессоры
Лебедка
Механизмы управления
Отопление и вентиляция
Система выпуска
Сцепление
Тормоза
Кабина
Управление рулевое
Электрооборудование
Автомобили
КАМАЗ 5490
Двигатель 457
Двигатели в сборе
Сцепление
Кабина
Кузов
Мосты
Рама
Система выпуска
Тормоза
Управление рулевое
Ходовая часть
КАМАЗ К5
Двигатели WeiChai
Двигатели в сборе
Двигатели Р6
Двигатели 910 Р6 в сборе
Кабина
Сцепление
Тормоза
Управление рулевое
Электрооборудование
ZF
КПП ZF в сборе
16S EcoSplit
КПП 16s 1820 TO
КПП 16S 2220
9S Ecomid
12AS Astronic
12TX Traxon
Запчасти 12tx Traxon
Cummins
Двигатели в сборе
Блоки цилиндров
Коленвалы
Головки блока
Генератор
Китайские грузовики
Shaanxi HanDe
Fast Gear
Sitrak
Weichai
FAW
Laizhou Tongji
Европейские грузовики
Mercedes
Электрооборудование
Блоки управления
Блоки управления ADM
Блоки управления CPC4
Блоки управления двигателем
Блоки управления электрооборудованием
Датчики
Стартеры
Карданная передача
Карданы КамАЗ
Коробки отбора мощности
Прицепная техника
ССУ (Седла)
Ремонт
Ремонт двигателей
Ремонт КПП Камаз и ZF
Ремонт раздаток и редукторов
Ремонт кабин
Услуги
Комплектация заявок
Скупка запчастей и агрегатов
Контакты
Отправить заявку
Каталоги запчастей к технике
Грузовые
КамАЗ
5460
Установка подогревателя 14ТС-10
Поиск
Установка подогревателя 14ТС-10
/ КамАЗ 5460
zoom-in
zoom-out
enlarge
shrink
circle-right
circle-left
file-text2
info
cart
Тип техники
Не выбрано
Грузовые
Двигатели
Марка
Не выбрано
DAF
DongFeng
FAW
Foton
HOWO
IVECO
JAC Motors
MAN
Shaanxi
SITRAK
Volvo
Автокомпонент Плюс
ЗИЛ
КАЗ
КамАЗ
Мадара
НефАЗ
СЗАП
Тонар
УралАЗ
Модель
Не выбрано
4308 (2004)
4308 (2008)
4308 (Евро 3) (2013)
4308 (Евро 4) (2012)
4308-C4 (2019)
4308-C4 (2019)
4308-H3 (2019)
4308-R4 (2019)
4310
4310
43101
43114
43118 (2002)
43118 (Евро 4) (2012)
43253 (Часть-1) (2011)
43253 (Часть-2) (2011)
43253, 43255 (Евро-4) (2012)
43255 (Евро-2) (2012)
43255 (Евро-3) (2012)
4326 (2001)
4326 (2003г)
43261 (Евро-1, 2) (2007)
4350 (4х4) (2004)
43501 (4х4) (2007)
43502 (Евро 4) (2013)
45141 (2009)
45142 (2009)
45143 (2009)
5308 (Евро 3) (2012)
5308 (Евро 4) (2013)
5315
5320
53212
53228, 65111 (2004)
53229 (Евро 2) (2010)
5350 (6х6) (2004)
53501 (6х6) (2007)
53504 (6х6) (2007)
5360
53605 (Евро-4) (2013)
5410
54112
5460
5460 (2005)
5490 (2016)
55102
5511 (2003)
6350 (8х8) (2004)
63501 (8х8) (2007)
6450 (8х8) (2007)
6460
6460 (Евро 3, 4) (2013)
6460 (Евро 4) (2013)
65111 (2008)
65111 (Евро 4) (2012)
65115 (2001)
65115 (2009)
65115 (Евро-3) (2013)
65115, 65116 (Евро-4) (2010)
65116 (2006)
6520
6520 (Euro-2, 3) (2009)
6520 (Euro-4) (2012)
6520 (Euro-4) (2016)
65201 (2007)
65201 Евро 2-3 (2016)
6522 (2005)
6522 (Euro-2, 3) (2009)
6522 (Евро-4) (2016)
65226 (2009)
65226 (2013)
6540
KNORR-BREMSE для КамАЗ
Общий (5320, 53212, 5410, 54112, 5511, 55102)
Самосв. установка 6520 (2011)
Схема
>
Не выбрано
Установка кабины с оперением
Переднее крепление и механизм уравновешивания кабины
Кабина с дверями окрашенная
Установка механизма опрокидывания кабины
Установка задней подвески кабины
Кронштейн переднего крепления кабины верхний
Рессора кабины
Установка ограничителя подъема кабины
Шпилька стопорная
Цилиндр опрокидывания механизма кабины
Гидроцилиндр
Поршень
Запор кабины правый
Запор кабины левый
Корпус запора кабины правый
Корпус запора кабины левый
Кронштейн запора кабины правый
Установка стеклоочистителя
Стеклоочиститель электрический
Установка омывателя электрического
Монтаж и крепление панели приборов
Панель передка съемная боковая
Ящик вещевой
Дверка вещевого ящика
Ограничитель
Установка вентиляционного люка крыши
Установка стекол и арматуры двери
Дверь правая
Дверь левая
Стеклоподъемник двери в сборе
Механизм стеклоподъемника двери
Замок двери правый/левый
Фиксатор замка правый/левый в сборе
Привод замка двери правый/левый в сборе
Ручка двери наружная в сборе
Ограничитель двери
Установка сидений
Сиденье водителя
Механизм подрессоривания сиденья водителя
Сиденье пассажирское
Сиденье пассажирское с ящиком
Элементы отопления и вентиляции кабины
Кран отопления
Установка подогревателя 15.8106-03
Установка подогревателя, электродвигателя с насосом и топливного фильтра
Кран сливной
Установка воздушного отопителя AirTop2000
Установка подогревателя 14ТС-10
Комплектация подогревателя 14ТС-10
Комплектация нагревателя 14ТС-10
Установка подогревателя, электродвигателя с насосом и топливного фильтра
Водонагреватель и топливный фильтр "SEPAR 2000/5/50"
Установка зеркал заднего вида
Ручка правая/левая
Пепельница в сборе
Козырек противосолнечный с обивкой левый/правый
Установка ремней безопасности
Установка заводских боковых знаков
Установка знаков двигателя и "360 TURBO"
Установка оперения кабины
Панель облицовочная
Обтекатель
Установка спойлера
Установка панели фар
Установка задней части переднего крыла правая/левая
Установка настила рамы
Установка задних крыльев
Установка нижней подножки правая/левая
Замок панели
Агрегат силовой 740.50-360, укомплектованный для установки на автомобиль
Агрегат силовой 740.50-360
Двигатель с оборудованием 740.50-360
Установка силового агрегата
Башмак задней опоры силового агрегата
Установка картера агрегатов
Картер агрегатов
Шестерня ведущая в сборе
Ось ведущей шестерни
Установка картера маховика
Картер маховика
Блок цилиндров в сборе
Блок цилиндров в сборе
Заглушка водяной полости
Втулка с кольцами
Установка газораспределительного механизма
Головка цилиндра с клапанами
Головка цилиндров с втулками
Заглушка с кольцом
Распределительный вал
Корпус подшипника распределительного вала с втулкой
Стойка коромысел в сборе
Коромысло клапана в сборе
Поршень с шатуном и кольцами
Шатун
Установка форсунки охлаждения поршня
Клапан форсунки охлаждения поршня в сборе
Установка коленчатого вала
Коленчатый вал
Шестерня коленчатого вала
Установка гасителя крутильных колебаний и полумуфты отбора мощности
Установка шкива коленчатого вала
Шкив коленчатого вала
Установка маховика и фиксатора
Фиксатор маховика в сборе
Маховик
Маховик
Установка привода отбора мощности переднего
Привод агрегатов
Вал отбора мощности
Корпус подшипника
Крышка блока цилиндров передняя
Установка газопровода
Установка картера масляного
Трубка указателя уровня с кольцом
Установка масляного насоса
Масляный насос с маслозаборником в сборе
Масляный насос с шестерней
Насос масляный
Крышка масляного насоса с клапаном
Корпус насоса
Крышка масляного насоса в сборе
Шестерня, ведомая масляного насоса
Маслозаборник
Установка фильтра и теплообменника
Фильтр масляный с теплообменником
Фильтр очистки масла
Корпус масляного фильтра в сборе
Колпак масляного фильтра
Теплообменник масляный
Сердцевина
Установка системы вентиляции
Трубка сапуна с втулкой
Угольник сапуна
Установка электромагнитного клапана
Установка магнитного клапана
Клапан с кронштейном и трубкой
Установка топливных баков, ФГОТ и топливопроводов
Бак топливный
Пробка топливного бака
Установка топливопроводов
Установка топливопроводов
Установка топливопроводов
Установка топливопроводов
Трубка приемная с фильтром
Фильтр грубой очистки топлива с подогревателем
Привод управления регулятором
Привод управления регулятором
Управление подачей топлива
Управление подачей топлива
Кронштейн с валом привода
Кронштейн с валом привода
Кронштейн вала привода
Толкатель
Тяга привода управления регулятором
Наконечник
Наконечник
Наконечник
Наконечник с косынкой
Установка воздушного фильтра
Установка воздухозаборника
Установка тройника
Фильтр воздушный
Элемент фильтрующий с предочистителем
Установка и привод ТНВД
Установка и привод ТНВД
ТНВД с фланцем и полумуфтой ведомой
Корпус заднего подшипника
Вал привода ТНВД
Вал привода ТНВД
Установка форсунки
Фильтр тонкой очистки топлива
Пружина
Установка турбокомпрессора
Шестерня ведомая привода ТНВД
Установка системы ОНВ
Топливоподкачивающий насос PE8P120A290/5RS7525
Центробежный регулятор PQV300...1100PA1485K
Топливоподкачивающий насос FP/KG24P302
Насос топливный высокого давления
Насос топливный низкого давления
Крышка регулятора верхняя в сборе
Державка грузов регулятора
Корректор подачи топлива по наддуву
Секция топливного насоса
Форсунка
Насос предпусковой подачи топлива
Фильтр тонкой очистки топлива жидкостного подогревателя
Установка системы выпуска
Установка радиатора
Установка радиатора
Установка водяных труб
Установка корпуса водяных каналов
Корпус водяных каналов
Установка сливных кранов системы охлаждения привода управления
Кран сливной системы охлаждения
Пробка крана
Пробка с шариком и держателем
Установка водяного насоса
Водяной насос
Установка вентилятора с муфтой привода
Установка обечайки вентилятора
Установка расширительного бачка
Бачок расширительный
Пробка расширительного бачка
Скоба верхняя
Установка сцепления MFZ-430
Установка педали и привода выключения сцепления
Педаль сцепления с кронштейном и главным цилиндром
Педаль сцепления
Главный цилиндр управления сцепления
Главный цилиндр
Бачок главного цилиндра привода сцепления
Толкатель
Вилка выключения сцепления
установка цилиндра сцепления
Установка картера сцепления
Привод управления механизмом переключения передач
Опора рычага переключения передач
Тяга реактивная
Установка пневмопривода управлением переключения передач
Картер коробки передач с пробками
Установка нижней крышки картера и трубки распылителя
Первичный вал
Установка крышки первичного вала
Промежуточный вал
Установка насоса
Основной вал
Установка пробки картера
Штоки вилок переключения передач
Механизм переключения передач
Установка боковых крышек механизма переключения передач
Установка датчиков механизма переключения передач
Комплект пружин
Механизм управления демультипликатором
Установка задней крышки картера
Картер планетарной передачи
Привод планетарной передачи
Установка заднего фланца
Синхронизатор планетарной передачи
Управление планетарной передачей
Механизм выбора передаточного числа
Установка карданных валов
Вал карданный заднего моста
Мост задний
Картер заднего моста с механизмом блокировки
Передача главная заднего моста
Шестерня ведущая заднего моста
Стакан подшипников
Крышка подшипника
Дифференциал моста заднего
Сателлит в сборе
Водило с кожухом и сателлитами
Шестерня ведомая колесной передачи
Вилка блокировки в сборе
Привод блокировки межколесных дифференциалов
Рама
Установка буксирной поперечины
Установка буксирной вилки
Вилка буксирная с пружиной
Установка передней подвески
Рессора передняя
Ушко с втулкой и манжетами
Ушко с втулкой
Кронштейн стабилизатора
Кронштейн амортизатора левый
Установка задней подвески (Устаревшая конструкция)
Штанга передней подвески
Штанга верхняя
Установка задней подвески (Усовершенствованная конструкция)
Штанга верхняя
Установка регуляторов положения и монтаж трубопроводов (Устаревшая конструкция)
Установка регуляторов положения и монтаж трубопроводов (Новая конструкция)
Установка управления регуляторов положения уровня (Устаревшая конструкция)
Установка управления регуляторов положения уровня (Новая конструкция)
Ось передняя с тормозами
Ось передняя
Кулак поворотный
Установка передних алюминиевых колес
Установка сдвоенных колес
Колесо 9,00х22,5 алюминиевое с шиной
Ступица переднего колеса с барабаном, подшипником и манжетой
Ступица с тормозным барабаном
Ступица заднего колеса с манжетами
Ступица заднего колеса с болтами
Манжета
Стакан с манжетами
Держатель запасного колеса
Установка рулевого механизма
Установка колонки рулевого управления
Установка трубопроводов рулевого управления
Установка насоса гидроусилителя руля
Вал карданный рулевого управления
Шарнир карданный
Шарнир с втулкой
Рулевая колонка с карданным валом
Рулевая колонка
Корпус колонки с кронштейном рулевого управления
Установка пневмотормозов
Установка осушителя
Установка воздушных ресиверов
Установка двухсекционного тормозного крана
Установка четырехконтурного защитного клапана
Установка ускорительного клапана
Установка клапана управления тормозами прицепа
Установка регулятора тормозных сил
Установка кабелей АБС
Установка модуляторов АБС
Установка клапана двухмагистрального
Тормоз передний
Суппорт тормоза
Колодка тормоза с накладками
Кронштейн тормозной камеры и разжимного кулака
Тормоз задний
Кронштейн с втулками
Установка пневмоуправления системой АБС
Установка охладителя
Установка пневмовыводов к полуприцепу
Установка компрессора
Компрессор
Картер в сборе
Головка цилиндра с крышкой
Крышка задняя в сборе
Поршень в сборе
Кран слива конденсата
Кран тормозной двухсекционный с педалью
Кран тормозной двухсекционный
Клапан защитный одинарный
Клапан контрольного вывода
Клапан защитный четырехконтурный
Кран экстренного растормаживания
Тормозная камера тип 30/24
Установка цилиндра выключения подачи топлива
Установка пневмоцилиндра вспомогательного тормоза
Корпус вспомогательного тормоза с заслонкой
Вал заслонки
Пневмоцилиндр вспомогательного тормоза
Цилиндр пневматический ф35х65
Цилиндр пневматический с тягой
Цилиндр выключения подачи топлива пневматический
Электрооборудование. Расположение на автомобиле
Установка аккумуляторных батарей
Установка стартера
Панель выключателей
Установка фар и переднего указателя поворота правый
Установка фар дополнительных и противотуманных
Установка плафонов
Установка плафона освещения вещевого ящика
Установка подкапотной лампы
Установка задних фонарей
Установка электромеханического корректора
Установка звуковых электрических сигналов
Установка предохранителей
Установка розеток прицепа
Установка розетки переносной лампы
Установка проводов на шасси
Установка проводов на кабине
Установка бокового повторителя указателей поворота
Установка прерывателя указателей поворота
Установка прожектора освещения сцепного устройства
Установка боковых габаритных фонарей
Установка малогабаритного выключателя массы
Установка фонарей автопоезда
Установка габаритных фонарей
Установка электрооборудования подогревателя
Установка блока управления подогревателем
Установка реле
Установка реле блокировки стартера
Установка преобразователя напряжения
Установка электрооборудования подогревателя
Щиток приборов
Установка трубопроводов к манометру
Установка датчиков аварийного давления воздуха
Установка электрооборудования АБС
Радиооборудование
Установка седельно-сцепного устройства
Комплекты для запасных частей
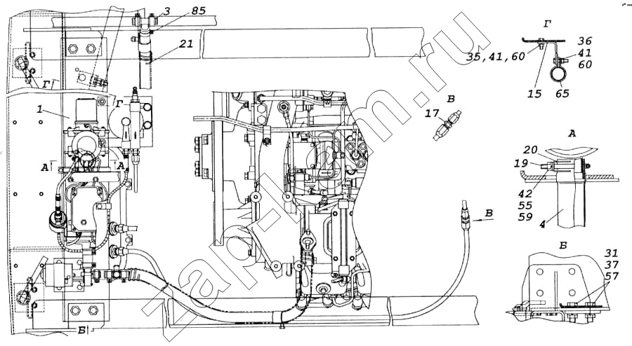
1
3
4
15
17
19
20
21
35
36
41
41
42
55
59
60
60
65
85
Поз.
Артикул
Название детали
Кол-во
1
6460-8106005-10
Установка подогревателя, электродвигателя с насосом и топливного фильтра
1
3
53205-8106032
Тройник (сварка)
1
4
65201-8106053
Труба выпускная
1
5
53215-3506360
Трубопровод
1
7
5320-1015262-10
Бачок топливный
1
11
65201-8106810
Трубка подводящая
1
15
6520-8106092
Кронштейн
1
17
6520-1104018-14
Штуцер
1
19
53205-8106050
Хомут
1
20
53205-8106051
Стремянка хомута
1
21
5320-8120149
Оболочка шланга
3
23
65201-8106283
Кронштейн
2
35
1/60436/21
Болт М8-6gх25
4
36
1/60439/21
Болт М8-6gх35
1
38
1/59707/21
Болт М10х1,25-6gх25
4
41
1/61008/11
Гайка М8х1,25-6Н
5
42
1/58962/21
Гайка М6-6Н
2
45
1/21647/11
Гайка М10х1,25-6Н
4
55
1/05194/01
Шайба плоская 6х12х1,5
2
59
1/05164/73
Шайба 6 пружинная
2
60
1/05166/73
Шайба 8 пружинная
5
61
1/05168/73
Шайба 10 пружинная
4
62
864273
Кольцо уплотнительное
2
63
853890
Хомут специальный
2
65
864452
Хомут 38,5 специальный
1
85
45104998010890
Хомут ТОRRО20-32/12-С7W1
4
Содержащиеся в справочниках-каталогах запасные части и детали не предлагаются к продаже, а носят исключительно информационный характер
Дополнительная информация
×
Название:
Номер:
Примечание:
Войти
Имя пользователя
Пароль
Забыли пароль?
Запомнить меня
Войти
Поиск товаров
Поиск товаров
Корзина покупок