ЗапКам
zap-kam16@yandex.ru
(900) 323-41-41
Вход / Регистрация отключена
Вход
Избранное
0
по запросу
Каталог
Все товары и категории
Запчасти КАМАЗ
Двигатель
Двигатели в сборе
Евро-0
КамАЗ-4310
Урал-4320
КамАЗ-4350
Евро-1
КамАЗ-43114
Евро-2
КамАЗ-43118
КамАЗ-65115
КамАЗ-6520
Евро-3
Евро-4
Евро-5
Газовые
Блоки цилиндров
Блоки цилиндров Евро-0 КамАЗ
Блоки цилиндров Евро-1 КамАЗ
Блоки цилиндров Евро-2 КамАЗ
Блоки цилиндров Евро-3 КамАЗ
Блоки цилиндров Евро-4,5 КамАЗ Common Rail
Сборочные комплекты (лонг-, шорт-блоки)
Блоки управления
Валы коленчатые
Коленвалы Евро-0 КамАЗ
Коленвалы Евро-1 КамАЗ
Коленвалы Евро-2 КамАЗ
Коленвалы Евро-3 КамАЗ
Коленвалы Евро-4,5 КамАЗ Common Rail
Вкладыши коренные
Евро-3,4,5
Евро-0,1,2
Вкладыши шатунные
Евро-3,4,5
Евро-0,1,2
Валы распредительные
ЦПГ – поршневая
Поршневая Евро-4,-5 (740.602)
Поршневая Евро-2,-3 (740.60)
Поршневая Евро-1,-2 (740.30)
Поршневая Евро-0,1 (740)
Кольца поршневые
ТНВД
Евро-4-5 Common Rail
Евро-3
Евро-2
Евро-1
Евро-0
Система питания
Форсунки топливные
Распылители форсунок
Топливозаборники
ГБЦ
Евро-3,4,5 Common Rail
Евро-1,2,3
Евро-0
Газ
Турбокомпрессоры
ТРК Евро-4,5 (однотурбовые)
Евро-4
Евро-3
Евро-2
Евро-1
Насос водяной
Насос масляный
Маховики
Коробка передач
КПП в сборе
Валы
Валы вторичные
Валы первичные
Валы промежуточные
Шестерни
Синхронизаторы
Делители в сборе
Коробка раздаточная
РК в сборе
РК 6522
Дифференциалы
Валы
Валы первичные
Валы промежуточные
Вилки
Шестерни
Механизмы переключения
Трансмиссия
Мосты
Редукторы в сборе
Заднего моста
Переднего моста
Среднего моста
Зубьев
31, 35
50
49
48
47
46
КамАЗ
4310
43114
43118
4326
5320
53205
65115
43253
53229
6520
6522
4308
65111
65116
65117
55102
55111
53212
53215
54115
5410
5511
Мосты в сборе
Передние
Средние
Задние
6520, 6522 (20т)
65115 (15т)
65111 (15т)
43118 (10т)
43114 / 4310 (8т)
53205 Евро (10т)
5320 (8т)
5511 (10т)
МОД
Мадара
Подвеска в сборе
Ось передняя
Ось в сборе
Ходовая часть
Подвеска (тележка) в сборе
Колеса и шины
Рама
Рессоры
Лебедка
Механизмы управления
Отопление и вентиляция
Система выпуска
Сцепление
Тормоза
Кабина
Управление рулевое
Электрооборудование
Автомобили
КАМАЗ 5490
Двигатель 457
Двигатели в сборе
Сцепление
Кабина
Кузов
Мосты
Рама
Система выпуска
Тормоза
Управление рулевое
Ходовая часть
КАМАЗ К5
Двигатели WeiChai
Двигатели в сборе
Двигатели Р6
Двигатели 910 Р6 в сборе
Кабина
Сцепление
Тормоза
Управление рулевое
Электрооборудование
ZF
КПП ZF в сборе
16S EcoSplit
КПП 16s 1820 TO
КПП 16S 2220
9S Ecomid
12AS Astronic
12TX Traxon
Запчасти 12tx Traxon
Cummins
Двигатели в сборе
Блоки цилиндров
Коленвалы
Головки блока
Генератор
Китайские грузовики
Shaanxi HanDe
Fast Gear
Sitrak
Weichai
FAW
Laizhou Tongji
Европейские грузовики
Mercedes
Электрооборудование
Блоки управления
Блоки управления ADM
Блоки управления CPC4
Блоки управления двигателем
Блоки управления электрооборудованием
Датчики
Стартеры
Карданная передача
Карданы КамАЗ
Коробки отбора мощности
Прицепная техника
ССУ (Седла)
Ремонт
Ремонт двигателей
Ремонт КПП Камаз и ZF
Ремонт раздаток и редукторов
Ремонт кабин
Услуги
Комплектация заявок
Скупка запчастей и агрегатов
Контакты
Отправить заявку
Каталоги запчастей к технике
Грузовые
КамАЗ
6350 (8х8)
740.11-1011001-10 Установка масляного насоса
Поиск
740.11-1011001-10 Установка масляного насоса
/ КамАЗ 6350 (8х8)
zoom-in
zoom-out
enlarge
shrink
circle-right
circle-left
file-text2
info
cart
Тип техники
Не выбрано
Грузовые
Двигатели
Марка
Не выбрано
DAF
DongFeng
FAW
Foton
HOWO
IVECO
JAC Motors
MAN
Shaanxi
SITRAK
Volvo
Автокомпонент Плюс
ЗИЛ
КАЗ
КамАЗ
Мадара
НефАЗ
СЗАП
Тонар
УралАЗ
Модель
Не выбрано
4308 (2004)
4308 (2008)
4308 (Евро 3) (2013)
4308 (Евро 4) (2012)
4308-C4 (2019)
4308-C4 (2019)
4308-H3 (2019)
4308-R4 (2019)
4310
4310
43101
43114
43118 (2002)
43118 (Евро 4) (2012)
43253 (Часть-1) (2011)
43253 (Часть-2) (2011)
43253, 43255 (Евро-4) (2012)
43255 (Евро-2) (2012)
43255 (Евро-3) (2012)
4326 (2001)
4326 (2003г)
43261 (Евро-1, 2) (2007)
4350 (4х4) (2004)
43501 (4х4) (2007)
43502 (Евро 4) (2013)
45141 (2009)
45142 (2009)
45143 (2009)
5308 (Евро 3) (2012)
5308 (Евро 4) (2013)
5315
5320
53212
53228, 65111 (2004)
53229 (Евро 2) (2010)
5350 (6х6) (2004)
53501 (6х6) (2007)
53504 (6х6) (2007)
5360
53605 (Евро-4) (2013)
5410
54112
5460
5460 (2005)
5490 (2016)
55102
5511 (2003)
6350 (8х8) (2004)
63501 (8х8) (2007)
6450 (8х8) (2007)
6460
6460 (Евро 3, 4) (2013)
6460 (Евро 4) (2013)
65111 (2008)
65111 (Евро 4) (2012)
65115 (2001)
65115 (2009)
65115 (Евро-3) (2013)
65115, 65116 (Евро-4) (2010)
65116 (2006)
6520
6520 (Euro-2, 3) (2009)
6520 (Euro-4) (2012)
6520 (Euro-4) (2016)
65201 (2007)
65201 Евро 2-3 (2016)
6522 (2005)
6522 (Euro-2, 3) (2009)
6522 (Евро-4) (2016)
65226 (2009)
65226 (2013)
6540
KNORR-BREMSE для КамАЗ
Общий (5320, 53212, 5410, 54112, 5511, 55102)
Самосв. установка 6520 (2011)
Схема
>
Не выбрано
6350-5000014-04 Кабина с дверями окрашенная
43114-5000014-04 Кабина с дверями окрашенная
53205-5000075-10 Установка ремней безопасности
6520-5000075-10 Установка ремней безопасности
43114-5000079-30 Установка механизма опрокидывания кабины и запасного колеса
53205-5000120-10 Установка сидений
6520-5000120-10 Установка сидений
43114-5001006-20 Установка задней подвески кабины
5320-5001010 Кронштейн переднего крепления кабины верхний в сборе
5320-5001080 Рессора кабины в сборе
6350-5002051 Установка ограничителя подъема кабины
43114-5002051-10 Установка ограничителя подъема кабины
4310-5002074 Шпилька стопорная в сборе
4310-5003010 Гидроцилиндр в сборе - Hydraulic cylinder, assy
43114-5003012 Гидроцилиндр ДЗК
4310-5003012 Цилиндр механизма подъёма запасного колеса
43114-5003014 Гидроцилиндр МОК в сборе
4310-5003014 Цилиндр опрокидывающего механизма кабины в сборе
4310-5003038 Поршень
4310-5004010 Насос опрокидывающего механизма кабины
4310-5004016 Корпус насоса механизма опрокидывания кабины и запасного колеса
53205-5018010 Запор кабины правый
53205-5018011 Запор кабины левый
5320-5018014 Корпус запора кабины правый в сборе
5320-5018060 Кронштейн запора кабины правый
53205-5205001 Установка стеклоочистителя
53205-5208004 Установка омывателя
53205-5208400 Рамка крепления омывателя в сборе
43118-5300023 Монтаж и крепление панели приборов
5320-5301047-10 Панель передка боковая съемная левая
5320-5303012 Ящик вещевой в сборе
5320-5303020-01 Дверка вещевого ящика в сборе
5320-5303039 Ограничитель левый в сборе
53205-5713008 Установка вентиляционного люка
53205-5713051 Рычаг в сборе
53205-6100005 Установка стекол и арматуры двери левая
53205-6100005 Установка стекол и арматуры двери левая
53205-6100005 Установка стекол и арматуры двери левая
53205-6100014 Дверь правая
53205-6100015 Дверь левая
53205-6104011 Стеклоподъемник двери левый в сборе
5320-6105021-10 Замок двери левый сборе
5320-6105035-10 Фиксатор замка левый в сборе
5320-6105080 Привод замка двери правый в сборе
5320-6105150 Ручка двери наружная в сборе
5320-6106083 Ограничитель двери в сборе
53205-6800010 Сиденье водителя в сборе
5320-6804010 Механизм подрессоривания сиденья водителя в сборе
5320-6804111 Механизм перемещения сиденья водителя левый в сборе
53205-6810010 Сиденье пассажирское в сборе
53205-6830010 Сиденье пассажирское с ящиком в сборе
53205-8100005 Элементы отопления и вентиляции кабины
6520-8100005 Установка системы отопления кабины
4310-8104001 Установка вентилятора кабины
5320-8105010 Кран сливной в сборе
5320-8105015 Пробка крана в сборе
5320-8105160 Кран отопления в сборе
5320-8109020-10 Привод управления отоплением
5320-8118069 Колесо рабочее с электродвигателем в сборе
53205-8201002 Установка зеркал заднего вида
5320-8202201 Ручка левая в сборе
5320-8203010-01 Пепельница в сборе
43114-8205304 Установка штор светозащитных ветрового окна
53212-8208001 Установка световозвращателей на кабине
54112-8208003 Установка световозвращателей задних
43114-8213005-10 Установка надоконной полки и противосолнечных козырьков
53205-8401010 Панель облицовочная
6350-8403009 Установка задней части переднего крыла левая
320-8406010 Замок панели
5320-8415008 Установка обтекателей
4350-8500008-70 Установка платформы
5350-8500008-70 Установка платформы
6350-8500008-70 Установка платформы
5350-8500008-75 Установка платформы
5350-8500010-70 Платформа в сборе
6350-8500010-70 Платформа в сборе
5350-8500010-75 Платформа в сборе
5350-8506008-70 Установка скамеек
6350-8506008-70 Установка скамеек
5350-8506008-75 Установка скамеек
4350-1000260, 5350-1000260 Агрегат силовой 740.30-240, 740.31-260 укомплектованный
6350-1000260 Агрегат силовой 740.50-360, укомплектованный
740.30-1000312, 740.32-1000312 Агрегат силовой 740.30-260, 740.31-240
740.50-1000312-02 Агрегат силовой 740.50-360
740.31-1000412 Двигатель 740.31-240 с оборудованием
740.30-1000412 Двигатель 740.30-260 с оборудованием
740.50-1000412-02 Двигатель 740.50-360 с оборудованием
53205-1001015 Кронштейн передней опоры силового агрегата
53229-1001015 Кронштейн передней опоры силового агрегата
5320-1001062-10 Башмак задней опоры силового агрегата
7406.1002003 Установка картера агрегатов
7406.1002004-20 Установка картера маховика
740.13-1002010 Блок цилиндров
740.50-1002010 Блок цилиндров
740.21-1002011 Блок цилиндров
740.1002080 Заглушка водяной полости
7406.1002310 Картер маховика
7406.1002320 Картер агрегатов
740.21-1003000 Установка головок цилиндров и механизма газораспределения
7406.1003010 Головка цилиндра с клапанами
7406.1003014 Головка цилиндра с втулками
740.1003035 Втулка с уплотнительными кольцами
740.1003434 Заглушка с кольцом уплотнительным
7405.1004066 Клапан форсунки охлаждения поршня
7405.1004120 Установка форсунки охлаждения поршня
740.30-1005007 Установка коленчатого вала
740.50-1005007 Установка коленчатого вала
740.50-1005008 Вал коленчатый
7406.1005031 Шестерня
740.21-1005059-10 Установка гасителя крутильных колебаний и полумуфты отбора мощности
740.50-1005115-10 Маховик
740.30-1005200 Установка привода отбора мощности переднего
7406.1005250 Корпус подшипника
740.1005440 Фиксатор маховика
740.30-1005500 Привод агрегатов
7406.1005535 Вал отбора мощности
740.21-1006010 Вал распределительный
7482.1006036 Корпус подшипника распределительного вала с втулкой
7406.1007091 Стойка коромысел в сборе
7406.1007140 Коромысло клапана в сборе
740.1007262-01 Манжета уплотнительная клапана в сборе
7406.1008000 Установка газопровода
7403.1008020/7403.1008021 Коллектор выпускной правый/Коллектор выпускной левый в сборе
7403.1008030/7406.1008031 Патрубок правый/Патрубок левый в сборе
7406.1009001-01 Установка масляного картера, маслоналивного патрубка и указателя уровня
740.1009048-50 Трубка указателя уровня с кольцом в сборе
740.11-1009050-01 Указатель уровня в сборе
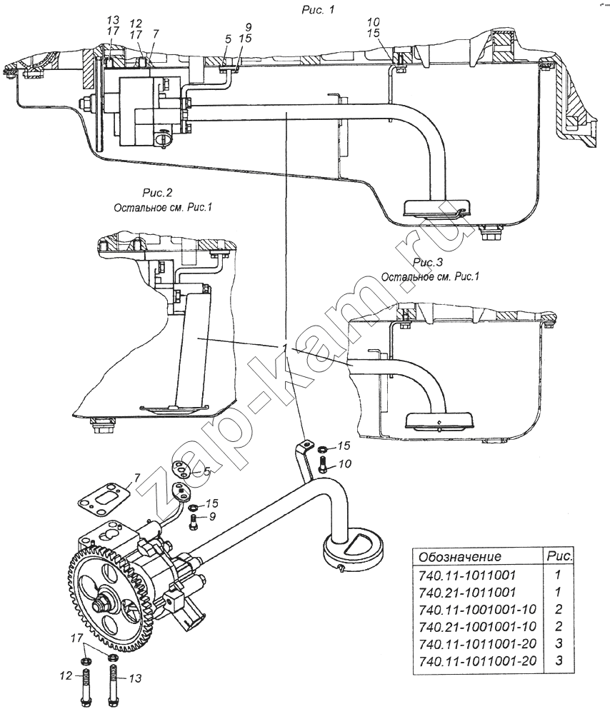
740.11-1011001-10 Установка масляного насоса
740.11-1011005-10 Масляный насос с маслозаборником в сборе
740.11-1011010 Масляный насос с шестерней в сборе
740.11-1011014 Масляный насос в сборе
7406.1011398-20 Маслозаборник в сборе
740.20-1012006 Фильтр масляный с теплообменником в сборе
7406.1012010 Фильтр очистки масла в сборе
7406.1012015 Корпус масляного фильтра в сборе
740.20-1012068 Колпак масляного фильтра в сборе
740.20-1013210 Сердцевина в сборе
5Э6350-1014001 Установка трубки вентиляции картера
740.20-1014100-11 Установка системы вентиляции
740.1014498 Трубка сапуна с втулкой в сборе
7406.1014504 Угольник сапуна в сборе
5350-1015001 Установка предпускового подогревателя ПЖД-30
5350-1015001 Установка предпускового подогревателя ПЖД-30
7406.1015002 Установка патрубка и штуцеров системы подогрева двигателя
6350-1015017 Установка топливного бачка и топливопроводов предпускового подогревателя ПЖД-30
5350-1015061 Воронка в сборе
5320-1015090 Пробка воронки в сборе
5320-1015160 Цепочка с кольцом в сборе
5320-1015162 Цепочка в сборе
5320-1015262 Бачок топливный в сборе
5320-1015384 Кран в сборе
7406.1022800 Установка магнитного клапана и штифтовых факельных свечей
7406.1022860 Клапан с кронштейном и трубкой в сборе
7406.1029115 Шестерня ведущая в сборе
7406.1029125 Ось ведущей шестерни в сборе
5Э6350-1100001 Установка топливных баков, фильтра грубой очистки топлива (ФГОТ) и топливопроводов
5Э6350-1100001 Установка топливных баков, фильтра грубой очистки топлива (ФГОТ) и топливопроводов
5320-1101010-10 Бак топливный в сборе
5320-1101070-10 Труба наливная топливного бака с выдвижной трубой в сборе
5320-1101087-10 Сетка выдвижной трубы в сборе
5320-1101090-10 Труба выдвижная топливного бака в сборе
5320-1103010-01 Пробка топливного бака в сборе
65115-1104002 Установка топливопроводов
5320-1104012 Трубка приемная с фильтром в сборе
5410-1104012 Трубка приемная с фильтром в сборе
5410-1104015 Трубка приемная с краном в сборе
5410-1104136 Трубка слива топлива в бак с краном в сборе
5410-1104160 Кран распределительный топливный в сборе
5410-1104162 Пробка распределительного топливного крана с кольцами в сборе
7406.1105010 Фильтр грубой очистки топлива (ФГОТ) с насосом предпусковой прокачки в сборе
740.1105010-01 Фильтр грубой очистки топлива (ФГОТ) в сборе
7406.1108000 Привод управления регулятором в сборе
54115-1108003 Управление подачей топлива
6520-1108003 Управление подачей топлива
7406.1108030 Кронштейн с валом привода в сборе
7406.1108038 Кронштейн вала привода в сборе
54115-1108040 Толкатель в сборе
6520-1108040 Толкатель в сборе
7406.1108050 Тяга привода управления регулятором в сборе
740.1108054 Тяга привода управления регулятором в сборе
5320-1108054 Наконечник в сборе
5320-1108120-99 Тяга ручного управления подачей топлива в сборе
5350-1109001-10 Установка воздушного фильтра
6350-1109001-10 Установка воздушного фильтра
6520-1109010-10 Воздухоочиститель мультициклонный в сборе
65116-1109048 Установка тройника
53205-1109365 Хомут воздухопровода в сборе
7405.1109557 Элемент фильтрующий с предочистителем в сборе
7406.1111040 Корпус переднего подшипника в сборе
740.30-1111045 Корпус заднего подшипника в сборе
7406.1111050 Вал привода ТНВД в сборе
273.1112010-20 Форсунка в сборе
7406.1115000-30 Установка системы впуска
7406.1115012-40 Коллектор впускной правый в сборе
7406.1115014-40 Коллектор впускной левый в сборе
7406.1115030-20 Патрубок соединительный в сборе
7406.1115045-40 Патрубок объединительный
7406.1115110-20 Тройник в сборе
740.30-1118000 Установка турбокомпрессоров на двигатель
740.51-1121010 Шестерня ведомая привода ТНВД в сборе
53205-1170000 Установка системы охлаждения наддувочного воздуха
53205-1170125 Патрубок отводящий
53205-1170245 Рукав 100x112
53205-1170300 Теплообменник охлаждения наддувочного воздуха
53205-1170300-01 Теплообменник охлаждения наддувочного воздуха
53205-1170400 Хомут
4326-1200002-01 Установка системы выпуска
4326-1200002-01 Установка системы выпуска
6350-1200001-10 Установка системы выпуска
54115-1300023-10 Установка радиатора
6350-1300023-10 Установка радиатора
4310-1301005 Установка кожуха радиатора
6350-1301500 Установка кожуха защитного радиатора
7406.1303002 Установка водяных труб
740.51-1303005 Установка корпуса водяных каналов
740.30-1303005-10 Установка корпуса водяных каналов
740.11 -1303010 Корпус водяных каналов с термостатами в сборе
7406.1303010-10 Корпус водяных каналов с термостатами в сборе
7406.1303013 Крышка с пробками в сборе
7406.1303100-10 Труба водяная правая в сборе
7406.1303101-10 Труба водяная левая в сборе
5320-1305030 Пробка с шариком и держателем в сборе
7406.1307005 Установка водяного насоса
7406.1307010-01 Насос водяной в сборе
740.51-1308010 Установка вентилятора
740.50-1309007 Установка обечайки вентилятора
7406.1309007-10 Установка обечайки вентилятора
6520-1311005 Установка расширительного бачка
54115-1311005-10 Установка расширительного бачка
5320-1311010-30 Бачок расширительный в сборе
5320-1311050 Блок клапанов пробки расширительного бачка в сборе
5320-1311060 Пробка расширительного бачка в сборе
5320-1311086-30 Скоба верхняя в сборе
740.30-1317005 Установка электромагнитной муфты
740.30-1317500 Муфта электромагнитная привода вентилятора в сборе
740.30-1317510 Шкив со ступицей вентилятора в сборе
740.30-1317520 Ступица вентилятора с фрикционным диском в сборе
740.30-1317570 Фланец крепления датчика включения вентилятора с пробкой в сборе
5350-1600006 Установка педали и привода выключения сцепления
6350-1600006-10 Установка педали и привода выключения сцепления
21.1600010 Сцепление в сборе
154.1600300 Установка вентиляционных трубок коробки передач
161.1600300 Установка вентиляционных трубок коробки передач
17.1601008-10 Картер сцепления с крышками в сборе
6520-1602008 Педаль сцепления с кронштейном и главным цилиндром в сборе
53205-1602008 Педаль сцепления с кронштейном и главным цилиндром в сборе
6460-1602010 Педаль сцепления
53205-1602010 Педаль сцепления
5320-1602510-10 Главный цилиндр управления сцеплением
5320-1602512 Главный цилиндр
5320-1602518 Пружина главного цилиндра управления сцеплением
5320-1602560 Бачок главного цилиндра привода сцепления
161.1700011 Коробка передач в сборе
154.1700056 Коробка передач с делителем, управлением и деталями сцепления в сборе
154.1700150 Коробка передач в сборе
161.1700151 Коробка передач в сборе
154.1701010 Картер коробки передач в сборе
161.1701010-10 Картер коробки передач в сборе
154.1701025 Вал первичный коробки передач в сборе
161.1701025 Вал первичный коробки передач в сборе
154.1701026 Вал первичный коробки передач с зубчатой муфтой и втулкой в сборе
161.1701027 Вал первичный коробки передач с втулкой в сборе
14.1701039-50 Крышка подшипника первичного вала в сборе
154.1701047 Вал промежуточный коробки передач в сборе
161.1701047 Вал промежуточный коробки передач в сборе
154.1701070 Крышка заднего подшипника промежуточного вала с кольцом подшипника в сборе
14.1701086 Шайба упорная блока шестерен заднего хода в сборе
154.1701100 Вал вторичный коробки передач в сборе
161.1701100 Вал вторичный коробки передач в сборе
161.1701110 Шестерня первой передачи вторичного вала в сборе
161.1701114 Шестерня четвертой передачи вторичного вала в сборе
161.1701120 Шестерня второй передачи вторичного вала в сборе
154.1701130 Шестерня третьей передачи вторичного вала в сборе
154.1701150 Синхронизатор второй и третьей передачи в сборе
161.1701150 Синхронизатор первой и второй передач в сборе
154.1701151 Синхронизатор четвертой и пятой передач в сборе
161.1701151 Синхронизатор третьей и четвертой передач в сборе
154.1701201 Крышка заднего подшипника вторичного вала с манжетой в сборе
14.1702010 Механизм переключения передач в сборе
161.1702010 Механизм переключения передач в сборе
14.1702013 Крышка коробки передач верхняя в сборе
14.1702026 Вилка переключения 2-й и 3-й передач в сборе
14.1702031 Вилка переключения 4-й и 5-й передач в сборе
142.1702200 Опора рычага переключения передач в сборе
161.1702200 Опора рычага переключения передач в сборе
142.1702208 Опора рычага переключения передач в сборе
161.1702208 Опора рычага переключения передач с втулкой в сборе
161.1702212 Крышка штока левая с втулкой в сборе
161.1702260 Фиксатор в сборе
154.1703005 Привод управления механизмом переключения передач
161.1703005 Привод управления механизмом переключения передач
154.1703204 Опора рычага переключения передач в сборе
161.1703204 Опора рычага переключения передач в сборе
161.1704010 Насос масляный в сборе
161.1721012 Проставка в сборе
161.1721020 Картер задний демультипликатора в сборе
161.1721022 Водило с сателлитами в сборе
161.1721201 Крышка задняя демультипликатора с манжетой в сборе
161.1722050 Вилка со штифтом в сборе
161.1722060 Фиксатор в сборе
161.1722070 Винт регулировочный в сборе
161.1723020 Клапан включения демультипликатора в сборе
161.1723070 Фиксатор блокировки переключения передач в сборе
154.1770010-10 Делитель передач с управлением в сборе
154.1770010-10 Делитель передач с управлением в сборе
154.1770030 Картер делителя передач с втулками в сборе
154.1770040 Вал первичный делителя передач в сборе
154.1770050 Шестерня первичного вала делителя передач в сборе
154.1770160 Синхронизатор делителя передач в сборе
154.1770210 Вал промежуточный делителя передач в сборе
15.1771010 Механизм переключения делителя передач в сборе
15.1771020 Корпус механизма переключения делителя передач в сборе
15.1771050 Поршень с манжетами в сборе
15.1771110 Валик вилки механизма переключения с рычагом в сборе
15.1772010 Воздухораспределитель механизма переключения в сборе
15.1772020-01 Корпус воздухораспределителя с гнездами золотника в сборе
15.1772100 Редукционный клапан управления механизмом переключения в сборе
15.1772132 Кран управления делителем передач с тросом в сборе
15.1772140 Корпус крана в сборе
15.1772152 Трос крана управления с оболочкой и крышкой в сборе
15.1772160 Трос крана с золотником в сборе
15.1772174 Оболочка направляющая с гайками в сборе
65111 -1800008 Установка крепления раздаточной коробки
6350-1800009-30 Установка управления раздаточной коробки
65111-1800020 Коробка раздаточная с коробкой отбора мощности в сборе
65111-1800020 Коробка раздаточная с коробкой отбора мощности в сборе
43114-1800604 Установка сменных шестерен привода датчика спидометра
4310-1802015 Крышка верхнего люка раздаточной коробки в сборе
65111-1802024 Вал первичный раздаточной коробки в сборе
65111-1803010 Механизм включения низшей передачи в сборе
65111 -1803022 Шток включения низшей передачи раздаточной коробки в сборе
4310-1804010 Кран управления раздаточной коробки в сборе
4350-2200001-10 Установка карданных валов
5350-2200001-10 Установка карданных валов
6350-2200001-10 Установка карданных валов
6350-2201006-10 Валы карданные в сборе
4326-2201011-10 Вал карданный заднего моста в сборе
53205-2201011-10 Вал карданный заднего моста в сборе
53205-2201026-10 Крестовина карданного вала в сборе
6350-2202011-10 Вал карданный промежуточный с опорой в сборе
65111-2202011-30 Вал карданный основной в сборе (сварка)
6350-2203011-10 Вал карданный переднего моста в сборе (сварка)
6350-2204011-10 Вал карданный промежуточный в сборе
43114-2205011 Вал карданный среднего моста в сборе (сварка)
6350-2205011-10 Вал карданный среднего моста в сборе (сварка)
6540-2205011 -50 Вал карданный среднего моста в сборе
53205-2205026-10 Крестовина карданного вала в сборе
63501-2206011 Вал карданный переднего второго моста
43118-2300020-10 Мост передний в сборе - Front bridge, assy
43118-2300020-10 Мост передний в сборе - Front bridge, assy
43118-2302010-10 Передача главная переднего моста в сборе
43114-2302015 Картер редуктора переднего моста в сборе
43118-2302021 Вал ведущий переднего моста в сборе
4310-2302050 Крышка стакана подшипников в сборе
43114-2302076 Крышка подшипника в сборе
53228-2303010-10 Дифференциал переднего моста в сборе
4310-2304012 Опора шаровая поворотного кулака
4310-2304029 Корпус поворотного кулака левый
4350-2400041-10 Мост задний в сборе
43118-2400041-10 Мост задний в сборе
43118-2400041-10 Мост задний в сборе
4326-2401007 Картер заднего моста с механизмом блокировки в сборе
5320-2401114 Клапан со штуцером в сборе
53205-2402011-10 Передача главная заднего моста в сборе
53205-2402011-10 Передача главная заднего моста в сборе
53205-2402015 Картер редуктора заднего моста в сборе
53205-2402021 Вал ведущий заднего моста в сборе
5320-2402048 Стакан подшипников в сборе
5320-2402050 Крышка стакана в сборе
53205-2402064-10 Шестерня ведомая коническая в сборе
53205-2402076 Крышка подшипника в сборе
5320-2402108 Стакан подшипников в сборе
53229-2403011-10 Дифференциал заднего моста в сборе
53212-2403054 Сателлит дифференциала заднего моста с втулкой в сборе
55102-2409016 Вилка блокировки в сборе
4326-2411010 Привод блокировки межколесного дифференциала
43114-2411010 Привод блокировки межколесных дифференциалов
43118-2500044-10 Мост средний в сборе
43118-2502014-10 Передача главная среднего моста в сборе
43118-2502014-10 Передача главная среднего моста в сборе
5320-2502208 Крышка подшипника в сборе
5320-2511066 Шток крана в сборе
5320-2511060 Кран включения блокировки в сборе
6350-2800010-10 Рама в сборе
4310-2803003-20 Установка переднего буфера
4310-2804003 Установка заднего буфера
4310-2806116 Вилка буксирная в сборе
43114-2900001 Подвеска передняя в сборе
4326-2900002 Подвеска задняя в сборе
4310-2900002 Установка задней подвески
4310-2900002 Установка задней подвески
53228-2900002-10 Подвеска задняя в сборе
55111-2902012-01 Рессора передняя в сборе
43114-2902018 Ушко с втулкой и манжетами в сборе
4310-2905006 Амортизатор передней подвески в сборе
4310-2905600 Шток с поршнем в сборе
53212-2905650 Клапан сжатия в сборе
4326-2912012 Рессора задняя в сборе
5322-2912012 Рессора задняя в сборе
5322-2912012-02 Рессора задняя в сборе
5511-2918050 Ось балансирной подвески с кронштейнами в сборе
5320-2918052 Кронштейн балансира с осью в сборе
55111-2918068 Башмак рессоры с втулками и сальником в сборе
55111-2918070 Башмак рессоры с втулками в сборе
630-2919012-20 Штанга реактивная в сборе
43114-3101002 Установка колес
43114-3101011 Колесо с шиной левое
4310-3122001 Установка крана управления давлением системы накачки шин
4310-3122010 Кран управления давлением в сборе
4310-3124110 Кран запора воздуха системы накачки шин в сборе
4326-3125001 Установка системы накачки шин
4326-3125001 Установка системы накачки шин
4310-3125001 Установка системы накачки шин
4310-3125001 Установка системы накачки шин
4310-3400012 Установка рулевого механизма
6350-3400012-10 Установка агрегатов рулевого управления
5425-3400014 Установка колонки рулевого управления
6350-3400018-02 Установка трубопроводов
53205-3400018-10 Установка трубопроводов
6540-3400020-02 Механизм рулевой в сборе
65115-3400020-10 Механизм рулевой в сборе
6540-3401010 Картер механизма рулевого управления
4310-3401063 Вал сошки с крышкой в сборе
4310-3401710 Редуктор угловой механизма рулевого управления в сборе
4310-3401716 Корпус углового редуктора механизма рулевого управления в сборе
4310-3401720 Крышка корпуса с манжетами в сборе
4310-3401736 Шестерня ведущая углового редуктора с корпусом в сборе
4310-3401750 Шестерня ведомая углового редуктора в сборе
740.50-3407000 Установка насоса рулевого усилителя
7406.3407001 Установка насоса гидроусилителя руля
6540-3407200 Насос рулевого усилителя в сборе
4310-3407200-01 Насос рулевого усилителя в сборе
4310-3407212 Крышка насоса рулевого усилителя
4310-3407338-10 Фильтр насоса гидроусилителя руля
4310-3414010 Тяга сошки
4310-3414052 Тяга рулевой трапеции
5320-3414060 Наконечник рулевой трапеции правый в сборе
6540-3414100-60 Опора задняя в сборе
6350-3414130-10 Тяга промежуточная
53205-3422010-75 Вал карданный в сборе
4310-3430012 Клапан управления гидроусилителем руля в сборе
4310-3430014 Корпус клапана управления гидроусилителем руля
5320-3430220-01 Клапан обратный
4310-3444010 Колонка рулевого управления
4350-3500006-40 Установка пневмотормозов
4350-3500006-40 Установка пневмотормозов
4350-3500006-40 Установка пневмотормозов
4350-3500006-40 Установка пневмотормозов
6350-3500013 Установка воздушных ресиверов
4310-3500013-10 Установка воздушных ресиверов
53205-3500014 Установка двухсекционного тормозного крана
6520-3500014 Установка двухсекционного тормозного крана
4310-3500015 Установка четырехконтурного защитного клапана
4310-3500015-10 Установка четырехконтурного защитного клапана
4326-3500018 Установка ускорительных клапанов
43101-3500018 Установка ускорительных клапанов
6350-3500018 Установка ускорительного клапана
6350-3500018-10 Установка ускорительных клапанов
43114-3500022-30 Установка клапанов управления тормозами прицепа
6350-3500022-30 Установка клапанов управления тормозами прицепа
4326-3500033 Установка регулятора тормозных сил
43114-3500033 Установка регулятора тормозных сил
6350-3500062 Установка клапана двухмагистрального
43114-3500062-10 Установка двухмагистрального клапана
43114-3500070 Тормоз вспомогательный и его привод
6350-3500070-80 Тормоз вспомогательный и его привод
43114-3501012 Суппорт тормоза
53205-3501090-40 Колодка тормоза с накладками в сборе
53212-3501090-10 Колодка тормоза с накладками
5320-3501136 Рычаг регулировочный тормоза
4310-3502010-10 Тормоз задний левый в сборе
43114-3502012 Суппорт заднего тормоза
53229-3502237 Рычаг регулировочный заднего тормоза левый в сборе
7406.3509003-10 Установка компрессора
53205-3509015 Компрессор в сборе
53205-3509015 Компрессор в сборе
53205-3509018 Картер в сборе
53205-3509039 Головка цилиндра с крышкой в сборе
53205-3509088 Крышка задняя в сборе
53205-3509154 Поршень в сборе
53205-3513015 Ресивер в сборе
16-3513110 Кран слива конденсата в сборе
5320-3514108 Кран тормозной двухсекционный с педалью в сборе
100-3514108-10 Кран тормозной двухсекционный в сборе
16-3515310 Клапан контрольного вывода в сборе
53205-3515400-10 Клапан защитный четырехконтурный в сборе
16-3515510 Кран экстренного растормаживания в сборе
100-3518010 Клапан ускорительный в сборе
661-3519310-10 Камера тормозная тип 30
100-3521010 Головка соединительная типа "А" в сборе
6024-3522010 Клапан управления тормозами прицепа с двухпроводным приводом в сборе
100-3522110 Клапан управления тормозами прицепа с однопроводным приводом в сборе
25.3522210 Клапан управления тормозами прицепа с клапаном обрыва в сборе
100-3533010 Регулятор тормозных сил в сборе
100-3533110 Упругий элемент регулятора тормозных сил в сборе
100-3537110 Кран пневматический в сборе
5320-3570010-10 Установка цилиндра выключения подачи топлива
53205-3570014 Корпус вспомогательного тормоза с заслонкой в сборе
53215-3570030 Вал заслонки
100-3570210 Цилиндр пневматический 35x65 в сборе
4310-3700023 Установка выключателя сигнала к водителю
4310-3700025 Установка плафона освещения платформы
7406.3701002-20 Установка генератора
7406.3701770-30 Кронштейн генератора
53205-3708001 Установка выключателя приборов и стартера
740.50-3708005 Установка стартера
53215-3709002 Установка подрулевого переключателя
4310-3712001 Установка фонарей передних
53205-3714001-10 Установка плафонов
54105-3714002-24 Установка плафона освещения спального места
53205-3714003 Установка плафона освещения вещевого ящика
5320-3715001 Установка подкапотной лампы
6350-3716002 Установка задних фонарей
4310-3719101 Установка фонаря подкузовного
5320-3721001-10 Установка звуковых электрических сигналов
53205-3722501 Установка предохранителей
43114-3723001 Установка розетки внешнего запуска
43114-3723002 Установка розетки переносной лампы
6350-3723003-22 Установка розеток прицепа
43101-3723005 Установка розетки переносной лампы
43114-3723006 Установка розетки переносной лампы
5320-3726001 Установка сигнального фонаря бокового указателя поворотов
5320-3726002 Установка прерывателя указателей поворота
4310-3727002 Установка прожектора
5320-3737001-01 Установка малогабаритного выключателя "массы"
53205-3738001 Установка фонарей автопоезда
4310-3743001 Установка противотуманных фар
6520-3747195 Установка реле блокировки стартера
4310-3816001 Установка трубопроводов к шинному манометру
43114-3830001 Установка трубопроводов к манометру
43114-3830002 Установка датчиков аварийного давления воздуха
43114-7904001 Установка фильтра радиопомех
4326-2707003 Установка рым-болтов
4310-2707210 Прибор буксирный в сборе
5320-2707212 Крюк буксирного прибора в сборе
5320-2707217 Собачка защелки крюка в сборе
5320-2707222 Цепь шплинта защелки крюка в сборе
5320-2707223 Цепь шплинта защелки крюка в сборе
4310-2707235 Корпус буксирного прибора с крышкой (комплект)
4310-4204080 Крышка стакана коробки отбора мощности
4310-4204360 Механизм включения коробки отбора мощности
4310-4500002-01 Установка управления коробкой отбора мощности
43114-4500002-10 Установка управления коробкой отбора мощности
4326-4500010 Установка лебедки
43114-4500010 Установка лебедки
43114-4500010-10 Установка лебедки
4326-4501010 Тросоукладчик лебедки, барабан троса и поперечина
4310-4501010 Тросоукладчик лебедки, барабан троса и поперечина
4310-4501014 Редуктор лебедки в сборе
4310-4501030 Вал барабана лебедки
4310-4501230 Траверса вала барабана лебедки - Winch drum shaft cross-piece
4310-4501248 Ролики направляющие трос лебедки передние
4310-4501280 Ролики направляющие троса лебедки в сборе
4310-4501294 Ролик опорный троса первый с кронштейном
4310-4501344 Ролик опорный троса третий с кронштейнами
4310-4501410 Ролик нажимной троса лебедки с рамкой
4326-4502010 Вал карданный лебедки передний
4310-4502010 Вал карданный лебедки передний
4326-4502110 Вал карданный лебедки задний
4310-4502110-01 Вал карданный лебедки задний
4310-4502210 Вал карданный промежуточный
4326-4502210-01 Вал карданный промежуточный
4310-4505003 Установка блока лебедки
4310-4505010 Блок лебедки
4310-4511010 Тросоукладчик лебедки в сборе
5320-3904001 Установка заводской таблички
5320-3906010 Установка ящика запчастей
5320-3910003 Установка огнетушителя
5320-3912001 Установка сумки
5320-3932002 Установка знака аварийной остановки
Техническая характеристика автомобилей
Техническая характеристика автомобилей
4350-0000310 Автомобиль КАМАЗ-4350 в сборе
5350-0000310 Автомобиль КАМАЗ-5350 в сборе
5350-0000340 Автомобиль КАМАЗ-5350 в сборе
6350-0000310 (312, 314) Автомобиль КАМАЗ-6350 в сборе
740.21-1011001-20
740.21-1011001-10
740.11-1011001-20
740.11-1011001-10
740.21-1011001
740.11-1011001
1
5
5
7
7
9
9
10
10
12
12
13
13
15
15
15
15
17
17
17
Поз.
Артикул
Название детали
Кол-во
740.21-1011001-20
740.21-1011001-20
Установка масляного насоса
740.21-1011001-10
740.21-1011001-10
Установка масляного насоса
740.11-1011001-20
740.11-1011001-20
Установка масляного насоса
740.11-1011001-10
740.11-1011001-10
Установка масляного насоса
740.21-1011001
740.21-1011001
Установка масляного насоса
740.11-1011001
740.11-1011001
Установка масляного насоса
1
740.11-1011005-10
Насос масляный с маслозаборником в сборе
1;
5
740.1011091
Прокладка фланца
1;
7
740.1011200-10
Прокладка регулировочная
2;
9
1/60434/21
Болт М8-6gх20
2;
10
1/60436/21
Болт М8-6gх25
;
12
853041
Болт М10х1,25-6gх70
2;
13
853042
Болт М10х1,25-6gх82
1;
15
1/11980/73
Шайба пружинная коническая 8х15
2;
17
1/05168/73
Шайба 10 пружинная
3;
Содержащиеся в справочниках-каталогах запасные части и детали не предлагаются к продаже, а носят исключительно информационный характер
Дополнительная информация
×
Название:
Номер:
Примечание:
Войти
Имя пользователя
Пароль
Забыли пароль?
Запомнить меня
Войти
Поиск товаров
Поиск товаров
Корзина покупок