ЗапКам
zap-kam16@yandex.ru
(900) 323-41-41
Вход / Регистрация отключена
Вход
Избранное
0
по запросу
Каталог
Все товары и категории
Запчасти КАМАЗ
Двигатель
Двигатели в сборе
Евро-0
КамАЗ-4310
Урал-4320
КамАЗ-4350
Евро-1
КамАЗ-43114
Евро-2
КамАЗ-43118
КамАЗ-65115
КамАЗ-6520
Евро-3
Евро-4
Евро-5
Газовые
Блоки цилиндров
Блоки цилиндров Евро-0 КамАЗ
Блоки цилиндров Евро-1 КамАЗ
Блоки цилиндров Евро-2 КамАЗ
Блоки цилиндров Евро-3 КамАЗ
Блоки цилиндров Евро-4,5 КамАЗ Common Rail
Сборочные комплекты (лонг-, шорт-блоки)
Блоки управления
Валы коленчатые
Коленвалы Евро-0 КамАЗ
Коленвалы Евро-1 КамАЗ
Коленвалы Евро-2 КамАЗ
Коленвалы Евро-3 КамАЗ
Коленвалы Евро-4,5 КамАЗ Common Rail
Вкладыши коренные
Евро-3,4,5
Евро-0,1,2
Вкладыши шатунные
Евро-3,4,5
Евро-0,1,2
Валы распредительные
ЦПГ – поршневая
Поршневая Евро-4,-5 (740.602)
Поршневая Евро-2,-3 (740.60)
Поршневая Евро-1,-2 (740.30)
Поршневая Евро-0,1 (740)
Кольца поршневые
ТНВД
Евро-4-5 Common Rail
Евро-3
Евро-2
Евро-1
Евро-0
Система питания
Форсунки топливные
Распылители форсунок
Топливозаборники
ГБЦ
Евро-3,4,5 Common Rail
Евро-1,2,3
Евро-0
Газ
Турбокомпрессоры
ТРК Евро-4,5 (однотурбовые)
Евро-4
Евро-3
Евро-2
Евро-1
Насос водяной
Насос масляный
Маховики
Коробка передач
КПП в сборе
Валы
Валы вторичные
Валы первичные
Валы промежуточные
Шестерни
Синхронизаторы
Делители в сборе
Коробка раздаточная
РК в сборе
РК 6522
Дифференциалы
Валы
Валы первичные
Валы промежуточные
Вилки
Шестерни
Механизмы переключения
Трансмиссия
Мосты
Редукторы в сборе
Заднего моста
Переднего моста
Среднего моста
Зубьев
31, 35
50
49
48
47
46
КамАЗ
4310
43114
43118
4326
5320
53205
65115
43253
53229
6520
6522
4308
65111
65116
65117
55102
55111
53212
53215
54115
5410
5511
Мосты в сборе
Передние
Средние
Задние
6520, 6522 (20т)
65115 (15т)
65111 (15т)
43118 (10т)
43114 / 4310 (8т)
53205 Евро (10т)
5320 (8т)
5511 (10т)
МОД
Мадара
Подвеска в сборе
Ось передняя
Ось в сборе
Ходовая часть
Подвеска (тележка) в сборе
Колеса и шины
Рама
Рессоры
Лебедка
Механизмы управления
Отопление и вентиляция
Система выпуска
Сцепление
Тормоза
Кабина
Управление рулевое
Электрооборудование
Автомобили
КАМАЗ 5490
Двигатель 457
Двигатели в сборе
Сцепление
Кабина
Кузов
Мосты
Рама
Система выпуска
Тормоза
Управление рулевое
Ходовая часть
КАМАЗ К5
Двигатели WeiChai
Двигатели в сборе
Двигатели Р6
Двигатели 910 Р6 в сборе
Кабина
Сцепление
Тормоза
Управление рулевое
Электрооборудование
ZF
КПП ZF в сборе
16S EcoSplit
КПП 16s 1820 TO
КПП 16S 2220
9S Ecomid
12AS Astronic
12TX Traxon
Запчасти 12tx Traxon
Cummins
Двигатели в сборе
Блоки цилиндров
Коленвалы
Головки блока
Генератор
Китайские грузовики
Shaanxi HanDe
Fast Gear
Sitrak
Weichai
FAW
Laizhou Tongji
Европейские грузовики
Mercedes
Электрооборудование
Блоки управления
Блоки управления ADM
Блоки управления CPC4
Блоки управления двигателем
Блоки управления электрооборудованием
Датчики
Стартеры
Карданная передача
Карданы КамАЗ
Коробки отбора мощности
Прицепная техника
ССУ (Седла)
Ремонт
Ремонт двигателей
Ремонт КПП Камаз и ZF
Ремонт раздаток и редукторов
Ремонт кабин
Услуги
Комплектация заявок
Скупка запчастей и агрегатов
Контакты
Отправить заявку
Каталоги запчастей к технике
Грузовые
КамАЗ
6460
Установка звуковых электрических сигналов
Поиск
Установка звуковых электрических сигналов
/ КамАЗ 6460
zoom-in
zoom-out
enlarge
shrink
circle-right
circle-left
file-text2
info
cart
Тип техники
Не выбрано
Грузовые
Двигатели
Марка
Не выбрано
DAF
DongFeng
FAW
Foton
HOWO
IVECO
JAC Motors
MAN
Shaanxi
SITRAK
Volvo
Автокомпонент Плюс
ЗИЛ
КАЗ
КамАЗ
Мадара
НефАЗ
СЗАП
Тонар
УралАЗ
Модель
Не выбрано
4308 (2004)
4308 (2008)
4308 (Евро 3) (2013)
4308 (Евро 4) (2012)
4308-C4 (2019)
4308-C4 (2019)
4308-H3 (2019)
4308-R4 (2019)
4310
4310
43101
43114
43118 (2002)
43118 (Евро 4) (2012)
43253 (Часть-1) (2011)
43253 (Часть-2) (2011)
43253, 43255 (Евро-4) (2012)
43255 (Евро-2) (2012)
43255 (Евро-3) (2012)
4326 (2001)
4326 (2003г)
43261 (Евро-1, 2) (2007)
4350 (4х4) (2004)
43501 (4х4) (2007)
43502 (Евро 4) (2013)
45141 (2009)
45142 (2009)
45143 (2009)
5308 (Евро 3) (2012)
5308 (Евро 4) (2013)
5315
5320
53212
53228, 65111 (2004)
53229 (Евро 2) (2010)
5350 (6х6) (2004)
53501 (6х6) (2007)
53504 (6х6) (2007)
5360
53605 (Евро-4) (2013)
5410
54112
5460
5460 (2005)
5490 (2016)
55102
5511 (2003)
6350 (8х8) (2004)
63501 (8х8) (2007)
6450 (8х8) (2007)
6460
6460 (Евро 3, 4) (2013)
6460 (Евро 4) (2013)
65111 (2008)
65111 (Евро 4) (2012)
65115 (2001)
65115 (2009)
65115 (Евро-3) (2013)
65115, 65116 (Евро-4) (2010)
65116 (2006)
6520
6520 (Euro-2, 3) (2009)
6520 (Euro-4) (2012)
6520 (Euro-4) (2016)
65201 (2007)
65201 Евро 2-3 (2016)
6522 (2005)
6522 (Euro-2, 3) (2009)
6522 (Евро-4) (2016)
65226 (2009)
65226 (2013)
6540
KNORR-BREMSE для КамАЗ
Общий (5320, 53212, 5410, 54112, 5511, 55102)
Самосв. установка 6520 (2011)
Схема
>
Не выбрано
Кабина с дверями окрашенная
Установка задней подвески кабины
Установка механизма опрокидывания кабины
Цилиндр в сборе
Запор кабины правый
Запор кабины левый
Окно ветровое, окно задка, установка зеркал заднего вида
Установка стеклоочистителя и омывателя
Установка вентиляционного люка крыши
Установка стекол и арматуры двери правая/левая
Установка стекол и арматуры двери правая/левая
Стеклоподъемник двери левый и правый в сборе (а)
Замок, фиксатор замка, ручка двери
Установка сидений
Сидение водителя
Механизм подрессоривания
Элементы отопления и вентиляции кабины
Установка настила рамы
Установка оперения кабины
Установка задней части переднего крыла правая/левая
Установка задних крыльев
Установка нижней подножки правая/левая
Агрегат силовой, укомплектованный для установки на автомобиль
Агрегат силовой
Двигатель с оборудованием
Установка картера агрегатов
Установка картера маховика
Картер маховика
Блок цилиндров в сборе
Блок цилиндров в сборе
Установка газораспределительного механизма
Головка цилиндра
Головка цилиндра с втулками
Коромысло клапана в сборе
Вал распределительный
Поршень с шатуном и кольцами
Установка форсунки охлаждения поршня
Клапан форсунки охлаждения поршня в сборе
Установка коленчатого вала и маховика
Вал коленчатый
Установка шкива коленчатого вала
Маховик
Установка фиксатора маховика
Установка системы вентиляции
Трубка сапуна с втулкой
Угольник сапуна
Установка электромагнитного клапана
Клапан с кронштейном и трубкой
Установка привода отбора мощности переднего
Привод агрегатов
Корпус подшипника
Вал отбора мощности
Установка силового агрегата (опора передняя)
Установка силового агрегата (опора задняя)
Установка силового агрегата (опора поддерживающая)
Установка газопровода
Установка картера масляного
Установка масляного насоса
Масляный насос с маслозаборником в сборе
Масляный насос с шестерней
Масляный насос
Крышка масляного насоса с клапаном
Крышка масляного насоса в сборе
Корпус масляного насоса в сборе
Шестерня ведомая масляного насоса
Маслозаборник
Установка фильтра и теплообменника
Фильтр масляный с теплообменником
Теплообменник масляный
Сердцевина в сборе
Фильтр очистки масла
Корпус масляного фильтра в сборе
Колпак масляного фильтра
Установка турбокомпрессора
Установка воздушного фильтра
Установка воздухозаборника
Фильтр воздушный в сборе
Установка топливопроводов
Фильтр тонкой очистки топлива
Клапан в сборе
Привод управления регулятором
Кронштейн с валом привода
Кронштейн вала привода
Тяга привода управления регулятором
Установка и привод ТНВД
Вал привода ТНВД
Насос топливный высокого давления
Насос топливный высокого давления
Топливный насос низкого давления
Крышка регулятора верхняя в сборе
Державка грузов регулятора
Рычаг регулятора
Корректор подачи топлива по наддуву
Секция топливного насоса
Установка форсунки
Форсунка
Установка топливопроводов
Установка тройника
Установка топливных баков, ФГОТ и топливопроводов
Установка управления подачи топлива
Установка системы впуска
Установка системы ОВН
Установка системы выпуска
Установка водяных труб
Установка корпуса водяных каналов
Корпус водяных каналов
Установка водяного насоса
Водяной насос
Установка обечайки вентилятора
Установка расширительного бачка
Установка радиатора и уплотнителей радиатора
Установка сцепления
Вилка выключения сцепления
Установка цилиндра сцепления
Установка подали и привода выключения сцепления
Установка картера сцепления
Привод управления механизмом переключения передач
Опора рычага переключения передач
Тяга реактивная в сборе
Картер коробки передач с пробками
Установка нижней крышки картера и трубки распылителя
Первичный вал
Установка крышки первичного вала
Промежуточный вал
Установка насоса
Основной вал
Установка пробок картера
Штоки вилок переключения передач
Механизм переключения передач
Установка боковых крышек механизма переключения передач
Установка датчиков механизма переключения передач
Комплект пружин
Механизм управления демультипликатором
Установка задней крышки картера
Картер планетарной передачи
Привод планетарной передачи
Установка заднего фланца
Синхронизатор планетарной передачи
Управление планетарной передачей
Механизм выбора передаточного числа
Установка пневмопривода управлением переключения передач
Установка карданных валов
Вал карданный заднего моста
Вал карданный среднего моста
Крестовина карданного вала
Мост задний
Картер моста заднего с механизмом блокировки в сборе
Вилка блокировки в сборе
Передача главная заднего моста
Шестерня ведущая заднего моста
Крышка подшипника в сборе
Дифференциал моста заднего
Сателлит в сборе
Водило с кожухом и сателлитами
Водило планетарной передачи
Шестерня ведомая колесной передачи в сборе
Мост средний
Картер моста среднего с механизмом блокировки в сборе
Передача главная среднего моста
Шестерня ведущая среднего моста
Крышка подшипника в сборе
Дифференциал моста среднего
Межосевой дифференциал среднего моста
Сателлит межосевого дифференциала с втулкой
Привод блокировки межосевого и межколесного дифференциала
Установка буксирной поперечины
Установка буксирной вилки
Установка передней подвески
Рессора передняя в сборе
Ушко с втулкой
Кронштейн стабилизатора в сборе
Кронштейн амортизатора левый и правый в сборе
Подвеска задняя в сборе
Подвеска задняя в сборе
Рессора задняя в сборе
Кронштейн балансира с осью
Башмак рессоры с втулками и манжетой
Башмак рессоры с втулками
Штанга реактивная в сборе
Штанга реактивная в сборе
Ось передняя с тормозами
Ось передняя в сборе
Кулак поворотный в сборе
Ступица переднего колеса
Ступица с тормозным барабаном
Ступица заднего колеса с манжетами
Ступица заднего колеса с болтами
Установка передних колес
Установка сдвоенных колес
Колесо с шиной
Держатель запасного колеса
Стакан с манжетами
Манжета
Установка насоса гидроусилителя руля
Установка рулевого механизма
Наконечник
Установка колонки рулевого управления
Рулевая колонка с карданным валом
Установка трубопроводов рулевого управления
Тяга
Наконечник тяги рулевой трапеции левый в сборе
Установка компрессора
Компрессор
Установка пневмотормозов
Установка осушителя
Установка ресиверов
Кран слива конденсата
Установка двухсекционного тормозного крана
Кран тормозной двухсекционный с педалью
Кран тормозной двухсекционный
Клапан контрольного вывода
Установка четырехконтурного защитного клапана
Клапан защитный четырехконтурный
Установка ускорительного клапана
Установка клапана управления тормозами прицепа
Установка регулятора тормозных сил
Установка клапана двухмагистрального
Установка охладителя
Установка пневмовыводов к полуприцепу
Корпус вспомогательного тормоза с заслонкой
Вал заслонки
Кран экстренного растормаживания
Цилиндр управления заслонкой в сборе
Тормоз задний
Суппорт тормоза задний
Колодка тормоза с накладками
Кронштейн с втулками
Тормозная камера тип 30/24
Тормоз передний правый/левый
Суппорт тормоза передний
Камера тормозная тип 30
Установка цилиндра выключения подачи топлива
Цилиндр пневматический с тягой
Цилиндр выключения подачи топлива пневматический
Установка аккумуляторных батарей
Установка фар передних указателей поворота
Установка фар дополнительных и противотуманных
Установка плафонов
Установка плафона освещения спального места
Установка плафона освещения вещевого ящика
Установка подкапотной лампы
Установка задних фонарей
Установка фонаря заднего противотуманного
Установка фонаря заднего хода
Установка фонарей освещения номерного знака
Установка звуковых электрических сигналов
Установка предохранителей
Установка розеток прицепа
Установка розетки переносной лампы
Установка проводов на шасси
Установка проводов на кабине
Установка бокового повторителя указателей поворота
Установка прерывателя указателей поворота
Установка малогабаритного выключателя массы
Установка реле
Установка габаритных боковых фонарей
Панель выключателей
Щиток приборов
Установка седельно-сцепного устройства
Установка коробки отбора мощности
Комплект вкладышей
Комплект вкладышей
Комплект колец
Комплект: коленвал
Комплект: гильза
Блок цилиндров в сборе
Головка цилиндра
Комплект: насос масляный с шестерней
Крестовина карданного вала
Шестерни ведущая и ведомая (комплект)
Ступица с тормозным барабаном
Ступица заднего колеса с манжетами и подшипниками
Ступица заднего колеса с тормозным барабаном и кожухом
Тяга сошки с наконечником
Комплекты для запасных частей
1
2
3
4
5
6
6
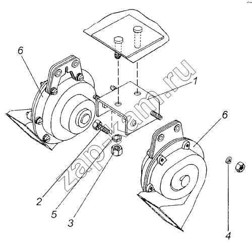
Поз.
Артикул
Название детали
Кол-во
532007-3721001-10
532007-3721001-10
Установка звуковых электрических сигналов
1
1
5425-3721254
Кронштейн
1
2
1/09024/21
Болт М6-6gх20
4
3
1/61008/11
Гайка М8х1,25-6Н
2
4
1/05164/77
Шайба 6 пружинная
4
5
1/05166/77
Шайба 8 пружинная
2
6
С306Д\С307Д-01-Т
Сигнал звуковой комплект в сборе
1
Содержащиеся в справочниках-каталогах запасные части и детали не предлагаются к продаже, а носят исключительно информационный характер
Дополнительная информация
×
Название:
Номер:
Примечание:
Войти
Имя пользователя
Пароль
Забыли пароль?
Запомнить меня
Войти
Поиск товаров
Поиск товаров
Корзина покупок