ЗапКам
zap-kam16@yandex.ru
(900) 323-41-41
Вход / Регистрация отключена
Вход
Избранное
0
по запросу
Каталог
Все товары и категории
Запчасти КАМАЗ
Двигатель
Двигатели в сборе
Евро-0
КамАЗ-4310
Урал-4320
КамАЗ-4350
Евро-1
КамАЗ-43114
Евро-2
КамАЗ-43118
КамАЗ-65115
КамАЗ-6520
Евро-3
Евро-4
Евро-5
Газовые
Блоки цилиндров
Блоки цилиндров Евро-0 КамАЗ
Блоки цилиндров Евро-1 КамАЗ
Блоки цилиндров Евро-2 КамАЗ
Блоки цилиндров Евро-3 КамАЗ
Блоки цилиндров Евро-4,5 КамАЗ Common Rail
Сборочные комплекты (лонг-, шорт-блоки)
Блоки управления
Валы коленчатые
Коленвалы Евро-0 КамАЗ
Коленвалы Евро-1 КамАЗ
Коленвалы Евро-2 КамАЗ
Коленвалы Евро-3 КамАЗ
Коленвалы Евро-4,5 КамАЗ Common Rail
Вкладыши коренные
Евро-3,4,5
Евро-0,1,2
Вкладыши шатунные
Евро-3,4,5
Евро-0,1,2
Валы распредительные
ЦПГ – поршневая
Поршневая Евро-4,-5 (740.602)
Поршневая Евро-2,-3 (740.60)
Поршневая Евро-1,-2 (740.30)
Поршневая Евро-0,1 (740)
Кольца поршневые
ТНВД
Евро-4-5 Common Rail
Евро-3
Евро-2
Евро-1
Евро-0
Система питания
Форсунки топливные
Распылители форсунок
Топливозаборники
ГБЦ
Евро-3,4,5 Common Rail
Евро-1,2,3
Евро-0
Газ
Турбокомпрессоры
ТРК Евро-4,5 (однотурбовые)
Евро-4
Евро-3
Евро-2
Евро-1
Насос водяной
Насос масляный
Маховики
Коробка передач
КПП в сборе
Валы
Валы вторичные
Валы первичные
Валы промежуточные
Шестерни
Синхронизаторы
Делители в сборе
Коробка раздаточная
РК в сборе
РК 6522
Дифференциалы
Валы
Валы первичные
Валы промежуточные
Вилки
Шестерни
Механизмы переключения
Трансмиссия
Мосты
Редукторы в сборе
Заднего моста
Переднего моста
Среднего моста
Зубьев
31, 35
50
49
48
47
46
КамАЗ
4310
43114
43118
4326
5320
53205
65115
43253
53229
6520
6522
4308
65111
65116
65117
55102
55111
53212
53215
54115
5410
5511
Мосты в сборе
Передние
Средние
Задние
6520, 6522 (20т)
65115 (15т)
65111 (15т)
43118 (10т)
43114 / 4310 (8т)
53205 Евро (10т)
5320 (8т)
5511 (10т)
МОД
Мадара
Подвеска в сборе
Ось передняя
Ось в сборе
Ходовая часть
Подвеска (тележка) в сборе
Колеса и шины
Рама
Рессоры
Лебедка
Механизмы управления
Отопление и вентиляция
Система выпуска
Сцепление
Тормоза
Кабина
Управление рулевое
Электрооборудование
Автомобили
КАМАЗ 5490
Двигатель 457
Двигатели в сборе
Сцепление
Кабина
Кузов
Мосты
Рама
Система выпуска
Тормоза
Управление рулевое
Ходовая часть
КАМАЗ К5
Двигатели WeiChai
Двигатели в сборе
Двигатели Р6
Двигатели 910 Р6 в сборе
Кабина
Сцепление
Тормоза
Управление рулевое
Электрооборудование
ZF
КПП ZF в сборе
16S EcoSplit
КПП 16s 1820 TO
КПП 16S 2220
9S Ecomid
12AS Astronic
12TX Traxon
Запчасти 12tx Traxon
Cummins
Двигатели в сборе
Блоки цилиндров
Коленвалы
Головки блока
Генератор
Китайские грузовики
Shaanxi HanDe
Fast Gear
Sitrak
Weichai
FAW
Laizhou Tongji
Европейские грузовики
Mercedes
Электрооборудование
Блоки управления
Блоки управления ADM
Блоки управления CPC4
Блоки управления двигателем
Блоки управления электрооборудованием
Датчики
Стартеры
Карданная передача
Карданы КамАЗ
Коробки отбора мощности
Прицепная техника
ССУ (Седла)
Ремонт
Ремонт двигателей
Ремонт КПП Камаз и ZF
Ремонт раздаток и редукторов
Ремонт кабин
Услуги
Комплектация заявок
Скупка запчастей и агрегатов
Контакты
Отправить заявку
Каталоги запчастей к технике
Грузовые
КамАЗ
65115
Кран управления (55111, 65115)
Поиск
Кран управления (55111, 65115)
/ КамАЗ 65115
zoom-in
zoom-out
enlarge
shrink
circle-right
circle-left
file-text2
info
cart
Тип техники
Не выбрано
Грузовые
Двигатели
Марка
Не выбрано
DAF
DongFeng
FAW
Foton
HOWO
IVECO
JAC Motors
MAN
Shaanxi
SITRAK
Volvo
Автокомпонент Плюс
ЗИЛ
КАЗ
КамАЗ
Мадара
НефАЗ
СЗАП
Тонар
УралАЗ
Модель
Не выбрано
4308 (2004)
4308 (2008)
4308 (Евро 3) (2013)
4308 (Евро 4) (2012)
4308-C4 (2019)
4308-C4 (2019)
4308-H3 (2019)
4308-R4 (2019)
4310
4310
43101
43114
43118 (2002)
43118 (Евро 4) (2012)
43253 (Часть-1) (2011)
43253 (Часть-2) (2011)
43253, 43255 (Евро-4) (2012)
43255 (Евро-2) (2012)
43255 (Евро-3) (2012)
4326 (2001)
4326 (2003г)
43261 (Евро-1, 2) (2007)
4350 (4х4) (2004)
43501 (4х4) (2007)
43502 (Евро 4) (2013)
45141 (2009)
45142 (2009)
45143 (2009)
5308 (Евро 3) (2012)
5308 (Евро 4) (2013)
5315
5320
53212
53228, 65111 (2004)
53229 (Евро 2) (2010)
5350 (6х6) (2004)
53501 (6х6) (2007)
53504 (6х6) (2007)
5360
53605 (Евро-4) (2013)
5410
54112
5460
5460 (2005)
5490 (2016)
55102
5511 (2003)
6350 (8х8) (2004)
63501 (8х8) (2007)
6450 (8х8) (2007)
6460
6460 (Евро 3, 4) (2013)
6460 (Евро 4) (2013)
65111 (2008)
65111 (Евро 4) (2012)
65115 (2001)
65115 (2009)
65115 (Евро-3) (2013)
65115, 65116 (Евро-4) (2010)
65116 (2006)
6520
6520 (Euro-2, 3) (2009)
6520 (Euro-4) (2012)
6520 (Euro-4) (2016)
65201 (2007)
65201 Евро 2-3 (2016)
6522 (2005)
6522 (Euro-2, 3) (2009)
6522 (Евро-4) (2016)
65226 (2009)
65226 (2013)
6540
KNORR-BREMSE для КамАЗ
Общий (5320, 53212, 5410, 54112, 5511, 55102)
Самосв. установка 6520 (2011)
Схема
>
Не выбрано
Кабина (53215, 54115)
Кабина (55111, 65115)
Установка кронштейнов и механизма уравновешивания кабины
Подвеска задняя кабины
Запор кабины правый
Запор кабины левый
Стеклоочиститель и его привод. Насос водяной очистки стекла
Дверка вещевого ящика
Ящик вещевой
Установка вентиляционного люка крыши
Дверь
Стеклоподъемник двери
Запор роторного типа
Сидение водителя
Установка сидений (53215, 54115)
Установка сидений (55111, 65115)
Подогреватель жидкостный в сборе
Установка подогревателя 15.8106
Установка топливного бачка и топливопроводов для подогревателя 15.8106
Элементы отопления и вентиляции кабины
Козырек противосолнечный
Зеркала
Крыло, брызговик и подножка
Брызговики
Платформа (53215)
Основные борта платформы (53215)
Надставные борта платформы (53215)
Запоры бортов платформы (53215)
Установка полога надставных бортов (53215)
Установка каркаса тента платформы (53215)
Каркас тента платформы (53215)
Запор стойки №3 каркаса тента (53215)
Установка платформы (55111, 65115)
Платформа (55111)
Платформа в сборе (65115)
Установка запоров заднего борта (55111, 65115)
Ограничитель опрокидывания платформы (55111, 65115)
Насос опрокидывающего механизма (55111, 65115)
Надрамник опрокидывающего механизма (55111, 65115)
Гидроцилиндр опрокидывающего механизма (55111, 65115)
Кран управления (55111, 65115)
Устройство опрокидывающее платформы (55111, 65115)
Двигатель (740.11-1000410-21, 740.11-100410-03, 740.11-1000411-75, 740.13-1000400-22)
Двигатель (740.11-1000410-21, 740.11-100410-03, 740.11-1000411-75, 740.13-1000400-22)
Установка силового агрегата
Комплект вкладышей (комплекты для запасных частей 53215, 54115, 55111, 65115)
Комплект вкладышей (комплекты для запасных частей)
Комплект колец (комплекты для запасных частей 53215, 54115, 55111, 65115)
Коленвал (комплекты для запасных частей)
Гильза цилиндра с поршнем, пальцем, кольцами (комплекты для запасных частей 53215, 54115, 55111, 65115)
Установка картера маховика и крышки блока передней
Блок цилиндров в сборе
Картер масляный в сборе
Газораспределительный механизм
Головка цилиндра
Поршень с шатуном и кольцами
Вал коленчатый в сборе (740.1005008-40, 740.13-1005008)
Вал коленчатый в сборе (740.1005009-40, 740.13-1005008)
Вал коленчатый с маховиком
Маховик в сборе
Вал распределительный
Толкатели газораспределительного механизма
Насос масляный с маслозаборником
Фильтр масляный с теплообменником
Фильтр очистки масла
Вентиляция картера двигателя
Привод распределительного вала и топливного насоса
Установка предпускового подогревателя
Агрегат насосный предпускового подогревателя
Насос топливный предпускового подогревателя
Котел подогревателя
Нагнетатель насосного агрегата предпускового подогревателя
Крепление котла подогревателя
Крепление топливного бачка подогревателя
Газопровод
Установка и привод ТНВД
Установка топливного бака, ФГОТ и топливопроводов (53215)
Установка топливного бака, ФГОТ и топливопроводов (54115, 55111, 65115)
Фильтр грубой очистки топлива в сборе
Фильтр тонкой очистки топлива
Привод акселератора
Привод акселератора
Система питания двигателя
Система питания двигателя
Топливный насос низкого давления
Регулятор частоты вращения
Крышка регулятора верхняя в сборе
Державка грузов регулятора в сборе
Топливный насос высокого давления
Корпус топливного насоса в сборе
Корпус топливного насоса
Секция топливного насоса
Форсунка
Муфта опережения впрыскивания
Насос предпусковой прокачки топлива
Установка электромагнитного клапана
Система питания воздухом (53215, 54115)
Система питания воздухом (55111, 65115)
Фильтр воздушный в сборе
Установка тройника (53215, 54115)
Установка тройника (55111, 65115)
Трубопроводы впускные
Установка турбокомпрессора
Система выпуска газа (53215, 55111)
Система выпуска газа (54115)
Система выпуска газа (65115)
Установка радиатора и уплотнителей радиатора
Установка жалюзи радиатора
Трубы и шланги
Трубы водяные
Насос водяной в сборе
Установка расширительного бачка
Гидромуфта привода вентилятора
Включатель гидромуфты
Сцепление
Усилитель привода управления сцеплением
Привод управления сцеплением
Коробка передач (142.1700100)
Коробка передач (152.1700050)
Картер коробки передач с валами
Валы и шестерни коробки передач
Механизм переключения передач
Привод управления механизмом переключения передач (14.1713005)
Привод управления механизмом переключения передач (14.1703006)
Опора с рычагом переключения передач
Опора рычага переключения передач
Делитель передач с управление
Установка механизма переключения делителя передач
Механизм переключения делителя передач
Привод управления механизмом переключения делителя передач
Воздухораспределитель
Клапан включения делителя
Клапан редукционный
Кран управления делителем
Установка карданных валов (53215, 54115, 55111)
Вал карданный заднего моста
Вал карданный среднего моста с карданами в сборе
Установка карданных валов (53215, 54115, 55111, 65115)
Вал карданный заднего моста
Вал карданный среднего моста
Мост задний в сборе (для автомобилей КАМАЗ до 2001 года выпуска)
Мост задний в сборе
Картер заднего моста в сборе
Передача главная заднего моста
Передача главная заднего моста (для автомобилей КАМАЗ до 2001 года выпуска)
Передача главная заднего моста
Передача главная заднего моста
Передача главная заднего моста
Передача главная заднего моста
Вилка блокировки
Мост средний в сборе (для автомобилей КАМАЗ до 2001 года выпуска)
Мост средний в сборе
Картер среднего моста в сборе
Передача главная среднего моста (для автомобилей КАМАЗ до 2001 года выпуска)
Передача главная среднего моста
Передача главная среднего моста
Передача главная среднего моста
Передача главная среднего моста
Передача главная среднего моста
Дифференциал среднего моста
Межосевой дифференциал среднего моста
Привод включения блокировки межосевого дифференциала
Кран включения блокировки межосевого дифференциала
Механизм блокировки МКД среднего и заднего мостов
Рама в сборе
Проушина буксирная
Подвеска передняя в сборе (53215, 54115, 55111, 65115)
Рессора передняя (53215, 54115, 55111)
Подвеска передняя (53215, 54115, 55111)
Подвеска передняя в сборе (65115)
Подвеска задняя в сборе (53215, 54115, 55111, 65115)
Башмак рессоры с втулками и сальником (53215, 54115, 55111, 65115)
Штанга реактивная в сборе (53215, 54115, 55111)
Штанга реактивная в сборе (65115)
Рессора задняя (53215, 54115, 55111)
Рессора задняя (65115)
Ось передняя в сборе
Колесо дисковое с шиной
Установка сдвоенных дисковых колес
Ступица переднего колеса
Ступица задних колес
Держатель запасного колеса (53215, 54115)
Держатель запасного колеса (55111)
Держатель запасного колеса (65115)
Механизм рулевого управления в сборе
Установка рулевого механизма
Редуктор угловой в сборе
Клапан управления гидроусилителем руля
Колесо рулевое, вал карданный и колонка рулевого управления
Насос гидроусилителя руля левого вращения
Тяги рулевые
Трубопроводы и радиатор масляный гидроусилителя руля
Тормоза рабочие передние
Тормоза рабочие задние
Рычаг тормоза
Водоотделитель пневмотормозов тормозной системы
Установка пневмотормозов
Компрессор пневмотормозов
Установка компрессора
Ресиверы пневмотормозов
Регулятор давления пневмотормозов
Кран тормозной двухсекционный с педалью
Клапан защитный четырехконтурный
Камера тормозная в сборе
Цилиндр выключения подачи топлива пневматический
Камера тормозная с пружинным энергоаккумулятором типа 20/20 в сборе (53215, 54115, 55111, 65115)
Камера тормозная с пружинным энергоаккумулятором типа 20/20 в сборе (53215, 55111)
Цилиндр вспомогательного тормоза пневматический
Регулятор тормозных сил в сборе
Клапан ускорительный в сборе
Привод вспомогательного тормоза
Клапан контрольного вывода
Привод включения блокировки межосевого дифференциала
Генератор
Установка аккумуляторных батарей и выключателя массы
Стартер
Подрулевой переключатель света
Панель выключателей
Розетка штепсельная переносной лампы на раме в сборе
Предохранители электрических цепей
Фары и фонари передние
Установка приборов освещения на кабине
Боковые габаритные фонари
Боковые габаритные фонари
Сигналы звуковые низкого и высокого тона
Электропровода
Установка реле
Щиток приборов
Выключатели и спидометр
Устройство буксирное
Установка седельного устройства
Устройство седельно-сцепное
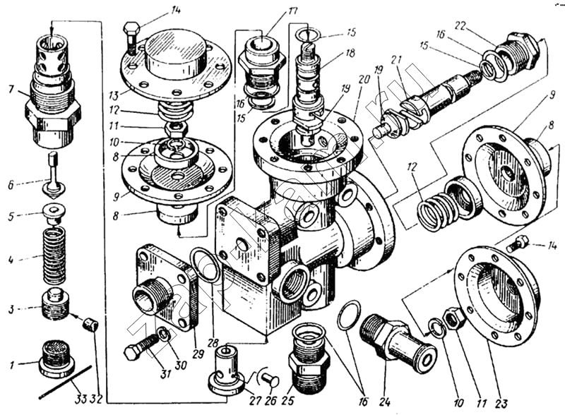
1
3
4
5
6
7
8
8
8
9
9
10
10
11
11
12
12
13
14
14
15
15
15
16
16
16
17
18
19
19
20
21
22
23
24
25
26
27
28
29
30
31
32
33
Поз.
Артикул
Название детали
3) 55111
4) 65115
1
5511-8607081
Пробка
1
1
3
5511-8607022
Пробка
1
1
4
5511-8607023
Пружина
1
1
5
5511-8607079
Тарелка
1
1
6
5511-8607078
Клапан
1
1
7
5511-8607074
Стакан пружины
1
1
8
5511-8607038
Шайба
4
4
9
5511-8607040
Мембрана в сборе
2
2
10
1/05168/70
Шайба 10 пружинная
2
2
11
1/21647/11
Гайка М10х1,25-6Н
2
2
12
5511-8607054
Пружина
2
2
13
5511-8607020
Крышка в сборе
1
1
14
1/09020/21
Болт М6-6gх12
16
16
15
012-016-25-2-2
Кольцо
3
3
16
024-029-30-2-2
Кольцо
2
2
17
5511-8607031
Штуцер
1
1
18
5511-8607028
Толкатель
1
1
19
5511-8607043
Клапан
2
2
20
5511-8607060
Корпус с седлами в сборе
1
1
21
5511-8607029
Толкатель
1
1
22
5511-8607032
Штуцер
1
1
23
5511-8607020
Крышка в сборе
1
1
24
5511-8607048
Штуцер
1
1
25
5511-8607033
Штуцер
1
1
26
5511-8607083
Штифт
1
1
27
5511-8607076
Втулка направляющая
1
1
28
034-038-25-2-2
Кольцо
1
1
29
5511-8604088
Штуцер
1
1
30
1/60436/21
Болт М8-6gх25
1
1
31
1/05166/73
Шайба 8 пружинная
1
1
32
870764
Штифт 3,6х5
1
1
33
5511-8607084
Штифт
1
1
Содержащиеся в справочниках-каталогах запасные части и детали не предлагаются к продаже, а носят исключительно информационный характер
Дополнительная информация
×
Название:
Номер:
Примечание:
Войти
Имя пользователя
Пароль
Забыли пароль?
Запомнить меня
Войти
Поиск товаров
Поиск товаров
Корзина покупок