ЗапКам
zap-kam16@yandex.ru
(900) 323-41-41
Вход / Регистрация отключена
Вход
Избранное
0
по запросу
Каталог
Все товары и категории
Запчасти КАМАЗ
Двигатель
Двигатели в сборе
Евро-0
КамАЗ-4310
Урал-4320
КамАЗ-4350
Евро-1
КамАЗ-43114
Евро-2
КамАЗ-43118
КамАЗ-65115
КамАЗ-6520
Евро-3
Евро-4
Евро-5
Газовые
Блоки цилиндров
Блоки цилиндров Евро-0 КамАЗ
Блоки цилиндров Евро-1 КамАЗ
Блоки цилиндров Евро-2 КамАЗ
Блоки цилиндров Евро-3 КамАЗ
Блоки цилиндров Евро-4,5 КамАЗ Common Rail
Сборочные комплекты (лонг-, шорт-блоки)
Блоки управления
Валы коленчатые
Коленвалы Евро-0 КамАЗ
Коленвалы Евро-1 КамАЗ
Коленвалы Евро-2 КамАЗ
Коленвалы Евро-3 КамАЗ
Коленвалы Евро-4,5 КамАЗ Common Rail
Вкладыши коренные
Евро-3,4,5
Евро-0,1,2
Вкладыши шатунные
Евро-3,4,5
Евро-0,1,2
Валы распредительные
ЦПГ – поршневая
Поршневая Евро-4,-5 (740.602)
Поршневая Евро-2,-3 (740.60)
Поршневая Евро-1,-2 (740.30)
Поршневая Евро-0,1 (740)
Кольца поршневые
ТНВД
Евро-4-5 Common Rail
Евро-3
Евро-2
Евро-1
Евро-0
Система питания
Форсунки топливные
Распылители форсунок
Топливозаборники
ГБЦ
Евро-3,4,5 Common Rail
Евро-1,2,3
Евро-0
Газ
Турбокомпрессоры
ТРК Евро-4,5 (однотурбовые)
Евро-4
Евро-3
Евро-2
Евро-1
Насос водяной
Насос масляный
Маховики
Коробка передач
КПП в сборе
Валы
Валы вторичные
Валы первичные
Валы промежуточные
Шестерни
Синхронизаторы
Делители в сборе
Коробка раздаточная
РК в сборе
РК 6522
Дифференциалы
Валы
Валы первичные
Валы промежуточные
Вилки
Шестерни
Механизмы переключения
Трансмиссия
Мосты
Редукторы в сборе
Заднего моста
Переднего моста
Среднего моста
Зубьев
31, 35
50
49
48
47
46
КамАЗ
4310
43114
43118
4326
5320
53205
65115
43253
53229
6520
6522
4308
65111
65116
65117
55102
55111
53212
53215
54115
5410
5511
Мосты в сборе
Передние
Средние
Задние
6520, 6522 (20т)
65115 (15т)
65111 (15т)
43118 (10т)
43114 / 4310 (8т)
53205 Евро (10т)
5320 (8т)
5511 (10т)
МОД
Мадара
Подвеска в сборе
Ось передняя
Ось в сборе
Ходовая часть
Подвеска (тележка) в сборе
Колеса и шины
Рама
Рессоры
Лебедка
Механизмы управления
Отопление и вентиляция
Система выпуска
Сцепление
Тормоза
Кабина
Управление рулевое
Электрооборудование
Автомобили
КАМАЗ 5490
Двигатель 457
Двигатели в сборе
Сцепление
Кабина
Кузов
Мосты
Рама
Система выпуска
Тормоза
Управление рулевое
Ходовая часть
КАМАЗ К5
Двигатели WeiChai
Двигатели в сборе
Двигатели Р6
Двигатели 910 Р6 в сборе
Кабина
Сцепление
Тормоза
Управление рулевое
Электрооборудование
ZF
КПП ZF в сборе
16S EcoSplit
КПП 16s 1820 TO
КПП 16S 2220
9S Ecomid
12AS Astronic
12TX Traxon
Запчасти 12tx Traxon
Cummins
Двигатели в сборе
Блоки цилиндров
Коленвалы
Головки блока
Генератор
Китайские грузовики
Shaanxi HanDe
Fast Gear
Sitrak
Weichai
FAW
Laizhou Tongji
Европейские грузовики
Mercedes
Электрооборудование
Блоки управления
Блоки управления ADM
Блоки управления CPC4
Блоки управления двигателем
Блоки управления электрооборудованием
Датчики
Стартеры
Карданная передача
Карданы КамАЗ
Коробки отбора мощности
Прицепная техника
ССУ (Седла)
Ремонт
Ремонт двигателей
Ремонт КПП Камаз и ZF
Ремонт раздаток и редукторов
Ремонт кабин
Услуги
Комплектация заявок
Скупка запчастей и агрегатов
Контакты
Отправить заявку
Каталоги запчастей к технике
Грузовые
КамАЗ
65115, 65116 (Евро-4)
65117-1609010 Установка пневмогидравлического усилителя
Поиск
65117-1609010 Установка пневмогидравлического усилителя
/ КамАЗ 65115, 65116 (Евро-4)
zoom-in
zoom-out
enlarge
shrink
circle-right
circle-left
file-text2
info
cart
Тип техники
Не выбрано
Грузовые
Двигатели
Марка
Не выбрано
DAF
DongFeng
FAW
Foton
HOWO
IVECO
JAC Motors
MAN
Shaanxi
SITRAK
Volvo
Автокомпонент Плюс
ЗИЛ
КАЗ
КамАЗ
Мадара
НефАЗ
СЗАП
Тонар
УралАЗ
Модель
Не выбрано
4308 (2004)
4308 (2008)
4308 (Евро 3) (2013)
4308 (Евро 4) (2012)
4308-C4 (2019)
4308-C4 (2019)
4308-H3 (2019)
4308-R4 (2019)
4310
4310
43101
43114
43118 (2002)
43118 (Евро 4) (2012)
43253 (Часть-1) (2011)
43253 (Часть-2) (2011)
43253, 43255 (Евро-4) (2012)
43255 (Евро-2) (2012)
43255 (Евро-3) (2012)
4326 (2001)
4326 (2003г)
43261 (Евро-1, 2) (2007)
4350 (4х4) (2004)
43501 (4х4) (2007)
43502 (Евро 4) (2013)
45141 (2009)
45142 (2009)
45143 (2009)
5308 (Евро 3) (2012)
5308 (Евро 4) (2013)
5315
5320
53212
53228, 65111 (2004)
53229 (Евро 2) (2010)
5350 (6х6) (2004)
53501 (6х6) (2007)
53504 (6х6) (2007)
5360
53605 (Евро-4) (2013)
5410
54112
5460
5460 (2005)
5490 (2016)
55102
5511 (2003)
6350 (8х8) (2004)
63501 (8х8) (2007)
6450 (8х8) (2007)
6460
6460 (Евро 3, 4) (2013)
6460 (Евро 4) (2013)
65111 (2008)
65111 (Евро 4) (2012)
65115 (2001)
65115 (2009)
65115 (Евро-3) (2013)
65115, 65116 (Евро-4) (2010)
65116 (2006)
6520
6520 (Euro-2, 3) (2009)
6520 (Euro-4) (2012)
6520 (Euro-4) (2016)
65201 (2007)
65201 Евро 2-3 (2016)
6522 (2005)
6522 (Euro-2, 3) (2009)
6522 (Евро-4) (2016)
65226 (2009)
65226 (2013)
6540
KNORR-BREMSE для КамАЗ
Общий (5320, 53212, 5410, 54112, 5511, 55102)
Самосв. установка 6520 (2011)
Схема
>
Не выбрано
65115-0001863-30 Автомобильное шасси КАМАЗ-65115 (ЕВРО-4). Комплектовочная ведомость.
65116-0000863-30 Автомобиль КАМАЗ-65116 (EBPO-4). Комплектовочная ведомость.
53205-5000006-30 Установка кабины с оперением
54105-5000006-30 Установка кабины с оперением
54115-5000003 Переднее крепление и механизм уравновешивания кабины
53205-5000012-30 Кабина
54105-5000012-30 Кабина со спальным местом
43114-5000014-43 Кабина с дверями окрашенная
43114-5000014-44 Кабина с дверями окрашенная
54115-5000075 Установка ремней безопасности
65115-5000079 Установка механизма опрокидывания кабины
54115-5000120 Установка сидений
65115-5001006 Установка задней подвески кабины
5320-5001010 Кронштейн переднего крепления кабины верхний
5320-5001080 Рессора кабины
43114-5002051-10 Установка ограничителя кабины
43114-5003014 Гидроцилиндр МОК в сб.
4310-5003014 Цилиндр опрокидывающего механизма кабины
4310-5003010 Гидроцилиндр
4310-5003038 Поршень
6520-5205001 Установка стеклоочистителя
6520-5208004 Установка омывателя
4308-5300023 Установка панели приборов
5320-5301047 Панель передка боковая съемная левая
6522-5325160 Установка поручней панели приборов
53229-5614200 Установка шумоизоляционного экрана
54115-5614200-10 Установка шумоизоляционного экрана двигателя
53205-5713008 Установка вентиляционного люка крыши
53205-6100005 Установка стекол и арматуры двери левой
53205-6100014 Дверь правая
53205-6100015 Дверь левая
5320-6103051-01 Стекло форточки двери
53205-6103210 Стекло двери опускное
53205-6104011 Стеклоподъемник двери
53205-6104030 Механизм стеклоподъемника двери
5320-6104060 Ручка стеклоподъемника
5320-6105020-10 Замок двери правый
5320-6105035-10 Фиксатор замка левый
5320-6105080 Привод замка двери правый в сборе
5320-6105150 Ручка двери наружная
5320-6106083 Ограничитель двери
54115-6800900 Схема подключения сидения водителя к пневмосистеме
53205-6830010 Сиденье пассажирское с ящиком
65115-8100005-70 Установка системы отопления кабины
5320-8102030 Сопло обдува ветрового стекла
5320-8105160-01 Кран отопления
4308-8109020 Привод управления отоплением
5320-8118027 Улитка вентилятора с распределителем левая
5320-8101257 Распределитель горячего воздуха левый
5320-8101261 Распределитель горячего воздуха
5320-8118069 Колесо рабочее с электродвигателем
43118-8106001-16 Установка подогревателя 15ТСГ
65115-8106002-50 Установка газового оборудования и газопровода подогревателя 15 ТСГ
5460-8201002 Установка зеркал заднего вида
5320-8204011-10 Козырек противосолнечный с обивкой левый\правый
53205-8213005 Установка надоконной полки и противосолнечных козырьков
5320-8400012 Установка оперения кабины
5410-8400012 Установка оперения кабины
53205-8401010 Панель облицовочная
65115-8404002 Установка задних крыльев
65115-8404003 Установка настила рамы
5320-8406010-01 Замок панели
5320-8406100 Личинка замка панели
5320-8407011 Петля облицовочной панели левая
65115-8415011 Обтекатель
65117-8410003-60 Установка боковой защиты
65115-1000294 Агрегат силовой 820.60-260, укомплектованный для установки на автомобиль
65115-1001000 Установка кронштейнов силового агрегата
53229-1001005-10 Установка силового агрегата
53229-1001015 Кронштейн передней опоры
5320-1001062-10 Башмак задней опоры силового агрегата
820.60-1000300 Агрегат силовой КАМАЗ 820.60-260
820.60-1000400 Двигатель с оборудованием
7406.1002003 Установка картера агрегатов
7406.1002320 Картер агрегатов
7406.1029115 Шестерня ведущая
7406.1029125 Ось ведущей шестерни
820.52-1002004 Установка картера маховика
820.52-1002310 Картер маховика
740.37-1029170 Корпус манжеты
820.01-1002010 Блок цилиндров в сборе
740.21-1002011 Блок цилиндров
740.1002080 Заглушка водяной полости
740.1003035 Втулка с кольцами
820.52-1003000 Установка головок цилиндра и механизма газораспределения
820.52-1003005 Головка цилиндра
820.52-1003010 Головка цилиндра с клапанами и стойкой коромысел
820.52-1003014 Головка цилиндра со втулками
740.21-1006010 Распределительный вал
7482.1006036 Корпус подшипника распределительного вала с втулкой
7406.1007091 Стойка коромысел
7406.1007140 Коромысло клапана
820.52-1004010-40 Поршень с шатуном и кольцами
740.1004045 Шатун
7405.1004120 Установка форсунки охлаждения поршня
7405.1004066 Клапан форсунки охлаждения поршня
820.52-1005007 Установка коленчатого вала
820.52-1005008 Коленчатый вал
7406.1005031 Шестерня коленчатого вала
740.21-1005059-10 Установка гасителя крутильных колебаний и полумуфты отбора мощности
740.62-1005060 Установка шкива коленчатого вала
740.60-1005100-20 Установка маховика
740.60-1005115-30 Маховик
740.60-1005116-20 Маховик
740.62-1005200 Установка привода отбора мощности переднего
740.62-1005500 Привод агрегатов
820.01-1002260 Крышка блока цилиндров передняя
7406.1005250 Корпус подшипника
740.62-1005535 Вал отбора мощности
820.60-1008000 Установка газопровода
7406.1009001-02 Установка картера масляного
740.11-1011001 Установка масляного насоса
740.11-1011005 Насос масляный с маслозаборником
740.11-1011010 Насос масляный с шестерней
740.11-1011014-02 Насос масляный
740.11-1011016-01 Крышка с клапаном
740.11-1011019-01 Крышка масляного насоса
740.1011018-50 Корпус насоса
7406.1012001-30 Установка фильтра и теплообменника
740.20-1012006 Фильтр масляный с теплообменником
740.11-1013200-10 Теплообменник масляный
740.60-1013200 Теплообменник масляный
740.20-1013210 Сердцевина
740.50-1014100 Установка системы вентиляции
5297-1108002-20 Установка педали электронного управления подачей топлива
65115-1109001-10 Установка воздушного фильтра
65115-1109003-40 Установка воздухозаборника
65115-1109005-75 Воздухозаборник с кронштейном
65115-1109400-20 Воздухозаборник
65116-1109001-80 Установка воздушного фильтра
65116-1109003-30 Установка воздухозаборника
65116-1109400 Воздухозаборник с уплотнителем
65116-1109405 Воздухозаборник
740.30-1111045 Корпус заднего подшипника
820.52-1121010 Шестерня, ведомая привода ТНВД
820.60-1115000 Установка системы впуска
820.60-1118000 Установка турбокомпрессора
820.52-1148000-10 Установка узла заслонки
6520-1109048-30 Установка тройника
6520-1109049 Тройник
65116-1109048-20 Установка тройника
65115-1170000 Установка системы охлаждения наддувочного воздуха
65116-1200003-90 Установка системы выпуска
65115-1300023-20 Установка радиатора
7406.1303002 Установка водяных труб
740.11-1303005 Установка корпуса водяных каналов
740.11-1303010 Корпус водяных каналов
7406.1307005 Установка водяного насоса
740.50-1307010 Водяной насос
740.65-1307500 Установка привода агрегатов переднего
740.62-1308005-10 Установка вентилятора с вязкостной муфтой
820.52-1311005 Установка расширительного бачка
5320-1311010-30 Бачок расширительный
5320-1311060 Пробка расширительного бачка
5320-1311086-30 Скоба верхняя
65115-1580004-12 Установка шумоизоляционного экрана нижнего КП
65117-1600006 Установка педали и привода выключения сцепления
5460-1602008 Педаль сцепления с кронштейном и главным цилиндром
6460-1602010 Педаль сцепления
5320-1602510-10 Главный цилиндр управления сцеплением
5320-1602560 Бачок главного цилиндра привода сцепления
5320-1602568 Толкатель поршня главного цилиндра
21.1600010 Сцепление
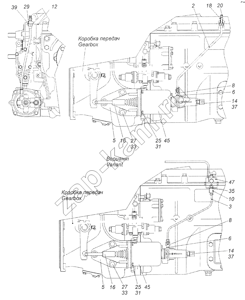
65117-1609010 Установка пневмогидравлического усилителя
65117-1609010-10 Установка пневмогидравлического усилителя
154.1700005-10 Установка коробки передач
154.1700051-20 Коробка передач с делителем, управлением и деталями сцепления
154.1700150 Коробка передач
154.1701010 Картер коробки передач
154.1701025 Вал первичный коробки передач
154.1701026 Вал первичный коробки передач с зубчатой муфтой и втулкой
154.1701027 Вал первичный коробки передач с зубчатой муфтой
14.1701039 Крышка подшипника первичного вала
154.1701070 Крышка заднего подшипника промежуточного вала
154.1701047 Вал промежуточный
154.1701100 Вал вторичный
154.1701201 Крышка заднего подшипника вторичного вала
14.1702010 Механизм переключения передач
14.1702013 Крышка коробки передач верхняя
14.1702026 Вилка переключения 2-ой и 3-ей передач
14.1702031 Вилка переключения 4-ой и 5-ой передач
154.1703005-20 Привод управления механизмом переключения передач
154.1703204-20 Опора рычага переключения передач
142.1703362 Серьга со втулкой
154.1703520 Тяга реактивная в сборе
154.1770010-20 Делитель передач с управлением
154.1770030 Картер делителя передач с втулками
154.1770040 Вал первичный делителя передач
154.1770210 Вал промежуточный делителя передач
15.1771010 Механизм переключения делителя передач
15.1771050 Поршень с манжетами
15.1771110 Валик вилки мезанизма переключения с рычагом
15.1772010 Воздухораспределитель механизма переключения
15.1772100 Редукционный клапан управления механизмом переключения
154.1772005 Установка пневмопривода управлением переключения передач
53215-2200001-10 Установка карданных валов
53205-2201011-10 Вал карданный заднего моста
53205-2201017-10 Вал карданный с шарниром
53205-2201020 Шарнир приварной
53205-2201050 Вилка скользящая с шарниром
53205-2201026-10 Крестовина карданного вала
53215-2205011-10 Вал карданный среднего моста
53215-2205017-10 Вал карданный с шарниром
53205-2205020 Шарнир приварной
53205-2205026-10 Крестовина карданного вала
53205-2205050 Вилка скользящая с шарниром
65115-2400025-10 Мост задний
65115-2401007 Картер заднего моста с механизмом блокировки
43081-2401114 Сапун
53205-2402011-10 Передача главная заднего моста
53205-2402015 Картер редуктора заднего моста
53205-2402021 Вал ведущий заднего моста
5320-2402048 Стакан подшипников
54115-2402050 Крышка стакана подшипников
5320-2402064-10 Шестерня ведомая коническая
53205-2402076 Крышка подшипника
5320-2402108 Стакан подшипников
53229-2403011-10 Дифференциал заднего моста
53212-2403054 Сателлит дифференциала заднего моста с втулкой
55102-2409016 Вилка блокировки
65115-2500025-10 Мост средний
53205-2502011-10 Передача главная среднего моста
5320-2502012 Шестерня ведущая коническая
54115-2502208 Крышка подшипника
53205-2506010 Дифференциал межосевой
54115-2506026 Крышка подшипника
53212-2506054 Сателлит межосевого дифференциала с втулкой
5320-2509010 Механизм блокировки
65117-2511021 Привод блокировки межосевого и межколесного дифференциалов
65115-2700010-10 Установка подрамника и сцепных устройств
65116-2700001 Установка седельного устройства
5410-2702010-01 Седельное устройство
65115-2800010-11 Рама
55111-2801300 Подрамник
53215-2803003-10 Установка переднего буфера
53205-2806115 Вилка буксирная с пружиной
65111-2804003 Установка заднего буфера
5410-2806040 Установка буксирной проушины
65115-2900001-10 Установка передней подвески
5511-2900002 Установка задней подвески
65115-2902012-15 Рессора передняя
65115-2902012-20 Рессора передняя
5322-2912012 Рессора задняя
65115-2918050 Кронштейн балансира с осью и со стяжкой
65115-2918052 Кронштейн балансира с осью
55111-2918068 Башмак рессоры с втулками и чашкой
55111-2918070 Башмак рессоры с втулками
630-2919012-11 Штанга реактивная
630-2919012-12 Штанга реактивная
5320-2919080 Штанги реактивные с кронштейном и рычагами
5320-2919088-30 Кронштейн верхних реактивных штанг
65115-3000012-13 Ось передняя с тормозами
65116-3000012-13 Ось передняя с тормозами
65115-3000015 Ось передняя
53205-3001012-10 Кулак поворотный
65115-3101002-50 Установка передних дисковых колес
65116-3101702 Установка передних стальных колес
65115-3101003-50 Установка сдвоенных дисковых колес
65116-3101703 Установка сдвоенных стальных колёс
65115-3101011-50 Колесо 7,5-20 с шиной
65116-3101011 Колесо 8,25x22,5 стальное с шиной
65115-3103010 Ступица переднего колеса с барабаном тормоза
65115-3104010-20 Ступица заднего колеса с барабаном тормоза
53229-3105010 Держатель запасного колеса
4310-3400012 Установка рулевого механизма
4310-3400020 Механизм рулевой
4310-3401010 Картер механизма рулевого управления
4310-3401063 Вал сошки с крышкой
4310-3401710 Редуктор угловой механизма рулевого управления
4310-3401716 Корпус углового редуктора механизма рулевого управления
4310-3401720 Крышка корпуса с манжетами
4310-3401736 Шестерня ведущая углового редуктора с корпусом
4310-3401750 Шестерня ведомая углового редуктора
53205-3414010 Тяга сошки
65117-3400014 Установка рулевой колонки
53205-3444006 Рулевая колонка с карданным валом
53205-3422010-10 Вал карданный рулевого управления
53205-3422012 Шарнир карданный
53205-3422014 Шарнир с втулкой
53205-3422122 Уплотнитель с втулкой
53205-3444009-30 Рулевая колонка
53205-3444014 Корпус колонки с кронштейном рулевого управления
53205-3400018-10 Установка трубопроводов
740.30-3407006 Установка насоса рулевого усилителя
4310-3407200-01 Насос рулевого усилителя
4310-3407200-02 Насос рулевого усилителя
4310-3407201-02 Насос гидроусилителя руля
4310-3407212 Крышка насоса рулевого усилителя
53212-3407270 Клапан перепускной насоса гидроусилителя рулевого управления
4310-3407338-10 Фильтр насоса гидроусилителя руля
5297-3414052 Тяга рулевого трапеции
6520-3414055 Наконечник тяги
53205-3500006-75 Установка пневмотормозов
65115-3500006-43 Установка пневмотормозов
43114-3500011-17 Установка осушителя
53229-3500013-37 Установка воздушных ресиверов
4308-3500014 Установка двухсекционного тормозного крана
65115-3514108 Кран тормозной двухсекционный с педалью
5320-3500015-04 Установка четырехконтурного защитного клапана
5320-3500015-10 Установка четырехконтурного защитного клапана
53205-3515400-10 Клапан защитный четырехконтурный
5320-3500018-04 Установка ускорительного клапана
5320-3500018-10 Установка ускорительного клапана
5410-3500022-04 Установка клапана управления тормозами прицепа
5410-3500022-10 Установка клапана управления тормозами прицепа
54112-3500033 Установка регулятора тормозных сил
54112-3500033-04 Установка регулятора тормозных сил
5320-3500062-04 Установка двухмагистрального клапана
5320-3500062-10 Установка двухмагистрального клапана
43118-3506180 Установка охладителя
16-3515310 Клапан контрольного вывода
16-3515510 Кран экстренного растормаживайия
65111-3500037-42 Установка кабелей АБС
65115-3500037-91 Установка кабелей АБС
53205-3500042-41 Установка модуляторов АБС
53205-3506042-41 Установка пневмоуправления системой АБС
53229-3501011-22 Тормоз передний левый
5320-3502012-10 Суппорт переднего тормоза
6540-3502011-22 Тормоз задний левый
5320-3502012-10 Суппорт заднего тормоза
53229-3501090-40 Колодка тормоза с накладками
5511-3502121-10 Кронштейн тормозной камеры и разжимного кулака
53229-3502237 Рычаг регулировочный заднего тормоза
6460-3506500 Установка пневмовыводов к полуприцепу
7406.3509003 Установка компрессора
7406.3509003-11 Установка компрессора
740.30-3509004 Установка компрессора
53205-3509015-20 Компрессор
53205-3509018 Картер компрессора
53205-3509039-20 Головка цилиндра с крышкой
53205-3509088 Крышка задняя в сборе
53205-3509154 Поршень в сборе
661-3519210 Камера тормозная тип 24
53205-3500070-03 Тормоз вспомогательный и его привод
6460-3570014-10 Корпус вспомогательного тормоза с заслонкой
53205-3570205 Пневмоцилиндр вспомогательного тормоза
53205-3570210 Цилиндр пневматический ф35х65
100-3570210 Цилиндр управления заслонкой в сборе
65115-3700012-34 Электрооборудование. Расположение на автомобиле
65116-3700001-22 Электрооборудование. Расположение на автомобиле
820.52-3700005-10 Установка системы зажигания
820.52-3700700 Катушка зажигания в сборе
740.60-3701001-30 Установка генератора
65116-3703001 Установка аккумуляторных батарей
740.60-3708005 Установка стартера и фиксатора
3215-3709002 Установка подрулевого переключателя
65115-3710001-34 Установка выключателей
65116-3710001-22 Установка выключателей
65228-3710002 Установка выключателя коробки отбора мощности
4308-3710004-30 Установка выключателя аккумуляторной батареи
53229-3711001 Установка фар и передних указателей поворота
53205-3714001-10 Установка плафонов
54105-3714002-24 Установка плафона освещения спального места
53205-3714003 Установка плафона освещения вещевого ящика
5320-3715001 Установка подкапотной лампы
55111-3716002-69 Установка задних фонарей
65116-3716002 Установка задних фонарей
54112-3716006 Установка фонаря заднего хода
54112-3716007 Установка фонаря заднего противотуманного
53215-3718001-85 Установка электромеханического корректора
5320-3721001-10 Установка звуковых электрических сигналов
4308-3722001-30 Установка предохранителей
53602-3722002 Установка блока предохранителей
43114-3723003-70 Установка розеток прицепа
6460-3723003 Установка розеток прицепа
53205-3723005 Установка розетки переносной лампы
820.73-3724010 Установка жгута проводов
820.60-3724020 Установка термопар
53215-3726001 Установка бокового повторителя указателя поворота
5410-3727002 Установка прожектора освещения сцепного устройства
54115-3731001-20 Установка боковых габаритных фонарей на переднем крыле
5320-3737001-01 Установка малогабаритного выключателя массы
53205-3738001 Установка фонарей автопоезда
5425-3738002 Установка габаритных фонарей
43118-3741001-30 Установка электрооборудования газового подогревателя
65228-3741012 Установка электрооборудования подогревателя на кабине
43118-3741013-30 Установка электрооборудования подогревателя на шасси
65115-3741008 Установка оборудования обогрева зеркал
4308-3747001-50 Установка реле
53215-3759001 Установка преобразователя напряжения
65115-3803001 Установка контрольных ламп
4308-3805001-42 Установка щитка приборов
4308-3805010-42 Щиток приборов
53205-3830002 Установка датчиков аварийного давления воздуха
4308-3830005 Установка датчиков указателя давления воздуха
65201-3859001-40 Установка электрооборудования АБС
65115-4000010-82 Система управления двигателем. Расположение на автомобиле
65115-4000100-82 Система управления двигателем. Расположение на панели приборов
65115-4070004-23 Установка проводов на кабине
6520-4012002 Установка реле
65115-4012001 Установка предохранителей
65115-4000200-82 Система управления двигателем. Расположение на кабине
4308-4011037 Установка датчика педали сцепления
820.52-4400005-10 Установка газового оборудования
820.53-4415230 Установка газового коллектора правого
820.53-4415231 Установка газового коллектора левого
820.53-4411010-01 Фильтр очистки газа
65115-4400005-30 Установка газового оборудования
65115-4404100-30 Установка редуктора высокого давления и электромагнитного клапана
65115-4404100-40 Установка редуктора высокого давления и электромагнитного клапана
65115-4400006 Установка кожуха защитного
2
3
5
5
6
6
8
8
10
12
14
14
16
16
18
20
25
25
27
27
29
31
31
33
33
35
37
37
39
45
45
47
Поз.
Артикул
Название детали
Кол-во
2
65117-1609600
Трубка
1;
3
65117-1609700-10
Трубка блока распределителя
1;
5
19.1609292-30
Кронштейн установки пневмогидравлического усилителя
1;
6
6520-1609602
Прокладка
1;
8
6520-1609603
Штуцер
1;
10
65117-1609603
Штуцер
1;
12
54115-1609605
Кронштейн крепления трубки
1;
14
6350-1609613
Штуцер
1;
16
65117-1609613
Удлинитель штока
1;
18
5320-3401371
Клапан перепускной
1;
20
5320-3401377
Колпачок клапана
1;
25
1/60434/21
Болт М8-6gх20
4;
27
1/55405/21
Болт М12х1,25-6gх35
3;
29
1/07913/11
Гайка низкая М14х1,5-6Н
1;
31
1/05166/73
Шайба 8 пружинная
4;
33
1/05170/73
Шайба 12 пружинная
3;
35
1/02844/60
Прокладка уплотнительная 10х16х1,5
1;
37
1/02800/60
Прокладка уплотнительная 14х20х1,5
1;
38
1/02570/60
Прокладка 16,2х22х1,5
1;
39
1/26058/71
Шайба зубчатая 14
1;
41
864896
Штуцер ввертный
1;
43
870830
Заглушка
1;
45
45104161200290
Усилитель пневмогидравлический
1;
47
205-1601001-20
Приспособление для заполнения, прокачивания тормозной жидкости в приводе управления сцеплением
1;
Содержащиеся в справочниках-каталогах запасные части и детали не предлагаются к продаже, а носят исключительно информационный характер
Дополнительная информация
×
Название:
Номер:
Примечание:
Войти
Имя пользователя
Пароль
Забыли пароль?
Запомнить меня
Войти
Поиск товаров
Поиск товаров
Корзина покупок