ЗапКам
zap-kam16@yandex.ru
(900) 323-41-41
Вход / Регистрация отключена
Вход
Избранное
0
по запросу
Каталог
Все товары и категории
Запчасти КАМАЗ
Двигатель
Двигатели в сборе
Евро-0
КамАЗ-4310
Урал-4320
КамАЗ-4350
Евро-1
КамАЗ-43114
Евро-2
КамАЗ-43118
КамАЗ-65115
КамАЗ-6520
Евро-3
Евро-4
Евро-5
Газовые
Блоки цилиндров
Блоки цилиндров Евро-0 КамАЗ
Блоки цилиндров Евро-1 КамАЗ
Блоки цилиндров Евро-2 КамАЗ
Блоки цилиндров Евро-3 КамАЗ
Блоки цилиндров Евро-4,5 КамАЗ Common Rail
Сборочные комплекты (лонг-, шорт-блоки)
Блоки управления
Валы коленчатые
Коленвалы Евро-0 КамАЗ
Коленвалы Евро-1 КамАЗ
Коленвалы Евро-2 КамАЗ
Коленвалы Евро-3 КамАЗ
Коленвалы Евро-4,5 КамАЗ Common Rail
Вкладыши коренные
Евро-3,4,5
Евро-0,1,2
Вкладыши шатунные
Евро-3,4,5
Евро-0,1,2
Валы распредительные
ЦПГ – поршневая
Поршневая Евро-4,-5 (740.602)
Поршневая Евро-2,-3 (740.60)
Поршневая Евро-1,-2 (740.30)
Поршневая Евро-0,1 (740)
Кольца поршневые
ТНВД
Евро-4-5 Common Rail
Евро-3
Евро-2
Евро-1
Евро-0
Система питания
Форсунки топливные
Распылители форсунок
Топливозаборники
ГБЦ
Евро-3,4,5 Common Rail
Евро-1,2,3
Евро-0
Газ
Турбокомпрессоры
ТРК Евро-4,5 (однотурбовые)
Евро-4
Евро-3
Евро-2
Евро-1
Насос водяной
Насос масляный
Маховики
Коробка передач
КПП в сборе
Валы
Валы вторичные
Валы первичные
Валы промежуточные
Шестерни
Синхронизаторы
Делители в сборе
Коробка раздаточная
РК в сборе
РК 6522
Дифференциалы
Валы
Валы первичные
Валы промежуточные
Вилки
Шестерни
Механизмы переключения
Трансмиссия
Мосты
Редукторы в сборе
Заднего моста
Переднего моста
Среднего моста
Зубьев
31, 35
50
49
48
47
46
КамАЗ
4310
43114
43118
4326
5320
53205
65115
43253
53229
6520
6522
4308
65111
65116
65117
55102
55111
53212
53215
54115
5410
5511
Мосты в сборе
Передние
Средние
Задние
6520, 6522 (20т)
65115 (15т)
65111 (15т)
43118 (10т)
43114 / 4310 (8т)
53205 Евро (10т)
5320 (8т)
5511 (10т)
МОД
Мадара
Подвеска в сборе
Ось передняя
Ось в сборе
Ходовая часть
Подвеска (тележка) в сборе
Колеса и шины
Рама
Рессоры
Лебедка
Механизмы управления
Отопление и вентиляция
Система выпуска
Сцепление
Тормоза
Кабина
Управление рулевое
Электрооборудование
Автомобили
КАМАЗ 5490
Двигатель 457
Двигатели в сборе
Сцепление
Кабина
Кузов
Мосты
Рама
Система выпуска
Тормоза
Управление рулевое
Ходовая часть
КАМАЗ К5
Двигатели WeiChai
Двигатели в сборе
Двигатели Р6
Двигатели 910 Р6 в сборе
Кабина
Сцепление
Тормоза
Управление рулевое
Электрооборудование
ZF
КПП ZF в сборе
16S EcoSplit
КПП 16s 1820 TO
КПП 16S 2220
9S Ecomid
12AS Astronic
12TX Traxon
Запчасти 12tx Traxon
Cummins
Двигатели в сборе
Блоки цилиндров
Коленвалы
Головки блока
Генератор
Китайские грузовики
Shaanxi HanDe
Fast Gear
Sitrak
Weichai
FAW
Laizhou Tongji
Европейские грузовики
Mercedes
Электрооборудование
Блоки управления
Блоки управления ADM
Блоки управления CPC4
Блоки управления двигателем
Блоки управления электрооборудованием
Датчики
Стартеры
Карданная передача
Карданы КамАЗ
Коробки отбора мощности
Прицепная техника
ССУ (Седла)
Ремонт
Ремонт двигателей
Ремонт КПП Камаз и ZF
Ремонт раздаток и редукторов
Ремонт кабин
Услуги
Комплектация заявок
Скупка запчастей и агрегатов
Контакты
Отправить заявку
Каталоги запчастей к технике
Грузовые
КамАЗ
65116
Механизм подрессоривания сиденья водителя
Поиск
Механизм подрессоривания сиденья водителя
/ КамАЗ 65116
zoom-in
zoom-out
enlarge
shrink
circle-right
circle-left
file-text2
info
cart
Тип техники
Не выбрано
Грузовые
Двигатели
Марка
Не выбрано
DAF
DongFeng
FAW
Foton
HOWO
IVECO
JAC Motors
MAN
Shaanxi
SITRAK
Volvo
Автокомпонент Плюс
ЗИЛ
КАЗ
КамАЗ
Мадара
НефАЗ
СЗАП
Тонар
УралАЗ
Модель
Не выбрано
4308 (2004)
4308 (2008)
4308 (Евро 3) (2013)
4308 (Евро 4) (2012)
4308-C4 (2019)
4308-C4 (2019)
4308-H3 (2019)
4308-R4 (2019)
4310
4310
43101
43114
43118 (2002)
43118 (Евро 4) (2012)
43253 (Часть-1) (2011)
43253 (Часть-2) (2011)
43253, 43255 (Евро-4) (2012)
43255 (Евро-2) (2012)
43255 (Евро-3) (2012)
4326 (2001)
4326 (2003г)
43261 (Евро-1, 2) (2007)
4350 (4х4) (2004)
43501 (4х4) (2007)
43502 (Евро 4) (2013)
45141 (2009)
45142 (2009)
45143 (2009)
5308 (Евро 3) (2012)
5308 (Евро 4) (2013)
5315
5320
53212
53228, 65111 (2004)
53229 (Евро 2) (2010)
5350 (6х6) (2004)
53501 (6х6) (2007)
53504 (6х6) (2007)
5360
53605 (Евро-4) (2013)
5410
54112
5460
5460 (2005)
5490 (2016)
55102
5511 (2003)
6350 (8х8) (2004)
63501 (8х8) (2007)
6450 (8х8) (2007)
6460
6460 (Евро 3, 4) (2013)
6460 (Евро 4) (2013)
65111 (2008)
65111 (Евро 4) (2012)
65115 (2001)
65115 (2009)
65115 (Евро-3) (2013)
65115, 65116 (Евро-4) (2010)
65116 (2006)
6520
6520 (Euro-2, 3) (2009)
6520 (Euro-4) (2012)
6520 (Euro-4) (2016)
65201 (2007)
65201 Евро 2-3 (2016)
6522 (2005)
6522 (Euro-2, 3) (2009)
6522 (Евро-4) (2016)
65226 (2009)
65226 (2013)
6540
KNORR-BREMSE для КамАЗ
Общий (5320, 53212, 5410, 54112, 5511, 55102)
Самосв. установка 6520 (2011)
Схема
>
Не выбрано
Установка кабины с оперением
Кабина с дверями окрашенная
Переднее крепление и механизм уравновешивания кабины
Установка механизма опрокидывания кабины
Установка задней подвески кабины
Кронштейн переднего крепления кабины верхний
Рессора кабины
Установка ограничителя подъема кабины
Шпилька стопорная
Гидроцилиндр
Цилиндр механизма опрокидывания кабины
Гидроцилиндр МОК в сборе
Запор кабины правый
Запор кабины левый
Корпус запора кабины правый
Корпус запора кабины левый
Установка стеклоочистителя
Стеклоочиститель электрический
Установка омывателя электрического
Установка панели приборов
Панель передка боковая съемная левая
Ящик вещевой
Дверка вещевого ящика
Ограничитель
Установка шумоизоляционного экрана
Установка вентиляционного люка крыши
Установка стекол и арматуры двери правая/левая
Установка стекол и арматуры двери правая/левая
Стеклоподъемник двери левый в сборе
Замок двери правый/левый
Фиксатор замка правый/левый в сборе
Привод замка двери правый/левый в сборе
Ручка двери наружная в сборе
Ограничитель двери
Установка сидений
Сиденье водителя
Механизм подрессоривания сиденья водителя
Сиденье пассажирское с ящиком
Элементы отопления и вентиляции кабины
Кран сливной
Кран отопления
Установка подогревателя 15.8106
Установка подогревателя 15.8106
Установка топливного бачка и топливопроводов подогревателя 15.8106
Установка топливного бачка и топливопроводов подогревателя 14ТС-01
Бачок топливный
Привод управления отоплением
Колесо рабочее
Установка подогревателя 14ТС
Установка зеркал заднего вида
Ручка правая/левая
Пепельница в сборе
Козырек противосолнечный с обивкой левый/правый
Установка боковых знаков
Установка боковых знаков
Установка знаков двигателя и "260 TURBO"
Надоконной полки и противосолнечных козырьков
Установка ремней безопасности
Установка оперения кабины
Панель облицовочная
Установка задней части переднего крыла правая/левая
Установка задней части переднего крыла правая/левая
Установка задних крыльев
Установка нижней подножки правая/левая
Установка боковой защиты
Установка спойлера
Установка панели фар
Установка настила рамы
Платформа
Установка платформы
Основание платформы
Каркас основания платформы
Каркас тента
Обойма хомута с накладкой
Агрегат силовой, укомплектованный для установки на автомобиль
Агрегат силовой КАМАЗ 740.30-260
Агрегат силовой КАМАЗ 740.30-260
Установка силового агрегата
Кронштейн передней опоры
Установка картера агрегатов
Установка картера агрегатов
Установка картера маховика
Блок цилиндров в сборе
Блок цилиндров в сборе
Заглушка водяной полости
Крышка блока цилиндров передняя
Картер маховика
Картер агрегатов
Установка газораспределительного механизма
Головка цилиндра
Головка цилиндра с втулками
Втулка с кольцами
Заглушка с кольцом
Поршень с шатуном и кольцами
Шатун
Клапан форсунки охлаждения поршня в сборе
Установка форсунки охлаждения поршня
Установка коленчатого вала
Коленчатый вал
Шестерня коленчатого вала
Шкив
Установка гасителя крутильных колебаний и полумуфты отбора мощности
Установка шкива коленчатого вала
Установка маховика и фиксатора
Маховик
Установка привода отбора мощности переднего
Корпус подшипника
Фиксатор маховика в сборе
Привод агрегатов
Вал отбора мощности
Распределительный вал
Корпус подшипника распределительного вала с втулкой
Стойка коромысел в сборе
Коромысло клапана в сборе
Установка газопровода
Установка картера масляного
Трубка указателя уровня с кольцом
Установка масляного насоса
Масляный насос с маслозаборником в сборе
Масляный насос с шестерней
Насос масляный
Крышка масляного насоса с клапаном
Корпус насоса
Крышка масляного насоса в сборе
Шестерня, ведомая масляного насоса
Маслозаборник
Установка фильтра и теплообменника
Фильтр масляный с теплообменником
Фильтр очистки масла
Корпус масляного фильтра в сборе
Колпак масляного фильтра
Теплообменник масляный
Сердцевина в сборе
Установка системы вентиляции
Трубка сапуна с втулкой
Угольник сапуна
Установка электромагнитного клапана
Клапан с кронштейном и трубкой
Шестерня, ведущая в сборе
Ось ведущей шестерни
Установка топливного бака, ФГОТ и топлипроводов
Установка топливного бака, ФГОТ и топлипроводов
Бак топливный
Труба наливная топливного бака с выдвижной трубой
Пробка топливного бака
Установка топлипроводов
Установка топлипроводов
Трубка приемная с фильтром
Фильтр грубой очистки с насосом предпусковой прокачки топлива
Фильтр грубой очистки топлива в сборе
Привод управления регулятором
Управление подачей топлива
Кронштейн с валом привода
Кронштейн вала привода
Тяга привода управления регулятором
Наконечник тяги рычага управления регулятором
Воздухозаборник
Установка воздухозаборника
Установка тройника
Фильтр воздушный всборе
Элемент фильтрующий с предочистителем
Установка и привод ТНВД
Корпус заднего подшипника
Вал привода ТНВД
Установка форсунки
Установка системы впуска
Корректор впускной правый
Корректор впускной правый
Патрубок соединительный
Патрубок объединительный
Тройник
Фильтр тонкой очистки топлива
Пружина
Установка турбокомпрессора
Шестерня, ведомая привода ТНВД
Установка системы ОНВ
Теплообменник охлаждения наддувочного воздуха
Насос топливный высокого давления
Насос топливный высокого давления
Насос топливный низкого давления
Крышка регулятора верхняя в сборе
Державка грузов регулятора
Рычаг регулятора
Корректор подачи топлива по наддуву
Секция топливного насоса
Форсунка
Насос предпусковой подачи топлива
Фильтр тонкой очистки топлива жидкостного подогревателя
Установка системы выпуска
Установка системы выпуска
Установка радиатора
Установка водяных труб
Установка корпуса водяных каналов
Корпус водяных каналов
Установка кранов сливных системы охлаждения привода управления
Кран сливной системы охлаждения
Пробка крана
Пробка с шариком и держателем
Установка водяного насоса
Водяной насос
Установка вентилятора
Установка вентилятора с муфтой привода
Установка расширительного бачка
Бачок расширительный
Пробка расширительного бачка
Скоба верхняя
Установка электромагнитной муфты
Муфта электромагнитная привода вентилятора
Шкив со ступицей вентилятора в сборе
Ступица вентилятора с фрикционным диском
Фланец крепления датчика включения вентилятора с пробкой
Установка педали и привода выключения сцепления
Сцепление
Диск нажимной с кожухом
Кольцо промежуточное
Педаль сцепления с кронштейном и главным цилиндром
Педаль сцепления
Главный цилиндр управления сцепления
Главный цилиндр
Толкатель
Бачок главного цилиндра привода сцепления
Пневмогидравлический усилитель
Корпус пневмогидравлического усилителя задний
Поршень следящий с корпусом
Поршень выключения сцепления
Уплотнения поршня выключения сцепления
Диафрагма ПГУ
Клапан пневмогидравлического усилителя
Коробка передач с делителем, управлением и деталями сцепления
Коробка передач
Вал первичный коробки передач с зубчатой муфтой и втулкой
Вал первичный коробки передач с зубчатой муфтой
Крышка подшипника первичного вала
Вал промежуточный
Крышка заднего подшипника промежуточного вала
Вал вторичный
Крышка заднего подшипника вторичного вала
Механизм переключения передач
Крышка коробки передач верхняя
Вилка переключения 2-й и 3-й передач
Вилка переключения 4-й и 5-й передач
Опора рычага переключения передач
Опора рычага переключения передач
Привод управления механизмом переключения передач
Опора рычага переключения передач с рычагом и краном управления
Делитель передач с управлением
Картер делителя передач с втулками
Вал первичный делителя передач
Вал промежуточный делителя передач
Механизм переключения делителя передач
Корпус механизма переключения делителя передач
Поршень с манжетами
Валик вилки механизма переключения с рычагом
Установка пневмопривода управлением переключения передач
Воздухораспределитель механизма переключения
Корпус воздухораспределителя с гнездами золотника
Редукционный клапан управления механизмом переключения
Клапан управления делителем передач с тросом
Картер коробки передач
Пломбировка датчика тахографа на коробке передач
Установка карданных валов
Установка карданных валов
Вал карданный
Вал карданный заднего моста
Крестовина карданного вала
Вал карданный промежуточный с опорой
Вал карданный среднего моста
Вал карданный среднего моста
Крестовина карданного вала
Мост задний
Картер заднего моста
Передача главная заднего моста
Вал ведущий заднего моста
Стакан подшипников
Крышка стакана подшипников
Шестерня ведомая коническая
Стакан подшипников
Дифференциал заднего моста
Сателлит в сборе
Вилка блокировки в сборе
Шток
Мост средний
Картер среднего моста
Передача главная среднего моста
Шестерня ведущая коническая
Крышка подшипника
Дифференциал межосевой
Крышка подшипника в сборе
Сателлит в сборе
Механизм блокировки
Привод блокировки межосевого дифференциала
Кран включения блокировки
Рама
Рама
Рама
Установка кронштейнов
Установка буксирной поперечины
Установка заднего буфера
Установка буксирной проушины
Установка передней подвески
Установка задней подвески
Рессора передняя
Ушко с втулкой и манжетами
Ушко со втулкой
Кронштейн амортизатора левый
Кронштейн стабилизатора в сборе
Рессора задняя
Ось балансирной подвески с кронштейнами
Башмак рессоры с втулками и сальником
Башмак рессоры с втулками
Ось передняя с тормозами
Ось передняя
Кулак поворотный
Установка передних дисковых колес
Установка передних стальных колес
Установка сдвоенных дисковых колес
Колесо 7,5х20 с шиной
Колесо 8,25х22,5 стальное с шиной
Ступица переднего колеса с барабаном тормоза
Ступица заднего колеса с барабаном тормоза
Держатель запасного колеса
Установка рулевого механизма
Установка колонки рулевого управления
Установка трубопроводов
Механизм рулевой
Картер механизма рулевого управления
Вал сошки с крышкой
Редуктор угловой механизма рулевого управления
Корпус углового редуктора механизма рулевого управления
Крышка корпуса с манжетами
Шестерня ведущая углового редуктора с корпусом
Шестерня ведомая углового редуктора
Установка насоса гидроусилителя руля
Насос рулевого усилителя
Фильтр насоса гидроусилителя руля
Тяга сошки рулевого управления
Тяга рулевой трапеции
Наконечник рулевой трапеции правый
Вал карданный рулевого управления
Шарнир карданный
Клапан управления гидроусилителем руля
Корпус клапана управления гидроусилителем руля
Клапан обратный
Рулевая колонка с карданным валом
Рулевая колонка
Корпус колонки с кронштейном рулевого управления
Установка пневмотормозов
Установка пневмотормозов
Установка пневмопривода тормозов
Установка пневмопривода тормозов
Установка пневмопривода тормозов
Установка блока подготовки воздуха
Установка воздушных ресиверов
Установка воздушных ресиверов
Установка двухсекционного тормозного крана
Установка четырехконтурного защитного клапана
Установка ускорительных клапанов
Установка клапана управления тормозами прицепа
Установка клапана управления тормозами прицепа
Установка регулятора тормозных сил
Установка кабелей АБС
Установка кабелей АБС
Установка двухмагистрального клапана
Тормоз вспомогательный и его привод
Тормоз вспомогательный и его привод
Тормоз передний
Суппорт переднего тормоза
Колодка тормоза с накладками
Тормоз задний
Тормоз задний правый/левый
Установка пневмоуправления системой АБС
Установка модуляторов АБС
Установка охладителя
Установка компрессора
Компрессор
Картер в сборе
Головка цилиндра с крышкой
Крышка задняя в сборе
Поршень в сборе
Кран слива конденсата
Кран тормозной двухсекционный с педалью
Кран тормозной двухсекционный
Клапан контрольного вывода
Клапан контрольного вывода в сборе
Клапан защитный четырехконтурный
Кран экстренного растормаживания
Камера тормозная тип 24
Кран аварийного растормаживания в сборе
Датчик скорости с кронштейном
Установка цилиндра выключения подачи топлива
Корпус вспомогательного тормоза с заслонкой
Вал заслонки
Цилиндр пневматический с тягой
Цилиндр выключения подачи топлива пневматический
Цилиндр управления заслонкой в сборе
Привод блокировки межколесных дифференциалов
Электрооборудование. Расположение на автомобиле
Электрооборудование
Установка фонарей опознавательного знака автопоезда
Установка генератора
Кронштейн генератора
Установка аккумуляторных батарей
Установка стартера
Панель выключателей
Панель выключателей
Панель выключателей
Установка фар и переднего указателя поворота правый
Установка фар дополнительных и противотуманных
Установка плафонов
Установка плафона освещения спального места
Установка плафона освещения вещевого ящика
Установка подкапотной лампы
Установка задних фонарей
Установка задних фонарей
Установка электромеханического корректора
Установка звуковых электрических сигналов
Установка предохранителей
Установка розеток прицепа
Установка розеток прицепа
Установка розетки переносной лампы
Установка проводов на шасси
Установка проводов на шасси
Установка проводов на шасси
Установка проводов на шасси
Установка проводов на шасси
Установка проводов на шасси
Установка проводов на кабине
Установка проводов на кабине
Установка проводов на кабине
Установка проводов на кабине
Установка проводов на кабине
Установка проводов на кабине
Установка проводов на кабине
Установка бокового повторителя указателей поворота
Установка бокового повторителя указателей поворота
Установка прерывателя указателей поворота
Установка прерывателя указателей поворота
Установка прожектора освещения сцепного устройства
Установка габаритных боковых фонарей
Установка боковых габаритных фонарей
Установка малогабаритного выключателя массы
Установка фонарей автопоезда
Установка габаритных фонарей
Установка электрооборудования подогревателя
Установка электрооборудования подогревателя
Установка терморегулятора
Установка блока управления подогревателем
Установка реле
Установка реле блокировки стартера
Установка преобразователя напряжения
Установка электрооборудования на козырьке
Корректор фар
Пульт управления подогревателем
Установка электрооборудования АБС
Щиток приборов
Установка индикатора засоренности воздушного фильтра
Установка трубопроводов к манометру
Установка датчиков аварийного давления воздуха
Установка автомагнитолы
Установка громкоговорителей
Установка седельного устройства
Седельное устройство
Установка тягово-сцепного устройства
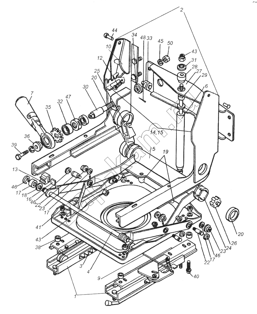
1
2
3
4
5
6
7
9
10
12
13
14
15
16
17
17
17
18
19
20
20
22
22
23
23
24
25
26
27
28
29
30
31
32
33
34
35
36
38
39
40
41
43
43
44
45
46
46
46
47
48
50
Поз.
Артикул
Название детали
Кол-во
1
5320-6804110/111
Механизм перемещения сиденья правый/левый в сборе
1
2
5320-6804510-01/511-01
Боковина подвески сиденья левая в сборе
1
3
5320-6804540
Основание подвески сиденья в сборе
1
4
5320-6804560
Шарнир подвески сиденья водителя передний в сборе
1
5
5320-6804570
Шарнир подвески сиденья водителя задний в сборе
1
6
11.6809010ГЧ
Амортизатор
1
7
5320-6804756
Ручка регулировки торсиона в сборе
1
9
5320-6804163
Стяжка механизма перемещения сиденья
1
10
5320-6804312/313
Кронштейн крепления спинки правый/ левый
1
12
5320-6804327
Пружина регулировочная
2
13
5320-6804530
Буфер шарнира
2
14
5320-6804321
Гребенка регулировки наклона спинки сиденья водителя левая
1
15
5320-6804322
Гребенка регулировки наклона спинки сиденья водителя правая
1
16
5320-6804533
Сухарь буфера
2
17
5320-6804568
Прокладка подвески сиденья
4
18
5320-6804569-10
Ролик шарнира
4
19
5320-6804585
Буфер
2
20
5320-6804592
Окантовка трубы торсиона подвески сиденья
2
22
5320-6804614
Ось соединения шарниров подвески
4
23
5320-6804617
Втулка оси шарнира
4
24
5320-6804623
Торсион подвески сиденья
2
25
5320-6804625
Вилка торсиона подвески
1
26
5320-6804627
Держатель торсиона
1
27
5320-6804643
Поперечина крепления амортизатора подвески сиденья
1
28
5320-6804653
Буфер амортизатора наружный
2
29
5320-6804655
Буфер амортизатора внутренний
2
30
5320-6804665
Винт регулировки торсиона
1
31
5320-6804675
Шайба специальная
2
32
5320-6804681-01
Подкладка ручки
2
33
5320-6804683
Втулка скользящая
1
34
5320-6804741
Ограничитель винта
1
35
5320-6804749
Звездочка винта
1
36
5320-6804751
Подкладка ручки
1
38
1/21647/11
Гайка М10х1,25-6Н
4
39
1/60434/21
Болт М8-6gх20
1
40
1/32796/01
Винт с крестообразным шлицем
4
41
1/61008/11
Гайка М8х1,25-6Н
4
43
251646
Гайка М10х1,25-6Н ОСТ 37.001.197-75
4
44
1/04315/00
Заклепка 6х14
4
45
1/05166/77
Шайба 8 пружинная
4
46
1/10880/76
Шайба стопорная 9х18,5х1,1
4
47
108903
Подшипник
1
48
1/07969/01
Шплинт 3,7х25
1
50
251645
Гайка М8-6Н ОСТ 37.001.197-75
6
Содержащиеся в справочниках-каталогах запасные части и детали не предлагаются к продаже, а носят исключительно информационный характер
Дополнительная информация
×
Название:
Номер:
Примечание:
Войти
Имя пользователя
Пароль
Забыли пароль?
Запомнить меня
Войти
Поиск товаров
Поиск товаров
Корзина покупок