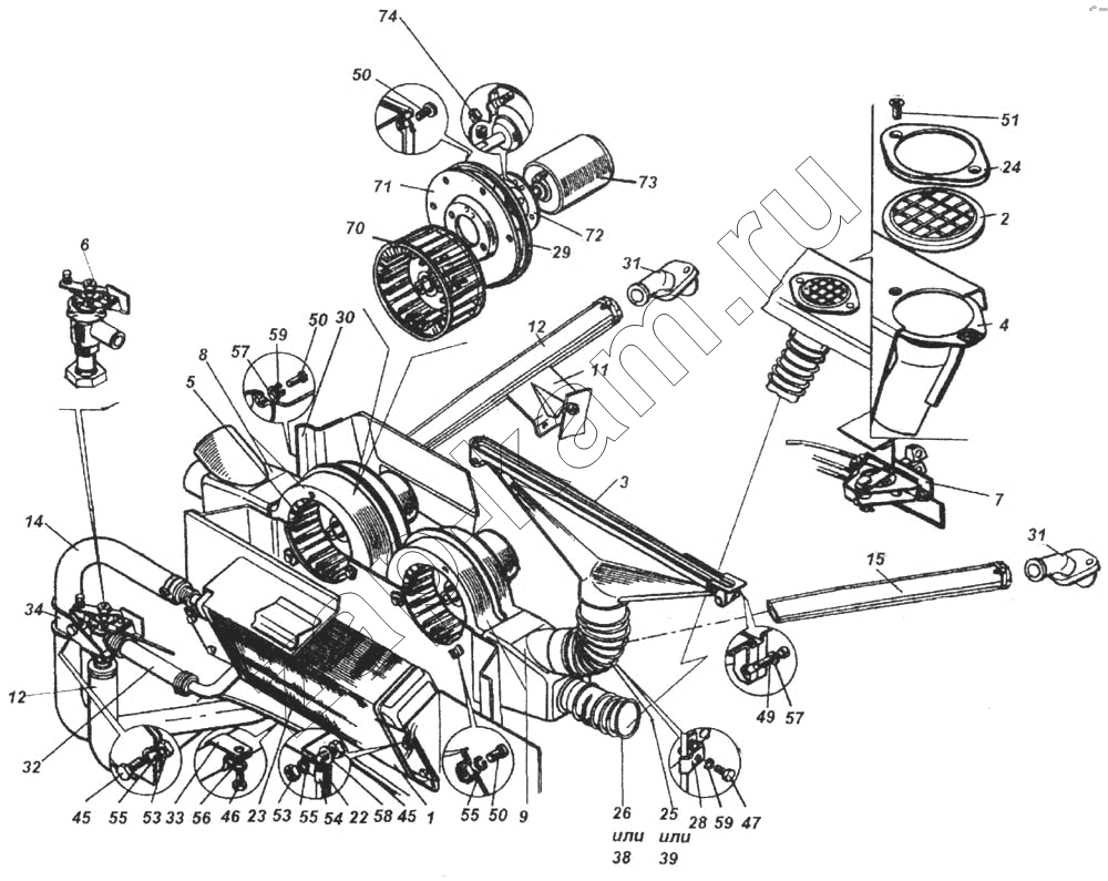
Элементы отопления и вентиляции кабины
/ КамАЗ 6520

1
2
3
4
5
6
7
8
9
11
12
12
14
15
22
23
24
25
26
28
29
29
30
31
31
32
33
34
38
39
45
45
46
47
49
50
50
50
51
53
53
54
55
55
55
56
57
57
58
59
70
71
72
73
74
Поз. | Артикул | Название детали | Кол-во | |
---|---|---|---|---|
1 | 5320-8101060 | Радиатор отопителя в сборе | 1 | |
2 | 5320-8102026-01 | Распределитель | 2 | |
3 | 5320-8102030 | Сопло обдува в сборе | 2 | |
4 | 5320-8102050 | Патрубок подводящий в сборе | 2 | |
5 | 5320-8118069 | Колесо рабочее с электродвигателем в сборе | 2 | |
6 | 5320-8105160 | Кран отопления в сборе | 1 | |
7 | 5320-8109020-10 | Привод управления отоплением | 1 | |
8 | 5320-8118026 | Улитка с распределителем правая в сборе | 1 | |
9 | 5320-8118027 | Улитка с распределителем левая в сборе | 1 | |
11 | 53205-8120030 | Кронштейн поддерживающий | 1 | |
12 | 6460-8106057 | Шланг отопителя подводящий в сборе | 1 | |
14 | 6520-8120111 | Рукав 18х27 | 1 | |
15 | 6520-8106066 | Рукав | 1 | |
22 | 5320-8101023 | Уплотнитель кожуха | 2 | |
23 | 5320-8101079 | Уплотнитель радиатора | 1 | |
24 | 5320-8102047 | Фланец крепления распределителя | 2 | |
25 | 5320-8102056-01 | Шланг обдува ветрового стекла | 2 | |
26 | 5320-8102077 | Шланг обдува бокового стекла | 2 | |
28 | 5320-8109365 | Прижим троса | 2 | |
29 | 5320-8118093 | Кольцо фланца | 2 | |
30 | 5320-8118101-01 | Кожух | 1 | |
31 | 53205-8120019 | Патрубок | 2 | |
32 | 5320-8120143 | Шланг отопителя передний | 1 | |
33 | 5320-8120165 | Скоба | 2 | |
34 | 5320-8120167 | Скоба отводящего шланга | 1 | |
38 | 5320-8102077-01 | Шланг обдува бокового стекла | ||
39 | 5320-8102056 | Шланг обдува ветрового стекла | ||
45 | 1/09022/21 | Болт ТЕМ6-6gх16 | 6 | |
46 | 1/60431/21 | Болт М8-6gх14 | 1 | |
47 | 853013 | Болт М5-6gх10 | 3 | |
49 | 1/03899/01 | Винт М6-6gх25 | 4 | |
50 | 1/32740/01 | Винт М5-6gх12 | 16 | |
51 | 1/76805/01 | Винт самонарезающий типа АВ | 4 | |
53 | 1/58962/11 | Гайка ЕМ6-6Н | 6 | |
54 | 1/04187/01 | Закрытая скоба троса | 1 | |
55 | 1/05164/77 | Шайба 6 пружинная | 12 | |
56 | 1/05166/77 | Шайба 8 пружинная | 3 | |
57 | 1/05193/01 | Шайба плоская 5,45х10х1 | 8 | |
58 | 1/05194/01 | Шайба плоская 6х12х1,5 | 8 | |
59 | 1/11954/73 | Шайба 5 пружинная | 6 | |
70 | 5320-8118070 | Колесо рабочее вентилятора-отопителя в сборе | 2 | |
71 | 5320-8118092 | Фланец крепления электродвигателя в сборе | 2 | |
72 | 5320-8118085 | Прокладка электродвигателя | 2 | |
73 | МЭ250-3730000ГЧ | Электродвигатель | 2 | |
74 | 1/58964/11 | Гайка М5-6Н | 2 |
Содержащиеся в справочниках-каталогах запасные части и детали не предлагаются к продаже, а носят исключительно информационный характер