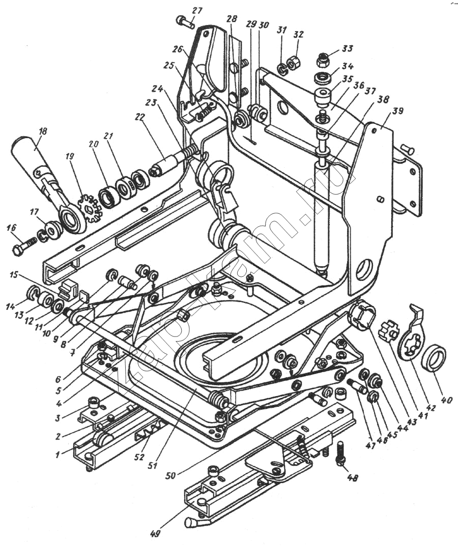
Механизм регулирования положения сиденья водителя
/ КамАЗ 6520

1
2
3
4
5
6
7
8
9
10
11
12
13
14
15
16
17
18
19
20
21
22
23
24
25
26
27
28
29
30
31
32
33
34
35
36
37
38
39
40
41
42
43
44
45
46
47
48
49
50
51
52
Поз. | Артикул | Название детали | Кол-во | |
---|---|---|---|---|
1 | 5320-6804125 | Ролик механизма перемещения сиденья | 4 | |
2 | 864736 | Шарик Б5 | 8 | |
3 | 1/21647/11 | Гайка М10х1,25-6Н | 4 | |
4 | 251646 | Гайка М10х1,25-6Н ОСТ 37.001.197-75 | 4 | |
5 | 1/05166/77 | Шайба 8 пружинная | 8 | |
6 | 1/61008/11 | Гайка М8х1,25-6Н | 4 | |
7 | 5320-6804568 | Прокладка подвески сиденья | 6 | |
8 | 5320-6804617 | Втулка оси шарнира | 4 | |
9 | 5320-6804614 | Ось соединения шарниров подвески | 4 | |
10 | 1/10880/76 | Шайба стопорная 9х18,5х1,1 | 6 | |
11 | 5320-6804533 | Сухарь буфера | 4 | |
12 | 5320-6804568 | Прокладка подвески сиденья | 2 | |
13 | 5320-6804569 | Ролик шарнира | 4 | |
14 | 1/10880/76 | Шайба стопорная 9х18,5х1,1 | 2 | |
15 | 5320-6804530 | Буфер шарнира | 4 | |
16 | 1/60434/21 | Болт М8-6gх20 | 1 | |
17 | 5320-6804751 | Подкладка ручки | 1 | |
18 | 5320-6804756 | Ручка регулировки торсиона в сборе | 1 | |
19 | 5320-6804749 | Звездочка винта | 1 | |
20 | 5320-6804681 | Подкладка ручки | 2 | |
21 | 108903 | Подшипник | 1 | |
22 | 5320-6804665 | Винт регулировки торсиона | 1 | |
23 | 5320-6804592 | Окантовка трубы торсиона подвески сиденья | 2 | |
24 | 5320-6804625 | Вилка торсиона подвески | 1 | |
25 | 5320-6804327 | Пружина регулировочная | 2 | |
26 | 5320-6804320 | Механизм регулировки наклона спинки в сборе | 1 | |
27 | 1/04315/00 | Заклепка 6х14 | 2 | |
28 | 5320-6804741 | Ограничитель винта | 1 | |
29 | 1/07969/01 | Шплинт 3,7х25 | 1 | |
30 | 5320-6804683 | Втулка скользящая | 1 | |
31 | 1/05166Я7 | Шайба пружинная | 4 | |
32 | 1/61096/11 | Гайка глухая | 4 | |
33 | 251646 | Гайка М10х1,25-6Н ОСТ 37.001.197-75 | 2 | |
34 | 5320-6804675 | Шайба специальная | 2 | |
35 | 5320-6804653 | Буфер амортизатора наружный | 2 | |
36 | 5320-6804643 | Поперечина крепления амортизатора подвески сиденья | 1 | |
37 | 5320-6804655 | Буфер амортизатора внутренний | 2 | |
38 | 11.6809010ГЧ | Амортизатор | 1 | |
39 | 5320-6804511 | Боковина подвески сиденья левая в сборе | 1 | |
40 | 5320-6804592 | Окантовка трубы торсиона подвески сиденья | 2 | |
41 | 5320-6804627 | Держатель торсиона | 1 | |
42 | 5320-6804595 | Указатель направления вращения торсиона подвески сиденья | 1 | |
43 | 5320-6004623 | Торсион подвески сиденья | 2 | |
44 | 5320-6804617 | Втулка оси шарнира | 4 | |
45 | 1/10880/76 | Шайба стопорная 9х18,5х1,1 | 6 | |
46 | 5320-6804568 | Прокладка подвески сиденья | 6 | |
47 | 5320-6804614 | Ось соединения шарниров подвески | 4 | |
48 | 1/32796/01 | Винт с крестообразным шлицем | 4 | |
49 | 5320-6804111 | Механизм перемещения сиденья водителя левый в сборе | 1 | |
50 | 5320-6804163 | Стяжка механизма перемещения сиденья | 1 | |
51 | 5320-6804560 | Шарнир подвески сиденья водителя передний в сборе | 1 | |
52 | 5320-6804540 | Основание подвески сиденья в сборе | 1 |
Содержащиеся в справочниках-каталогах запасные части и детали не предлагаются к продаже, а носят исключительно информационный характер