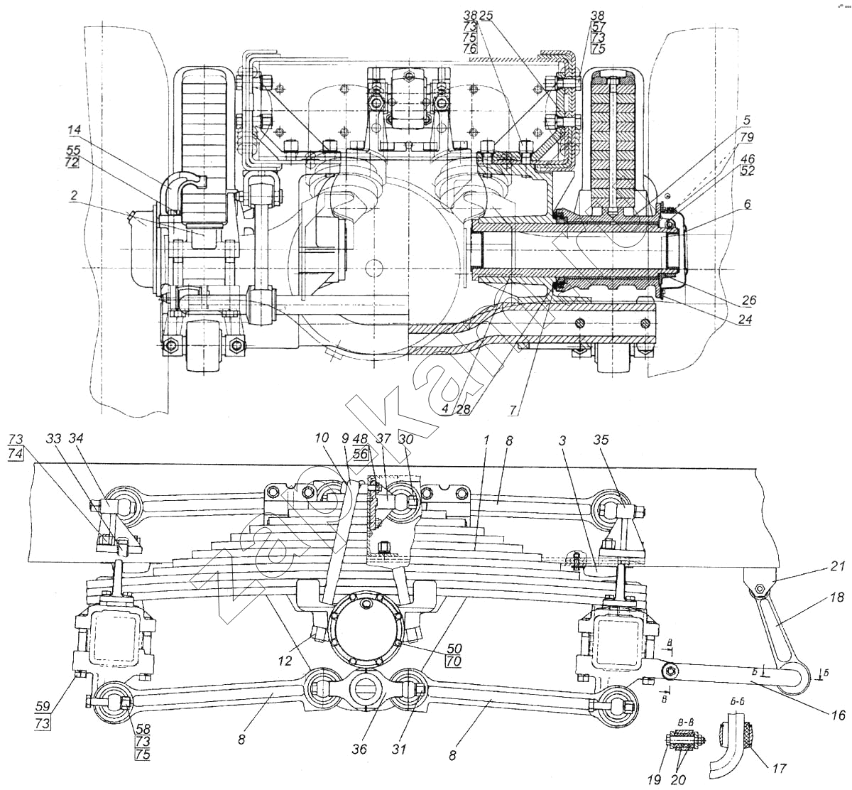
Подвеска задняя в сборе
/ КамАЗ 6520

1
2
3
4
5
6
7
8
8
8
9
10
12
14
16
17
18
19
20
21
24
25
26
28
30
31
33
34
35
36
37
38
38
46
48
50
52
55
56
57
58
59
70
72
73
73
73
73
73
74
75
75
75
76
79
Поз. | Артикул | Название детали | Кол-во | |
---|---|---|---|---|
1 | 6520-2912012 | Рессора задняя в сборе | 2 | |
2 | 6520-2912426 | Опора задней рессоры | 4 | |
3 | 5320-2912624 | Буфер задней рессоры в сборе | 4 | |
4 | 6520-2918050 | Кронштейн балансира с осью в сборе | 1 | |
5 | 6520-2918068 | Башмак рессоры с втулками и манжетой в сборе | 2 | |
6 | 5320-2918120-01 | Крышка башмака | 2 | |
7 | 6520-2918180 | Манжета | 2 | |
8 | 6520-2919012 | Штанга реактивная с шарнирами в сборе | 6 | |
9 | 6520-2912408 | Стремянка задней рессоры | 4 | |
10 | 6520-2912412 | Накладка задней рессоры | 2 | |
12 | 6520-2912416 | Гайка стремянки задней рессоры | 8 | |
14 | 6520-2912440 | Ограничитель качания моста | 4 | |
16 | 4925-2916016 | Штанга стабилизатора | 1 | |
17 | 4925-2916040 | Подушка стабилизатора | 2 | |
18 | 6520-2916060 | Стойка стабилизатора | 2 | |
19 | 4925-2916075 | Ось стабилизатора | 4 | |
20 | 65115-2906079 | Втулка стабилизатора | 8 | |
21 | 4925-2916090 | Кронштейн стабилизатора | 2 | |
24 | 5320-2918122 | Прокладка крышки | 2 | |
25 | 6520-2918159 | Вставка лонжерона | 4 | |
26 | 6520-2918169 | Гайка башмака | 2 | |
28 | 6520-2918255 | Кольцо упорное башмака | 2 | |
30 | 6520-2919032 | Болт крепления реактивной штанги | 2 | |
31 | 6520-2919035 | Болт крепления пальца | 4 | |
33 | 6520-2919065 | Палец | 2 | |
34 | 6520-2919072 | Рычаг верхний передний | 1 | |
35 | 6520-2919073 | Рычаг верхний задний | 1 | |
36 | 6520-2919085 | Проставка | 4 | |
37 | 6520-2919090 | Кронштейн верхней реактивной штанги | 2 | |
38 | 5320-2919105 | Втулка кронштейна | 32 | |
40 | 6520-3506088 | Кронштейн | 2 | |
46 | 251647 | Гайка М12х1,25-6Н ОСТ 37.001.197-97 | 2 | |
48 | 251649 | Гайка М16х1,5-6Н ОСТ 37.001.197-97 | 7 | |
50 | 1/60436/21 | Болт М8-6gх25 | 16 | |
52 | 1/55413/21 | Болт М12х1,25-6gх75 | 2 | |
55 | 1/13915/21 | Болт М16х1,5-6gх45 | 8 | |
56 | 1/59812/21 | Болт М16х1,5-6gх65 | 3 | |
57 | 1/59885/31 | Болт М20х1,5-6gх70 | 16 | |
58 | 1/59895/31 | Болт М20х1,5-6gх120 | 12 | |
59 | 1/59903/21 | Болт М20х1,5-6gх160 | 16 | |
70 | 1/05166/77 | Шайба 8 пружинная | 16 | |
72 | 1/05172/77 | Шайба 16 пружинная | 8 | |
73 | 1/05174/77 | Шайба 20 пружинная | 68 | |
74 | 8533050 | Болт М20х1,5-6gх45 | 10 | |
75 | 853525 | Гайка М20х1,5-6Н | 58 | |
76 | 853305 | Шпилька М20х1,5-6gх28х60 | 16 | |
79 | 870882 | Пробка коническая транспортная КГ 3/8" | 2 |
Содержащиеся в справочниках-каталогах запасные части и детали не предлагаются к продаже, а носят исключительно информационный характер