ЗапКам
zap-kam16@yandex.ru
(900) 323-41-41
Вход / Регистрация отключена
Вход
Избранное
0
по запросу
Каталог
Все товары и категории
Запчасти КАМАЗ
Автомобили
Двигатель
Двигатели в сборе
Евро-0
КамАЗ-4310
Урал-4320
КамАЗ-4350
Евро-1
КамАЗ-43114
Евро-2
КамАЗ-43118
КамАЗ-65115
КамАЗ-6520
Евро-3
Евро-4
Евро-5
Газовые
Блоки цилиндров
Блоки цилиндров Евро-0 КамАЗ
Блоки цилиндров Евро-1 КамАЗ
Блоки цилиндров Евро-2 КамАЗ
Блоки цилиндров Евро-4,5 КамАЗ Common Rail
Сборочные комплекты (лонг-, шорт-блоки)
Блоки управления
Валы коленчатые
Коленвалы Евро-2 КамАЗ
Коленвалы Евро-3 КамАЗ
Коленвалы Евро-4,5 КамАЗ Common Rail
Коленвалы Евро-0 КамАЗ
Вкладыши коренные
Евро-3,4,5
Евро-0,1,2
Вкладыши шатунные
Евро-3,4,5
Евро-0,1,2
Валы распредительные
ЦПГ – поршневая
Поршневая Евро-4,-5 (740.602)
Поршневая Евро-2,-3 (740.60)
Поршневая Евро-1,-2 (740.30)
Поршневая Евро-0,1 (740)
Кольца поршневые
ТНВД
Евро-4-5 Common Rail
Евро-2
Евро-1
Евро-0
Система питания
Форсунки топливные
Распылители форсунок
Топливозаборники
ГБЦ
Евро-3,4,5 Common Rail
Евро-1,2,3
Евро-0
Газ
Турбокомпрессоры
ТРК Евро-4,5 (однотурбовые)
Евро-4
Евро-3
Евро-2
Евро-1
Насос водяной
Насос масляный
Коробка передач
КПП в сборе
Валы
Валы вторичные
Валы первичные
Валы промежуточные
Шестерни
Синхронизаторы
Делители в сборе
Коробка раздаточная
РК в сборе
РК 6522
Дифференциалы
Валы
Валы первичные
Валы промежуточные
Вилки
Шестерни
Механизмы переключения
Трансмиссия
Мосты
Редукторы в сборе
Заднего моста
Переднего моста
Среднего моста
Зубьев
31, 35
50
49
48
47
46
КамАЗ
4310
43114
43118
4326
5320
53205
65115
43253
53229
6520
6522
4308
65111
65116
65117
55102
55111
53212
53215
54115
5410
5511
Мосты в сборе
Передние
Средние
Задние
6520, 6522 (20т)
65115 (15т)
65111 (15т)
43118 (10т)
43114 / 4310 (8т)
53205 Евро (10т)
5320 (8т)
5511 (10т)
МОД
Мадара
Подвеска в сборе
Ось передняя
Ось в сборе
Ходовая часть
Подвеска (тележка) в сборе
Колеса и шины
Рама
Рессоры
Лебедка
Механизмы управления
Система выпуска
Сцепление
Тормоза
Кабина
Управление рулевое
Электрооборудование
КАМАЗ 5490
Рама
Система выпуска
Сцепление
Тормоза
Управление рулевое
Ходовая часть
Кабина
Мосты
Двигатель 457
Двигатели в сборе
КАМАЗ К5
Электрооборудование
Управление рулевое
Двигатели WeiChai
Двигатели в сборе
Двигатели Р6
Двигатели 910 Р6 в сборе
Кабина
Сцепление
Тормоза
ZF
КПП ZF в сборе
16S EcoSplit
КПП 16s 1820 TO
КПП 16S 2220
9S Ecomid
12AS Astronic
12TX Traxon
Запчасти 12tx Traxon
Cummins
Двигатели в сборе
Блоки цилиндров
Головки блока
Генератор
Китайские грузовики
Fast Gear
Sitrak
FAW
Shaanxi HanDe
Weichai
Европейские грузовики
Mercedes
Электрооборудование
Стартеры
Блоки управления
Блоки управления ADM
Блоки управления CPC4
Блоки управления двигателем
Блоки управления электрооборудованием
Датчики
Карданная передача
Карданы КамАЗ
Коробки отбора мощности
Прицепная техника
ССУ (Седла)
Ремонт
Ремонт двигателей
Ремонт КПП Камаз и ZF
Ремонт раздаток и редукторов
Ремонт кабин
Услуги
Комплектация заявок
Скупка запчастей и агрегатов
Контакты
Отправить заявку
Каталоги запчастей к технике
Грузовые
КамАЗ
6520
Сцепление
Поиск
Сцепление
/ КамАЗ 6520
zoom-in
zoom-out
enlarge
shrink
circle-right
circle-left
file-text2
info
cart
Тип техники
Не выбрано
Грузовые
Двигатели
Марка
Не выбрано
DAF
DongFeng
FAW
Foton
HOWO
IVECO
JAC Motors
MAN
Shaanxi
SITRAK
Volvo
Автокомпонент Плюс
ЗИЛ
КАЗ
КамАЗ
Мадара
НефАЗ
СЗАП
Тонар
УралАЗ
Модель
Не выбрано
4308 (2004)
4308 (2008)
4308 (Евро 3) (2013)
4308 (Евро 4) (2012)
4308-C4 (2019)
4308-C4 (2019)
4308-H3 (2019)
4308-R4 (2019)
4310
4310
43101
43114
43118 (2002)
43118 (Евро 4) (2012)
43253 (Часть-1) (2011)
43253 (Часть-2) (2011)
43253, 43255 (Евро-4) (2012)
43255 (Евро-2) (2012)
43255 (Евро-3) (2012)
4326 (2001)
4326 (2003г)
43261 (Евро-1, 2) (2007)
4350 (4х4) (2004)
43501 (4х4) (2007)
43502 (Евро 4) (2013)
45141 (2009)
45142 (2009)
45143 (2009)
5308 (Евро 3) (2012)
5308 (Евро 4) (2013)
5315
5320
53212
53228, 65111 (2004)
53229 (Евро 2) (2010)
5350 (6х6) (2004)
53501 (6х6) (2007)
53504 (6х6) (2007)
5360
53605 (Евро-4) (2013)
5410
54112
5460
5460 (2005)
5490 (2016)
55102
5511 (2003)
6350 (8х8) (2004)
63501 (8х8) (2007)
6450 (8х8) (2007)
6460
6460 (Евро 3, 4) (2013)
6460 (Евро 4) (2013)
65111 (2008)
65111 (Евро 4) (2012)
65115 (2001)
65115 (2009)
65115 (Евро-3) (2013)
65115, 65116 (Евро-4) (2010)
65116 (2006)
6520
6520 (Euro-2, 3) (2009)
6520 (Euro-4) (2012)
6520 (Euro-4) (2016)
65201 (2007)
65201 Евро 2-3 (2016)
6522 (2005)
6522 (Euro-2, 3) (2009)
6522 (Евро-4) (2016)
65226 (2009)
65226 (2013)
6540
KNORR-BREMSE для КамАЗ
Общий (5320, 53212, 5410, 54112, 5511, 55102)
Самосв. установка 6520 (2011)
Схема
>
Не выбрано
Кабина
Установка кронштейнов и механизма уравновешивания кабины
Подвеска задняя кабины
Запор кабины правый
Запор кабины левый
Установка механизма опрокидывания кабины
Окно ветровое, зеркала
Установка вентиляционного люка крышки
Стеклоочиститель и его привод Насос водяной очистки стекла
Экран защитный
Дверь
Дверь
Замок, фиксатор замка, ручка двери
Стеклоподъемник двери
Сидение водителя
Механизм регулирования положения сиденья водителя
Установка сидений
Элементы отопления и вентиляции кабины
Кран отопления в сборе
Привод управления отоплением
Установка подогревателя 15.8106
Подогреватель жидкостный в сборе
Установка задней части переднего крыла правая, левая
Крыло, брызговик и подножка
Установка боковой защиты
Установка брызговиков
Установка задних крыльев
Установка нижней подножки
Опрокидывающее устройство платформы 6522-8600010
Силовой агрегат
Силовой агрегат
Опора передняя с подушками
Опора силового агрегата задняя
Опора силового агрегата поддерживающая
Двигатель с оборудованием
Комплекты для запасных частей
Комплекты для запасных частей
Комплекты для запасных частей
Комплекты для запасных частей
Комплекты запасных частей
Установка картера агрегатов
Установка картера маховика
Картер маховика в сборе
Установка фиксатора маховика
Блок цилиндров в сборе
Блок цилиндров
Блок цилиндров (Комплект для запасных частей)
Газораспределительный механизм
Головка цилиндра
Головка цилиндра (Комплект для запасных частей)
Головка цилиндра с втулками
Коромысло клапана в сборе
Вал распределительный
Поршень с шатуном и кольцами в сборе
Установка форсунки охлаждения поршня
Клапан форсунки охлаждения поршня
Установка вала коленчатого и маховика
Вал коленчатый
Маховик
Установка шкива коленчатого вала
Установка привода отбора мощности переднего
Установка газопровода
Установка картера масляного
Установка масляного насоса
Масляный насос с маслозаборником в сборе
Масляный насос с шестерней
Комплект: насос масляный с шестерней (для запасных частей)
Масляный насос
Крышка масляного насоса с клапаном в сборе
Корпус масляного насоса
Крышка масляного насоса в сборе
Шестерня ведомая масляного насоса
Маслозаборник
Установка фильтра и теплообменника
Фильтр масляный с теплообменником
Фильтр очистки масла
Корпус масляного фильтра в сборе
Колпак фильтра очистки масла
Теплообменник масляный
Сердцевина в сборе
Установка системы вентиляции
Установка электромагнитного клапана
Система питания двигателя
Клапан в сборе
Фильтр тонкой очистки топлива
Установка и привод ТНВД
Вал привода ТНВД
Насос топливный высокого давления
Топливный насос низкого давления
Крышка регулятора верхняя в сборе
Державка грузов регулятора
Корректор подачи топлива по наддуву
Рычаг регулятора
Секция топливного насоса
Установка форсунок
Форсунка
Установка турбокомпрессора
Установка топливного бака, ФГОТ и топливопроводов
Фильтр грубой очистки с насосом предпусковой прокачки топлива
Бак топливный
Установка управления подачи топлива
Система питания воздухом
Фильтр воздушный в сборе
Установка тройника
Установка системы охладителя наддувочного воздуха
Система впуска
Система выпуска газа
Установка водяных труб
Установка корпуса водяных каналов
Корпус водяных каналов
Установка водяного насоса
Водяной насос
Установка радиатора и уплотнителей радиатора
Установка кожуха радиатора
Сцепление
Установка педали и привода выключения сцепления
Вилка выключения сцепления
Установка цилиндра сцепления
Установка картера сцепления
Картер коробки передач с пробками
Установка нижней крышки картера и трубки распылителя
Первичный вал
Установка крышки первичного вала
Промежуточный вал
Установка насоса
Основной вал
Установка пробок картера
Штоки вилок переключения передач
Механизм переключения передач
Установка боковых крышек механизма переключения передач
Установка датчиков механизма переключения передач
Комплект пружин
Механизм управления демультипликатором
Установка задней крышки картера
Картер планетарной передачи
Привод планетарной передачи
Установка заднего фланца
Синхронизатор планетарной передачи
Управление планетарной передачей
Механизм выбора передаточного числа
Комплекты для запасных частей
Установка пневмопривода управлением переключения передач
Привод управления механизмом переключения передач
Тяга реактивная в сборе
Опора рычага переключения передач в сборе
Установка карданных валов
Вал карданный заднего моста
Вал карданный среднего моста
Мост задний в сборе
Картер моста заднего с механизмом блокировки в сборе
Вилка блокировки
Передача главная заднего моста
Шестерня ведущая заднего моста
Дифференциал моста заднего
Сателлит в сборе
Водило с кожухом и сателлитами
Водило планетарной передачи
Шестерня ведомая колесной передачи
Привод блокировки межколесных дифференциалов
Мост средний в сборе
Картер моста среднего с механизмом блокировки в сборе
Вилка блокировки
Передача главная среднего моста
Шестерня ведущая среднего моста
Крышка подшипника в сборе
Дифференциал моста среднего
Межосевой дифференциал моста среднего
Привод блокировки межосевого дифференциала
Установка буксирной поперечины
Установка заднего буфера
Установка буксирной вилки
Подвеска передняя в сборе
Рессора передняя
Подвеска задняя в сборе
Рессора задняя
Кронштейн балансира с осью
Башмак рессоры с втулками и манжетами
Башмак рессоры с втулками
Штанга реактивная в сборе
Ось передняя с тормозами
Ось передняя
Кулак поворотный
Установка передних колес
Установка сдвоенных колес
Колесо с шиной 8.5-20
Колесо дисковое 8,5-20
Установка запасного колеса
Ворот
Ступица переднего колеса
Ступица с тормозным барабаном
Ступица заднего колеса с манжетами
Ступица заднего колеса с болтами
Стакан с манжетами
Манжета
Ступица заднего колеса с тормозным барабаном и кожухом
Ступица с тормозным барабаном. Комплект для запчастей.
Установка рулевого механизма
Тяга сошки с наконечниками
Тяга
Наконечники тяги рулевой трапеции
Колонка рулевого управления
Установка трубопроводов рулевого управления
Установка насоса рулевого управления
Тормоз передний
Установка компрессора
Суппорт тормоза
Колодка тормоза с накладками
Тормоз задний
Суппорт тормоза задний
Кронштейн с втулками
Установка пневмотормозов
Кран экстренного растормаживания
Компрессор пневмотормозов
Установка осушителя
Установка охладителя
Ресивер
Установка воздушных ресиверов
Кран тормозной двухсекционный
Кран тормозной двухсекционный с педалью
Клапан контрольного вывода
Клапан защитный четырехконтурный
Установка ускорительного клапана
Камера тормозная в сборе
Установка клапана двухмагистрального
Цилиндр вспомогательного тормоза пневматический
Цилиндр выключения подачи топлива пневматический
Установка регулятора тормозных сил
Генератор
Установка батарей аккумуляторных
Стартер
Установка розетки внешнего запуска
Предохранители электрических цепей и электродвигатель вентилятора
Установка приборов освещения на кабине
Установка фар дополнительных и противотуманных
Установка рабочей фары
Сигналы звуковые низкого тона высокого тона
Прожектор прерыватель указателей поворота и резистор факельного устройства облегчения пуска
Электропровода
Установка фонарей освещения номерного знака
Установка реле
Установка боковых габаритных фонарей
Установка электрооборудования подогревателя
Панель выключателей
Щиток приборов
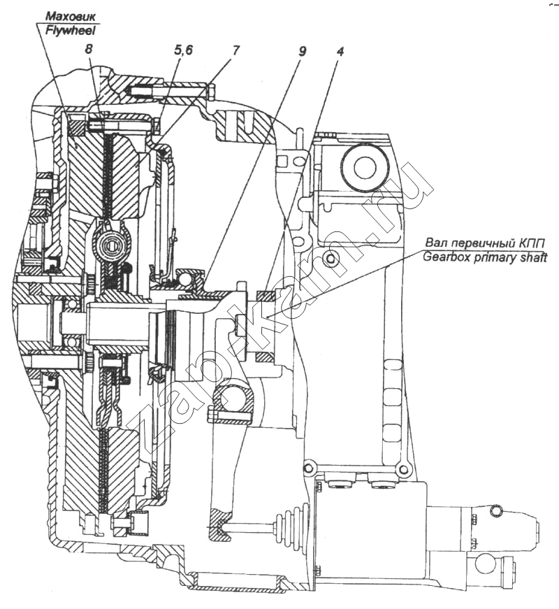
4
5
6
7
8
9
Поз.
Артикул
Название детали
Кол-во
4
6520-1601322
Кольцо ограничительное
5
853057
Болт М10х1,25-6gх75
12
6
1/05168/73
Шайба 10 пружинная
12
7
3482083118
Диск нажимной сцепления с кожухом
1
8
1878037800
Диск ведомый сцепления упругий
1
9
3151169332
Муфта выключения сцепления
1
Содержащиеся в справочниках-каталогах запасные части и детали не предлагаются к продаже, а носят исключительно информационный характер
Дополнительная информация
×
Название:
Номер:
Примечание:
Войти
Имя пользователя
Пароль
Забыли пароль?
Запомнить меня
Войти
Поиск товаров
Поиск товаров
Корзина покупок