ЗапКам
zap-kam16@yandex.ru
(900) 323-41-41
Вход / Регистрация отключена
Вход
Избранное
0
по запросу
Каталог
Все товары и категории
Запчасти КАМАЗ
Двигатель
Двигатели в сборе
Евро-0
КамАЗ-4310
Урал-4320
КамАЗ-4350
Евро-1
КамАЗ-43114
Евро-2
КамАЗ-43118
КамАЗ-65115
КамАЗ-6520
Евро-3
Евро-4
Евро-5
Газовые
Блоки цилиндров
Блоки цилиндров Евро-0 КамАЗ
Блоки цилиндров Евро-1 КамАЗ
Блоки цилиндров Евро-2 КамАЗ
Блоки цилиндров Евро-3 КамАЗ
Блоки цилиндров Евро-4,5 КамАЗ Common Rail
Сборочные комплекты (лонг-, шорт-блоки)
Блоки управления
Валы коленчатые
Коленвалы Евро-0 КамАЗ
Коленвалы Евро-1 КамАЗ
Коленвалы Евро-2 КамАЗ
Коленвалы Евро-3 КамАЗ
Коленвалы Евро-4,5 КамАЗ Common Rail
Вкладыши коренные
Евро-3,4,5
Евро-0,1,2
Вкладыши шатунные
Евро-3,4,5
Евро-0,1,2
Валы распредительные
ЦПГ – поршневая
Поршневая Евро-4,-5 (740.602)
Поршневая Евро-2,-3 (740.60)
Поршневая Евро-1,-2 (740.30)
Поршневая Евро-0,1 (740)
Кольца поршневые
ТНВД
Евро-4-5 Common Rail
Евро-3
Евро-2
Евро-1
Евро-0
Система питания
Форсунки топливные
Распылители форсунок
Топливозаборники
ГБЦ
Евро-3,4,5 Common Rail
Евро-1,2,3
Евро-0
Газ
Турбокомпрессоры
ТРК Евро-4,5 (однотурбовые)
Евро-4
Евро-3
Евро-2
Евро-1
Насос водяной
Насос масляный
Маховики
Коробка передач
КПП в сборе
Валы
Валы вторичные
Валы первичные
Валы промежуточные
Шестерни
Синхронизаторы
Делители в сборе
Коробка раздаточная
РК в сборе
РК 6522
Дифференциалы
Валы
Валы первичные
Валы промежуточные
Вилки
Шестерни
Механизмы переключения
Трансмиссия
Мосты
Редукторы в сборе
Заднего моста
Переднего моста
Среднего моста
Зубьев
31, 35
50
49
48
47
46
КамАЗ
4310
43114
43118
4326
5320
53205
65115
43253
53229
6520
6522
4308
65111
65116
65117
55102
55111
53212
53215
54115
5410
5511
Мосты в сборе
Передние
Средние
Задние
6520, 6522 (20т)
65115 (15т)
65111 (15т)
43118 (10т)
43114 / 4310 (8т)
53205 Евро (10т)
5320 (8т)
5511 (10т)
МОД
Мадара
Подвеска в сборе
Ось передняя
Ось в сборе
Ходовая часть
Подвеска (тележка) в сборе
Колеса и шины
Рама
Рессоры
Лебедка
Механизмы управления
Отопление и вентиляция
Система выпуска
Сцепление
Тормоза
Кабина
Управление рулевое
Электрооборудование
Автомобили
КАМАЗ 5490
Двигатель 457
Двигатели в сборе
Сцепление
Кабина
Кузов
Мосты
Рама
Система выпуска
Тормоза
Управление рулевое
Ходовая часть
КАМАЗ К5
Двигатели WeiChai
Двигатели в сборе
Двигатели Р6
Двигатели 910 Р6 в сборе
Кабина
Сцепление
Тормоза
Управление рулевое
Электрооборудование
ZF
КПП ZF в сборе
16S EcoSplit
КПП 16s 1820 TO
КПП 16S 2220
9S Ecomid
12AS Astronic
12TX Traxon
Запчасти 12tx Traxon
Cummins
Двигатели в сборе
Блоки цилиндров
Коленвалы
Головки блока
Генератор
Китайские грузовики
Shaanxi HanDe
Fast Gear
Sitrak
Weichai
FAW
Laizhou Tongji
Европейские грузовики
Mercedes
Электрооборудование
Блоки управления
Блоки управления ADM
Блоки управления CPC4
Блоки управления двигателем
Блоки управления электрооборудованием
Датчики
Стартеры
Карданная передача
Карданы КамАЗ
Коробки отбора мощности
Прицепная техника
ССУ (Седла)
Ремонт
Ремонт двигателей
Ремонт КПП Камаз и ZF
Ремонт раздаток и редукторов
Ремонт кабин
Услуги
Комплектация заявок
Скупка запчастей и агрегатов
Контакты
Отправить заявку
Каталоги запчастей к технике
Грузовые
КамАЗ
65226
65226-1772005 Установка пневмопривода управлением переключения передач
Поиск
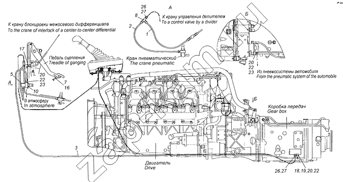
65226-1772005 Установка пневмопривода управлением переключения передач
/ КамАЗ 65226
zoom-in
zoom-out
enlarge
shrink
circle-right
circle-left
file-text2
info
cart
Тип техники
Не выбрано
Грузовые
Двигатели
Марка
Не выбрано
DAF
DongFeng
FAW
Foton
HOWO
IVECO
JAC Motors
MAN
Shaanxi
SITRAK
Volvo
Автокомпонент Плюс
ЗИЛ
КАЗ
КамАЗ
Мадара
НефАЗ
СЗАП
Тонар
УралАЗ
Модель
Не выбрано
4308 (2004)
4308 (2008)
4308 (Евро 3) (2013)
4308 (Евро 4) (2012)
4308-C4 (2019)
4308-C4 (2019)
4308-H3 (2019)
4308-R4 (2019)
4310
4310
43101
43114
43118 (2002)
43118 (Евро 4) (2012)
43253 (Часть-1) (2011)
43253 (Часть-2) (2011)
43253, 43255 (Евро-4) (2012)
43255 (Евро-2) (2012)
43255 (Евро-3) (2012)
4326 (2001)
4326 (2003г)
43261 (Евро-1, 2) (2007)
4350 (4х4) (2004)
43501 (4х4) (2007)
43502 (Евро 4) (2013)
45141 (2009)
45142 (2009)
45143 (2009)
5308 (Евро 3) (2012)
5308 (Евро 4) (2013)
5315
5320
53212
53228, 65111 (2004)
53229 (Евро 2) (2010)
5350 (6х6) (2004)
53501 (6х6) (2007)
53504 (6х6) (2007)
5360
53605 (Евро-4) (2013)
5410
54112
5460
5460 (2005)
5490 (2016)
55102
5511 (2003)
6350 (8х8) (2004)
63501 (8х8) (2007)
6450 (8х8) (2007)
6460
6460 (Евро 3, 4) (2013)
6460 (Евро 4) (2013)
65111 (2008)
65111 (Евро 4) (2012)
65115 (2001)
65115 (2009)
65115 (Евро-3) (2013)
65115, 65116 (Евро-4) (2010)
65116 (2006)
6520
6520 (Euro-2, 3) (2009)
6520 (Euro-4) (2012)
6520 (Euro-4) (2016)
65201 (2007)
65201 Евро 2-3 (2016)
6522 (2005)
6522 (Euro-2, 3) (2009)
6522 (Евро-4) (2016)
65226 (2009)
65226 (2013)
6540
KNORR-BREMSE для КамАЗ
Общий (5320, 53212, 5410, 54112, 5511, 55102)
Самосв. установка 6520 (2011)
Схема
>
Не выбрано
65226-1000250 Агрегат силовой, укомплектованный для установки
6522-1001005-99 Установка силового агрегата
6522-1009006-99 Установка указателя уровня масла
53205-1001015 Кронштейн передней опоры
6522-1001049-99 Кронштейн задней опоры левый
6522-1100010-99 Установка топливного бака, ФГОТ и топливопроводов
541121-1101010-20 Бак топливный
65226-1104000 Установка топливопроводов
6522-1104012-99 Топливозаборник
6522-1104136-99 Трубка слива топлива в бак с угольником
65226-1108003 Установка управления подачей топлива
65226-1109001 Установка воздушных фильтров
7405.1109510 Фильтр воздушный
7405.1109557 Элемент фильтрующий с предочистителем
6522-1170000-99 Установка системы охлаждения наддувочного воздуха
6522-1200001-99 Установка системы выпуска
6522-1300023-99 Установка радиатора
6522-1301005-99 Блок радиаторов
6522-1303400-99 Установка труб теплообменника ретардера
6522-1308005-99 Установка вентилятора с вязкостной муфтой
6522-1311005-99 Установка расширительного бачка
6522-1311023-99 Установка ложементов
65226-1600006 Установка педали и привода выключения сцепления
6520-1602008 Педаль сцепления с кронштейном и главным цилиндром
6460-1602010 Педаль сцепления
5320-1602510-10 Главный цилиндр управления сцеплением
65226-1703005 Привод управления механизмом переключения передач
65226-1703204 Опора рычага переключения передач
65226-1703520 Тяга реактивная
65226-1703623 Рычаг с кронштейном
65226-1714005 Установка теплообменника
65226-1772005 Установка пневмопривода управлением переключения передач
6522-1800008-99 Установка раздаточной коробки
6522-1800009-99 Установка управления раздаточной коробки
63501-1804010-10 Кран управления раздаточной коробки
6522-2200001-99 Установка карданных валов
65228-2300319-10 Мост передний
65228-2300650-10 Мост передний
6522-2302010-10 Передача главная переднего моста
6522-2303010-10 Дифференциал переднего моста
6522-2400321-10 Мост задний
6522-2400651-10 Мост задний
43081-2401114 Сапун
6520-2402011-10 Передача главная заднего моста
6520-2402015 Картер редуктора заднего моста
6520-2402021-10 Шестерня ведущая заднего моста
6520-2402048 Стакан подшипников
6520-2402050 Крышка подшипника
53212-2403054 Сателлит дифференциала заднего моста с втулкой
6520-2403011-10 Дифференциал моста заднего
55102-2409016 Вилка блокировки
6522-2411020 Привод блокировки межколесных дифференциалов
6522-2500320-10 Мост средний
6522-2500652-10 Мост средний
6520-2502011-10 Передача главная среднего моста
6520-2502050 Крышка подшипника
6520-2502208 Крышка подшипника
6520-2503011-10 Дифференциал моста среднего
6520-2506010 Межосевой дифференциал среднего моста
6520-2506054 Сателлит межосевого дифференциала с втулкой
6520-2511021-30 Привод блокировки межосевого дифференциала
5320-2511060 Кран включения блокировки
5320-2511066 Шток
65226-2800010 Рама
65226-2800040-10 Установка надрамника
6460-2801003 Установка буксирной поперечины
6520-2806040 Установка буксирной вилки
6520-2806046 Вилка буксирная с пружиной
6522-2815003-99 Установка защитного ограждения
6522-2900001 Установка передней подвески
6522-2900002 Установка задней подвески
6520-2902012-20 Рессора передняя
6520-2912012 Рессора задняя
65115-2906070 Кронштейн стабилизатора
6520-2918050 Кронштейн балансира с осью
6520-2918068 Башмак рессоры с втулками и манжетой
6520-2918070 Башмак рессоры с втулками
6520-2919012-01 Штанга реактивная
632-2919012 Штанга реактивная
6522-3101002-40 Установка передних колёс
6522-3101003-40 Установка сдвоенных колёс
6522-3101011-40 Колесо 8,5-20 с шиной левое
6522-3105010 Держатель запасного колеса
6522-3400012 Установка рулевого управления- Steering gear installation
6522-3400014-99 Установка рулевой колонки
6522-3400018-99 Установка трубопроводов
65222-3401091 Сошка с подшипником
6522-3414010 Тяга сошки
6522-3422010-99 Вал карданный
53205-3422012 Шарнир карданный
6522-3422014-99 Шарнир с втулкой
6522-3444006-99 Рулевая колонка с карданным валом
53205-3444009-30 Рулевая колонка
53205-3444014 Корпус колонки с кронштейном
65226-3500006 Установка пневмотормозов
6522-3500011-96 Установка осушителя
6522-3500013-99 Установка воздушных ресиверов
6520-3500014 Установка двухсекционного тормозного крана
6520-3500015 Установка четырехконтурного защитного клапана
65226-3500018 Установка ускорительного клапана
5410-3500022-10 Установка клапана управления тормозами прицепа
6520-3500033 Установка регулятора тормозных сил
65226-3500037-42 Установка кабелей АБС
6520-3500042-41 Установка модуляторов АБС
6522-3500062-99 Установка двухмагистрального клапана
6460-3506042 Установка пневмоуправления системой АБС
65226-3506180 Установка охладителя
65226-3506500 Установка пневмовыводов к полуприцепу
16-3513110 Кран слива конденсата
5320-3514108 Кран тормозной двухсекционный с педалью
100-3514108-10 Кран тормозной двухсекционный
16-3515310 Клапан контрольного вывода
53205-3515400-10 Клапан защитный четырехконтурный
16-3515510 Кран экстренного растормаживания
100-3518010 Клапан ускорительный в сборе
53205-3541010 Установка электронного блока управления АБС
65226-3700001 Электрооборудование. Расположение на автомобиле
6520-3703001 Установка аккумуляторных батарей
65226-3710428 Панель выключателей
65115-3711001-04 Установка фар и передних указателей поворота
65115-3711003-04 Установка фар дополнительных и противотуманных
53205-3714001-10 Установка плафонов
54105-3714002-24 Установка плафона освещения спального места
53205-3714003 Установка плафона освещения вещевого ящика
5320-3715001 Установка подкапотной лампы
6520-3716002 Установка задних фонарей
44108-3717001-85 Установка фонарей освещения номерного знака
53215-3718001-85 Установка электромеханического корректора
5320-3721001-10 Установка звуковых электрических сигналов
6520-3723001 Установка розетки внешнего запуска
65226-3723003 Установка розеток прицепа
53205-3723005 Установка розетки переносной лампы
53215-3726001 Установка бокового повторителя указателей поворота
53215-3726002 Установка прерывателя указателей поворота
6522-3727002-99 Установка прожектора освещения сцепного устройства
6460-3731001-06 Установка боковых габаритных фонарей
5320-3737001-01 Установка малогабаритного выключателя массы
53205-3738001 Установка фонарей автопоезда
53229-3738002-85 Установка габаритных фонарей
53229-3738005-85 Установка проблесковых фонарей
53205-3741001 Установка электрооборудования подогревателя Webasto 15.8106
53205-3741060 Пульт управления подогревателем
53205-3741090 Установка терморегулятора
53205-3741094 Установка блока управления подогревателем
6522-3747001-99 Установка реле
53215-3759001 Установка преобразователя напряжения
6522-3805010-99 Щиток приборов
43114-3830001 Установка трубопроводов к манометру
53205-3830002 Установка датчиков аварийного давления воздуха
53215-3859001-10 Установка электрооборудования АБС
6522-5000003-99 Переднее крепление и механизм уравновешивания кабины
65226-5000006 Установка кабины с оперением
65226-5000014 Кабина с дверями окрашенная
53205-5000075 Установка ремней безопасности
65226-5000079 Установка механизма опрокидывания кабины и запасного колеса
53205-5000120 Установка сиденей
6522-5001006-99 Установка задней подвески кабины
5320-5001010 Кронштейн переднего крепления кабины верхний
5320-5001080 Рессора кабины
6522-5002051-99 Установка ограничителя подъема кабины
4310-5002074 Шпилька стопорная
5460-5018010 Запор кабины правый
5460-5018011 Запор кабины
5320-5018014 Корпус запора кабины правый
53205-5205001 Установка стеклоочистителя
271.5205010 Стеклоочиститель электрический
53205-5208004 Установка омывателя электрического
6520-5300023 Установка панели приборов
5320-5303012 Ящик вещевой
5320-5303020-01 Дверка вещевого ящика
5320-5303039 Ограничитель
53205-5713008 Установка вентиляционного люка крыши
53205-6100005 Установка стекол и арматуры двери левой
53205-6100014 Дверь правая
53205-6100015 Дверь левая
53205-6104011/010 Стеклоподъемник двери
53205-6104030 Механизм стеклоподъемника двери
5320-6105020-10/021-10 Замок двери правый/левый
5320-6105035-10 Фиксатор замка левый
5320-6105080/81 Привод замка двери правый/левый в сборе
5320-6105150 Ручка двери наружная в сборе
5320-6106083 Ограничитель двери
53205-6800010 Сидение водителя
5320-6804010 Механизм подрессоривания сиденья водителя
5320-6804111 Механизм перемещения сиденья водителя
53205-6830010 Сиденье пассажирское с ящиком
53215-7900000-10 Радиооборудование
53215-7901001 Установка автомагнитолы
53215-7909001 Установка громкоговорителей
65226-8100005 Установка системы отопления
5320-8105010 Кран сливной
5320-8105160 Кран отопления
5320-8109020-10 Привод управления отоплением
5320-8118069 Колесо рабочее с электродвигателем
6522-8106001-99 Установка подогревателя
6460-8106005 Установка подогревателя
6522-8106010-99 Подключение подогревателя к системе охлаждения
53205-8201002 Установка зеркал заднего вида
5320-8202200/201 Ручка правая/левая
5320-8203010-01 Пепельница в сборе
5320-8204011/10 Козырек противосолнечный с обивкой левый/правый
53229-8212410 Установка проблесковых маяков
53205-8213005 Установка надоконной полки и противосолнечных козырьков
65226-8400006 Установка оперения кабины
65226-8401010 Панель облицовочная
6520-8403010/011 Установка задней части переднего крыла
65226-8404003 Установка задних крыльев
65226-8404100 Установка настила
6560-8405011 Установка нижней подножки левая
65226-8405100 Установка лестницы
5320-8406010 Замок панели
65115-8415010 Обтекатель правый
6520-8416012 Установка спойлера
65115-8417012 Установка панели фар
65226-2700001-10 Установка седельно-сцепного устройства
1
2
3
5
7
8
10
16
17
18
19
20
20
20
22
22
22
23
23
26
26
27
27
Поз.
Артикул
Название детали
Кол-во
1
53205-3506060
Трубка
1;
2
53205-3506100
Трубка подвода воздуха
1;
3
53205-3506507
Трубка
1;
5
100-3537110
Кран аварийного растормаживания в сборе
1;
7
6460-1772324
Болт нажимной
1;
8
6460-1772326
Крестовина фланцевая проходная
1;
10
100-3537139
Гайка М26х1,5-6Н
1;
16
1/61023/11
Гайка М8-6Н низкая
1;
17
1/16913/11
Гайка М10х1-6Н низкая
1;
18
1/07912/21
Гайка низкая М12х1,5-6Н
1;
19
861001
Угольник ввертный
1;
20
861022
Шайба 10
4;
22
864204
Кольцо уплотнительное
4;
23
864894
Штуцер ввертный
3;
26
45104177200190
Штуцер 0737843036
2;
27
45104177200290
Шайба 0634801152
2;
Содержащиеся в справочниках-каталогах запасные части и детали не предлагаются к продаже, а носят исключительно информационный характер
Дополнительная информация
×
Название:
Номер:
Примечание:
Войти
Имя пользователя
Пароль
Забыли пароль?
Запомнить меня
Войти
Поиск товаров
Поиск товаров
Корзина покупок