ЗапКам
zap-kam16@yandex.ru
(900) 323-41-41
Вход / Регистрация отключена
Вход
Избранное
0
по запросу
Каталог
Все товары и категории
Запчасти КАМАЗ
Двигатель
Двигатели в сборе
Евро-0
КамАЗ-4310
Урал-4320
КамАЗ-4350
Евро-1
КамАЗ-43114
Евро-2
КамАЗ-43118
КамАЗ-65115
КамАЗ-6520
Евро-3
Евро-4
Евро-5
Газовые
Блоки цилиндров
Блоки цилиндров Евро-0 КамАЗ
Блоки цилиндров Евро-1 КамАЗ
Блоки цилиндров Евро-2 КамАЗ
Блоки цилиндров Евро-3 КамАЗ
Блоки цилиндров Евро-4,5 КамАЗ Common Rail
Сборочные комплекты (лонг-, шорт-блоки)
Блоки управления
Валы коленчатые
Коленвалы Евро-0 КамАЗ
Коленвалы Евро-1 КамАЗ
Коленвалы Евро-2 КамАЗ
Коленвалы Евро-3 КамАЗ
Коленвалы Евро-4,5 КамАЗ Common Rail
Вкладыши коренные
Евро-3,4,5
Евро-0,1,2
Вкладыши шатунные
Евро-3,4,5
Евро-0,1,2
Валы распредительные
ЦПГ – поршневая
Поршневая Евро-4,-5 (740.602)
Поршневая Евро-2,-3 (740.60)
Поршневая Евро-1,-2 (740.30)
Поршневая Евро-0,1 (740)
Кольца поршневые
ТНВД
Евро-4-5 Common Rail
Евро-3
Евро-2
Евро-1
Евро-0
Система питания
Форсунки топливные
Распылители форсунок
Топливозаборники
ГБЦ
Евро-3,4,5 Common Rail
Евро-1,2,3
Евро-0
Газ
Турбокомпрессоры
ТРК Евро-4,5 (однотурбовые)
Евро-4
Евро-3
Евро-2
Евро-1
Насос водяной
Насос масляный
Маховики
Коробка передач
КПП в сборе
Валы
Валы вторичные
Валы первичные
Валы промежуточные
Шестерни
Синхронизаторы
Делители в сборе
Коробка раздаточная
РК в сборе
РК 6522
Дифференциалы
Валы
Валы первичные
Валы промежуточные
Вилки
Шестерни
Механизмы переключения
Трансмиссия
Мосты
Редукторы в сборе
Заднего моста
Переднего моста
Среднего моста
Зубьев
31, 35
50
49
48
47
46
КамАЗ
4310
43114
43118
4326
5320
53205
65115
43253
53229
6520
6522
4308
65111
65116
65117
55102
55111
53212
53215
54115
5410
5511
Мосты в сборе
Передние
Средние
Задние
6520, 6522 (20т)
65115 (15т)
65111 (15т)
43118 (10т)
43114 / 4310 (8т)
53205 Евро (10т)
5320 (8т)
5511 (10т)
МОД
Мадара
Подвеска в сборе
Ось передняя
Ось в сборе
Ходовая часть
Подвеска (тележка) в сборе
Колеса и шины
Рама
Рессоры
Лебедка
Механизмы управления
Отопление и вентиляция
Система выпуска
Сцепление
Тормоза
Кабина
Управление рулевое
Электрооборудование
Автомобили
КАМАЗ 5490
Двигатель 457
Двигатели в сборе
Сцепление
Кабина
Кузов
Мосты
Рама
Система выпуска
Тормоза
Управление рулевое
Ходовая часть
КАМАЗ К5
Двигатели WeiChai
Двигатели в сборе
Двигатели Р6
Двигатели 910 Р6 в сборе
Кабина
Сцепление
Тормоза
Управление рулевое
Электрооборудование
ZF
КПП ZF в сборе
16S EcoSplit
КПП 16s 1820 TO
КПП 16S 2220
9S Ecomid
12AS Astronic
12TX Traxon
Запчасти 12tx Traxon
Cummins
Двигатели в сборе
Блоки цилиндров
Коленвалы
Головки блока
Генератор
Китайские грузовики
Shaanxi HanDe
Fast Gear
Sitrak
Weichai
FAW
Laizhou Tongji
Европейские грузовики
Mercedes
Электрооборудование
Блоки управления
Блоки управления ADM
Блоки управления CPC4
Блоки управления двигателем
Блоки управления электрооборудованием
Датчики
Стартеры
Карданная передача
Карданы КамАЗ
Коробки отбора мощности
Прицепная техника
ССУ (Седла)
Ремонт
Ремонт двигателей
Ремонт КПП Камаз и ZF
Ремонт раздаток и редукторов
Ремонт кабин
Услуги
Комплектация заявок
Скупка запчастей и агрегатов
Контакты
Отправить заявку
Каталоги запчастей к технике
Грузовые
КамАЗ
65226
Установка топливопроводов
Поиск
Установка топливопроводов
/ КамАЗ 65226
zoom-in
zoom-out
enlarge
shrink
circle-right
circle-left
file-text2
info
cart
Тип техники
Не выбрано
Грузовые
Двигатели
Марка
Не выбрано
DAF
DongFeng
FAW
Foton
HOWO
IVECO
JAC Motors
MAN
Shaanxi
SITRAK
Volvo
Автокомпонент Плюс
ЗИЛ
КАЗ
КамАЗ
Мадара
НефАЗ
СЗАП
Тонар
УралАЗ
Модель
Не выбрано
4308 (2004)
4308 (2008)
4308 (Евро 3) (2013)
4308 (Евро 4) (2012)
4308-C4 (2019)
4308-C4 (2019)
4308-H3 (2019)
4308-R4 (2019)
4310
4310
43101
43114
43118 (2002)
43118 (Евро 4) (2012)
43253 (Часть-1) (2011)
43253 (Часть-2) (2011)
43253, 43255 (Евро-4) (2012)
43255 (Евро-2) (2012)
43255 (Евро-3) (2012)
4326 (2001)
4326 (2003г)
43261 (Евро-1, 2) (2007)
4350 (4х4) (2004)
43501 (4х4) (2007)
43502 (Евро 4) (2013)
45141 (2009)
45142 (2009)
45143 (2009)
5308 (Евро 3) (2012)
5308 (Евро 4) (2013)
5315
5320
53212
53228, 65111 (2004)
53229 (Евро 2) (2010)
5350 (6х6) (2004)
53501 (6х6) (2007)
53504 (6х6) (2007)
5360
53605 (Евро-4) (2013)
5410
54112
5460
5460 (2005)
5490 (2016)
55102
5511 (2003)
6350 (8х8) (2004)
63501 (8х8) (2007)
6450 (8х8) (2007)
6460
6460 (Евро 3, 4) (2013)
6460 (Евро 4) (2013)
65111 (2008)
65111 (Евро 4) (2012)
65115 (2001)
65115 (2009)
65115 (Евро-3) (2013)
65115, 65116 (Евро-4) (2010)
65116 (2006)
6520
6520 (Euro-2, 3) (2009)
6520 (Euro-4) (2012)
6520 (Euro-4) (2016)
65201 (2007)
65201 Евро 2-3 (2016)
6522 (2005)
6522 (Euro-2, 3) (2009)
6522 (Евро-4) (2016)
65226 (2009)
65226 (2013)
6540
KNORR-BREMSE для КамАЗ
Общий (5320, 53212, 5410, 54112, 5511, 55102)
Самосв. установка 6520 (2011)
Схема
>
Не выбрано
Переднее крепление и механизм уравновешивания кабины
Установка кабины с оперением
Кабина с дверями окрашенная
Установка механизма опрокидывания кабины и запасного колеса
Установка задней подвески кабины
Кронштейн переднего крепления кабины верхний
Рессора кабины
Установка ограничителя подъема кабины
Шпилька стопорная
Запор кабины правый
Запор кабины
Корпус запора кабины правый
Установка стеклоочистителя
Стеклоочиститель электрический
Установка омывателя электрического
Установка панели приборов
Ящик вещевой
Дверка вещевого ящика
Ограничитель
Установка вентиляционного люка крыши
Установка стекол и арматуры двери левая
Дверь правая
Дверь левая
Стеклоподъемник двери
Механизм стеклоподъемника двери
Замок двери правый/левый
Фиксатор замка левый
Привод замка двери правый/левый в сборе
Ручка двери наружная в сборе
Ограничитель двери
Установка сидений
Сидение водителя
Механизм подрессоривания сиденья водителя
Механизм перемещения сиденья водителя
Сиденье пассажирское с ящиком
Установка системы отопления
Кран сливной
Кран отопления
Привод управления отоплением
Колесо рабочее с электродвигателем
Установка подогревателя 15.8106
Установка подогревателя 15.8106
Установка подогревателя, электродвигателя с насосом и топливного фильтра
Подключение подогревателя к системе охлаждения двигателя "Deutz"
Установка зеркал заднего вида
Ручка правая/левая
Пепельница в сборе
Козырек противосолнечный с обивкой левый/правый
Установка проблесковых маяков
Установка надоконной полки и противосолнечных козырьков
Установка ремней безопасности
Установка оперения кабины
Панель облицовочная
Установка задней части переднего крыла правая, левая
Установка задних крыльев
Установка настила
Установка нижней подножки левая
Установка лестницы
Замок панели
Обтекатель правый
Установка спойлера
Установка панели фар
Агрегат силовой, укомплектованный для установки на автомобиль
Установка силового агрегата
Установка указателя уровня масла
Кронштейн передней опоры
Кронштейн задней опоры левый
Установка топливного бака, ФГОТ и топливопроводов
Бак топливный
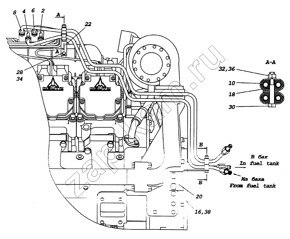
Установка топливопроводов
Топливозаборник
Трубка слива в бак с угольником
Установка управления подачей топлива
Установка воздушных фильтров
Фильтр воздушный
Элемент фильтрующий с предочистителем
Установка системы охлаждения наддувочного воздуха
Установка системы выпуска
Установка радиатора
Блок радиаторов
Установка труб теплообменника ретардера
Установка вентилятора с вязкостной муфтой
Установка расширительного бачка
Установка ложементов
Установка педали и привода выключения сцепления
Педаль сцепления с кронштейном и главным цилиндром
Педаль сцепления
Главный цилиндр управления сцеплением
Привод управления механизмом переключения передач
Привод управления механизмом переключения передач
Опора рычага переключения
Тяга реактивная
Рычаг с кронштейном
Установка теплообменника
Установка пневмопривода управлением переключения передач
Установка раздаточной коробки
Установка управления раздаточной коробки
Кран управления раздаточной коробки
Раздаточная коробка VG 2700/400
Картер
Клапанный блок, трубопроводы давления
Первичный вал, крышка подшипника
Промежуточный вал, масляный насос
Ведомый вал, дифференциал
Фланцы
Пневматическое переключение передач
Установка карданных валов
Мост передний
Мост передний
Передача главная переднего моста
Дифференциал переднего моста
Мост задний
Мост задний
Сапун
Передача главная заднего моста
Картер редуктора заднего моста
Шестерня ведущая заднего моста
Стакан подшипников
Крышка подшипника
Сателлит дифференциала заднего моста с втулкой
Дифференциал моста заднего
Вилка блокировки
Привод блокировки межколесных дифференциалов
Мост средний
Мост средний
Передача главная среднего моста
Крышка подшипника
Крышка подшипника
Дифференциал моста среднего
Межосевой дифференциал среднего моста
Сателлит межосевого дифференциала с втулкой
Привод блокировки межосевого дифференциала
Кран включения блокировки
Шток
Рама
Установка надрамника
Установка буксирной поперечины
Установка буксирной вилки
Вилка буксирная с пружиной
Установка защитного ограждения
Установка передней подвески
Установка задней подвески
Рессора передняя
Рессора задняя
Кронштейн стабилизатора
Кронштейн балансира с осью
Башмак рессоры с втулками и манжетой
Башмак рессоры с втулками
Штанга реактивная
Штанга реактивная
Установка передних колес
Установка сдвоенных колес
Колесо 8,5-20 с шиной левое
Держатель запасного колеса
Установка рулевого управления
Установка рулевой колонки
Установка трубопроводов
Сошка с подшипником
Тяга сошки
Вал карданный
Шарнир карданный
Шарнир с втулкой
Рулевая колонка с карданным валом
Рулевая колонка
Корпус колонки с кронштейном рулевого управления
Установка пневмотормозов
Установка пневмотормозов
Установка осушителя
Установка воздушных ресиверов
Установка двухсекционного тормозного крана
Установка четырехконтурного защитного клапана
Установка ускорительного клапана
Установка клапана управления тормозами прицепа
Установка регулятора тормозных сил
Установка кабелей АБС
Установка кабелей АБС
Установка модуляторов АБС
Установка двухмагистрального клапана
Установка пневмоуправления системой АБС
Установка пневмоуправления системой АБС
Установка охладителя
Установка пневмовыводов к полуприцепу
Кран слива конденсата
Кран тормозной двухсекционный с педалью
Кран тормозной двухсекционный
Клапан контрольного вывода
Клапан защитный четырехконтурный
Кран экстренного растормаживания
Клапан ускорительный в сборе
Установка электронного блока управления АБС
Электрооборудование. Расположение на автомобиле
Установка аккумуляторных батарей
Панель выключателей
Установка фар и передних указателей поворота
Установка фар дополнительных и противотуманных
Установка плафонов
Установка плафона освещения спального места
Установка плафона освещения вещевого ящика
Установка подкапотной лампы
Установка задних фонарей
Установка фонарей освещения номерного знака
Установка электромеханического корректора
Установка звуковых электрических сигналов
Установка розетки внешнего запуска
Установка розеток прицепа
Установка розетки переносной лампы
Установка бокового повторителя указателей поворота
Установка прерывателя указателей поворота
Установка прожектора освещения сцепного устройства
Установка боковых габаритных фонарей
Установка малогабаритного выключателя массы
Установка фонарей автопоезда
Установка габаритных фонарей
Установка проблесковых фонарей
Установка электрооборудования подогревателя Webasto 15.8106
Пульт управления подогревателем
Установка терморегулятора
Установка блока управления подогревателем
Установка реле
Установка реле
Установка преобразователя напряжения
Щиток приборов
Установка трубопроводов к манометру
Установка датчиков аварийного давления воздуха
Установка электрооборудования АБС
Радиооборудование
Установка автомагнитолы
Установка громкоговорителей
Установка седельно-сцепного устройства
2
4
6
8
10
16
18
20
22
28
30
32
34
36
38
Поз.
Артикул
Название детали
Кол-во
2
65226-1104146
Трубка слива топлива
1;
4
65226-1104254
Трубка подводящая топливного насоса
1;
6
65226-1104422
Трубка отводящая топливного насоса
1;
8
65226-1104426
Трубка топливная подводящая ТНВД
1;
10
740.1104440
Скоба
8;
16
65226-1104226
Болт М12х1,5-6gх25
2;
18
740.1104460-10
Втулка
4;
20
65226-1104510
Кронштейн
1;
22
65226-1104610
Кронштейн
1;
28
1/09021/21
Болт М6-6gх14
1;
30
1/60443/21
Болт М8-6gх55
2;
32
1/61008/11
Гайка М8х1,25-6Н
2;
34
1/05164/73
Шайба 6 пружинная
1;
36
1/05166/73
Шайба 8 пружинная
2;
38
1/05170/73
Шайба 12 пружинная
2;
Содержащиеся в справочниках-каталогах запасные части и детали не предлагаются к продаже, а носят исключительно информационный характер
Дополнительная информация
×
Название:
Номер:
Примечание:
Войти
Имя пользователя
Пароль
Забыли пароль?
Запомнить меня
Войти
Поиск товаров
Поиск товаров
Корзина покупок