ЗапКам
zap-kam16@yandex.ru
(900) 323-41-41
Вход / Регистрация отключена
Вход
Избранное
0
по запросу
Каталог
Все товары и категории
Запчасти КАМАЗ
Двигатель
Двигатели в сборе
Евро-0
КамАЗ-4310
Урал-4320
КамАЗ-4350
Евро-1
КамАЗ-43114
Евро-2
КамАЗ-43118
КамАЗ-65115
КамАЗ-6520
Евро-3
Евро-4
Евро-5
Газовые
Блоки цилиндров
Блоки цилиндров Евро-0 КамАЗ
Блоки цилиндров Евро-1 КамАЗ
Блоки цилиндров Евро-2 КамАЗ
Блоки цилиндров Евро-3 КамАЗ
Блоки цилиндров Евро-4,5 КамАЗ Common Rail
Сборочные комплекты (лонг-, шорт-блоки)
Блоки управления
Валы коленчатые
Коленвалы Евро-0 КамАЗ
Коленвалы Евро-1 КамАЗ
Коленвалы Евро-2 КамАЗ
Коленвалы Евро-3 КамАЗ
Коленвалы Евро-4,5 КамАЗ Common Rail
Вкладыши коренные
Евро-3,4,5
Евро-0,1,2
Вкладыши шатунные
Евро-3,4,5
Евро-0,1,2
Валы распредительные
ЦПГ – поршневая
Поршневая Евро-4,-5 (740.602)
Поршневая Евро-2,-3 (740.60)
Поршневая Евро-1,-2 (740.30)
Поршневая Евро-0,1 (740)
Кольца поршневые
ТНВД
Евро-4-5 Common Rail
Евро-3
Евро-2
Евро-1
Евро-0
Система питания
Форсунки топливные
Распылители форсунок
Топливозаборники
ГБЦ
Евро-3,4,5 Common Rail
Евро-1,2,3
Евро-0
Газ
Турбокомпрессоры
ТРК Евро-4,5 (однотурбовые)
Евро-4
Евро-3
Евро-2
Евро-1
Насос водяной
Насос масляный
Маховики
Коробка передач
КПП в сборе
Валы
Валы вторичные
Валы первичные
Валы промежуточные
Шестерни
Синхронизаторы
Делители в сборе
Коробка раздаточная
РК в сборе
РК 6522
Дифференциалы
Валы
Валы первичные
Валы промежуточные
Вилки
Шестерни
Механизмы переключения
Трансмиссия
Мосты
Редукторы в сборе
Заднего моста
Переднего моста
Среднего моста
Зубьев
31, 35
50
49
48
47
46
КамАЗ
4310
43114
43118
4326
5320
53205
65115
43253
53229
6520
6522
4308
65111
65116
65117
55102
55111
53212
53215
54115
5410
5511
Мосты в сборе
Передние
Средние
Задние
6520, 6522 (20т)
65115 (15т)
65111 (15т)
43118 (10т)
43114 / 4310 (8т)
53205 Евро (10т)
5320 (8т)
5511 (10т)
МОД
Мадара
Подвеска в сборе
Ось передняя
Ось в сборе
Ходовая часть
Подвеска (тележка) в сборе
Колеса и шины
Рама
Рессоры
Лебедка
Механизмы управления
Отопление и вентиляция
Система выпуска
Сцепление
Тормоза
Кабина
Управление рулевое
Электрооборудование
Автомобили
КАМАЗ 5490
Двигатель 457
Двигатели в сборе
Сцепление
Кабина
Кузов
Мосты
Рама
Система выпуска
Тормоза
Управление рулевое
Ходовая часть
КАМАЗ К5
Двигатели WeiChai
Двигатели в сборе
Двигатели Р6
Двигатели 910 Р6 в сборе
Кабина
Сцепление
Тормоза
Управление рулевое
Электрооборудование
ZF
КПП ZF в сборе
16S EcoSplit
КПП 16s 1820 TO
КПП 16S 2220
9S Ecomid
12AS Astronic
12TX Traxon
Запчасти 12tx Traxon
Cummins
Двигатели в сборе
Блоки цилиндров
Коленвалы
Головки блока
Генератор
Китайские грузовики
Shaanxi HanDe
Fast Gear
Sitrak
Weichai
FAW
Laizhou Tongji
Европейские грузовики
Mercedes
Электрооборудование
Блоки управления
Блоки управления ADM
Блоки управления CPC4
Блоки управления двигателем
Блоки управления электрооборудованием
Датчики
Стартеры
Карданная передача
Карданы КамАЗ
Коробки отбора мощности
Прицепная техника
ССУ (Седла)
Ремонт
Ремонт двигателей
Ремонт КПП Камаз и ZF
Ремонт раздаток и редукторов
Ремонт кабин
Услуги
Комплектация заявок
Скупка запчастей и агрегатов
Контакты
Отправить заявку
Каталоги запчастей к технике
Грузовые
КамАЗ
6522
Установка управления раздаточной коробки
Поиск
Установка управления раздаточной коробки
/ КамАЗ 6522
zoom-in
zoom-out
enlarge
shrink
circle-right
circle-left
file-text2
info
cart
Тип техники
Не выбрано
Грузовые
Двигатели
Марка
Не выбрано
DAF
DongFeng
FAW
Foton
HOWO
IVECO
JAC Motors
MAN
Shaanxi
SITRAK
Volvo
Автокомпонент Плюс
ЗИЛ
КАЗ
КамАЗ
Мадара
НефАЗ
СЗАП
Тонар
УралАЗ
Модель
Не выбрано
4308 (2004)
4308 (2008)
4308 (Евро 3) (2013)
4308 (Евро 4) (2012)
4308-C4 (2019)
4308-C4 (2019)
4308-H3 (2019)
4308-R4 (2019)
4310
4310
43101
43114
43118 (2002)
43118 (Евро 4) (2012)
43253 (Часть-1) (2011)
43253 (Часть-2) (2011)
43253, 43255 (Евро-4) (2012)
43255 (Евро-2) (2012)
43255 (Евро-3) (2012)
4326 (2001)
4326 (2003г)
43261 (Евро-1, 2) (2007)
4350 (4х4) (2004)
43501 (4х4) (2007)
43502 (Евро 4) (2013)
45141 (2009)
45142 (2009)
45143 (2009)
5308 (Евро 3) (2012)
5308 (Евро 4) (2013)
5315
5320
53212
53228, 65111 (2004)
53229 (Евро 2) (2010)
5350 (6х6) (2004)
53501 (6х6) (2007)
53504 (6х6) (2007)
5360
53605 (Евро-4) (2013)
5410
54112
5460
5460 (2005)
5490 (2016)
55102
5511 (2003)
6350 (8х8) (2004)
63501 (8х8) (2007)
6450 (8х8) (2007)
6460
6460 (Евро 3, 4) (2013)
6460 (Евро 4) (2013)
65111 (2008)
65111 (Евро 4) (2012)
65115 (2001)
65115 (2009)
65115 (Евро-3) (2013)
65115, 65116 (Евро-4) (2010)
65116 (2006)
6520
6520 (Euro-2, 3) (2009)
6520 (Euro-4) (2012)
6520 (Euro-4) (2016)
65201 (2007)
65201 Евро 2-3 (2016)
6522 (2005)
6522 (Euro-2, 3) (2009)
6522 (Евро-4) (2016)
65226 (2009)
65226 (2013)
6540
KNORR-BREMSE для КамАЗ
Общий (5320, 53212, 5410, 54112, 5511, 55102)
Самосв. установка 6520 (2011)
Схема
>
Не выбрано
Переднее крепление и механизм уравновешивания кабины
Установка кабины с оперением
Установка кабины с оперением
Кабина с дверьми окрашенная
Кабина с дверьми окрашенная
Установка механизма опрокидывания кабины
Установка механизма опрокидывания кабины
Установка задней подвески кабины
Кронштейн переднего крепления кабины верхний
Рессора кабины
Установка ограничителя подъема кабины
Шпилька стопорная
Гидроцилиндр
Цилиндр опрокидывания механизма кабины
Гидроцилиндр МОК
Поршень
Запор кабины правый
Запор кабины правы
Запор кабины левый
Запор кабины
Корпус запора кабины правый
Корпус запора кабины левый
Кронштейн запора кабины правый/левый
Окно ветровое и установка зеркал заднего вида
Установка стеклоочистителя
Стеклоочиститель электрический
Установка омывателя электрического
Установка панели приборов
Панель передка съемная левая
Ящик вещевой
Дверка вещевого ящика
Ограничитель
Установка вентиляционного люка крыши
Установка стекол и арматуры двери правая/левая
Установка стекол и арматуры двери правая/левая
Дверь правая
Дверь левая
Стеклоподъемник двери левый в сборе
Замок двери правый/левый
Фиксатор замка правый/левый в сборе
Привод замка двери правый/левый в сборе
Ручка двери наружная в сборе
Ограничитель двери
Установка сидений
Сиденье водителя
Сиденье пассажирское с ящиком
Механизм подрессоривания сиденья водителя
Установка системы отопления кабины
Кран сливной
Кран отопления
Установка подогревателя 15.8106
Установка подогревателя 15.8106
Установка подогревателя 14ТС-10
Установка подогревателя 14ТС-10
Установка подогревателя, электродвигателя с насосом и топливного фильтра
Установка подогревателя, электродвигателя с насосом и топливного фильтра
Привод управления отоплением
Колесо рабочее
Установка ремней безопасности
Ручка правая/левая
Пепельница в сборе
Установка бокового знака
Установка знаков двигателя и "320 TURBO"
Установка знаков двигателя и "360 TURBO", Engine
Установка надоконной полки и противосолнечных козырьков
Козырек противосолнечный с обивкой левый/правый
Установка оперения кабины
Установка оперения кабины
Панель облицовочная
Установка задней части переднего крыла правая/левая
Установка задних крыльев
Установка грязевого настила
Установка брызговиков
Установка нижней подножки правая/левая
Установка лестницы
Замок панели
Обтекатель правый
Установка спойлера
Установка панели фар
Установка боковой защиты
Установка платформы
Установка запоров заднего борта
Стабилизатор
Самосвальная установка
Надрамник
Ловитель амортизатор
Установка гидроцилиндра
Гидроцилиндр
Установка фитингов насоса
Установка блока электропневмоклапанов
Гидрораспределитель
Золотник с предохранительным клапаном
Клапан предохранительный вспомогательный
Поршень
Установка гидробака
Клапан ограничительный
Агрегат силовой 740.51-320,укомплектованный для установки на автомобиль
Агрегат силовой 740.51-320,укомплектованный для установки на автомобиль
Агрегат силовой 740.51-360,укомплектованный для установки на автомобиль
Агрегат силовой
Агрегат силовой
Двигатель с оборудованием
Двигатель с оборудованием
Двигатель с оборудованием
Двигатель с оборудованием
Двигатель с оборудованием
Установка силового агрегата
Установка силового агрегата
Башмак задней опоры силового агрегата
Установка картера агрегатов
Установка картера маховика
Блок цилиндров в сборе
Блок цилиндров в сборе
Заглушка водяной полости
Крышка блока цилиндров передняя
Картер маховика
Картер агрегатов
Установка газораспределительного механизма
Головка цилиндров
Головка цилиндров с втулками
Втулка с кольцами
Заглушка с кольцом
Поршень с шатуном и кольцами
Шатун
Клапан форсунки охлаждения поршня в сборе
Установка форсунки охлаждения поршня
Установка коленчатого вала
Коленчатый вал
Шестерня коленчатого вала
Шкив коленчатого вала
Установка гасителя крутильных колебаний и полумуфты отбора мощности
Установка шкива коленчатого вала
Установка маховика и фиксатора
Маховик
Маховик
Установка привода отбора мощности переднего
Корпус подшипника
Фиксатор маховика в сборе
Привод агрегатов
Вал отбора мощности
Распределительный вал
Корпус подшипника распределительного вала с втулкой
Стойка коромысел в сборе
Коромысло клапана в сборе
Установка газопровода
Установка картера масляного
Трубка указателя уровня с кольцом
Установка масляного насоса
Масляный насос с маслозаборником в сборе
Масляный насос с шестерней
Насос масляный
Крышка масляного насоса с клапаном
Корпус насоса
Крышка масляного насоса в сборе
Шестерня ведомая масляного насоса
Маслозаборник
Установка фильтра и теплообменника
Фильтр масляный с теплообменником
Фильтр очистки масла
Корпус масляного фильтра в сборе
Колпак масляного фильтра
Теплообменник масляный
Сердцевина
Установка системы вентиляции
Трубка сапуна с втулкой
Угольник сапуна
Установка электромагнитного клапана
Клапан с кронштейном и трубкой
Шестерня ведущая в сборе
Ось ведущей шестерни
Установка топливных баков, ФГОТ и топлипроводов
Установка топливных баков, ФГОТ и топлипроводов
Установка топливных баков, ФГОТ и топлипроводов
Бак топливный
Бак топливный
Труба наливная топливного бака с выдвижной трубой
Пробка топливного бака
Установка топлипроводов
Установка топлипроводов
Топливозаборник
Трубка приемная с фильтром
Фильтр грубой очистки с насосом предпусковой прокачки топлива
Фильтр грубой очистки топлива в сборе
Фильтр грубой очистки топлива с подогревателем
Топливный насос низкого давления
Привод управления регулятором
Управление подачей топлива
Кронштейн с валом привода
Кронштейн вала привода
Толкатель
Тяга привода управления регулятором
Наконечник тяги рычага управления регулятором
Наконечник
Установка воздушного фильтра
Установка воздушного фильтра
Установка воздухоочистителя мультициклонного
Воздухоочиститель с кронштейном
Установка тройника
Установка тройника
Фильтр воздушный
Фильтр воздушный
Элемент фильтрующий с предочистителем
Крышка регулятора верхняя в сборе
Державка грузов регулятора
Корректор подачи топлива по наддуву
Установка и привод ТНВД
Насос топливный высокого давления
Насос топливный высокого давления
Секция топливного насоса
Корпус заднего подшипника
Вал привода ТНВД
Установка форсунки
Форсунка
Установка системы впуска
Фильтр тонкой очистки топлива
Пружина
Установка турбокомпрессора
Шестерня ведомая привода ТНВД
Насос предпусковой прокачки топлива
Установка системы ОНВ
Установка системы выпуска
Установка системы выпуска
Установка системы выпуска
Коробка переключения газов
Установка радиатора и уплотнителей радиатора
Установка радиатора и уплотнителей радиатора
Установка кожуха радиатора
Установка водяных труб
Установка корпуса водяных каналов
Корпус водяных каналов
Установка кранов сливных системы охлаждения привода управления
Кран сливной системы охлаждения
Пробка крана
Пробка с шариком и держателем
Установка водяного насоса
Водяной насос
Установка вентилятора с муфтой привода
Установка обечайки вентилятора
Установка расширительного бачка
Бачок расширительный
Пробка расширительного бачка
Скоба верхняя
Установка педали и привода выключения сцепления
Педаль сцепления с кронштейном и главным цилиндром
Педаль сцепления
Главный цилиндр управления сцепления
Главный цилиндр
Бачок главного цилиндра привода сцепления
Толкатель
Установка сцепления
Установка картера сцепления
Установка цилиндра сцепления
Вилка выключения сцепления
Привод управления механизмом переключения передач
Привод управления механизмом переключения передач
Опора рычага переключения передач
Тяга реактивная
Установка пневмопривода управлением переключения передач
Картер коробки передач с пробками
Установка нижней крышки картера и трубки распылителя
Первичный вал
Установка крышки первичного вала
Промежуточный вал
Установка насоса
Основной вал
Установка пробок картера
Штоки вилок переключения передач
Механизм переключения передач
Установка датчиков механизма переключения передач
Установка боковых крышек механизма переключения передач
Комплект пружин
Механизм управления демультипликатором
Установка задней крышки картера
Картер планетарной передачи
Привод планетарной передачи
Установка заднего фланца
Синхронизатор планетарной передачи
Управление планетарной передачей
Механизм выбора передаточного числа
Пломбировка датчика тахографа на коробке передач
Установка раздаточной коробки
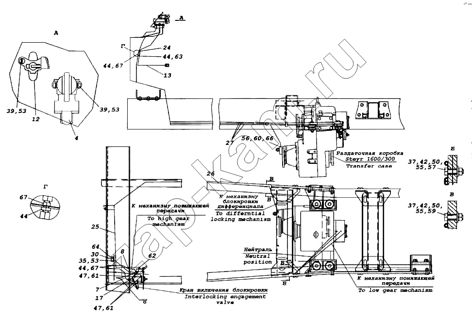
Установка управления раздаточной коробки
Кран управления раздаточной коробки
Установка карданных валов
Вал карданный заднего моста
Крестовина карданного вала
Мост передний
Передача главная переднего моста
Дифференциал переднего моста
Мост задний
Картер заднего моста
Передача главная заднего моста
Шестерня ведущая заднего моста
Стакан подшипников
Крышка подшипника
Дифференциал моста заднего
Сателлит в сборе
Вилка блокировки в сборе
Привод блокировки межколесных дифференциалов
Мост средний
Передача главная среднего моста
Шестерня ведущая среднего моста
Крышка подшипника
Дифференциал моста среднего
Межосевой дифференциал среднего моста
Сателлит межосевого дифференциала с втулкой
Привод блокировки межосевого дифференциала
Кран включения блокировки
Шток
Рама
Рама
Установка буксирной поперечины
Установка заднего буфера
Установка буксирной вилки
Вилка буксирная с пружиной
Подвеска передняя
Подвеска задняя
Подвеска задняя
Рессора передняя
Ушко с втулкой и манжетами
Ушко с втулкой
Кронштейн стабилизатора
Рессора задняя
Башмак рессоры с втулками и манжетой
Башмак рессоры с втулками
Штанга реактивная
Установка передних колес
Установка сдвоенных колес
Колесо 8,5-20 с шиной левое
Установка запасного колеса
Ворот
Установка рулевого механизма
Установка колонки рулевого управления
Установка трубопроводов рулевого управления
Установка насоса рулевого усилителя
Установка насоса гидроусилителя руля
Тяга сошки с наконечниками
Вал карданный
Шарнир карданный
Шарнир с втулкой
Рулевая колонка с карданным валом
Рулевая колонка
Корпус колонки с кронштейном рулевого управления
Установка пневмотормозов
Установка пневмотормозов
Установка пневмотормозов
Установка осушителя
Установка воздушных ресиверов
Установка двухсекционного тормозного крана
Установка четырехконтурного защитного клапана
Установка ускорительного клапана
Установка клапана управления тормозами прицепа
Установка регулятора тормозных сил
Установка кабелей АБС
Установка кабелей АБС
Установка модуляторов АБС
Установка модуляторов АБС
Установка клапана двухмагистрального
Установка пневмоуправления системой АБС
Установка пневмоуправления системой АБС
Установка охладителя
Установка пневмовыводов к полуприцепу
Установка компрессора
Компрессор
Картер в сборе
Головка цилиндра с крышкой
Крышка задняя в сборе
Поршень в сборе
Кран слива конденсата
Кран тормозной двухсекционный с педалью
Кран тормозной двухсекционный
Клапан контрольного вывода
Клапан защитный четырехконтурный
Кран экстренного растормаживания
Тормозная камера тип 30
Камера тормозная
Тормозная камера тип 30/24
Установка электронного блока управления АБС
Установка цилиндра выключения подачи топлива
Корпус вспомогательного тормоза с заслонкой
Вал заслонки
Цилиндр пневматический с тягой
Цилиндр выключения подачи топлива пневматический
Цилиндр управления заслонкой
Электрооборудование. Расположение на автомобиле
Установка генератора
Установка аккумуляторных батарей
Установка стартера
Панель выключателей
Панель выключателей
Установка фар и переднего указателя поворота правый
Установка фар дополнительных и противотуманных
Установка плафонов
Установка плафона освещения спального места
Установка плафона освещения вещевого ящика
Установка подкапотной лампы
Установка задних фонарей
Установка фонарей освещения номерного знака
Установка электромеханического корректора
Установка звуковых электрических сигналов
Установка предохранителей
Установка розетки внешнего запуска
Установка розеток прицепа
Установка розеток переносной лампы
Установка проводов на шасси
Установка проводов на шасси
Установка проводов на шасси
Установка проводов на шасси
Установка проводов на кабине
Установка проводов на кабине
Установка проводов на кабине
Установка бокового повторителя указателей поворота
Установка прерывателя указателей поворота
Установка прожектора освещения сцепного устройства
Установка рабочей фары
Установка боковых габаритных фонарей
Установка боковых габаритных фонарей
Установка малогабаритного выключателя массы
Установка фонарей автопоезда
Установка габаритных фонарей
Установка электрооборудования подогревателя
Установка электрооборудования подогревателя
Пульт управления подогревателем
Установка терморегулятора
Установка блока управления
Установка реле
Установка реле
Установка преобразователя напряжения
Установка электрооборудования
Установка электрооборудования
Щиток приборов
Установка трубопроводов к манометру
Установка датчиков аварийного давления воздуха
Радиооборудование
Установка автомагнитолы
Установка громкоговорителей
Установка седельного устройства
Установка надрамника
Установка коробки отбора мощности
Установка управления коробки отбора мощности
Комплекты для запасных частей
4
7
8
12
13
13
17
24
25
26
27
37
37
39
39
42
42
44
44
44
44
50
50
53
53
53
55
55
57
59
63
67
67
67
Поз.
Артикул
Название детали
1) КамАЗ-6522
4
63501-1804010-10
Кран управления раздаточной коробки
1
7
4310-1804190
Шланг
1
8
4310-1804200
Шланг
1
12
5320-2511060
Кран включения блокировки межосевого дифференциала
1
13
53205-3506040
Трубка подвода воздуха
13
53205-3506040
Трубка подвода воздуха
1
17
53205-3570025
Трубка
1
24
53205-3570050
Трубка подвода воздуха в сборе
1
25
53205-3570088
Трубка подвода воздуха
1
26
53205-3570411
Трубка подвода воздуха
1
27
53205-3570486
Трубка подвода воздуха
3
37
1/60436/21
Болт М8-6gх25
39
1/32760/01
Винт М6-6gх12
42
1/61008/11
Гайка М8х1,25-6Н
44
1/16913/11
Гайка М10х1-6Н низкая
50
1/05196/01
Шайба плоская 8х17
53
1/05164/77
Шайба 6 пружинная
55
1/05166/77
Шайба 8 пружинная
57
853920
Скоба крепления воздухоотводящей трубки
59
853931
Скоба
63
864866
Штуцер фланцевый проходной
67
853963
Штуцер фланцевый проходной
Содержащиеся в справочниках-каталогах запасные части и детали не предлагаются к продаже, а носят исключительно информационный характер
Дополнительная информация
×
Название:
Номер:
Примечание:
Войти
Имя пользователя
Пароль
Забыли пароль?
Запомнить меня
Войти
Поиск товаров
Поиск товаров
Корзина покупок