ЗапКам
zap-kam16@yandex.ru
(900) 323-41-41
Вход / Регистрация отключена
Вход
Избранное
0
по запросу
Каталог
Все товары и категории
Запчасти КАМАЗ
Двигатель
Двигатели в сборе
Евро-0
КамАЗ-4310
Урал-4320
КамАЗ-4350
Евро-1
КамАЗ-43114
Евро-2
КамАЗ-43118
КамАЗ-65115
КамАЗ-6520
Евро-3
Евро-4
Евро-5
Газовые
Блоки цилиндров
Блоки цилиндров Евро-0 КамАЗ
Блоки цилиндров Евро-1 КамАЗ
Блоки цилиндров Евро-2 КамАЗ
Блоки цилиндров Евро-3 КамАЗ
Блоки цилиндров Евро-4,5 КамАЗ Common Rail
Сборочные комплекты (лонг-, шорт-блоки)
Блоки управления
Валы коленчатые
Коленвалы Евро-0 КамАЗ
Коленвалы Евро-1 КамАЗ
Коленвалы Евро-2 КамАЗ
Коленвалы Евро-3 КамАЗ
Коленвалы Евро-4,5 КамАЗ Common Rail
Вкладыши коренные
Евро-3,4,5
Евро-0,1,2
Вкладыши шатунные
Евро-3,4,5
Евро-0,1,2
Валы распредительные
ЦПГ – поршневая
Поршневая Евро-4,-5 (740.602)
Поршневая Евро-2,-3 (740.60)
Поршневая Евро-1,-2 (740.30)
Поршневая Евро-0,1 (740)
Кольца поршневые
ТНВД
Евро-4-5 Common Rail
Евро-3
Евро-2
Евро-1
Евро-0
Система питания
Форсунки топливные
Распылители форсунок
Топливозаборники
ГБЦ
Евро-3,4,5 Common Rail
Евро-1,2,3
Евро-0
Газ
Турбокомпрессоры
ТРК Евро-4,5 (однотурбовые)
Евро-4
Евро-3
Евро-2
Евро-1
Насос водяной
Насос масляный
Маховики
Коробка передач
КПП в сборе
Валы
Валы вторичные
Валы первичные
Валы промежуточные
Шестерни
Синхронизаторы
Делители в сборе
Коробка раздаточная
РК в сборе
РК 6522
Дифференциалы
Валы
Валы первичные
Валы промежуточные
Вилки
Шестерни
Механизмы переключения
Трансмиссия
Мосты
Редукторы в сборе
Заднего моста
Переднего моста
Среднего моста
Зубьев
31, 35
50
49
48
47
46
КамАЗ
4310
43114
43118
4326
5320
53205
65115
43253
53229
6520
6522
4308
65111
65116
65117
55102
55111
53212
53215
54115
5410
5511
Мосты в сборе
Передние
Средние
Задние
6520, 6522 (20т)
65115 (15т)
65111 (15т)
43118 (10т)
43114 / 4310 (8т)
53205 Евро (10т)
5320 (8т)
5511 (10т)
МОД
Мадара
Подвеска в сборе
Ось передняя
Ось в сборе
Ходовая часть
Подвеска (тележка) в сборе
Колеса и шины
Рама
Рессоры
Лебедка
Механизмы управления
Отопление и вентиляция
Система выпуска
Сцепление
Тормоза
Кабина
Управление рулевое
Электрооборудование
Автомобили
КАМАЗ 5490
Двигатель 457
Двигатели в сборе
Сцепление
Кабина
Кузов
Мосты
Рама
Система выпуска
Тормоза
Управление рулевое
Ходовая часть
КАМАЗ К5
Двигатели WeiChai
Двигатели в сборе
Двигатели Р6
Двигатели 910 Р6 в сборе
Кабина
Сцепление
Тормоза
Управление рулевое
Электрооборудование
ZF
КПП ZF в сборе
16S EcoSplit
КПП 16s 1820 TO
КПП 16S 2220
9S Ecomid
12AS Astronic
12TX Traxon
Запчасти 12tx Traxon
Cummins
Двигатели в сборе
Блоки цилиндров
Коленвалы
Головки блока
Генератор
Китайские грузовики
Shaanxi HanDe
Fast Gear
Sitrak
Weichai
FAW
Laizhou Tongji
Европейские грузовики
Mercedes
Электрооборудование
Блоки управления
Блоки управления ADM
Блоки управления CPC4
Блоки управления двигателем
Блоки управления электрооборудованием
Датчики
Стартеры
Карданная передача
Карданы КамАЗ
Коробки отбора мощности
Прицепная техника
ССУ (Седла)
Ремонт
Ремонт двигателей
Ремонт КПП Камаз и ZF
Ремонт раздаток и редукторов
Ремонт кабин
Услуги
Комплектация заявок
Скупка запчастей и агрегатов
Контакты
Отправить заявку
Каталоги запчастей к технике
Грузовые
КамАЗ
6540
Установка фильтра и теплообменника
Поиск
Установка фильтра и теплообменника
/ КамАЗ 6540
zoom-in
zoom-out
enlarge
shrink
circle-right
circle-left
file-text2
info
cart
Тип техники
Не выбрано
Грузовые
Двигатели
Марка
Не выбрано
DAF
DongFeng
FAW
Foton
HOWO
IVECO
JAC Motors
MAN
Shaanxi
SITRAK
Volvo
Автокомпонент Плюс
ЗИЛ
КАЗ
КамАЗ
Мадара
НефАЗ
СЗАП
Тонар
УралАЗ
Модель
Не выбрано
4308 (2004)
4308 (2008)
4308 (Евро 3) (2013)
4308 (Евро 4) (2012)
4308-C4 (2019)
4308-C4 (2019)
4308-H3 (2019)
4308-R4 (2019)
4310
4310
43101
43114
43118 (2002)
43118 (Евро 4) (2012)
43253 (Часть-1) (2011)
43253 (Часть-2) (2011)
43253, 43255 (Евро-4) (2012)
43255 (Евро-2) (2012)
43255 (Евро-3) (2012)
4326 (2001)
4326 (2003г)
43261 (Евро-1, 2) (2007)
4350 (4х4) (2004)
43501 (4х4) (2007)
43502 (Евро 4) (2013)
45141 (2009)
45142 (2009)
45143 (2009)
5308 (Евро 3) (2012)
5308 (Евро 4) (2013)
5315
5320
53212
53228, 65111 (2004)
53229 (Евро 2) (2010)
5350 (6х6) (2004)
53501 (6х6) (2007)
53504 (6х6) (2007)
5360
53605 (Евро-4) (2013)
5410
54112
5460
5460 (2005)
5490 (2016)
55102
5511 (2003)
6350 (8х8) (2004)
63501 (8х8) (2007)
6450 (8х8) (2007)
6460
6460 (Евро 3, 4) (2013)
6460 (Евро 4) (2013)
65111 (2008)
65111 (Евро 4) (2012)
65115 (2001)
65115 (2009)
65115 (Евро-3) (2013)
65115, 65116 (Евро-4) (2010)
65116 (2006)
6520
6520 (Euro-2, 3) (2009)
6520 (Euro-4) (2012)
6520 (Euro-4) (2016)
65201 (2007)
65201 Евро 2-3 (2016)
6522 (2005)
6522 (Euro-2, 3) (2009)
6522 (Евро-4) (2016)
65226 (2009)
65226 (2013)
6540
KNORR-BREMSE для КамАЗ
Общий (5320, 53212, 5410, 54112, 5511, 55102)
Самосв. установка 6520 (2011)
Схема
>
Не выбрано
Установка кабины с оперением
Установка кабины с оперением
Установка механизма опрокидывания кабины
Установка задней подвески кабины
Агрегат силовой КамАЗ-740.13-260 в сборе, укомплектованный для установки на автомобиль
Агрегат силовой КамАЗ-740.13-260 в сборе, укомплектованный для установки на автомобиль
Агрегат силовой КамАЗ-740.13-260 в сборе, укомплектованный для установки на автомобиль
Агрегат силовой КамАЗ-740.13-260 в сборе
Двигатель КамАЗ-740.13-260 с оборудованием в сборе
Двигатель КамАЗ-740.13-260 с оборудованием в сборе
Двигатель КамАЗ-740.13-260 с оборудованием в сборе
Двигатель КамАЗ-740.13-260 с оборудованием в сборе
Двигатель КамАЗ-740.13-260 с оборудованием в сборе
Установка силового агрегата
Кронштейн передней опоры силового агрегата в сборе
Башмак задней опоры силового агрегата в сборе
Установка картера маховика
Установка картера маховика
Блок цилиндров в сборе
Блок цилиндров в сборе
Заглушка водяной полости в сборе
Крышка блока цилиндров передняя в сборе
Картер маховика в сборе
Установка головок цилиндров и механизма газораспределения
Головка цилиндра с клапанами в сборе
Головка цилиндра с втулками в сборе
Втулка с кольцами в сборе
Заглушка в сборе
Поршень с шатунами и кольцами в сборе
Шатун в сборе
Клапан форсунки охлаждения поршня в сборе
Установка форсунки охлаждения поршня
Установка коленчатого вала
Вал коленчатый в сборе
Установка гасителя крутильных колебаний и полумуфты отбора мощности
Установка маховика и фиксатора
Маховик в сборе
Фиксатор маховика в сборе
Вал распределительный в сборе
Стойка коромысел в сборе
Коромысло клапана в сборе
Манжета уплотнительная клапана в сборе
Установка газопровода
Установка масляного картера, маслоналивного патрубка и указателя уровня
Трубка указателя уровня с кольцом в сборе
Указатель уровня в сборе
Установка масляного насоса
Масляный насос с маслозаборником в сборе
Масляный насос с шестерней в сборе
Масляный насос в сборе
Крышка масляного насоса с клапаном в сборе
Корпус масляного насоса в сборе
Крышка масляного насоса в сборе
Шестерня ведомая масляного насоса в сборе
Маслозаборник
Установка фильтра и теплообменника
Установка системы вентиляции
Установка электромагнитного клапана и штифтовых запальных свечей на двигатель
Шестерня ведущая привода распределительного вала в сборе
Шестерня ведущая в сборе
Шестерня ведомая привода топливного насоса в сборе
Корпус переднего подшипника в сборе
Корпус заднего подшипника в сборе
Установка топливного бака, ФГОТ и топливопроводов
Установка топливного бака, ФГОТ и топливопроводов
Бак топливный в сборе
Труба наливная топливного бака с выдвижной трубой в сборе
Сетка выдвижной трубы в сборе
Труба выдвижная топливного бака в сборе
Пробка топливного бака в сборе
Установка топливопроводов
Установка топливопроводов
Трубка приемная с фильтром в сборе
Трубка приемная с фильтром в сборе
Трубка приемная с краном в сборе
Трубка слива топлива в бак с краном в сборе
Кран распределительный топливный в сборе
Пробка распределительного топливного крана с кольцами в сборе
Фильтр грубой очистки топлива в сборе
Привод управления регулятором
Управление подачей топлива
Толкатель в сборе
Наконечник в сборе
Тяга привода управления регулятором в сборе
Тяга привода управления регулятором в сборе
Установка воздушного фильтра
Воздухозаборник в сборе
Тройник в сборе
Установка тройника
Фильтр воздушный в сборе
Элемент фильтрующий с предочистителем в сборе
Установка ТНВД
Вал привода ТНВД в сборе
Установка форсунки
Установка системы впуска
Коллектор впускной правый в сборе
Коллектор впускной левый в сборе
Патрубок объединительный в сборе
Патрубок правый в сборе
Патрубок левый в сборе
Фильтр тонкой очистки топлива в сборе
Крышка в сборе
Пружина в сборе
Установка турбокомпрессора на двигатель
Установка системы выпуска
Установка радиатора
Установка водяного насоса, водяных труб и включателя гидромуфты
Труба водяная правая в сборе
Труба водяная левая в сборе
Коробка водяная в сборе
Кран сливной системы охлаждения в сборе
Пробка крана в сборе
Пробка с шариком и держателем в сборе
Установка кранов сливных системы охлаждения с привода управления
Насос водяной в сборе
Установка вентилятора
Установка вентилятора
Установка расширительного бачка
Установка расширительного бачка
Пробка расширительного бачка в сборе
Скоба верхняя в сборе
Установка гидромуфты
Гидромуфта привода вентилятора с передней крышкой в сборе
Колесо ведущее с ведущим валом в сборе
Вал ведущий в сборе
Колесо ведомое гидромуфты с ведомым валом в сборе
Корпус подшипника гидромуфты в сборе
Шкив привода генератора и водяного насоса в сборе
Включатель гидромуфты в сборе
Клапан термосиловой в сборе
Сцепление в сборе
Сцепление в сборе
Установка педали и привода выключения сцепления
Педаль сцепления с кронштейном и главным цилиндром в сборе
Педаль сцепления в сборе (сварка)
Главный цилиндр управления сцеплением в сборе
Главный цилиндр в сборе
Бачок главного цилиндра привода сцепления в сборе
Пневмогидравлический усилитель в сборе
Коробка передач с делителем, управлением и деталями сцепления в сборе
Коробка передач с делителем, управлением и деталями сцепления в сборе
Коробка передач в сборе
Картер коробки передач в сборе
Вал первичный коробки передач в сборе
Вал первичный коробки передач с втулкой в сборе
Крышка подшипника первичного вала в сборе
Вал промежуточный в сборе
Вал вторичный коробки передач в сборе
Синхронизатор второй и третьей передачи в сборе
Синхронизатор 4-ой и 5-ой передачи в сборе
Крышка заднего подшипника вторичного вала в сборе
Крышка заднего подшипника вторичного вала в сборе
Механизм переключения передач в сборе
Механизм переключения передач в сборе
Крышка коробки передач верхняя в сборе
Вилка переключения 2-й и 3-й передачи в сборе
Вилка переключения 4-ой и 5-ой передачи в сборе
Опора рычага переключения передач в сборе
Привод управления механизмом переключения передач
Опора рычага переключения передач с рычагом в сборе
Опора рычага переключения передач с рычагом в сборе
Кронштейн опоры промежуточной тяги управления
Делитель передач с управлением в сборе
Делитель передач с управлением в сборе
Делитель передач с управлением в сборе
Картер делителя передач с втулками в сборе
Вал первичный делителя передач в сборе
Синхронизатор делителя передач в сборе
Вал промежуточный делителя передач в сборе
Механизм переключения делителя передач в сборе
Корпус механизма переключения делителя передач в сборе
Поршень с манжетами в сборе
Валик вилки механизма переключения с рычагом в сборе
Воздухораспределитель механизма переключения в сборе
Корпус воздухораспределителя с гнёздами золотника в сборе
Клапан включения делителя передач в сборе
Редукционный клапан управления механизмом переключения в сборе
Кран управления делителем передач с тросом в сборе
Корпус крана в сборе
Установка карданных валов
Вал карданный заднего моста в сборе
Крестовина карданного вала в сборе
Вал карданный промежуточного моста в сборе
Мост задний в сборе
Картер заднего моста с механизмом блокировки в сборе
Передача главная заднего моста в сборе
Передача главная заднего моста в сборе
Картер редуктора заднего моста в сборе
Вал ведущий заднего моста в сборе
Стакан подшипников в сборе
Крышка стакана в сборе
Шестерня ведомая коническая в сборе
Крышка подшипника в сборе
Стакан подшипников в сборе
Дифференциал заднего моста в сборе
Вилка блокировки в сборе
Привод блокировки межколесных дифференциалов
Мост промежуточный в сборе
Картер промежуточного моста с механизмом блокировки в сборе
Передача главная промежуточного моста в сборе
Передача главная промежуточного моста в сборе
Шестерня ведущая коническая в сборе
Крышка подшипника в сборе
Крышка подшипника в сборе
Дифференциал межосевой в сборе
Механизм блокировки в сборе
Привод блокировки межосевого дифференциала
Рама в сборе
Рама в сборе
Рама в сборе
Установка кронштейнов
Установка переднего буфера
Буфер передний с клыками в сборе
Установка заднего буфера
Установка буксирной вилки
Вилка буксирная с пружиной в сборе
Вилка буксирная с пружиной левая в сборе
Подвеска передняя в сборе
Подвеска задняя в сборе
Подвеска задняя в сборе
Подвеска задняя в сборе
Рессора передняя в сборе
Ушко с втулкой и манжетами в сборе
Ушко с втулкой в сборе
Кронштейн амортизатора нижний левый в сборе
Кронштейн стабилизатора в сборе
Рессора задняя в сборе
Ось балансирной подвески с кронштейнами в сборе
Башмак рессоры с втулками и сальником в сборе
Башмак рессоры с втулками в сборе
Штанга реактивная в сборе
Ось передняя с тормозами в сборе
Ось передняя с тормозами в сборе
Ось передняя в сборе
Ось передняя в сборе
Кулак поворотный правый в сборе
Кулаки поворотные
Колесо дисковое 7,5-20 в сборе
Груз балансировочный в сборе
Груз балансировочный в сборе
Установка передних дисковых колёс
Установка сдвоенных дисковых колёс
Колесо 7,5-20 с шиной в сборе
Ступица переднего колеса с барабаном тормоза в сборе
Ступица заднего колеса с барабаном тормоза в сборе
Установка запасного колеса
Ворот в сборе
Установка агрегатов рулевого управления
Установка колонки рулевого управления
Установка трубопроводов рулевого управления
Установка насоса рулевого усилителя
Тяга сошки с наконечниками в сборе
Тяга рулевой трапеции в сборе
Наконечник рулевой трапеции правый в сборе
Опора задняя в сборе
Тяга промежуточная в сборе
Вал карданный рулевого управления в сборе
Колонка рулевого управления с замком противоугонного устройства в сборе
Колонка рулевого управления в сборе
Установка пневмотормозов
Установка пневмотормозов
Установка осушителя
Установка воздушных ресиверов
Установка двухсекционного тормозного крана
Установка четырёхконтурного защитного клапана
Установка ускорительного клапана
Установка регулятора тормозных сил
Тормоз вспомогательный и его привод
Тормоз передний левый в сборе
Суппорт переднего колеса левый в сборе
Колодка тормоза с накладками в сборе
Тормоз задний левый в сборе
Кронштейн тормозной камеры и разжимного кулака тормоза левый в сборе
Рычаг регулировочный заднего тормоза левый в сборе
Установка компрессора
Компрессор в сборе
Компрессор в сборе
Картер в сборе
Головка цилиндра с крышкой в сборе
Крышка задняя в сборе
Поршень в сборе
Кран тормозной двухсекционный с педалью в сборе
Кран тормозной двухсекционный с педалью
Клапан контрольного вывода в сборе
Кран экстренного растормаживания в сборе
Корпус вспомогательного тормоза с заслонкой в сборе
Электрооборудование. Расположение на автомобиле
Электрооборудование. Расположение на автомобиле
Установка генератора
Установка аккумуляторных батарей
Крышка ящика аккумуляторных батарей в сборе
Запорное устройство гнезда аккумуляторных батарей в сборе
Стартер
Установка стартера
Установка таблички регулировки пучка света фар
Установка плафонов
Установка плафона освещения вещевого ящика
Установка подкапотной лампы
Установка звуковых электрических сигналов
Установка предохранителей
Установка розетки переносной лампы
Установка проводов на шасси
Установка проводов на шасси
Установка проводов на шасси
Установка проводов на шасси
Установка проводов на шасси
Установка проводов на кабине
Установка проводов на кабине
Установка проводов на кабине
Установка проводов на кабине
Установка проводов на кабине
Установка бокового повторителя указателя поворота
Установка прерывателя указателей поворота
Установка преобразователя напряжения
Установка кабеля антенны и проводов питания магнитолы
Установка подрульного переключателя
Панель выключателей в сборе
Щиток приборов в сборе
Установка сменных шестерен привода датчика спидометра
Установка трубопроводов к манометру
Установка датчиков аварийного давления
Радиооборудование
Размещение ЗИП на автомобиле
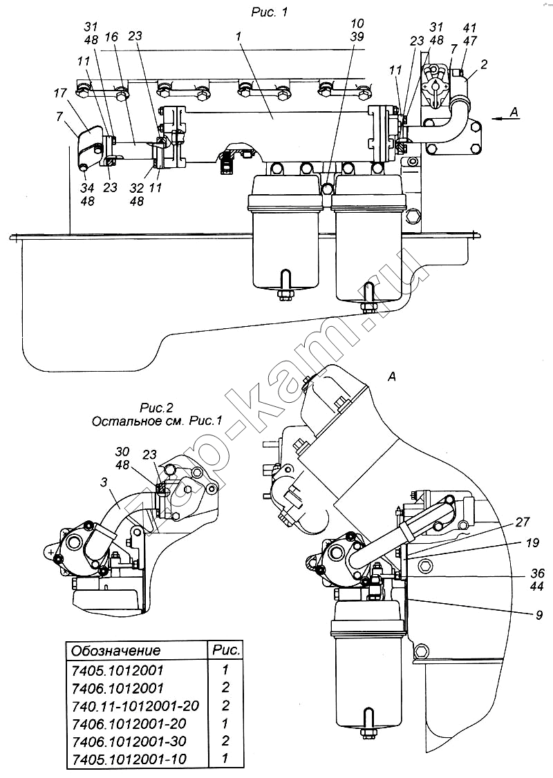
1
2
7
7
9
10
11
11
11
16
17
19
23
23
23
23
27
31
31
32
34
36
39
41
44
47
48
48
48
48
48
Поз.
Артикул
Название детали
Кол-во
1
740.20-1012006
Фильтр масляный с теплообменником в сборе
2
740.11-1013261
Штуцер подводящий
7
740.1002406-01
Прокладка заглушки
9
7406.1012100
Прокладка корпуса масляного фильтра
10
7406.1012105
Проставка болта
11
7406.1013247
Фланец
14
7405.1013261
Штуцер подводящий
16
7406.1013280
Труба переходная
17
7406.1013284
Угольник отвода воды
19
7405.1013285
Заглушка
20
740.11-1013290
Оболочка
21
7405.1013292
Рукав
23
740.1014494
Кольцо уплотнительное
27
740.1017024-10
Прокладка корпуса центробежного фильтра
31
1/60436/21
Болт М8-6gх25
32
1/60438/21
Болт М8-6gх30
34
1/60445/21
Болт М8-6gх65
36
1/59707/21
Болт М10х1,25-6gх25
39
1/55421/21
Болт М12х1,25х150
41
870353
Винт М8-6gх35
44
1/26014/73
Шайба 10 волнистая
47
1/11980/73
Шайба пружинная коническая 8х15
48
1/05166/73
Шайба 8 пружинная
Содержащиеся в справочниках-каталогах запасные части и детали не предлагаются к продаже, а носят исключительно информационный характер
Дополнительная информация
×
Название:
Номер:
Примечание:
Войти
Имя пользователя
Пароль
Забыли пароль?
Запомнить меня
Войти
Поиск товаров
Поиск товаров
Корзина покупок