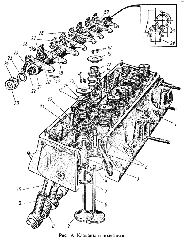
Клапаны и толкатели
/ КАЗ 608

1
2
3
4
5
6
7
8
9
10
11
12
13
14
15
16
17
18
19
20
20
21
22
23
24
25
26
27
28
29
Поз. | Артикул | Название детали | Кол-во | |
---|---|---|---|---|
130-1007032-БР1 | 130-1007032-БР1 | Втулка впускного клапана направляющая, увеличенная на 0,3 мм | ||
130-1007115 | 130-1007115 | Винт коромысел регулировочный с головкой в сборе | ||
130-1007105 | 130-1007105 | Стойка оси коромысла клапанов центрирующая с втулкой в сборе | 4 | |
130-1007080-Р1 | 130-1007080-Р1 | Седло выпускного клапана, увеличенное на 0,3 мм | ||
130-1007079-Р1 | 130-1007079-Р1 | Седло впускного клапана, увеличенное на 0,3 мм | ||
130-1007098 | 130-1007098 | Коромысло клапанов с осью и стойками в сборе | 2 | |
130-1007033-Р1 | 130-1007033-Р1 | Втулка выпускного клапана направляющая, увеличенная на 0,3 мм | ||
1 | 130-1003012-Б | Головка блока цилиндров с седлами и направляющими втулками клапанов в сборе | 2 | |
2 | 307775-П | Кольцо направляющей втулки пружинное | 16 | |
3 | 130-1007033 | Втулки выпускного клапана направляющая | 8 | |
4 | 130-1007079 | Седло впускного клапана | 8 | |
5 | 130-1007080 | Седло выпускного клапана | 8 | |
6 | 130-1007010-Б1 | Клапан впускной | 8 | |
7 | 130-1007015-Б1 | Клапан впускной в сборе | 8 | |
8 | 130-1006015 | Вал распределительный | 1 | |
9 | 130-1007055-А | Толкатель клапана | 16 | |
10 | 130-1007176-А2 | Штанга толкателя клапана | 16 | |
11 | 130-1007032-Б | Втулка впускного клапана направляющая | 8 | |
12 | 130-1007310 | Механизм вращения выпускного клапана в сборе | 8 | |
13 | 130-1007023 | Шайба пружины впускного клапана | 8 | |
14 | 130-1007020 | Пружина клапана | 16 | |
15 | 130-1007024-Б | Тарелка пружины клапана | 16 | |
16 | 130-1007028 | Сухарь клапана | 32 | |
17 | 130-1007014-Б2 | Манжета впускного клапана | 8 | |
18 | 130-1007127 | Пружина коромысел распорная | 6 | |
19 | 258027-П | Шплинт | 4 | |
20 | 130-1007110 | Коромысло клапанов с втулкой в сборе | 16 | |
20 | 130-1007110-А | Коромысло клапанов с втулкой в сборе | 16 | |
21 | 130-1007118 | Втулка коромысла | 16 | |
22 | 130-1007100 | Ось коромысла с заглушками в сборе | 2 | |
23 | 305608-П8 | Шайба оси коромысел | 8 | |
24 | 305765-П | Шайба оси коромысел пружинная специальная | 4 | |
25 | 130-1007117 | Винт коромысел регулировочный | 16 | |
26 | 130-1007073 | Гайка регулировочного винта | 10 | |
27 | 130-1007107 | Стойка оси коромысла клапанов | 6 | |
28 | 130-1007106 | Стойка оси коромысла клапанов маслоотводная | 2 | |
29 | 130-1007111 | Втулка стойки центрирующая | 4 |
Содержащиеся в справочниках-каталогах запасные части и детали не предлагаются к продаже, а носят исключительно информационный характер