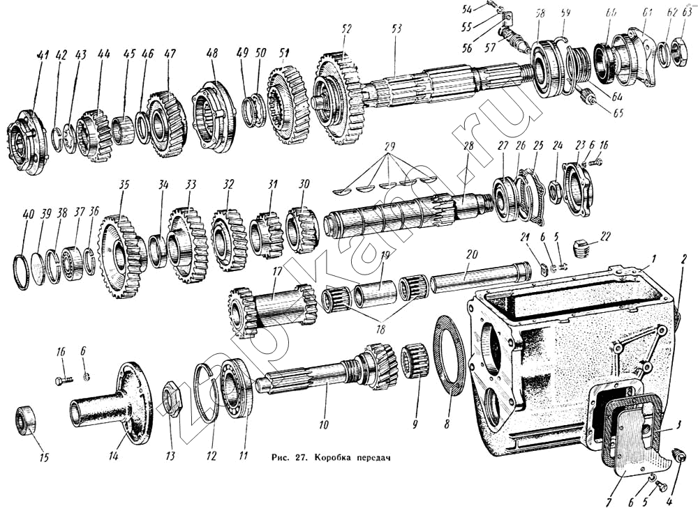
Коробка передач
/ КАЗ 608

1
2
3
4
5
5
6
6
6
6
7
8
9
10
11
12
13
14
15
16
16
17
18
19
20
21
22
23
24
25
26
27
28
29
30
31
32
33
34
35
36
37
38
39
40
41
42
43
44
45
46
47
48
49
50
51
52
53
55
56
57
58
59
60
61
62
63
64
65
Поз. | Артикул | Название детали | Кол-во | |
---|---|---|---|---|
130-1701105-Б | 130-1701105-Б | Вал коробки передач вторичный | 1 | |
130-1701101 | 130-1701101 | Вал вторичный с подшипником и стопорным кольцом комплект | ||
130-1701143 | 130-1701143 | Стопор втулки шестерни четвертой передачи | 1 | |
309771-П | 309771-П | Сальник в сборе | 1 | |
308229-П | 308229-П | Ролик переднего подшипника вторичного вала | 14 | |
121-4207088 | 121-4207088 | Пружина сальника | 1 | |
306621-П | 306621-П | Подшипник первичного вала передний | 1 | |
130-1701199 | 130-1701199 | Кольцо шестерен третьей и четвертой передач стопорное | 1 | |
309772-П | 309772-П | Манжета сальника в сборе | 1 | |
130-1701030-Б | 130-1701030-Б | Вал коробки передач первичный | 1 | |
309773-П | 309773-П | Каркас манжеты сальника | 1 | |
307750-П | 307750-П | Кольцо переднего подшипника вторичного вала замковое | 1 | |
1 | 130-1701015-Б | Картер коробки передач | 1 | |
2 | 130-1701146 | Прокладка крышки заднего подшипника | 1 | |
3 | 130-1701021 | Прокладка крышки люка | 2 | |
4 | 305040-П | Пробка сливного отверстия магнитная в сборе | 1 | |
5 | 201494-П8 | Болт крепления ящика | 12 | |
5 | 201494-П8 | Болт крепления ящика | 1 | |
6 | 252136-П2 | Шайба пружинная | 1 | |
6 | 252136-П2 | Шайба пружинная | 4 | |
6 | 252136-П2 | Шайба пружинная | 12 | |
6 | 2521316-П2 | Шайба пружинная | 4 | |
7 | 130-1701020 | Крышка люка картера коробки передач | 2 | |
8 | 130-1701042 | Прокладка крышки подшипника | 1 | |
9 | 306647-П | Подшипник вторичного вала передний в сборе | 1 | |
10 | 130-1701030 | Вал коробки передач первичный | 1 | |
11 | 306516-П | Подшипник первичного вала задний в сборе | 1 | |
12 | 307767-П | Кольцо подшипника первичного вала стопорное | 1 | |
13 | 130-1701037 | Гайка подшипника первичного вала | 1 | |
14 | 130-1701040-Б | Крышка подшипника первичного вала | 1 | |
15 | 110-1701225 | Подшипник первичного вала передний в сборе | 1 | |
16 | 201498-П8 | Болт крепления вентилятора к ступице шкива | 4 | |
16 | 201498-П8 | Болт крепления вентилятора к ступице шкива | 1 | |
17 | 130-1701082 | Блок шестерен заднего хода | 1 | |
18 | 120-1701180 | Подшипник блока шестерен заднего хода в сборе | 2 | |
19 | 130-1701086 | Втулка блока шестерен заднего хода дистанционная | 1 | |
20 | 130-1701092 | Ось блока шестерен заднего хода | 1 | |
21 | 150В-1701098 | Стопор оси блока шестерен заднего хода | 1 | |
22 | 305070-П | Пробка наливного отверстия | 1 | |
23 | 130-1701074 | Крышка заднего подшипника промежуточного вала | 1 | |
24 | 130-1701061 | Гайка заднего подшипника промежуточного вала упорная | 1 | |
25 | 130-1701075 | Прокладка крышки заднего подшипника промежуточного вала | 1 | |
26 | 307742-П | Кольцо заднего подшипника стопорное | 1 | |
27 | 306515-П | Подшипник промежуточного вала задний в сборе | 1 | |
28 | 130-1701048-Б | Вал коробки передач промежуточный | 1 | |
29 | 304918-П | Шпонка шестерни | 5 | |
30 | 130-1701049 | Шестерня второй передачи промежуточного вала | 1 | |
31 | 130-1701054 | Шестерня заднего хода промежуточного вала | 1 | |
32 | 130-1701051 | Шестерня третьей передачи промежуточного вала | 1 | |
33 | 130-1701185 | Шестерня четвертой передачи промежуточного вала | 1 | |
34 | 130-1701059 | Втулка промежуточного вала распорная | 1 | |
35 | 130-1701056 | Шестерня постоянного зацепления промежуточного вала | 1 | |
36 | 307751-П | Кольцо промежуточного вала стопорное | 1 | |
37 | 306517-П | Подшипник промежуточного вала передний в сборе | 1 | |
38 | 307752-П | Кольцо переднего подшипника стопорное | 1 | |
39 | 306026-П | Заглушка картера | 1 | |
40 | 130-1701024-Б | Кольцо картера у плотни тельное | 1 | |
41 | 130-1701151-А | Синхронизатор четвертой и пятой передач в сборе | 1 | |
42 | 307772-П | Кольцо шестерни четвертой передачи стопорное | 1 | |
43 | 130-1701187 | Шайба шестерни четвертой передачи опорная | 1 | |
44 | 130-1701181 | Шестерня четвертой передачи вторичного вала | 1 | |
45 | 130-1701182 | Втулка шестерни четвертой передачи вторичного вала со стопором в сборе | 1 | |
46 | 130-1701130 | Шайба шестерни третьей передачи опорная | 1 | |
47 | 130-1701131 | Шестерня третьей передачи вторичного вала | 1 | |
48 | 130-1701150-А | Синхронизатор второй и третьей передач в сборе | 1 | |
49 | 307771-П | Кольцо шестерни второй передачи стопорное | 1 | |
50 | 130-1701128 | Шестерня второй передачи вторичного вала | 1 | |
51 | 130-1701127 | Шестерня второй передачи вторичного вала | 1 | |
52 | 130-1701112 | Шестерня первой передачи вторичного вала | 1 | |
53 | 130-1701105 | Вал коробки передач вторичный | 1 | |
54 | 201456-П8 | Болт крепления сиденья | 1 | |
55 | 252135-П2 | Шайба пружинная | 1 | |
56 | 130-3802031 | Стопор штуцера | 1 | |
57 | 130-3802088 | Штуцер ведомой шестерни привода спидометра | 1 | |
58 | 306551-П | Подшипник вторичного вала задний в сборе | 1 | |
59 | 307767-П | Кольцо подшипника первичного вала стопорное | 1 | |
60 | 307605-П | Сальник вторичного вала в сборе | 1 | |
61 | 130-1701147 | Фланец вторичного вала с отражателем в сборе | 1 | |
62 | 305745-П | Шайба | 1 | |
63 | 130-1701259 | Гайка фланца вторичного вала | 1 | |
64 | 130М-3802034 | Червяк привода спидометра | 1 | |
65 | 130М-3802034 | Червяк привода спидометра | 1 |
Содержащиеся в справочниках-каталогах запасные части и детали не предлагаются к продаже, а носят исключительно информационный характер