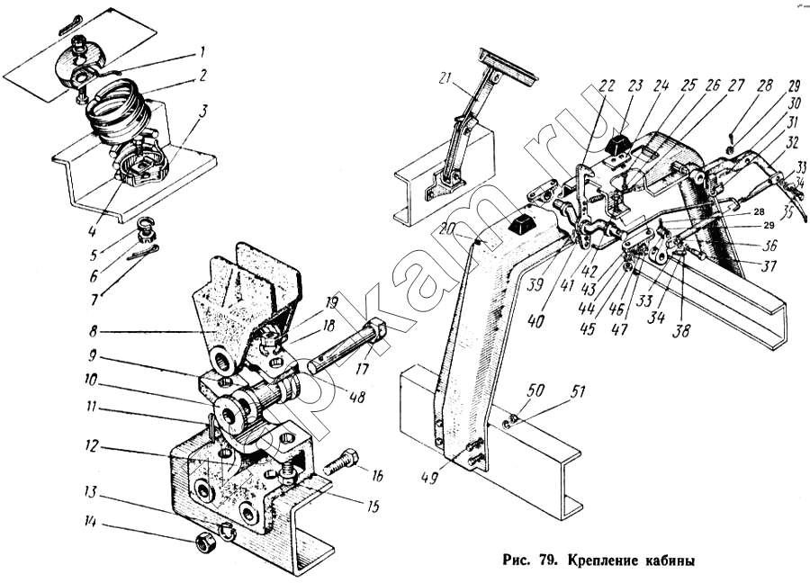
Крепление кабины
/ КАЗ 608

1
2
3
4
5
6
7
8
9
10
11
12
13
14
15
16
17
18
19
20
21
22
23
24
25
26
27
28
29
30
31
32
33
34
35
36
37
38
39
40
41
42
43
44
45
46
47
48
49
50
51
Поз. | Артикул | Название детали | Кол-во | |
---|---|---|---|---|
608-5001030-Б | 608-5001030-Б | Трос | 2 | |
608-5001105 | 608-5001105 | Палец крепления рычага | 1 | |
608-5001070-Б | 608-5001070-Б | Поперечина крепления кабины | 1 | |
608-5001066-В | 608-5001066-В | Поперечина крепления кабины с запорным механизмом в сборе | 1 | |
608-5001052 | 608-5001052 | Пружина защелки упора кабины | 1 | |
608-5001140 | 608-5001140 | Рычаг крюка дополнительного замка кабины | 1 | |
608-3508122 | 608-3508122 | Рычаг основного замка кабины короткий | 1 | |
608-5001046 | 608-5001046 | Рычаг упора кабины верхний | 1 | |
608-5001044 | 608-5001044 | Рычаг упора кабины верхний в сборе | 1 | |
608-5001042 | 608-5001042 | Рычаг упора кабины нижний | 1 | |
608-5001060 | 608-5001060 | Скоба верхнего крепления упора | 1 | |
120-1602078 | 120-1602078 | Скоба для пружины замка кабины | 2 | |
260094-П8 | 260094-П8 | Палец верхнего крепления упора | 1 | |
608-5001078-Б | 608-5001078-Б | Упор задней опори | 2 | |
252007-П8 | 252007-П8 | Шайба | 1 | |
252007-П8 | 252007-П8 | Шайба | 2 | |
252134-П2 | 252134-П2 | Шайба пружинная | 2 | |
252135-П2 | 252135-П2 | Шайба пружинная | 4 | |
252137-П2 | 252137-П2 | Шайба пружинная | 3 | |
258052-П | 258052-П | Шплинт | 1 | |
258052-П | 258052-П | Шплинт | 2 | |
258769-П8 | 258769-П8 | Штифт защелки | 1 | |
201420-П8 | 201420-П8 | Болт креплений ограничителя крюка | 2 | |
608-5001032-Б | 608-5001032-Б | Клемма троса | 2 | |
201541-П8 | 201541-П8 | Болт крепления нижнего кронштейна упора кабины | 3 | |
608-5001082-Б | 608-5001082-Б | Вал-эксцентрик основного замка | 1 | |
608-5001050 | 608-5001050 | Втулка верхнего рычага упора кабины | 1 | |
608-5001134 | 608-5001134 | Втулка крюка | 1 | |
250514-П8 | 250514-П8 | Гайка | 3 | |
250508-П8 | 250508-П8 | Гайка | 2 | |
608-6001076 | 608-6001076 | Гайка опори | 4 | |
608-5001142 | 608-5001142 | Держатель дополнительного замка | 1 | |
608-5001048 | 608-5001048 | Защелка упора кабины | 1 | |
608-5001136 | 608-5001136 | Палец дополнительного замка в сборе | 1 | |
608-5001012 | 608-5001012 | Кронштейн оси опрокидывания кабины правый нижний | 1 | |
608-5001054 | 608-5001054 | Кронштейн упора кабины нижний я сборе | 1 | |
608-5001116-Б | 608-5001116-Б | Крюк дополнительного замка | 1 | |
608-5001132 | 608-5001132 | Крюк дополнительного замка в сборе | 1 | |
608-5001084-Б | 608-5001084-Б | Крюк основного замка | 1 | |
608-5001086 | 608-5001086 | Ограничитель крюка основного замка | 1 | |
608-5001074 | 608-5001074 | Опора кабины задняя | 2 | |
608-5001107-Б | 608-5001107-Б | Ось крюка | 2 | |
260096-П8 | 260096-П8 | Палеи нижнего крепления упора | 1 | |
260094-П8 | 260094-П8 | Палец верхнего крепления упора | 1 | |
608-5001138-Б | 608-5001138-Б | Палец дополнительного замка | 1 | |
1 | 608-5001028-Б | Трос в сборе | 2 | |
2 | 608-5001036 | Пружина опрокидывания кабины | 2 | |
3 | 608-5001038 | Чашка креплении пружины | 4 | |
4 | 390003-П8 | Болт крепления чашки | 4 | |
5 | 252141-П2 | Шайба пружинная | 4 | |
6 | 250908-П8 | Гайка | 4 | |
7 | 258055-П | Шплинт | 4 | |
8 | 608-5001016 | Кронштейн оси опрокидывания кабины верхний | 2 | |
9 | 608-5001017 | Втулка оси опрокидывания кабины в сборе | 2 | |
10 | 252049-П8 | Шайба оси | 4 | |
11 | 258055-П | Шплинт | 2 | |
12 | 608-5001013 | Кронштейн оси опрокидывания кабины нижний левый | 1 | |
13 | 252137-П2 | Шайба пружинная | 8 | |
14 | 250514-П8 | Гайка | 8 | |
15 | 201541-П8 | Болт крепления нижнего кронштейна упора кабины | 4 | |
16 | 201541-П8 | Болт крепления нижнего кронштейна упора кабины | 8 | |
17 | 605-5001062-Г | Ось опрокидывания кабины а сборе | 2 | |
18 | 252137-П2 | Шайба пружинная | 4 | |
19 | 250514-П8 | Гайка | 4 | |
20 | 608-5001068-Б | Поперечина крепления кабины в сборе | 1 | |
21 | 608-5001040 | Упор кабины в сборе | 1 | |
22 | 608-5001080-Б | Замок кабины основной в сборе | 1 | |
23 | 608-5001072 | Опора кабины задняя в сборе | 2 | |
24 | 608-5001092 | Пластина регулировочная | 6 | |
25 | 252136-П2 | Шайба пружинная | 4 | |
26 | 201497-П8 | Болт крепления задней опоры | 4 | |
27 | 608-5001128-Б | Пружина крюков замка кабины | 2 | |
28 | 258025-П | Шплинт | 2 | |
29 | 250958-П8 | Гайка болта | 2 | |
30 | 258055-П | Шплинт | 2 | |
31 | 608-5001106 | Упор длинного рычага замка кабины | 1 | |
32 | 608-5001102-А | Рычаг основного замка кабины длинный | 1 | |
33 | 252007-П8 | Шайба | 2 | |
34 | 252137-П2 | Шайба пружинная | 2 | |
35 | 608-5001104 | Болт крепления штанги основного замка кабины | 1 | |
36 | 608-5001100-Б | Штанга основного замка кабины | 1 | |
37 | 608-5001103 | Болт крепления левого конца штанги | 1 | |
38 | 606А-1703046 | Клин крепления короткого рычага основного замка кабины | 1 | |
39 | 258038-П | Шплинт | 1 | |
40 | 252005-П8 | Шайба тяги | 1 | |
41 | 608-5001108 | Тяга основного замка кабины | 1 | |
42 | 201458-П8 | Болт крепления кронштейна основного замка | 4 | |
43 | 608-5001090 | Кронштейн крепления основного замка кабины | 2 | |
44 | 252135-П2 | Шайба пружинная | 4 | |
45 | 250510-П8 | Гайка | 4 | |
46 | 250512-П8 | Гайка клина | 1 | |
47 | 252136-П2 | Шайба пружинная | 1 | |
48 | 608-5001024 | Крышка нижнего кронштейна оси опрокидывания кабины | 2 | |
49 | 201541-П8 | Болт крепления нижнего кронштейна упора кабины | 8 | |
50 | 250514-П8 | Гайка | 8 | |
51 | 252137-П2 | Шайба пружинная | 8 |
Содержащиеся в справочниках-каталогах запасные части и детали не предлагаются к продаже, а носят исключительно информационный характер