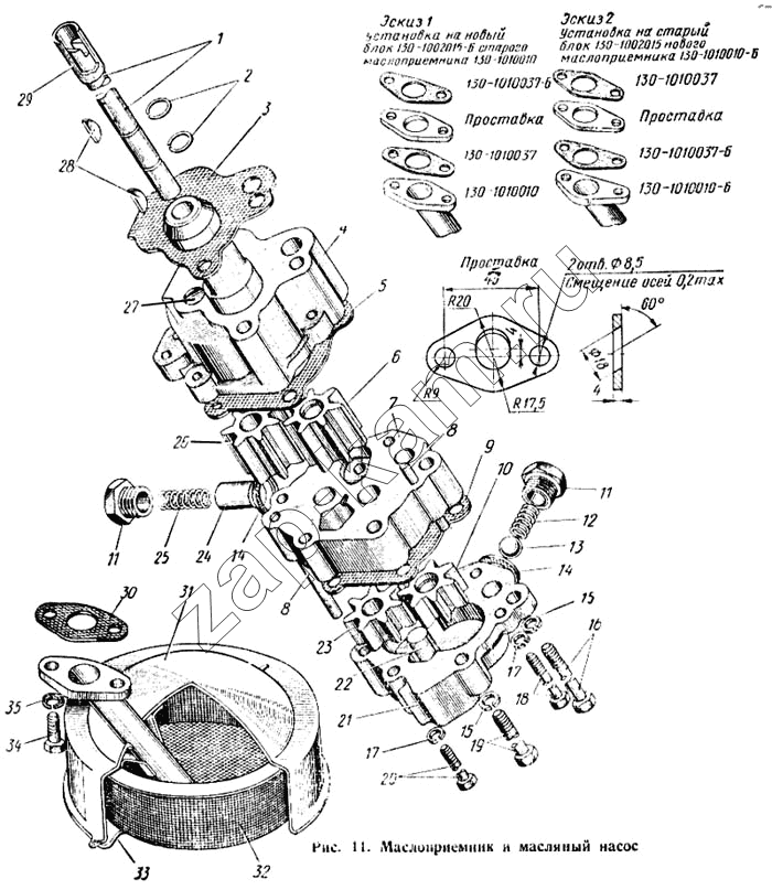
Маслоприемник и масляный насос
/ КАЗ 608

1
2
3
4
5
6
7
8
9
10
11
12
13
14
15
16
17
18
19
20
21
22
23
24
25
26
27
28
29
30
31
32
33
34
35
Поз. | Артикул | Название детали | Кол-во | |
---|---|---|---|---|
130-1011108 | 130-1011108 | Корпус нижней секции масляного насоса с осью и перепускным клапаном в сборе | 1 | |
130-1011016 | 130-1011016 | Корпус верхней секции масляного насоса с осью в сборе | 1 | |
130-1011009 | 130-1011009 | Масляный насос в сборе (с транспортными пробками) | ||
130-1011050-Б2 | 130-1011050-Б2 | Крышка масляного насоса с редукционным клапаном в сборе | 1 | |
130-1011010-Б | 130-1011010-Б | Масляный насос а сборе | 1 | |
1 | 130-1011042-6 | Вал масляного насоса | 1 | |
2 | 120-1011047 | Кольцо ведущих шестерен масляного насоса пружинное | 1 | |
3 | 130-1011061 | Прокладка масляного насоса | 1 | |
4 | 130-1011020-Б | Корпус верхней секции масляного насоса | 1 | |
5 | 130-1011065-Б | Прокладка крышки масляного насоса | 2 | |
6 | 130-1011045 | Шестерня верхней секции масляного насоса ведущая | 1 | |
7 | 130-1011052-В | Крышка масляного насоса | 1 | |
8 | 305443-П8 | Штифт | 2 | |
9 | 130-1011065-Б | Прокладка крышки масляного насоса | 2 | |
10 | 130-1011049 | Шестерня нижней секции масляного насоса ведущая | 1 | |
11 | 130-1011062 | Пробка редукционного и перепускного клапанов | 2 | |
12 | 124-1011058 | Пружина перепускного клапана | 1 | |
13 | 306200-П | Шарик перепускного клапана | 1 | |
14 | 307270-П | Прокладка пробок клапанов | 2 | |
15 | 252136-П2 | Шайба пружинная | 3 | |
16 | 200332-П8 | Болт крепления масляного насоса короткий | 1 | |
17 | 252135-П2 | Шайба пружинная | 3 | |
18 | 200277-П8 | Болт крепления крышки масляного насоса длинный | 1 | |
19 | 301057-П | Болт крепления масляного насоса длинный | 2 | |
20 | 200273-П8 | Болт крепления крышки масляного насоса короткий | 2 | |
21 | 130-1011110 | Корпус нижней секции масляного насоса | 1 | |
22 | 130-1011027 | Ось ведомой шестерни нижней секции масляного насоса | 1 | |
23 | 130-1011037-А | Шестерня нижней секции масляного насоса ведомая | 1 | |
24 | 150В-1011090 | Плунжер редукционного клапана | 1 | |
25 | 130-1011058-Б | Пружина редукционного клапана | 1 | |
26 | 130-1011032-А | Шестерня верхней секции масляного насоса ведомая | 1 | |
27 | 130-1011025 | Ось ведомой шестерни верхней секции масляного насоса | 1 | |
28 | 304905-П | Шпонка ведущих шестерен масляного насоса | 2 | |
29 | 111-1011043 | Втулка масляного насоса центрирующая | 1 | |
30 | 130-1010037-Б | Прокладка фланца трубки маслоприемника | 1 | |
31 | 130-1010024-Б | Колпак маслоприемника с трубкой в сборе | 1 | |
32 | 130-1010040-А2 | Сетка маслоприемника в сборе | 1 | |
33 | 130-1010075 | Замок сетки маслоприемника | 1 | |
34 | 201456-П8 | Болт крепления сиденья | 2 | |
35 | 252135-П2 | Шайба пружинная | 2 |
Содержащиеся в справочниках-каталогах запасные части и детали не предлагаются к продаже, а носят исключительно информационный характер