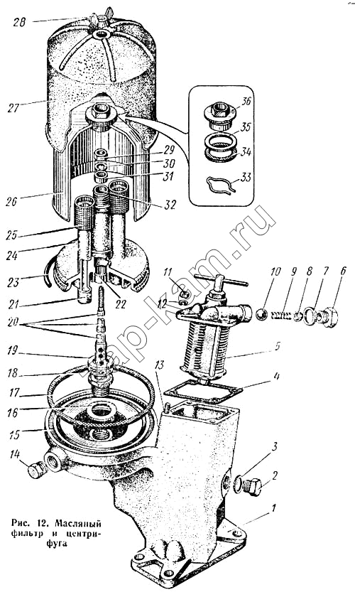
Масляный фильтр и центрифуга
/ КАЗ 608

1
2
3
4
5
6
7
8
9
10
11
12
13
14
15
16
17
18
19
20
21
22
23
24
25
26
27
28
29
30
31
32
33
34
35
36
Поз. | Артикул | Название детали | Кол-во | |
---|---|---|---|---|
1 | 130-1012016 | Корпус масляного фильтра в сборе | 1 | |
2 | 306507-П | Пробка корпуса масляного фильтра | 1 | |
3 | 307226-П | Прокладка пробки | 1 | |
4 | 111-1012069 | Прокладка крышки фильтрующего элемента | 1 | |
5 | 130-1012035 | Элемент масляного фильтра грубой очистки фильтрующий в сборе | 1 | |
6 | 111-1012041 | Штуцер перепускного клапана | 1 | |
7 | 307270-П | Прокладка пробок клапанов | 1 | |
8 | 111-1012043 | Стакан штуцера перепускного клапана | 1 | |
9 | 120-1012091-Б | Пружина перепускного клапана | 1 | |
10 | 306200-П | Шарик перепускного клапана | 1 | |
11 | 250512-П8 | Гайка клина | 4 | |
12 | 252156-П2 | Шайба пружинная | 4 | |
13 | 307171-П8 | Шпилька крепления фильтрующего элемента | 4 | |
14 | 262542-П8 | Пробка корпуса масляного фильтра | 1 | |
15 | 164-1012045 | Щиток корпуса отражательный | 1 | |
16 | 305770-П8 | Шайба оси центрифуги | 1 | |
17 | 164-1017327 | Прокладка кожуха центрифуги | 1 | |
18 | 164-1017357 | Подшипник центрифуги упорный | 1 | |
19 | 164-1017427 | Кольцо подшипника упорное | 1 | |
20 | 164-1017337 | Ось центрифуги | 1 | |
21 | 164-1017353 | Жиклер центрифуги | 2 | |
22 | 120-1011034-Б | Втулка центрифуги нижняя | 1 | |
23 | 164-1017349 | Кольцо крышки уплотнительное | 1 | |
24 | 164-1017336 | Корпус центрифуги с втулками в сборе | 1 | |
25 | 164-1017362 | Фильтр центрифуги в сборе | 2 | |
26 | 164-1017335 | Крышка корпуса центрифуги | 1 | |
27 | 130-1017322 | Кожух центрифуги в сборе | 1 | |
28 | 251513-П8 | Гайка-барашек | 1 | |
29 | 250510-П8 | Гайка | 1 | |
30 | 252135-П2 | Шайба пружинная | 1 | |
31 | 164-1017343 | Шайба оси упорная | 1 | |
32 | 164-1017415 | Втулка центрифуги верхняя | 1 | |
33 | 307743-П | Кольцо стопорное | 1 | |
34 | 164-1017351 | Прокладка гайки | 1 | |
35 | 164-1017355 | Шайба гайки | 1 | |
36 | 164-1017398 | Гайка центрифуги | 1 |
Содержащиеся в справочниках-каталогах запасные части и детали не предлагаются к продаже, а носят исключительно информационный характер