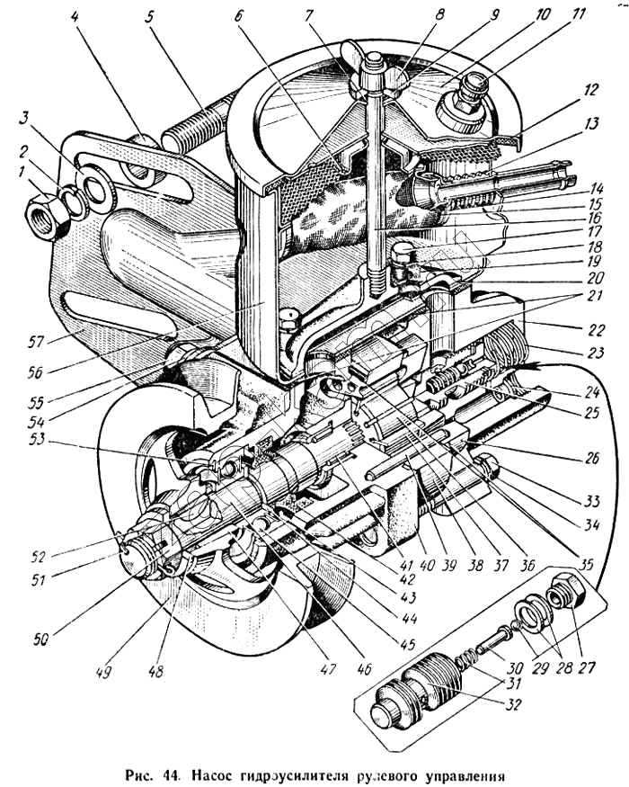
Насос гидроусилителя рулевого управления
/ КАЗ 608

1
2
3
4
5
6
7
8
9
10
11
12
13
14
15
16
17
18
19
20
21
22
23
24
25
26
27
28
28
29
30
31
32
33
34
35
36
37
38
39
40
41
42
43
44
45
46
47
48
49
50
51
52
53
54
55
56
57
Поз. | Артикул | Название детали | Кол-во | |
---|---|---|---|---|
130-3407194 | 130-3407194 | Насос гидроусилителя руля в сборе и инструкция (комплект) | ||
200327-П8 | 200327-П8 | Болт крепления крышки насоса верхний | 2 | |
130-3407244 | 130-3407244 | Ротор, статор и лопасти насоса гидроусилителя руля (комплект) | ||
1 | 250515-П8 | Гайка | 3 | |
2 | 252137-П2 | Шайба пружинная | 3 | |
3 | 252007-П8 | Шайба | 3 | |
4 | 305830-П8 | Шайба | 3 | |
5 | 307175-П8 | Шпилька крепления кронштейна | 2 | |
6 | 130-3407328 | Фильтр насоса заливной в сборе | 1 | |
7 | 3013342-П | Кольцо шпильки уплотнительное | 1 | |
8 | 251513-П8 | Гайка-барашек | 1 | |
9 | 305603-П8 | Шайба шпильки | 1 | |
10 | 130-3407400 | Крышка бачка насоса в сборе | 1 | |
11 | 308387-П | Клапан предохранительный в сборе | 1 | |
12 | 130-3407413 | Прокладка крышки Сачка уплотнительная | 1 | |
13 | 130-3407363 | Пружина клапана фильтра | 1 | |
14 | 130-3407362 | Чашка клапана фильтра | 1 | |
15 | 130-3407338 | Фильтр насоса с фильтрующей тканью в сборе | 1 | |
16 | 307183-П8 | Шпилька крепления крышки бачке | 1 | |
17 | 201423-П8 | Болт крепления бачка и коллектора насоса | 4 | |
18 | 252004-П | Шайба | 4 | |
19 | 130-3407435-А | Коллектор насоса гидроусилителя руля | 1 | |
20 | 130-3407439-А | Прокладка коллектора | 1 | |
21 | 130-3407437 | Прокладка болтов креплении бачка уплотнительная | 2 | |
22 | 130-3407213 | Крышка насоса | 1 | |
23 | 130-3407281 | Пружина перепускного клапана | 1 | |
24 | 300102-П | Седло уплотнительное | 1 | |
25 | 130-3407270-А | Золотник насоса перепускной с предохранительным клапаном в сборе | 1 | |
26 | 130-3407255 | Диск насоса распределительный | 1 | |
27 | 130-3407277 | Седло предохранительного клапана насоса | 1 | |
28 | 305851-П | Шайба регулировочная | ||
28 | 305644-П | Шайба регулировочная | ||
29 | 306231-П | Шарик предохранительного клапана | 1 | |
30 | 130-3407275 | Направляющая пружины | 1 | |
31 | 130-3407272 | Пружина предохранительного клапана | ||
32 | 130-3407271-А | Золотник насоса перепускной | 1 | |
33 | 200323-П8 | Болт крепления крышки насоса нижний | 2 | |
34 | 252136-П2 | Шайба пружинная | 4 | |
35 | 130-3407252 | Кольцо корпуса и крышки насоси уплотнительное | 2 | |
36 | 130-3407248 | Ротор насоса | 1 | |
37 | 130-3407251 | Лопасть насоса | 1 | |
38 | 130-3407253-А2 | Статор насоса | 1 | |
39 | 305455-П | Штифт корпуса установочный | 2 | |
40 | 130-3407211 | Корпус насоса | 1 | |
41 | 306514-П | Подшипник корпуса насоса в сборе | 1 | |
42 | 120-3509070-А2 | Сальник насоса в сборе | 1 | |
43 | 130-3407059-А | Проставка насоса | 1 | |
44 | 305811-П | Шайба | 1 | |
45 | 306610-П | Подшипник насоса в сборе | 1 | |
46 | 130-3407217 | Валик насоса | 1 | |
47 | 130-3407247 | Втулка шкива | 1 | |
48 | 252017-П8 | Шайба | 1 | |
49 | 130-3407240-А2 | Шкив насоса | 1 | |
50 | 250979-П8 | Гайка валика насоса | 1 | |
51 | 258054-П8 | Шплинт крышки картера | 1 | |
52 | 418251-П | Шпонка шкива | 1 | |
53 | 307702-П2 | Кольцо подшипника насоса стопорное | 1 | |
54 | 252137-П2 | Шайба пружинная | 2 | |
55 | 201540-П8 | Болт крепления кронштейна глушителя | 2 | |
56 | 130-3407300 | Бачок насоса гидроусилителя руля в сборе | 1 | |
57 | 130-3407203 | Кронштейн крепления насоса к головке блока цилиндров двигателя | 1 |
Содержащиеся в справочниках-каталогах запасные части и детали не предлагаются к продаже, а носят исключительно информационный характер