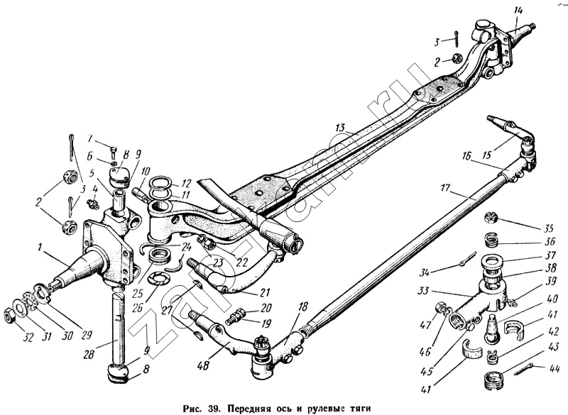
Передняя ось и рулевые тяги
/ КАЗ 608

1
2
3
4
5
6
7
8
9
10
11
12
13
14
15
16
17
18
19
20
21
22
23
24
25
26
27
28
29
30
31
32
33
34
35
36
37
38
39
40
41
42
43
44
45
46
47
48
Поз. | Артикул | Название детали | Кол-во | |
---|---|---|---|---|
608-3003052 | 608-3003052 | Тяга рулевая поперечная в сборе | 1 | |
120-3003061 | 120-3003061 | Головка поперечной руленой тяги левая со шпонкой в сборе | 1 | |
1 | 130-3001011-В | Кулак поворотный левый с втулками и гайкой в сборе | 1 | |
2 | 303332-П8 | Гайка рычага поворотного кулака | 3 | |
3 | 258072-П | Шплинт шпильки | 3 | |
4 | 304814-П | Масленка в сборе | 4 | |
5 | 120-3001016 | Втулка поворотного кулака | 4 | |
6 | 252135-П2 | Шайба пружинная | 8 | |
7 | 201453-П8 | Болт крепленая масляного радиатора | 8 | |
8 | 120-3001054 | Крышка поворотного кулака | 4 | |
9 | 120-3001055 | Прокладка крышки поворотного кулака | 4 | |
10 | 120-3001025 | Клин шкворня поворотных кулаков | 2 | |
11 | 120-3001022 | Шайба кулака передней оси регулировочная | ||
12 | 120-3001023 | Шайба кулака передней оси | 2 | |
13 | 608-3001010 | Передняя ось | 1 | |
14 | 130-3001009-В | Кулак поворотный правый с втулками и гайкой в сборе | 1 | |
15 | 130-3001030-В | Рычаг поворотного кулака правый | 1 | |
16 | 120-3003056 | Головка поперечной рулевой тяги правая в сборе | 1 | |
17 | 130-3003054 | Тяга рулевая поперечная | 1 | |
18 | 120-3003057 | Головка поперечной рулевой тяги левая в сборе | 1 | |
19 | 250515-П8 | Гайка | 2 | |
20 | 301318-П8 | Упор поворотного кулака | 2 | |
21 | 608-3001035-В | Рычаг поворотного кулака левый верхний | 1 | |
22 | 250514-П8 | Гайка | 2 | |
23 | 252137-П2 | Шайба пружинная | 2 | |
24 | 120-3001029 | Полукольцо сальника опорного подшипника | 4 | |
25 | 120-3001027 | Кольцо опорного подшипника поворотного кулака | 2 | |
26 | 120-3001028 | Шайба опорного подшипника | 2 | |
27 | 482702-П | Шпонка поворотного кулака сегментная | 3 | |
28 | 120-3001019-А | Шкворень поворотных кулаков | 2 | |
29 | 130-3001060-Б | Гайка-шайба цапфы поворотного кулака со штифтом в сборе | 2 | |
30 | 130-3001063 | Кольцо гайки-цапфы поворотного кулака замковое | 2 | |
31 | 130-3001064 | Шайба контргайки цапфы замковая | 2 | |
32 | 303257-П8 | Контргайка цапфы | 2 | |
33 | 120-3003060 | Головка поперечной рулевой тяги правая со шпонкой в сборе | 1 | |
34 | 258056-П8 | Шплинт | 2 | |
35 | 251015-П8 | Гайка тяги | 2 | |
36 | 120-3003076 | Пружина сальника головки поперечной тяги | 1 | |
37 | 120-3003073 | Крышка сальника поперечной тяги | 2 | |
38 | 120-3003074 | Накладка наконечника поперечной рулевой тяги защитная | 2 | |
39 | 304814-П | Масленка в сборе | 2 | |
40 | 120-3003032 | Палец шаровой | 2 | |
41 | 120-3003066 | Вкладыш головки поперечной рулевой тяги | 4 | |
42 | 120-3003069 | Пружина головки поперечной тяги | 2 | |
43 | 120-3003070 | Пробка головки поперечной тяги | 2 | |
44 | 258075-П8 | Шплинт | 2 | |
45 | 200816-П8 | Болт головки | 4 | |
46 | 252138-П2 | Шайба пружинная | 4 | |
47 | 250558-П8 | Гайка | 4 | |
48 | 130-3001031-Б | Рычаг поворотного кулака левый | 1 |
Содержащиеся в справочниках-каталогах запасные части и детали не предлагаются к продаже, а носят исключительно информационный характер