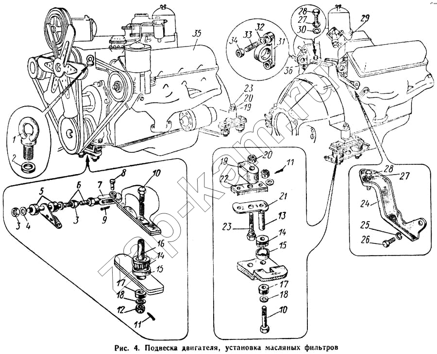
Подвеска двигателя, установка масляных фильтров
/ КАЗ 608

1
2
3
3
4
5
6
7
8
9
10
10
11
12
13
14
15
16
17
18
19
20
21
22
23
24
25
26
27
28
29
30
31
32
33
34
35
36
Поз. | Артикул | Название детали | Кол-во | |
---|---|---|---|---|
301463-П8 | 301463-П8 | Болт крепления кронштейна к крышке распределительных шестерен | 2 | |
130-1002006-Б | 130-1002006-Б | Блок цилиндров с крышками подшипников коленчатого вала, втулками распределительного вала, картером сцепления и его креплением, установочными штифтами, пробками и заглушками и сборе (без гильз) | 1 | |
258041-П | 258041-П | Шплинт | 2 | |
305790-П8 | 305790-П8 | Шайба | 6 | |
608-1001060-Б | 608-1001060-Б | Тяга соединения двигателя с рамой в сборе | 1 | |
608-1001095 | 608-1001095 | Пластина накладки полушек передней опоры двигателя | 1 | |
608-1001018 | 608-1001018 | Накладка подушек передней подвески двигателя | 1 | |
130-1001015-Б | 130-1001015-Б | Кронштейн передней опоры двигателя | 1 | |
250869-П8 | 250869-П8 | Гайка | 2 | |
305100-П | 305100-П | Втулка | 1 | |
608-1001016 | 608-1001016 | Накладка подушек передней подвески двигателя в сборе | 1 | |
1 | 127-2402174 | Винт подъема двигателя грузовой | 1 | |
2 | 305561-П | Шайба грузового винта | ||
3 | 250513-П8 | Гайка | 1 | |
3 | 250513-П8 | Гайка | 2 | |
4 | 110-1302038 | Чашка подушки тяги | 2 | |
5 | 120-1001106 | Подушка тяги соединения двигателя с рамой | 2 | |
6 | 608-1001061-Б | Тяга соединения двигателя с рамой | 1 | |
7 | 509503-П8 | Вилка тяги соединения двигателя с рамой | 1 | |
8 | 260058-П8 | Палец | 1 | |
9 | 258025-П | Шплинт | 1 | |
10 | 301144-П8 | Болт крепления накладки подушек задней опоры двигателя | 4 | |
10 | 301144-П8 | Болт крепления накладки подушек задней опоры двигателя | 2 | |
11 | 258041-П | Шплинт | 6 | |
12 | 250869-П8 | Гайка | 6 | |
13 | 608-1001056 | Втулка подушек задней опоры двигателя распорная | 4 | |
14 | 130-1001045 | Подушка передней и задней опор двигателя верхний | 6 | |
15 | 130-1001033 | Гнездо верхней подушки | 6 | |
16 | 608-1001047 | Втулка подушек передней опоры двигателя распорная | 2 | |
17 | 130-1001051 | Подушка передней и задней опор двигателя нижняя | 6 | |
18 | 305729-П8 | Шайба подушек | 6 | |
19 | 258057-П | Шплинт | 2 | |
20 | 250907-П8 | Гайка | 2 | |
21 | 608-1001093 | Пластина накладки подушек задней опоры двигателя | 2 | |
22 | 608-1001054 | Накладка подушек заднем опоры двигателя | 2 | |
23 | 301183-П8 | Болт крепления задней опоры двигателя | 2 | |
24 | 130-1012237 | Щиток масляного фильтра грубой очистки | 1 | |
25 | 252157-П2 | Шайба пружинная | 1 | |
26 | 201538-П | Болт крепления щитка | 1 | |
27 | 252136-П2 | Шайба пружинная | 3 | |
28 | 201501-П8 | Болт кропления корпуса масляного фильтра | 3 | |
29 | 130-1012009 | Фильтр грубой очистки с центрифугой в сборе | 1 | |
30 | 252006-П8 | Шайба | 2 | |
31 | 130-1001140 | Ушко подъема двигателя заднее | 2 | |
32 | 252137-П2 | Шайба пружинная | 4 | |
33 | 414103-П8 | Шпилька крепления ушка | 4 | |
34 | 250515-П8 | Гайка | 4 | |
35 | 130Я5-1000120 | Двигатель в сборе | 1 | |
36 | 130-1012100 | Прокалка корпуса масляного фильтра | 1 |
Содержащиеся в справочниках-каталогах запасные части и детали не предлагаются к продаже, а носят исключительно информационный характер