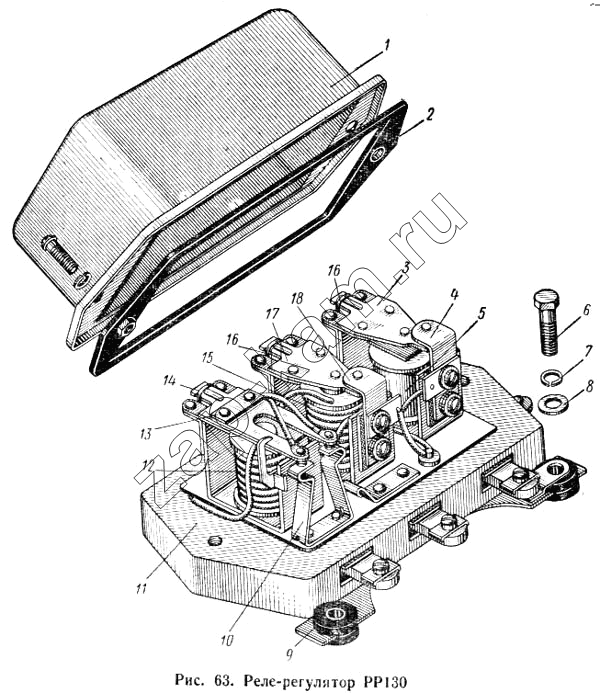
Реле-регулятор РР130
/ КАЗ 608

1
2
3
4
5
6
7
8
9
10
11
12
13
14
15
16
17
18
Поз. | Артикул | Название детали | Кол-во | |
---|---|---|---|---|
РР24-3702547 | РР24-3702547 | Сопротивление 13 Ом в сборе | 1 | |
РР24-3702541 | РР24-3702541 | Сопротивление 30 Ом в сборе | 1 | |
РР24-3702542 | РР24-3702542 | Сопротивление 80 Ом в сборе | 1 | |
608-3702100-Б | 608-3702100-Б | Кронштейн реле-регулятора и реле-стартера в сборе | 1 | |
1 | РР130-3702003 | Крышка реле-регулятора | 1 | |
2 | РР24-3702008-Б | Прокладка крышки уплотнительная | 1 | |
3 | РР107-3702420 | Якорь регулятора напряжения в сборе | 1 | |
4 | РР24-3702440 | Держатель регулятора напряжения с контактом и сборе - | 1 | |
5 | РР101-3702400-Б1М | Регулятор напряжения (ярмо с обмотками в сборе) | 1 | |
6 | 201422-П8 | Болт крепления рамки | 3 | |
7 | 252134-П2 | Шайба пружинная | 3 | |
8 | 252004-П2 | Шайба | 3 | |
9 | РР24-3702006-Б | Втулка амортизационная | 3 | |
10 | РР101-3702217 | Держатель с контактами в сборе | 1 | |
11 | РР101-3702100 | Основание реле-регулятора в сборе | 1 | |
12 | РР101-3702200-М | Ярмо с обмотками реле обратного тока в сборе | 1 | |
13 | РР101-3702205 | Якорь реле обратного тока в сборе | 1 | |
14 | РР24-2702418 | Пружина | 1 | |
15 | РР101-3702300-М | Ярмо с обмотками ограничителя тока в сборе | 1 | |
16 | РР45-3702418 | Пружина | 2 | |
17 | РР101-3702305 | Якорь ограничителя тока в сборе | 1 | |
18 | РР24-3702320 | Держатель ограничителя тока с контактом в сборе | 1 |
Содержащиеся в справочниках-каталогах запасные части и детали не предлагаются к продаже, а носят исключительно информационный характер