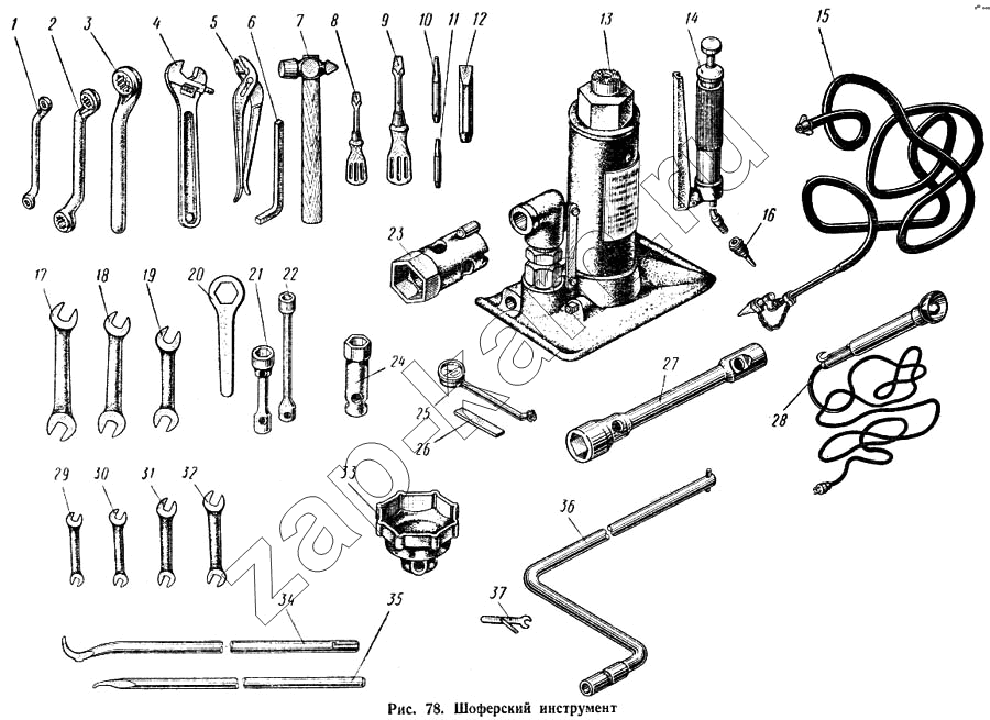
Шоферский инструмент
/ КАЗ 608

1
2
3
4
5
6
7
8
9
10
11
12
13
14
15
16
17
18
19
20
21
22
23
24
25
26
27
28
29
30
31
32
33
34
35
36
37
Поз. | Артикул | Название детали | Кол-во | |
---|---|---|---|---|
608-3901828 | 608-3901828 | Храповик удлинителя заводной рукоятки | 1 | |
130-3901230 | 130-3901230 | Автовулканизатор камер в сборе | 1 | |
258054-П8 | 258054-П8 | Шплинт крышки картера | 1 | |
51-3901472-А | 51-3901472-А | Шланг для прокачивания сцепления в сборе | 1 | |
608-3901826 | 608-3901826 | Шайба храповика рукоятки замковая | 1 | |
252020-П8 | 252020-П8 | Шайба удлинителя | 1 | |
252136-П2 | 252136-П2 | Шайба пружинная | 3 | |
252135-П8 | 252135-П8 | Шайба пружинная | 4 | |
608-3914100 | 608-3914100 | Чехол облицовки передка утеплительный в сборе | 1 | |
608-3914200-В | 608-3914200-В | Чехол двигателя утеплительный в сборе | 1 | |
608-3901810-Б | 608-3901810-Б | Удлинитель заводной рукоятки со штифтом в сборе | 1 | |
608-3901800-Б | 608-3901800-Б | Удлинитель заводной рукоятки в сборе | 1 | |
308495-П | 308495-П | Сумка инструментальная в сборе | 1 | |
250510-П8 | 250510-П8 | Гайка | 4 | |
201456-П8 | 201456-П8 | Болт крепления сиденья | 4 | |
201497-П8 | 201497-П8 | Болт крепления задней опоры | 3 | |
250512-П8 | 250512-П8 | Гайка клина | 3 | |
608-3901824 | 608-3901824 | Пружина удлинителя заводной рукоятки | 1 | |
608-5000021 | 608-5000021 | Кабина обитая и окрашенная с сиденьями и электрооборудованием без отопителя в сборе | 1 | |
608-5000018 | 608-5000018 | Кабина в сборе | 1 | |
608-3901814 | 608-3901814 | Кольцо удлинителя заводной рукоятки уплотнительное | 1 | |
608-3901818 | 608-3901818 | Кронштейн передний удлинителя заводной рукоятки | 1 | |
608-3901832-Б | 608-3901832-Б | Кронштейн удлинителя заводной рукоятки задний | 1 | |
308025-П | 308025-П | Лампа накаливания типа А12 - 6 плафона в сборе | 1 | |
608-3901830-Б | 608-3901830-Б | Основание заднего кронштейна удлинителя заводной рукоятки в сборе | 1 | |
1 | А307330-П4 | Ключ гаек головки блока цилиндров и крепления стартера накидной 14-17 | 1 | |
2 | 130-3916193 | Ключ крепления фланца карданного вала и гаек полуоси накидной 19-22 | 1 | |
3 | А307397-П4 | Ключ гаек стремянок рессор накидной 32 | 1 | |
4 | А307384-П | Ключ гаек разводной 1,36 в сборе | 1 | |
5 | А307380-П | Плоскогубцы с кривым захватом в сборе | 1 | |
6 | 307335-П4 | Ключ спускной пробки картера заднего моста | 1 | |
7 | 308401-П | Молоток А3 в сборе | 1 | |
8 | А308466-Э | Отвертка 175Х0,7 | 1 | |
9 | А308464-Э | Отвертка 300Х1 | 1 | |
10 | 308414-П2 | Бородок слесарный 4 | 1 | |
11 | 308454-П2 | Бородок слесарный 2 | 1 | |
12 | 308415-П2 | Зубило слесарное | 1 | |
13 | 205-3901502-Б | Домкрат гидравлический в сборе | ||
14 | 164-3911010 | Шприц рычажно-плунжерный для смазки в сборе | ||
15 | 130-3917044-Б | Шланг для накачивания шин с соплом для продувания топливопроводов в сборе | 1 | |
16 | 485-3901340 | Насадок к шприцу для смазки игольчатых подшипников кардана в сборе | ||
17 | А289512-П4 | Ключ гаечный двусторонний 22-24 | 1 | |
18 | А289511-П4 | Ключ гаечный двусторонний 19-22 | 1 | |
19 | А289509-П4 | Ключ гаечный двусторонний 17-19 | 1 | |
20 | 307328-П4 | Ключ гайки сошки руля накидной 41 | 1 | |
21 | А307324-П4 | Ключ гаек головки блока цилиндров и крышки головки блока 14-17 | 1 | |
22 | А307398-П4 | Ключ торцовый 12 | 1 | |
23 | 130-3924038 | Ключ гаек поворотного кулака торцовый в сборе 50 | 1 | |
24 | 308478-П8 | Ключ торцовый свечной 22 | 1 | |
25 | 130-3901259 | Указатель типа МД227 давления воздуха в шинах в сборе | ||
26 | 308400-П | Пластина для зачистки контактов прерывателя | 1 | |
27 | А308437-П4 | Ключ торцовый для колес 22-38 | 1 | |
28 | 120-8715010-Б | Лампа типа ПЛТМ-36 переносная в сборе | 1 | |
29 | А289502-П4 | Ключ гаечный двусторонний 9-11 | 1 | |
30 | А289503-П4 | Ключ гаечный двусторонний 10-12 | 1 | |
31 | А289505-П4 | Ключ гаечный двусторонний 12-14 | 1 | |
32 | А269508-П4 | Ключ гаечный двусторонний 14-17 | 1 | |
33 | 130-3901105 | Ключ гаек подшипников ступиц заднего колеся торцовый 104 | 1 | |
34 | 130-3901219 | Лопатка -вороток комбинированная | 1 | |
35 | 130-3901223 | Вороток к ключу для колес | 1 | |
36 | 164-3901021 | Рукоятка заводная в сборе | 1 | |
37 | Р22-3706034 | Ключ распределителя в сборе |
Содержащиеся в справочниках-каталогах запасные части и детали не предлагаются к продаже, а носят исключительно информационный характер