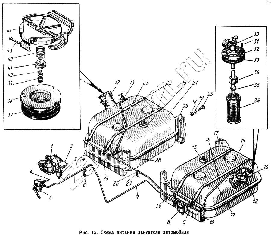
Система питания двигателя автомобиля
/ КАЗ 608

1
2
3
4
5
6
7
8
9
10
11
12
13
14
15
16
17
18
19
20
20
21
22
23
24
25
25
26
27
28
30
31
32
33
34
35
36
37
38
39
40
41
42
43
44
Поз. | Артикул | Название детали | Кол-во | |
---|---|---|---|---|
252003-П8 | 252003-П8 | Шайба | 1 | |
130Д-1101206-Б | 130Д-1101206-Б | Балка крепления дополнительного топливного бака в сборе | 2 | |
252133-П2 | 252133-П2 | Шайба пружинная | 1 | |
252135-П2 | 252135-П2 | Шайба пружинная | 2 | |
252135-П2 | 252135-П2 | Шайба пружинная | 1 | |
252007-П8 | 252007-П8 | Шайба | 4 | |
252007-П8 | 252007-П8 | Шайба | 2 | |
164А-1101090-А | 164А-1101090-А | Труба дополнительного топливного бака выдвижная в сборе | 1 | |
164А-1101090-А | 164А-1101090-А | Труба дополнительного топливного бака выдвижная в сборе | 1 | |
262542-П8 | 262542-П8 | Пробка корпуса масляного фильтра | 1 | |
130-1101406 | 130-1101406 | Опора топливного бака с прокладкой в сборе | 1 | |
130Д-1101206-Б | 130Д-1101206-Б | Балка крепления дополнительного топливного бака в сборе | 2 | |
201544-П8 | 201544-П8 | Болт крепления балки | 4 | |
201456-П8 | 201456-П8 | Болт крепления сиденья | 2 | |
220077-П8 | 220077-П8 | Винт крепления ручки | 1 | |
262542-П | 262542-П | Пробка дополнительного топливного бака сливная | 1 | |
250510-П8 | 250510-П8 | Гайка | 1 | |
130-1101406 | 130-1101406 | Опора топливного бака с прокладкой в сборе | 1 | |
250763-П8 | 250763-П8 | Гайка | 1 | |
1 | 130-1107010-Б | Карбюратор МКЗ-К88А в сборе (со штуцером) | 1 | |
2 | 130-1104054-Г | Трубка от фильтра тонкой очистки к карбюратору а сборе | 1 | |
3 | 130-1117010-Б2 | Фильтр тонкой очистки топлива сетчатый в сборе | 1 | |
4 | 130-1104050-Г | Трубка от топливного насоса к фильтру тонкой очистки в сборе | 1 | |
5 | 130Т-1106011-Б | Топливный насос Б10 со штуцером в сборе | 1 | |
6 | 308369-П8 | Скоба крепления трубки | 1 | |
7 | 608-1104138 | Трубка от фильтра-отстойника к топливному насосу в сборе | 1 | |
8 | 150В-1105010 | Фильтр-отстойник топлива в сборе | 1 | |
9 | 250512-П8 | Гайка клина | 8 | |
10 | 608Б-1101102 | Кронштейн крепления топливного бака передний в сборе | 1 | |
11 | 608Б-1104020 | Трубка от топливного бака к фильтру-отстойнику в сборе | 1 | |
12 | 130-1103010-Б | Пробка топливного бака в сборе | 2 | |
13 | 130-1104710-В | Трубка приемная с фильтром в сборе | 2 | |
14 | 130Д-1101010-Б | Бак топливный в сборе | 1 | |
15 | 130-3806040 | Датчик типа БМ19-А указателя уровня топлива в сборе | 2 | |
16 | 130Д-1101110-Б | Хомут крепления топливного бака с наконечниками в сборе | 2 | |
17 | 608Б-1101108 | Кронштейн крепления топливного бака задний в сборе | 1 | |
18 | 250514-П8 | Гайка | 10 | |
19 | 252137-П2 | Шайба пружинная | 10 | |
20 | 201542-П | Болт крепления кронштейнов | 6 | |
20 | 201542-П8 | Болт крепления кронштейнов | 6 | |
21 | 130В-1102010-В | Бак топливный дополнительный в сборе | 1 | |
22 | 130Д-1100010-Б | Хомут крепления дополнительного топливного бака в сборе | 2 | |
23 | 608Б-1104332 | Трубка от дополнительного топливного бака к фильтру-отстойнику в сборе | 1 | |
24 | 252006-П8 | Шайба | 4 | |
25 | 250512-П8 | Гайка клина | 8 | |
25 | 608Б-1102109 | Кронштейн крепления дополнительного топливного бака задний и сборе | 1 | |
26 | 306722-П8 | Скоба крепления трубки | 1 | |
27 | 201459-П8 | Болт крепления кронштейна зеркала | 1 | |
28 | 608Б-1102103 | Кронштейн крепления дополнительного топливного бака передний в сборе | 1 | |
30 | 130-1104012-Е | Трубка приемная с краном в сборе | 2 | |
31 | 220076-П8 | Винт крепления приемной трубки | 10 | |
32 | 130-1104741-А | Фланец крепления фильтра приемной трубки | 2 | |
33 | 120-3806048-Б | Прокладка приемной трубки | 2 | |
34 | 421139-П8 | Гайка трубки накидная | 2 | |
35 | 300299-П | Муфта конусная | 2 | |
36 | 130-1104712-В | Фильтр приемной трубки в сборе | 2 | |
37 | 130-1103075-Б | Прокладка пробки топливного бака | 2 | |
38 | 130-1103015-Б | Корпус пробки топливного бака в сборе | 2 | |
39 | 120-1103060 | Пружина впускного клапана | 2 | |
40 | 130-1103050 | Клапан пробки топливного баки впускной | 2 | |
41 | 130-1103040-А | Клапан пробки топливного бака выпускной | 2 | |
42 | 120-1103065 | Пружина выпускного клапана | 2 | |
43 | 255141-П8 | Заклепка-ось пробки топливного бака | 2 | |
44 | 130-1103070-Б | Облицовка пробки топливного бака с рычагом в сборе | 2 |
Содержащиеся в справочниках-каталогах запасные части и детали не предлагаются к продаже, а носят исключительно информационный характер