ЗапКам
zap-kam16@yandex.ru
(900) 323-41-41
Вход / Регистрация отключена
Вход
Избранное
0
по запросу
Каталог
Все товары и категории
Запчасти КАМАЗ
Двигатель
Двигатели в сборе
Евро-0
КамАЗ-4310
Урал-4320
КамАЗ-4350
Евро-1
КамАЗ-43114
Евро-2
КамАЗ-43118
КамАЗ-65115
КамАЗ-6520
Евро-3
Евро-4
Евро-5
Газовые
Блоки цилиндров
Блоки цилиндров Евро-0 КамАЗ
Блоки цилиндров Евро-1 КамАЗ
Блоки цилиндров Евро-2 КамАЗ
Блоки цилиндров Евро-3 КамАЗ
Блоки цилиндров Евро-4,5 КамАЗ Common Rail
Сборочные комплекты (лонг-, шорт-блоки)
Блоки управления
Валы коленчатые
Коленвалы Евро-0 КамАЗ
Коленвалы Евро-1 КамАЗ
Коленвалы Евро-2 КамАЗ
Коленвалы Евро-3 КамАЗ
Коленвалы Евро-4,5 КамАЗ Common Rail
Вкладыши коренные
Евро-3,4,5
Евро-0,1,2
Вкладыши шатунные
Евро-3,4,5
Евро-0,1,2
Валы распредительные
ЦПГ – поршневая
Поршневая Евро-4,-5 (740.602)
Поршневая Евро-2,-3 (740.60)
Поршневая Евро-1,-2 (740.30)
Поршневая Евро-0,1 (740)
Кольца поршневые
ТНВД
Евро-4-5 Common Rail
Евро-3
Евро-2
Евро-1
Евро-0
Система питания
Форсунки топливные
Распылители форсунок
Топливозаборники
ГБЦ
Евро-3,4,5 Common Rail
Евро-1,2,3
Евро-0
Газ
Турбокомпрессоры
ТРК Евро-4,5 (однотурбовые)
Евро-4
Евро-3
Евро-2
Евро-1
Насос водяной
Насос масляный
Маховики
Коробка передач
КПП в сборе
Валы
Валы вторичные
Валы первичные
Валы промежуточные
Шестерни
Синхронизаторы
Делители в сборе
Коробка раздаточная
РК в сборе
РК 6522
Дифференциалы
Валы
Валы первичные
Валы промежуточные
Вилки
Шестерни
Механизмы переключения
Трансмиссия
Мосты
Редукторы в сборе
Заднего моста
Переднего моста
Среднего моста
Зубьев
31, 35
50
49
48
47
46
КамАЗ
4310
43114
43118
4326
5320
53205
65115
43253
53229
6520
6522
4308
65111
65116
65117
55102
55111
53212
53215
54115
5410
5511
Мосты в сборе
Передние
Средние
Задние
6520, 6522 (20т)
65115 (15т)
65111 (15т)
43118 (10т)
43114 / 4310 (8т)
53205 Евро (10т)
5320 (8т)
5511 (10т)
МОД
Мадара
Подвеска в сборе
Ось передняя
Ось в сборе
Ходовая часть
Подвеска (тележка) в сборе
Колеса и шины
Рама
Рессоры
Лебедка
Механизмы управления
Отопление и вентиляция
Система выпуска
Сцепление
Тормоза
Кабина
Управление рулевое
Электрооборудование
Автомобили
КАМАЗ 5490
Двигатель 457
Двигатели в сборе
Сцепление
Кабина
Кузов
Мосты
Рама
Система выпуска
Тормоза
Управление рулевое
Ходовая часть
КАМАЗ К5
Двигатели WeiChai
Двигатели в сборе
Двигатели Р6
Двигатели 910 Р6 в сборе
Кабина
Сцепление
Тормоза
Управление рулевое
Электрооборудование
ZF
КПП ZF в сборе
16S EcoSplit
КПП 16s 1820 TO
КПП 16S 2220
9S Ecomid
12AS Astronic
12TX Traxon
Запчасти 12tx Traxon
Cummins
Двигатели в сборе
Блоки цилиндров
Коленвалы
Головки блока
Генератор
Китайские грузовики
Shaanxi HanDe
Fast Gear
Sitrak
Weichai
FAW
Laizhou Tongji
Европейские грузовики
Mercedes
Электрооборудование
Блоки управления
Блоки управления ADM
Блоки управления CPC4
Блоки управления двигателем
Блоки управления электрооборудованием
Датчики
Стартеры
Карданная передача
Карданы КамАЗ
Коробки отбора мощности
Прицепная техника
ССУ (Седла)
Ремонт
Ремонт двигателей
Ремонт КПП Камаз и ZF
Ремонт раздаток и редукторов
Ремонт кабин
Услуги
Комплектация заявок
Скупка запчастей и агрегатов
Контакты
Отправить заявку
Каталоги запчастей к технике
Грузовые
КАЗ
КАЗ 608
Установка глушителя, впускных и выпускных труб
Поиск
Установка глушителя, впускных и выпускных труб
/ КАЗ 608
zoom-in
zoom-out
enlarge
shrink
circle-right
circle-left
file-text2
info
cart
Тип техники
Не выбрано
Грузовые
Двигатели
Марка
Не выбрано
DAF
DongFeng
FAW
Foton
HOWO
IVECO
JAC Motors
MAN
Shaanxi
SITRAK
Volvo
Автокомпонент Плюс
ЗИЛ
КАЗ
КамАЗ
Мадара
НефАЗ
СЗАП
Тонар
УралАЗ
Модель
Не выбрано
КАЗ 608
Схема
>
Не выбрано
Крепление кабины
Кабина автомобиля (вид изнутри)
Ветровое стекло кабины, установка стеклоочистителя и устройства обмыва ветрового окна, обивка кабины
Дверь кабины, навески и стекло двери
Замок, ручки и стеклоподъемник левой двери
Сиденья водителя и пассажира
Схема отопления и вентиляции кабины
Оперение автомобиля
Двигатель ЗИЛ-130Я5, вид справа
Двигатель ЗИЛ-130Я5, вид слева
Подвеска двигателя, установка масляных фильтров
Блок цилиндров двигателя, масляный картер, крышки подшипников коленчатого вала, втулки распределительного вала, картер и крышка сцепления
Головка блока цилиндров, выпускной газопровод
Поршень, шатун и гильза
Коленчатый и распределительный валы, маховик, приводы распределителя топливного насоса и центробежного датчика ограничителя числа оборотов коленчатого вала
Клапаны и толкатели
Впускная труба, вентиляция картера, установка масляного патрубка и фильтра вентиляции картера, установка карбюратора и выпускного патрубка водяной рубашки двигателя
Маслоприемник и масляный насос
Масляный фильтр и центрифуга
Установка масляного радиатора
Полнопоточный центробежный фильтр очистки масла
Система питания двигателя автомобиля
Фильтр отстойник и фильтр тонкой очистки топлива
Топливный насос Б10
Карбюратор МКЗ-К88А
Управление карбюратором МКЗ-К88А
Воздушный фильтр ВМ-16
Центробежный датчик ограничителя числа оборотов коленчатого вала двигателя
Установка глушителя, впускных и выпускных труб
Система охлаждения двигателя и компрессора, схема отопителя кабины
Водяной насос и вентилятор
Сцепление
Педаль и привод выключения сцепления
Коробка передач
Верхняя крышка коробки передач
Механизм управления переключения передач
Механизм управления переключения передач (модернизированный)
Карданный вал
Картер, полуоси и дифференциал заднего моста
Главная передача заднего моста
Рама седельного тягача КАЗ-608
Передняя подвеска
Передний амортизатор
Задняя подвеска
Передняя ось и рулевые тяги
Установка запасного колеса
Установка рулевого управления, насоса гидроусилителя руля, переключения указателей поворота и контактного устройства сигнала
Механизм рулевого управления
Механизм усилительный рулевого управления
Насос гидроусилителя рулевого управления
Тяга продольная с клапаном управления гидроусилителем руля
Колонка и кардан рулевого управления
Тормозной барабан, тормоза и ступица переднего колеса
Тормозной барабан, тормоза и ступица заднего колеса
Установка и привод тормозного крана
Схема пневматической системы
Ручной тормоз
Привод ручного тормоза
Компрессор
Установка компрессора и регулятора давления
Установка компрессора с регулировкой натяжения ремня перемещением компрессора
Регулятор давления
Тормозной кран
Тормозные камеры
Соединительная головка
Схема электрооборудования (генератор постоянного тока)
Схема электрооборудования (генератор переменного тока)
Схема электрооборудования автомобиля с контактно-транзисторной системой зажигания
Схема контактно-транзисторной системы зажигания
Генератор (постоянного тока)
Генератор (переменного тока)
Реле-регулятор РР130
Реле-регулятор РР359
Аккумуляторная батарея
Аккумуляторная батарея
Установка приборов зажигания, замок зажигания
Распределитель
Стартер
Фара, подфарник, плафон кабины
Задний фонарь, сигнал
Установка предохранителей, соединителей проводов и указателя поворотов
Щиток приборов, вещевой ящик, держатель (с генератором постоянного тока)
Щиток приборов, вещевой ящик, держатель
Установка гибкого вала спидометра
Привод спидометра
Седельное устройство
Шоферский инструмент
Седельный тягач КАЗ-608
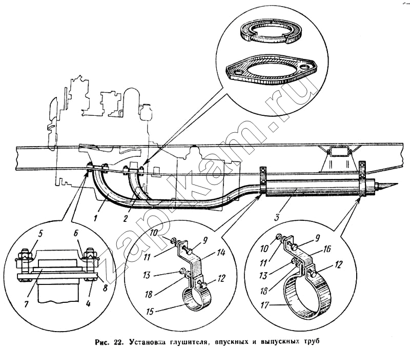
1
2
3
4
5
6
7
8
9
10
11
12
13
14
15
16
17
18
Поз.
Артикул
Название детали
Кол-во
1
608-1203011
Труба глушителя приемная левая в сборе
1
2
603-1203010
Труба глушителя приемная правая в сборе
1
3
130-1201010-А
Глушитель выхлопа в сборе
2
4
200367-П8
Болт крепления картера сцепления
4
5
250538-П
Гайка
4
6
252157-П2
Шайба пружинная
4
7
306322-П
Прокладка фланца в сборе
2
8
130-1203137
Фланец приемной трубы натяжной
2
9
201540-П8
Болт крепления кронштейна глушителя
6
10
250514-П8
Гайка
6
11
252137-П2
Шайба пружинная
6
12
200315-П8
Болт хомута глушителя стяжной
4
13
250512-П8
Гайка клина
4
14
608-1201032
Кронштейн крепления глушителя передний
2
15
608-1201034
Хомут крепления глушителя передний
2
16
608-1201033-Б
Кронштейн крепления глушителя задний
2
17
120-1201034
Хомут крепления глушителя задний
2
18
252006-П8
Шайба
4
Содержащиеся в справочниках-каталогах запасные части и детали не предлагаются к продаже, а носят исключительно информационный характер
Дополнительная информация
×
Название:
Номер:
Примечание:
Войти
Имя пользователя
Пароль
Забыли пароль?
Запомнить меня
Войти
Поиск товаров
Поиск товаров
Корзина покупок