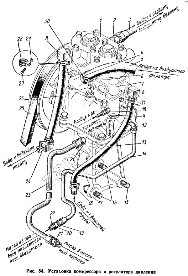
Установка компрессора и регулятора давления
/ КАЗ 608

1
2
3
4
5
6
7
8
9
10
11
12
13
14
15
16
17
18
19
20
21
22
23
24
25
26
27
28
29
30
Поз. | Артикул | Название детали | Кол-во | |
---|---|---|---|---|
1 | 130-3500012-В | Компрессор пневматической системы в сборе (укомплектованный для подачи на конвейер - со шкивом, нижней крышкой, патрубком, регулятором давления, штуцерами и угольником) | 1 | |
2 | 421174-П | Угольник компрессора концевой | 3 | |
3 | 608-3506450-А | Трубка ел компрессора к правому воздушному баллону в сборе | 1 | |
4 | 288007-П8 | Хомут крепления шланга | 2 | |
5 | 130-3509276-А | Шланг подвода воздуха к компрессору | 1 | |
6 | 251084-П8 | Гайка | 2 | |
7 | 130-3512010-А2 | Регулятор давления в сборе | ||
8 | 130-1013149 | Угольник слива масла | 2 | |
9 | 608-3506225 | Трубка от тормозного крана к регулятору давления в сборе | 1 | |
10 | 421149-П8 | Штуцер вверткой | 1 | |
11 | 201458-П8 | Болт крепления кронштейна основного замка | 2 | |
12 | 421172-П | Угольник трубки | 1 | |
13 | 130-3509293 | Шланг подвода воды к компрессору | 1 | |
14 | 130-3509260 | Трубка подвода масла к компрессору в сборе | 1 | |
15 | 307179-П8 | Шпилька крепления компрессора | 1 | |
16 | 308614-П8 | Шпилька крепления компрессора | 2 | |
17 | 250515-П8 | Гайка | 3 | |
18 | 140-8104076 | Штуцер системы отопителя | 1 | |
19 | 300225-П8 | Переходник трубки | 1 | |
20 | 300300-П8 | Штуцер трубки | 1 | |
21 | 421152-П | Штуцер концевой | 2 | |
22 | 305554-П | Шайба | 1 | |
23 | 130-3509270 | Трубка отвода масла от компрессора в сборе | 1 | |
24 | 115-1011103 | Угольник шланга отвода воды | 1 | |
25 | 130-3509250 | Ремень привода компрессора | 1 | |
26 | 130-3509290-Б | Шланг отвода поды от компрессора | 1 | |
27 | 220082-П8 | Винт крепления хомута | 4 | |
28 | 288004-П8 | Хомут крепления шланга | 4 | |
29 | 251084-П8 | Гайка | 4 | |
30 | 220086-П8 | Винт хомута | 2 |
Содержащиеся в справочниках-каталогах запасные части и детали не предлагаются к продаже, а носят исключительно информационный характер