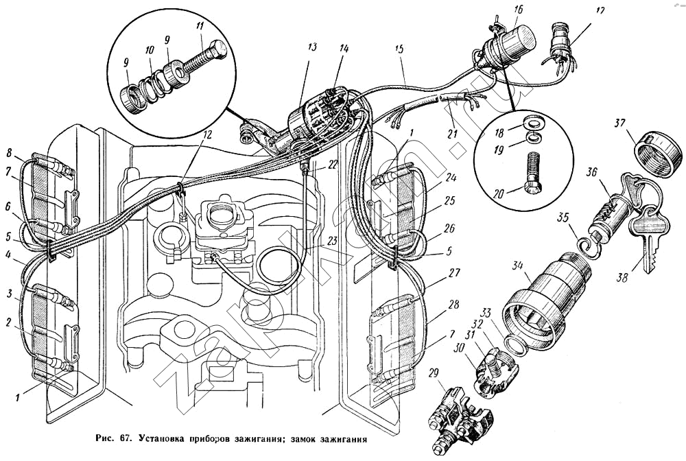
Установка приборов зажигания, замок зажигания
/ КАЗ 608

1
4
6
8
9
10
11
12
13
14
15
16
17
18
19
20
21
22
23
24
25
26
27
28
29
30
31
32
33
34
35
36
37
38
Поз. | Артикул | Название детали | Кол-во | |
---|---|---|---|---|
608-3705030 | 608-3705030 | Кронштейн катушки зажигания | 1 | |
250508-П8 | 250508-П8 | Гайка | 2 | |
608-3724455 | 608-3724455 | Пучок проводов от электродвигателя отопителя к переключателю в сборе | 1 | |
608-3724032 | 608-3724032 | Пучок проводов от генератора к реле регулятору | 1 | |
608-3724045-Ж | 608-3724045-Ж | Пучок проводов задний в сборе | 1 | |
608-3724038-Б | 608-3724038-Б | Провод питания приборов в сборе | 1 | |
608-3724118-В | 608-3724118-В | Провод плафона в сборе | 1 | |
120-3724316-А1 | 120-3724316-А1 | Провод от штепсельной розетки на «массу» в сборе | 2 | |
005-3724051 | 005-3724051 | Провод от указателя уровня топлива к переключателю в сборе | 1 | |
608-3724140 | 608-3724140 | Провод низкого напряжения от индукционной катушки к распределителю в сборе | 1 | |
130-3707090-А | 130-3707090-А | Провод к свече первого цилиндра в сборе | 1 | |
130-3707078-А | 130-3707078-А | Провод высокого напряжения и защитные колпачки- комплект | ||
608-3724039-Б | 608-3724039-Б | Провод питания приборов в сборе | 1 | |
1 | 130-3707010 | Свеча зажигании типа А15-В в сборе | 8 | |
2 | 130-3707060-А | Щиток свечи передний правый в сборе | 1 | |
4 | 130-3707095-А | Провод к свече второго цилиндра в сборе | 1 | |
5 | 130-3707071 | Держатель проводов к свечам на крышке головки блока двигателя | 2 | |
6 | 130-3707100-А | Провод к свече третьего цилиндра в сборе | 1 | |
7 | 130-3707061-А | Щиток передний левый в сборе | 2 | |
8 | 130-3707105-А | Провод к свече четвертого цилиндра в сборе | 1 | |
9 | 305636-П8 | Шайба чашкообразная | 4 | |
10 | 120-3721040 | Пружина контакта с "массой" кнопки сигнала | 1 | |
11 | 301197-П8 | Болт крепления распределителя | 2 | |
12 | 130-3707201 | Держатель проводов к свечам на трубке вентиляции картера двигателя | 1 | |
13 | 130-3706010 | Распределитель типа Р4-В2 в сборе | 1 | |
14 | 110-3707148 | Колпачок провода высокого напряжения защитный | 9 | |
15 | 130-3707150-Б | Провод высокого напряжения от катушки зажигания к рас | 1 | |
16 | 130-3705010 | Катушка зажигания типа Б13 маслонаполненная в сборе | 1 | |
17 | 130-3704010-А | Включатель зажигания с запорным цилиндром и ключами в сборе (ВК21-Е или Г-К350) | 2 | |
18 | 252004-П8 | Шайба | 2 | |
19 | 252134-П2 | Шайба пружинная | 2 | |
20 | 201418-П8 | Болт крепления кронштейна | 2 | |
21 | 608-3724010-Ж | Пучок проводов основной в сборе | 1 | |
22 | 300162-П8 | Штуцер вверткой к карбюратору и к распределителю | 2 | |
23 | 130-3706315 | Трубка от распределителя к карбюратору в сборе | 1 | |
24 | 130-3707125-А | Провод к свече восьмого цилиндра в сборе | 1 | |
25 | 130-3707065 | Щиток свечи задний в сборе | 1 | |
26 | 130-3707120-А | Провод к свече седьмого цилиндра в сборе | 1 | |
27 | 130-3707115-А | Провод к свече шестого цилиндра в сборе | 1 | |
28 | 130-3707110-А | Провод к свече пятого цилиндра в сборе | 1 | |
29 | ВК21-3704100-Е | Основание включателя зажигания в сборе | 2 | |
30 | ВК21-3704020-Д | Ротор включателя зажигания в сборе | 1 | |
31 | Шарик 2/4" включателя зажигания | Шарик 2/4" включателя зажигания | 8 | |
32 | ВК21-3704011-Д | Пружина ротора | 2 | |
33 | ВК21-3704012-Д | Кольцо ротора | 2 | |
34 | ВК21-3704010-Е | Корпус включателя зажигания | 2 | |
35 | 130-3704107 | Пружина запорного цилиндра стопорная | 2 | |
36 | 130-3704016 | Цилиндр включателя зажигания запорный в сборе | 2 | |
37 | 130-3704098 | Облицовка включателя зажигания | 2 | |
38 | 120-3704100 | Ключ включателя зажигания | 4 |
Содержащиеся в справочниках-каталогах запасные части и детали не предлагаются к продаже, а носят исключительно информационный характер