ЗапКам
zap-kam16@yandex.ru
(900) 323-41-41
Вход / Регистрация отключена
Вход
Избранное
0
по запросу
Каталог
Все товары и категории
Запчасти КАМАЗ
Двигатель
Двигатели в сборе
Евро-0
КамАЗ-4310
Урал-4320
КамАЗ-4350
Евро-1
КамАЗ-43114
Евро-2
КамАЗ-43118
КамАЗ-65115
КамАЗ-6520
Евро-3
Евро-4
Евро-5
Газовые
Блоки цилиндров
Блоки цилиндров Евро-0 КамАЗ
Блоки цилиндров Евро-1 КамАЗ
Блоки цилиндров Евро-2 КамАЗ
Блоки цилиндров Евро-3 КамАЗ
Блоки цилиндров Евро-4,5 КамАЗ Common Rail
Сборочные комплекты (лонг-, шорт-блоки)
Блоки управления
Валы коленчатые
Коленвалы Евро-0 КамАЗ
Коленвалы Евро-1 КамАЗ
Коленвалы Евро-2 КамАЗ
Коленвалы Евро-3 КамАЗ
Коленвалы Евро-4,5 КамАЗ Common Rail
Вкладыши коренные
Евро-3,4,5
Евро-0,1,2
Вкладыши шатунные
Евро-3,4,5
Евро-0,1,2
Валы распредительные
ЦПГ – поршневая
Поршневая Евро-4,-5 (740.602)
Поршневая Евро-2,-3 (740.60)
Поршневая Евро-1,-2 (740.30)
Поршневая Евро-0,1 (740)
Кольца поршневые
ТНВД
Евро-4-5 Common Rail
Евро-3
Евро-2
Евро-1
Евро-0
Система питания
Форсунки топливные
Распылители форсунок
Топливозаборники
ГБЦ
Евро-3,4,5 Common Rail
Евро-1,2,3
Евро-0
Газ
Турбокомпрессоры
ТРК Евро-4,5 (однотурбовые)
Евро-4
Евро-3
Евро-2
Евро-1
Насос водяной
Насос масляный
Маховики
Коробка передач
КПП в сборе
Валы
Валы вторичные
Валы первичные
Валы промежуточные
Шестерни
Синхронизаторы
Делители в сборе
Коробка раздаточная
РК в сборе
РК 6522
Дифференциалы
Валы
Валы первичные
Валы промежуточные
Вилки
Шестерни
Механизмы переключения
Трансмиссия
Мосты
Редукторы в сборе
Заднего моста
Переднего моста
Среднего моста
Зубьев
31, 35
50
49
48
47
46
КамАЗ
4310
43114
43118
4326
5320
53205
65115
43253
53229
6520
6522
4308
65111
65116
65117
55102
55111
53212
53215
54115
5410
5511
Мосты в сборе
Передние
Средние
Задние
6520, 6522 (20т)
65115 (15т)
65111 (15т)
43118 (10т)
43114 / 4310 (8т)
53205 Евро (10т)
5320 (8т)
5511 (10т)
МОД
Мадара
Подвеска в сборе
Ось передняя
Ось в сборе
Ходовая часть
Подвеска (тележка) в сборе
Колеса и шины
Рама
Рессоры
Лебедка
Механизмы управления
Отопление и вентиляция
Система выпуска
Сцепление
Тормоза
Кабина
Управление рулевое
Электрооборудование
Автомобили
КАМАЗ 5490
Двигатель 457
Двигатели в сборе
Сцепление
Кабина
Кузов
Мосты
Рама
Система выпуска
Тормоза
Управление рулевое
Ходовая часть
КАМАЗ К5
Двигатели WeiChai
Двигатели в сборе
Двигатели Р6
Двигатели 910 Р6 в сборе
Кабина
Сцепление
Тормоза
Управление рулевое
Электрооборудование
ZF
КПП ZF в сборе
16S EcoSplit
КПП 16s 1820 TO
КПП 16S 2220
9S Ecomid
12AS Astronic
12TX Traxon
Запчасти 12tx Traxon
Cummins
Двигатели в сборе
Блоки цилиндров
Коленвалы
Головки блока
Генератор
Китайские грузовики
Shaanxi HanDe
Fast Gear
Sitrak
Weichai
FAW
Laizhou Tongji
Европейские грузовики
Mercedes
Электрооборудование
Блоки управления
Блоки управления ADM
Блоки управления CPC4
Блоки управления двигателем
Блоки управления электрооборудованием
Датчики
Стартеры
Карданная передача
Карданы КамАЗ
Коробки отбора мощности
Прицепная техника
ССУ (Седла)
Ремонт
Ремонт двигателей
Ремонт КПП Камаз и ZF
Ремонт раздаток и редукторов
Ремонт кабин
Услуги
Комплектация заявок
Скупка запчастей и агрегатов
Контакты
Отправить заявку
Каталоги запчастей к технике
Грузовые
MAN
MAN TGL
Привод заднего моста с блокировкой дифференциала
Поиск
Привод заднего моста с блокировкой дифференциала
/ MAN TGL
zoom-in
zoom-out
enlarge
shrink
circle-right
circle-left
file-text2
info
cart
Тип техники
Не выбрано
Грузовые
Двигатели
Марка
Не выбрано
DAF
DongFeng
FAW
Foton
HOWO
IVECO
JAC Motors
MAN
Shaanxi
SITRAK
Volvo
Автокомпонент Плюс
ЗИЛ
КАЗ
КамАЗ
Мадара
НефАЗ
СЗАП
Тонар
УралАЗ
Модель
Не выбрано
MAN TGL (2005)
Схема
>
Не выбрано
Стеклоочиститель
Емкость стеклоочистителя и омывателя фар
Омыватель фар
Зеркала заднего вида, левое+правое с механической регулировкой
Зеркала заднего вида с обогревом левое+правое с электрической регулировкой
Передняя подвеска кабины
Задняя подвеска кабины
Насос механизма наклона кабины
Насос механизма наклона кабины
Кожух
Кожух
Внутренняя боковая панель
Внешняя боковая панель
Задняя панель
Задняя панель
Панели пола
Покрытие пола
Крепление крыши
Крепление крыши
Левая дверь
Облицовка двери правая
Дверное окно левое
Дверное окно правое
Электрический стеклоподъемник левый
Электрический стеклоподъемник правый
Ветровое стекло
Стекло бокового окна
Подъемный/сдвигающийся люк
Подъемный люк
Дверные петли
Дверной замок
Дверной замок
Пластмассовый бампер
Элементы пластмассового бампера
Элементы пластмассового бампера
Крепление пластмассового бампера
Кронштейны задних фонарей
Передняя сервисная дверца
Спойлер
Спойлер
Ступень и крыло левые
Ступень и крыло правые
Задние крылья
Задние крылья
Задние крылья
Крыло левое переднее
Крыло правое переднее
Конденсер
Воздуховод
Детали обогревателя
Обогреватель
Обогреватель
Трубопроводы обогревателя кабины
Трубопроводы обогревателя кабины
Трубопроводы обогревателя кабины
Трубопроводы обогревателя кабины
Дозирующий топливный насос обогревателя
Дозирующий топливный насос обогревателя
Компрессор холодильника
Компрессор холодильника с клиновым ремнем
Крепеж компрессора холодильника
Шкив натяжения компрессора холодильника
Кронштейн крепления двигателя на раме
Кронштейн крепления двигателя
Переднее крепление двигателя
Переднее крепление двигателя
Переднее крепление двигателя
Переднее крепление двигателя
Пневмоцилиндр тормоза на выхлопе
Крепление крышки механизма газораспределения
Крепление корпуса механизма газораспределения
Картер маховика SAE 3
Корпус механизма газораспределения
Механизм газораспределения
Детали механизма отбора мощности
Установка механизма отбора мощности, водяного насоса, генератора
Сапун
Картер маховика SAE 2
Маслораспылитель
Гильза цилиндра
Коленвал
Подшипники и крепление коленвала
Шкив
Клапаны
Маховик
Поршень
Шатун
Блок цилиндров
Головка блока цилиндров
Прокладка и болты головки блока цилиндров
Крышка головки блока цилиндров
Промежуточная шестерня 1 и промежуточная ось
Промежуточная шестерня 2 и промежуточная ось
Кронштейн рокеров с EVB
Клапанный мост и толкатель клапана для EVB
Клапанный мост и толкатель клапана без EVB
Распредвал с шестерней
Воздуховоды промежуточного охладителя
Впускной канал и гофр
Воздухоочиститель
Воздухоочиститель
Крепление воздухоочистителя
Крепление воздухоочистителя
Крепление воздухоочистителя
Крепление воздухоочистителя
Воздухозаборник
Фильтр
Крышка топливного бака
Топливный бак
Топливный бак
Модуль подачи топлива
Топливопроводы
Топливопроводы
Топливный фильтр
Трубопровод распределения воздуха
Трубопровод и колено промежуточного охладителя
Турбокомпрессор
Турбокомпрессор
Трубопровод подачи масла в турбокомпрессор
Возвратный масляный трубопровод от турбокомпрессора
Воздухозаборник турбокомпрессора
Воздухозаборник турбокомпрессора
Топливопроводы форсунок
Форсунка
Крепление форсунки
Шейка аккумулятора давления
Предохранительный клапан, ремонтный
Аккумулятор давления
Топливопровод к аккумулятору давления
Топливный насос высокого давления CP3.3
Топливный фильтр
Топливный фильтр
Топливный фильтр
Топливопроводы
Топливопроводы
Установочные детали топливной системы
Установочные детали топливной системы
Средство облегчения пуска двигателя
Средство облегчения пуска двигателя
Сливная пробка
Колено промежуточного охладителя
Колено промежуточного охладителя
Система рециркуляции выхлопных газов
Система рециркуляции выхлопных газов
Крепеж системы рециркуляции выхлопных газов
Колено выхлопного коллектора и теплозащитный экран
Колено выхлопного коллектора и теплозащитный экран
Колено выхлопного коллектора и теплозащитный экран
Маслозаливной трубопровод
Всасывающий маслопровод
Масляный насос
Масляный насос
Масломерный щуп
Масляный поддон и картер коленвала
Масляный поддон и картер коленвала
Масляный поддон и картер коленвала
Модуль обработки масла
Модуль обработки масла
Радиатор системы охлаждения
Расширительный бачок
Трубопроводы охлаждающей жидкости
Термостат охлаждающей жидкости
Термостат охлаждающей жидкости
Элементы модуля обработки масла
Насос охлаждающей жидкости
Насос охлаждающей жидкости
Насос охлаждающей жидкости
Трубопровод охлаждающей жидкости
Трубопровод охлаждающей жидкости
Трубопровод охлаждающей жидкости
Корпус термостата
Колено охлаждающей жидкости
8-лопастной вентилятор
Вентилятор с вязкостной муфтой
Крепление вентилятора с вязкостной муфтой
Переднее крепление двигателя
Переднее крепление двигателя
Переднее крепление двигателя
Переднее крепление двигателя
Картер маховика SAE 2
Картер маховика SAE 3
Картер механизма газораспределения
Картер механизма газораспределения
Крепление картера механизма газораспределения
Крепление крышки механизма газораспределения
Сапун
Сапун
Маслораспылитель
Коленвал
Коленвал
Распредвал
Распредвал
Шкив
Шкив
Маховик
Маховик
Поршень
Шатунный подшипник
Блок цилиндров
Головка блока цилиндров
Прокладка головки блока цилиндров
Клапанная крышка
Клапаны
Промежуточная шестерня 1 и промежуточная ось
Промежуточная шестерня 2 и промежуточная ось
Кронштейн рокеров с EVB
Кронштейн рокеров без EVB
Клапанный мост, толкатель клапана с EVB
Клапанный мост, толкатель клапана без EVB
Колено от промежуточного охладителя к впускному трубопроводу
Колено промежуточного охладителя от турбокомпрессора
Питающий воздушный трубопровод и колено промежуточного охладителя
Средство облегчения пуска двигателя
Средство облегчения пуска двигателя
Турбокомпрессор
Турбокомпрессор
Крепление турбокомпрессора
Крепление турбокомпрессора
Трубопровод подачи масла на турбокомпрессор
Возвратный масляный трубопровод турбокомпрессора
Возвратный масляный трубопровод турбокомпрессора
Возвратный масляный трубопровод турбокомпрессора
Воздухозаборник турбокомпрессора
Воздухозаборник турбокомпрессора
Управление давлением наддувочного воздуха
Форсунка
Крепление форсунки
Шейка аккумулятора давления
Аккумулятор давления
Топливопровод высокого давления
Топливопроводы форсунок
Насос высокого давления CP3.3
Топливный фильтр
Топливный фильтр
Топливопроводы
Топливопроводы
Колено выхлопного коллектора и теплозащитный экран
Колено выхлопного коллектора и теплозащитный экран
Трубопровод распределения воздуха
Крепеж и соединения системы рециркуляции выхлопных газов
Элементы системы рециркуляции выхлопных газов
Масляный насос
Всасывающий маслопровод
Модуль обработки масла
Модуль обработки масла
Масляный поддон и картер коленвала
Модуль обработки масла
Масломерный щуп
Термостат охлаждающей жидкости
Корпус термостата
Вентилятор
Насос охлаждающей жидкости
Насос охлаждающей жидкости
Насос охлаждающей жидкости
Трубопровод охлаждающей жидкости
Трубопровод охлаждающей жидкости
Трубопровод охлаждающей жидкости
Выпускной трубопровод
Колено охлаждающей жидкости
Вентилятор с вязкостной муфтой
Сцепление
Сцепление
Трубопровод сцепления
Трубопровод сцепления
Картер сцепления и выжимной подшипник
Картер сцепления
Шестерня заднего хода
Картер трансмиссии
Ведущий вал
Главный вал, передние компоненты
Главный вал задние компоненты
Промежуточный вал
Механизм переключения передач
Механизм переключения передач
Детали рычага переключения передач
Корпус механизма управления переключением передач
Корпус механизма управления переключением передач
Карданный вал
Карданный вал
Карданный вал
Карданный вал
Механизм блокировки дифференциала
Привод
Полуоси
Полуоси
Задний мост HY-0718
Задний мост HY-0718-00/01
Задний мост
Привод заднего моста с блокировкой дифференциала
Привод заднего моста с блокировкой дифференциала
Ступица колеса и тормозной диск
Датчик скорости
Датчик скорости
Индикатор износа тормозной колодки
Индикатор износа тормозной колодки
Сцепное устройство Ringfeder
Амортизатор
Амортизатор
Амортизатор
Элементы амортизатора
Поперечная тяга с подвесом
Элементы поперечной тяги
Стабилизатор заднего моста
Стабилизатор заднего моста
Стабилизатор переднего моста
Рессора
Задняя рессора
Параболическая рессора 2-листовая
Полурессора
Пневмобаллон
Ступица колеса
Передний неведущий мост, поворотный кулак
Передний мост VOK-05
Запасное колесо
Поперечная рулевая тяга
Рулевое управление
Рулевое управление
Рулевая колонка
Рулевая колонка без подушки безопасности
Кожух рулевой колонки
Комплект уплотнений рулевого управления
Рулевая сошка и продольная рулевая тяга
Продольная рулевая тяга
Бачок гидравлической жидкости рулевого управления
Элементы бачка
Бачок
Вал рулевого управления
Ремкомплект рулевого управления
Элементы блока педалей
Одинарный гидравлический насос
Двойной гидравлический насос
Ремкомплект лопастного насоса
Ремкомплект лопастного насоса
Ремкомплект лопастного насоса
Насос усилителя рулевого управления
Трубопроводы насоса усилителя рулевого управления MAN D0836
Трубопроводы насоса усилителя рулевого управления MAN D0834
Ремкомплекты дискового тормоза
Суппорт тормоза
Тормозной суппорт
Тормозная колодка
Тормозная колодка
Тормозная колодка
Ремкомплект индикатора износа тормозной колодки
Ремкомплект индикатора износа тормозной колодки
Ремкомплект суппорта дискового тормоза
Ремкомплект суппорта дискового тормоза
Тормозной трубопровод воздушного компрессора
Тормозной трубопровод воздушного компрессора
Ремкомплект воздухоосушителя KNORR
Ремкомплект воздухоосушителя BOSCH
Ремкомплект воздухоосушителя WABCO
Трубопроводы охлаждающей жидкости 1-цилиндрового компрессора
1-цилиндровый воздушный компрессор
Тормозной трубопровод
Тормозной трубопровод
Трубопроводы охлаждающей жидкости 1-цилиндрового воздушного компрессора
Трубопроводы охлаждающей жидкости 1-цилиндрового воздушного компрессора
Тормозной трубопровод
1-цилиндровый воздушный компрессор
Крепеж генератора
Крепеж генератора
Крепеж генератора
Детали генератора
Шкив натяжения
Шкив натяжения для двигателей с гидравлическим насосом
Стартер
Датчики двигателя
Элементы крепления генератора
Передние указатели поворотов
Фонарь освещения ступеньки
Боковой габаритный светодиодный фонарь
Багажная полка с освещением
Прожектор на крыше
Габаритный фонарь
Прожектор за кабиной
Задние фонари
Задние фонари
Задние фонари
Боковой указатель на подножке
Реле и предохранители центрального бортового компьютера
Звуковой сигнал
Переключатели на рулевой колонке
Выключатель аккумулятора
Реле отключения аккумулятора
Механический выключатель аккумулятора
Аккумуляторная коробка
Цилиндр переключения механизма отбора мощности N850/10
Механизм отбора мощности
Механизм отбора мощности
Механизм отбора мощности
Механизм отбора мощности
Механизм отбора мощности
Механизм отбора мощности
Механизм отбора мощности
Механизм отбора мощности
Механизм отбора мощности
Механизм отбора мощности
Механизм отбора мощности
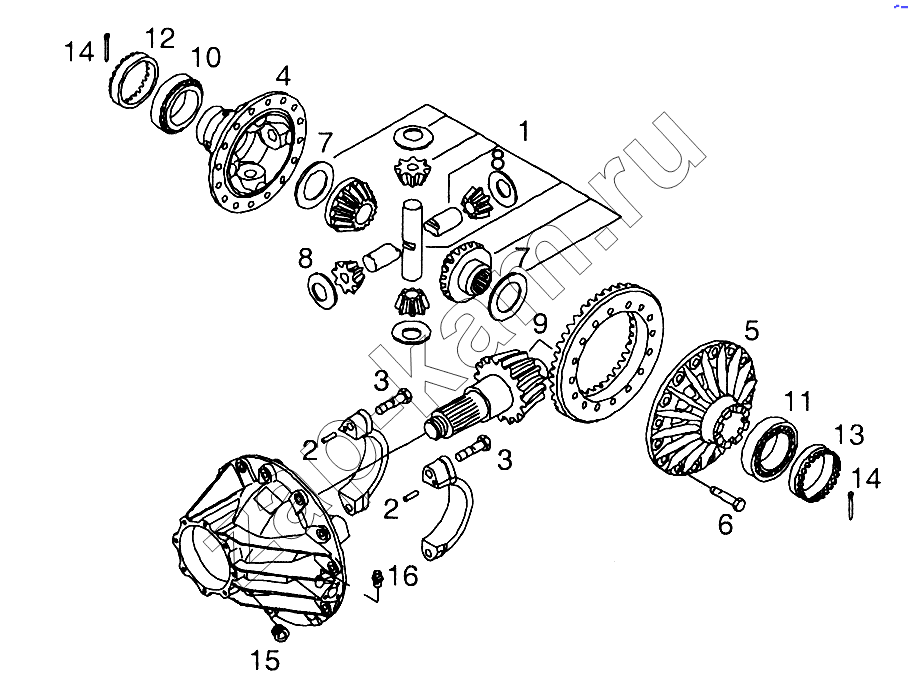
1
2
2
3
3
4
5
6
7
7
8
8
9
10
11
12
13
14
14
15
16
Поз.
Артикул
Название детали
Кол-во
1
81.35107-6042
Ремкомплект дифференциала, мост HY-0925/1130
1;
2
06.22022-3010
Установочный штифт 8H8x16-ST50-2K
4;
3
06.01494-4519
Болт M16x1,5x100-10,9-MAN183-PHR
4;
4
81.35105-0191
Корпус дифференциала HY-0925/1130
1;
5
81.35105-0192
Крышка корпуса дифференциала HY-0925/1130
1;
6
06.02814-3013
Фиксирующий болт с шестигранной головкой M16x1,5x40-100-MAN183-PHR
16;
7
81.90714-0470
Упорная шайба 80D12x120x2,0-CUZN37
2;
8
81.90714-0469
Стопорная шайба
4;
9
81.35199-6616
Коническая пара (l=5,286 Z=37:7)
1;
10
06.32489-0078
Конический роликоподшипник 32016-X
1;
11
06.32489-0070
Конический роликоподшипник 32021-X
1;
12
81.35125-0045
Кольцо
1;
13
81.35125-0023
Кольцо
1;
14
06.16020-6914
Шплинт 6,3x32-ST-A4C
2;
15
81.90310-0179
Сливная пробка M24x1,5-5,8-SW14-A3C
1;
16
81.35306-0034
Пробка
1;
Содержащиеся в справочниках-каталогах запасные части и детали не предлагаются к продаже, а носят исключительно информационный характер
Дополнительная информация
×
Название:
Номер:
Примечание:
Войти
Имя пользователя
Пароль
Забыли пароль?
Запомнить меня
Войти
Поиск товаров
Поиск товаров
Корзина покупок