Двухосное управление рулевым механизмом
/ Shaanxi DeLONG Е-3 (самосвал)

1
2
3
4
5
6
7
8
9
10
11
12
13
14
15
16
17
18
19
20
21
21
22
23
24
25
26
27
28
29
30
31
32
33
34
35
36
37
38
39
40
41
42
43
44
45
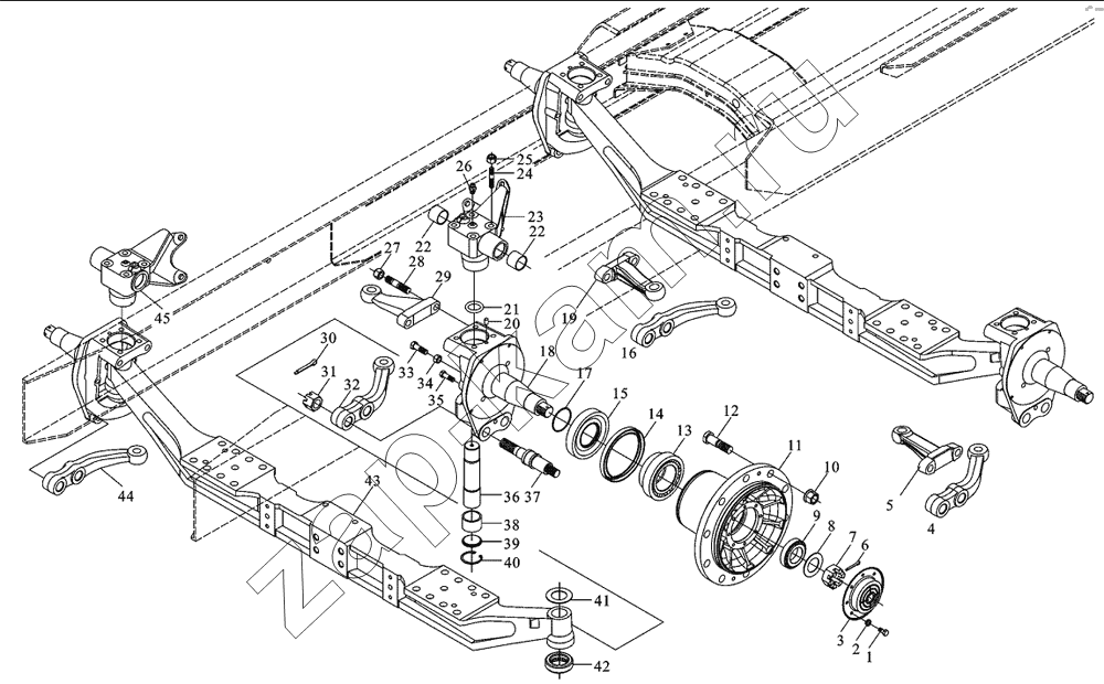
Поз. | Артикул | Название детали | Кол-во | |
---|---|---|---|---|
1 | Q150B0816 | Болт | 32; | |
2 | Q40308 | Шайба пружинная | 32; | |
3 | 88000410043 | Крышка | 4; | |
4 | 88000410041 | Рычаг поворотный правый | 1; | |
5 | 99014410001 | Поворотный кулак | 1; | |
6 | Q5006360 | Фиксатор | 4; | |
7 | Q38336 | Гайка | 4; | |
8 | 99000410062 | Шайба | 4; | |
9 | 3210 | Подшипник | 4; | |
10 | Q30022 | Конический роликовый подшипник | 40; | |
11 | 99000410066 | Ступица колеса | 4; | |
12 | 99012340123 | Болт | 40; | |
13 | 32314 | Подшипник | 4; | |
14 | 99100100028 | Шайба уплотнительная | 4; | |
15 | 99000410114 | Промежуточное кольцо | 4; | |
16 | 88000410040 | Рычаг поворотный | 1; | |
17 | 29500420033 | Кольцо уплотнительное | 4; | |
18 | 99018410003 | Рулевая цапфа | 4; | |
19 | Q5211016 | Фиксатор | 1; | |
20 | 88000410035 | Шайба уплотнительная | 4; | |
21 | 88000340017 | Втулка | 4; | |
22 | 88000410033 | Кронштейн левый | 8; | |
23 | 88000410075 | Шпилька | 2; | |
24 | Q30215 | Гайка | 16; | |
25 | 88000410030 | Кулак поворотный | ; | |
26 | 90003963114 | Пресс масленка | 4; | |
27 | Q30218 | Гайка | 8; | |
28 | 88000410060 | Шпилька | 8; | |
29 | 99000410001 | Поворотный кулак | 1; | |
30 | Q5005050 | Шплинт | 8; | |
31 | Q38327 | Гайка | 8; | |
32 | 99018410005 | Рычаг поворотный правый | 1; | |
33 | Q26114 | Болт | 4; | |
34 | Q351B14T15 | Гайка | 4; | |
35 | Q151C1220 | Болт | 8; | |
36 | 88000410031 | Втулка | 4; | |
37 | 88000410038 | Втулка | 8; | |
38 | 88000410029 | Прокладка | 4; | |
39 | 88000410100 | Крышка | 4; | |
40 | Q43056 | Кольцо стопорное | 4; | |
41 | 88100411404 | Шайба | ; | |
42 | 88000410049 | Подшипник | 4; | |
43 | 88000410054 | Передняя ось | 2; | |
44 | 99018410004 | Рычаг | 1; | |
45 | 88000410034 | Кронштейн правый | 2; |
Содержащиеся в справочниках-каталогах запасные части и детали не предлагаются к продаже, а носят исключительно информационный характер